LINEAR TECHNOLOGY LTC4062 Single Cell Li-Ion Battery Charger With Comparator
DESCRIPTION
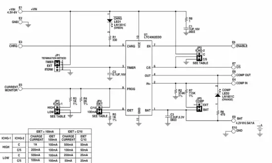
Demonstration circuit 789 is a complete constant-current, constant-voltage battery charger for one Lithium-Ion cell and includes a comparator which can be used to monitor battery voltage or other voltages. The LTC4062EDD used on this demo circuit features an internal P-Channel power MOSFET with a unique thermal feedback loop that reduces the output current under high ambient temperature and/or high power dissipation conditions. This feature allows the charger to provide higher charge currents under normal conditions and still provide safe charging under abnormal conditions such as high ambient temperature, high input voltage or low battery voltage.
Jumpers on the board allow charge currents from 50mA to 1A to be programmed and several charge termination methods to be used. A jumper also se-lects either the battery voltage or an external voltage for the comparator input. Terminals are provided for the comparator input and output, shutting down the charger, monitoring charge current and programming the minimum charge current level for termination (IDETECT). Two LEDs are included, one indicates when the charge current has dropped below the minimum charge current termination level and the second indicates the comparator output state.
The IC is available in a 10-Pin 3mm x 3mm DFN thermally enhanced package featuring an exposed bottom-side metal pad for soldering to the PC board.
Design files for this circuit board are available. Call the LTC factory.
LTC is a trademark of Linear Technology Corporation
Table 1. Typical Specifications (25°C)
| Input Voltage Range VIN | 4.3 to 8V (upper range limited by PC board power dissipation) |
| Input UnderVoltage Lockout | 3.8V |
| Output Float Voltage VBAT (constant voltage mode) | 4.2V ±0.5% |
| Output Current IBAT (constant current mode) | From 50mA to 1A ± 8% (selected by jumpers) |
| Current Monitor Output | 1V ±5% @ Full Current |
| Charge Termination Timer | 3 Hours ±10% |
| Charge Termination Threshold Current (IDETECT) | 25mA, 50mA, 100mA ± 10% |
| Comparator Threshold | 2.910V ±3% |
OPERATION
Demonstration circuit 789 allows three methods of charge termination which are selected using jumper JP1. In the lower “TIMER” position, the charge cy-cle terminates at the end of the timer period as set by capacitor C2. The 3-hour timer is sufficient time to fully charge a depleted battery when charging at a current level ranging from C/2 to 1C.
The upper “ITERM” position selects minimum charge current termination (DETECT). This method terminates the charge cycle when the charge cur-rent drops to a programmed threshold level after the battery has reached the constant voltage portion of the charge cycle. Placing the jumper (JP1) in the middle position defeats the onboard termination thus allowing external user termination.
The charge current and the termination current are selected using a combination of jumpers JP2, JP3 and JP4. (See table 2)
Table 2. Jumper Positions for Charge Current and Termination Current.
| IDET JUMPER (JP4) | |||||
| 100MA | C / 10 | ||||
| ICHG-1 (JP3) | ICHG-2 (JP2) | Charge Current | Idetect Current | Charge Current | Idetect Current |
| HIGH | C | 1A | 100mA | 500mA | 50mA |
| C / 5 | 200mA | 100mA | 100mA | 50mA | |
| LOW | C | 500mA | 100mA | 250mA | 25mA |
| C/5 | 100mA | 100mA | 50mA | 25mA | |
The CHRG LED always indicates the presence of a charge current that is greater than the DETECT cur-rent level that is selected by the IDET jumper (JP4). The LED is on for charge current greater than IDET, regardless of the termination method used as set by jumper JP1.
When minimum charge current termination
(I DETECT) is used, the charge cycle ends when the Charge current drops below the DETECT level. The CHRG LED also goes off.
The CURRENT MONITOR terminal can be used to indicate the charge current level at all times during the charge cycle with 1 Volt indicating 100% of the programmed current. This terminal can also be used to program other charge currents by removing jumper JP3 and connecting an external program-ming resistor from the CURRENT MONITOR terminal to the ground.
The COMP IN terminal is connected to the comparator’s non-inverting input when selected using the COMP jumper (JP5 upper position) and COMP OUT is the open drain comparator output. The comparator output also drives the COMP LED. The comparator monitors the battery voltage when the jumper (JP5) is in the BAT (lower) position. See datasheet for details.
QUICK START PROCEDURE
The charger can be evaluated using an actual Lithium Ion battery or a battery simulator. The battery simulator is faster because all battery state-of-charge conditions can be quickly simulated.
A battery simulator consists of an adjustable power supply with a load resistor across the power supply output. The resistor value is selected that will pro-vide approximately 1A when the power supply is set for 2.5V and the power supply must provide at least 1.7A when adjusted for 4.2V. For this battery simu-lator, a 2.5 Ohm, 10 Watt power resistor connected to the output of a 5V, 2A bench supply will work fine. The power supply can now sink and source current, similar to a battery, and by changing the power sup-ply voltage, any battery state-of-charge condition can be quickly simulated.
Begin the evaluation by moving the jumpers to the following positions. Move the TERMINATION METHOD jumper (JP1) to the ITERM (upper) position to select the minimum charge current termination. Move the IDET jumper (JP4) to the 100mA (lower) position, the ICHG-2 jumper (JP2) to the “C” (upper) position and the ICHG-1 jumper (JP3) to the HIGH (upper) posi-tion. For this evaluation place the COMP jumper (JP5) in the BAT (lower) position. The charger is now set to charge at 1A and use minimum charge current (IDET = 100mA) for charge termination. The comparator is set to monitor the battery voltage and to indicate when the battery voltage drops below 2.910V.
With the input power supply and battery simulator power supply adjusted to 0V, connect the input power supply output to the VIN and GND, and the battery simulator power supply output to the BAT and GND terminals as shown in Figure 1. An ammeter or 100m current sense resistor can be placed between the BAT terminal and the positive terminal of the battery simulator to measure charge current. Connect a 4½ digit DVM to the BAT and GND terminals to measure the battery voltage. Begin increasing the input supply voltage, up to 5V. At approximately 3.8V (Undervoltage lockout threshold), the CHRG LED will turn on and the preconditioning trickle charge of 100mA (10% of the programmed current) will begin flowing. The COMP LED will be off because the battery voltage is below 2.910V. Adjust the battery simulator power supply to 3V. At approximately 2.9V, the charge current will abruptly increase to the programmed constant current of 1A. Continue slowly increasing the battery simulator power supply, thus simulating the Li-Ion battery accepting a charge. As the battery simulator approaches the float voltage of 4.200V, the charge current will begin to drop as the charger begins the constant voltage portion of the charge cycle. It is important to keep the DC resistance between the charger output and the battery to a minimum, otherwise the charge current will begin dropping much sooner. When the charger is in the constant voltage portion of the charge cycle, small changes in the simulator power supply voltage will result in relatively large changes in charge current. When the charge current drops below the IDET threshold of 100mA, the charge current will drop to 0, the CHRG LED will go off and the charge cycle will end. When timer termination is selected (using JP1), the CHRG LED will go off when the charge current drops below 100mA, but the charge cycle will continue until the 3-hour timer ends.
After the charge cycle has ended, if the battery voltage drops approximately 100mV, a recharge cycle will begin. A recharge cycle is 50% (1.5 hours) of the programmed time (provided timer termination is selected). Reducing the battery simulator down to approx. 2.910V will result in the comparator changing states (LED off). The micropower comparator receives power from the battery allowing the comparator to be active when input power is removed. Other voltages can be monitored by placing the COMP jumper (JP5) in the EXT (upper) position and applying the voltage to be monitored to the COMP IN pin. The internal comparator reference voltage is 1.00V ± 1.2%, with 50mV of hysteresis.
ADDITIONAL COMMENTS
The charger can be put into a low quiescent current shutdown mode by pulling the ENABLE terminal high.
Jumpers JP2, JP3, and JP4 interact with each other when programming charge current.
Other charge currents can be programmed by re-moving Jumper JP3 and adding a suitable external resistor from the CURRENT MONITOR terminal to ground (Note that the position of JP2 and JP4 will also determine to charge current).
Likewise, another minimum charge current termination level can be selected by selecting a suitable resistor for R5.
The internal termination can be defeated by moving jumper JP1 to the center position. Charge termination is then left to the user through the ENABLE terminal.
When the minimum charge current termination method is used and no battery is present, a sawtooth waveform of several hundred mV p-p will appear at the charger output. This is a function of the output capacitor and the charger output voltage cycling between the recharge threshold voltage and the float voltage. The sawtooth frequency is dependent on the value of the output capacitor. With a 2.2µF output capacitor, the frequency is approximately 40Hz, which will cause the CHRG LED to appear dim. With a larger output capacitor, the LED will flash briefly.
To speed up the 3-hour timer when evaluating the charger circuit, replace the timing capacitor with a much smaller value. A 300pF capacitor will reduce the total time to approx 30 seconds. The one Ohm resistor in series with the ceramic input capacitor is used to minimize transient voltages caused by the capacitor when the input voltage is quickly applied. See LTC4062 Data Sheet for additional information.























