Altronix NetWaySP2P Series 3-Port Ethernet Over Fiber PoE+ Hardened Switches

Models Include:
NetWaySP2P
- 1Port Fiber, 2-Port PoE+ Hardened Switch
- Modular plastic case.
NetWaySP2PWPN
- 1Port Fiber, 2-Port PoE+ Hardened Switch
- NEMA4/4X rated outdoor enclosure.
NetWaySP2PWP
- Outdoor 1Port Fiber, 2-Port PoE+ Hardened Switch with Integral Power
- NEMA4/4X rated outdoor enclosure.
NetWaySP2PWPX
- Outdoor 1Port Fiber, 2-Port PoE+ Hardened Switch with Integral Power
- NEMA4/4X rated outdoor enclosure.
- Accommodates up to four (4) 12VDC/4AH batteries.
Overview
Altronix NetWaySP2P Series 3-Port PoE+ hardened switches convert a single Fiber (1000Base-X/SX/LX) into two (2) Ethernet ports (10/100/1000 Mbps) and provide PoE/PoE+ power to connected devices. Mounted in variety of housing to accommodate different environments, they features auto detection and protection of legacy non-PoE cameras/devices.
Features
Agency Listings:
- CE European Conformity.
Input:
NetWaySP2P/NetWaySP2PWPN:
- 48-56VDC @ 1.9A (95W).
- See below for recommended Power Sourcing Equipment.
NetWaySP2PWP/NetWaySP2PWPX:
- 115VAC, 60Hz, 2.5A or 230VAC, 50/60Hz, 1.3A.
Fiber Port:
- One (1) 1Gb SFP port.
- See pg. 5 for recommended SFP modules.
Output Power:
- Two (2) PoE / PoE+ ports, rated up to 30W max.
- IEEE 802.3af and IEEE 802.3at compliant.
Ethernet:
- IEEE 802.3af (15W) and
IEEE 802.3at (30W) compliant. - Wire type: 4-pair CAT5e and higher.
- Connectivity: RJ45, auto-crossover.
- Speed: 10/100/1000 Mbps.
- Distance: up to 100m.
Environmental:
- Refer to Environmental Conditions on page 8.
LED Indicators :
- Yellow and Green LEDs (RJ45 jacks):
IP Link status, 10/100/1000 Base-T/active. - Green PoE LEDs: Indicate PoE present.
- Green SFP (Fiber) LED: Indicates SFP connection.
Mechanical:
NetWaySP2P:
- Modular plastic case
- Dimensions (H x W x D approx.):
3.375” x 3.8” x 1” (85.7mm x 96.5mm x 25.4mm).
NetWaySP2PWPN:
- NEMA4/4X, IP66 Rated enclosure for outdoor use.
- Dimensions (H x W x D approx.):
9.5” x 7.32” x 4.92”
(241.3mm x 185.9mm x 125mm)
NetWaySP2PWP:
- NEMA4/4X, IP66 Rated enclosure for outdoor use.
- Dimensions (H x W x D approx.):
13.31” x 11.31” x 5.59”
(338.1mm x 287.3mm x 142mm).
NetWaySP2PWPX:
- NEMA4/4X, IP66 Rated enclosure for outdoor use.
- Accommodates four (4) 12VDC/4AH batteries (48V of backup).
- Dimensions (H x W x D approx.):
17.53” x 15.3” x 6.67”
(445.3mm x 388.6mm x 169.4mm).
Recommended Altronix Power Sourcing Equipment:
NetWaySP4P Ethernet to Fiber Media Converter with Integral Power Supply/Charger. Four (4) 56VDC non power-limited outputs up to 120W max. full power per port (240W total power). Four (4) 1Gb SFP ports.
NetWaySP4PX Ethernet to Fiber Media Converter with Integral Power Supply/Charger. Four (4) 56VDC non power-limited outputs up to 120W max. full power per port (480W total power). Four (4) 1Gb SFP ports.
NetWaySP4P2 Ethernet to Fiber Media Converter with Integral Power-Limited Power Supply/Charger. Four (4) 56VDC power-limited outputs up to 60W max. full power per port (240W total power). Four (4) 1Gb SFP ports.
WayPoint562 High Current Outdoor Power Supply/Charger. 56VDC/120W output. Filtered and electronically regulated output. Short circuit and thermal overload protection.
Vertiline563 EIA 19” 1U Rack Mountable Dual Independent Power Supply/Charger. 56VDC @ 3A each output. Filtered and electronically regulated output. Short circuit and thermal overload protection.
PoE201 Power Supply/Charger Board, 56VDC/120W output. Filtered and electronically regulated output. Short circuit and thermal overload protection.
Installation Instructions
Wiring methods shall be in accordance with the National Electrical Code/NFPA 70/ANSI, and with all local codes and authorities having jurisdiction. All units should be installed by a trained service personnel.
Installing NetWaySP2P:
- Mount NetWaySP2P in desired location utilizing the mounting hole (Fig. 1a, pg. 5). Use a proper fastener and/or wall anchor when securing NetWaySP2P with screw through its mounting hole to the surface.
Note: Earth ground can be used, if needed, for high transient or outdoor environments.
If used, insert an Earth ground wire (included with product) into the internal ground terminal until secured (a slight tug can check stability) & fasten the free end to a chassis earth ground. If earth ground is not attached and needed, refer to Fig. 1, pg. 5 for manual placement.
Installing NetWaySP2PWPN/NetWaySP2PWP/NetWaySP2PWPX: - Remove backplane from enclosure prior to drilling. Do not discard hardware.
Note: Make sure that hardware will not interfere with components of the circuit board. - Mark and drill desired inlets on the enclosure to facilitate wiring. Maximum NEMA type 4X rated fittings to be used are 0.5”. Follow manufacturer’s specifications for the appropriate size opening.
Note: Inlets for conduit fittings should only be made on the bottom of the enclosure.
To facilitate wire entry utilize weather-tight NEMA rated connectors (supplied), bushings, and cable. - Clean out the inside of enclosure before remounting circuit boards/backplane.
- Mounting NEMA4/4X rated enclosure (Enclosure Dimensions, pg. 10-12):
Wall mount: Mount unit in desired location. Mark and drill holes to line up with the top and bottom hole of the enclosure flange. Secure enclosure with appropriate fasteners (e. g. screws and anchors; bolts and locking nuts, etc.) that are compatible with mounting surface and are of sufficient length/construction to ensure a secure mount (Fig. 6, pg. 9).
Pole Mount: .




- Mount backplane in enclosure with hardware.
Power Connection:
Powering NetWaySP2P/NetWaySP2PWPN:
- Connect 48VDC-56VDC power source to terminals marked [48-56VDC – Input +]. Terminals accommodate up to 12 AWG wires. Caution: Make sure to observe polarity.
Powering NetWaySP2PWP/NetWaySP2PWPX:
Before powering unit, set input voltage selection switch to proper Input Voltage position .
NetWaySP2PWP Configuration
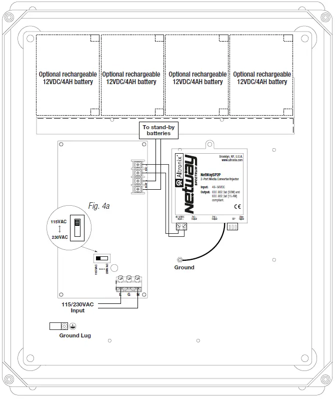
NetWaySP2PWPX Configuration
Units are factory set for 115VAC. - Connect AC power from overcurrent protective device circuit breaker (20A @ 115VAC, 60Hz or 16A @ 230VAC, 50/60Hz) to the terminals marked [L, N] on power supply board (Fig. 3, 4, pg. 6, 7). Connect ground lug to earth or green branch wire on backplane (12AWG min.).
Use 14AWG or larger for all power connections (Battery, DC output, AC input). Keep power-limited wiring separate from non power-limited wiring by utilizing separate knockouts/inlets. Minimum 0.25” spacing must be provided.
CAUTION: Do not touch exposed metal parts. Shut branch circuit power before installing or servicing equipment. There are no user serviceable parts inside. Refer installation and servicing to qualified service personnel. - Battery Backup (if desired): Connect four (4) 12VDC batteries wired in series to terminals marked [– BAT +] (Fig. 3, pg. 5), carefully observing polarity. When use of stand-by batteries is desired, they must be lead acid or gel type.
Note: When batteries are not used, a loss of AC will result in the loss of output voltage.
Input/Data Connections:
- Connect structured cable from port(s) marked [PoE+ Output] on NetWaySP2P to a PoE device(s) (Fig. 1, pg. 5).
- Connect fiber optic cable to a fiber SFP module. Connect the module to the port marked [SFP] on the NetWaySP2P. Connect the other end of fiber cable to an SFP module of a remote device. SFP LED will illuminate indicating data connection (Fig. 1, pg. 5).
Recommended Altronix SFP Modules
Altronix P1MM, P1SM10, P1AB2K and P1GCE are hot-pluggable SFP fiber transceiver modules and are readily usable with all Altronix Spectrum fiber optic equipment for 1Gb transmission rates.
P1MM For use with Multi-Mode Fiber for distances up to 550m.
P1SM10 For use with Single-Mode Fiber for distances up to 10km.
P1AB2K For use with Single Strand Single-Mode Fiber for distances up to 2km.
P1GCE For use with CAT5e or better for distances up to 100m.
NetWaySP2PWPN Configuration
Typical Application:
Technical Specifications
| Parameter | Description |
| Ports | One (1) 1Gb SFP port. Two (2) PoE .3af/ .3at Ethernet ports 10/100/1000 Mbps. |
| Input Power Requirements | NetWaySP2P/NetWaySP2PWPN: 48VDC-56VDC @ 1.2A. NetWaySP2PWP/NetWaySP2PWPX: 115VAC, 60Hz, 2.5A or 230VAC, 50/60Hz, 1.3A. |
| Indicators | PoE Green LED: Indicates PoE present. Fiber Signal Green LED: Indicates SFP connection. |
| Environmental Conditions | Temperature: Operating (30W): – 40ºC to 70ºC (– 40ºF to 158ºF). Storage: – 40ºC to 75ºC (– 40ºF to 167ºF). Relative Humidity: 85% +/–5%. Operating Altitude: – 304.8 to 2,000m. |
| Regulatory Compliance | CE European Conformity. |
| Weights (approx.) | NetWaySP2P: Product: 0.25 lb. (0.11 kg) | Shipping: 0.3 lb. (0.14 kg). NetWaySP2PWPN: Product: 3.7 lb. (1.68 kg) | Shipping: 5 lb. (2.27 kg). NetWaySP2PWP: Product: 10.5 lb. (4.76 kg) | Shipping: 11.9 lb. (5.4 kg). NetWaySP2PWPX: Product: 15 lb. (6.8 kg) | Shipping: 17.5 lb. (7.9 kg). |
Wall Mount Installation
- Place unit at desired location and secure with mounting screws (not included) .

Pole Mounting Using Optional Pole Mount Kit PMK1 (NetWaySP2WP) or PMK2 (NetWaySP2WPX):
This installation should be made by qualified service personnel. This product contains no serviceable parts. PMK1 and PMK2 outdoor pole mount kits are designed to simplify the installation of Altronix outdoor rated power supplies and accessories housed in models WP1, WP2, WP3 and WP4 NEMA rated enclosures. PMK1 and PMK2 can be mounted on 2” to 8” (50.8mm to 203.2mm) diameter round or 5” (127mm) square poles. Brackets are designed for use with the Wormgear Quick Release Straps (two included).
- Thread one (1) wormgear quick release strap through the slots on the back of a mounting bracket .

- Once the desired height of the top Pole Mount bracket is achieved, tighten the straps down by sliding open end of the strap through the locking mechanism on the strap, then tighten the screw with flat head screwdriver or 5/16” hex socket driver .


- Attach the bottom bracket to the enclosure by inserting bolts through the flange of the enclosure and into the bracket, tightening bolts with a 7/16” hex socket .

- Thread the second wormgear quick release strap through the slots on the back of the bottom mounting bracket (Fig. 10, pg. 9).
- Mount enclosure onto the top bracket by inserting bolts through flange of the enclosure and into the bracket, tightening bolts with a 7/16” hex socket (Fig. 8, pg. 9).
- Tighten the straps of the bottom bracket down by sliding the open end of the strap through the locking mechanism on the strap, then tighten screw with flat head screwdriver or 5/16” hex socket driver (Fig. 8, pg. 9).
- Clip excess straps.
NetWaySP2PWPN
Mechanical Drawing and Dimensions (H x W x D approx.):
9.5” x 7.32” x 4.92” (241.3mm x 185.9mm x 125mm) 
NetWaySP2PWP
Enclosure Drawing and Dimensions (H x W x D approx.):
13.31” x 11.31” x 5.59” (338.1mm x 287.3mm x 142mm)
NetWaySP2PWPX
Mechanical Drawing and Dimensions (H x W x D approx.):
17.53” x 15.3” x 6.67” (445.3mm x 388.6mm x 169.4mm)

Altronix is not responsible for any typographical errors.
140 58th Street, Brooklyn, New York 11220 USA | phone: 718-567-8181 | fax: 718-567-9056
website: www.altronix.com | e-mail: [email protected] | Lifetime Warranty
IINetWaySP2P Series J15U






NetWaySP2PWPX Configuration
Units are factory set for 115VAC.



















