Altronix NetWay4EBT Series Hardened 802.3bt PoE Switches

Models Include
NetWay4EBTWP
- 4-port Hardened 802.3bt 4PPoE Switch with Power Supply/Charger
- NEMA4/4X, IP66 rated Outdoor enclosure
NetWay4EBTWPX
- 4-port Hardened 802.3bt 4PPoE Switch with Power Supply/Charger
- NEMA4/4X, IP66 rated Outdoor enclosure.
- Accommodates batteries
NetWay4EBTWPN
- 4-port Hardened 802.3bt 4PPoE Switch
- NEMA4/4X rated outdoor enclosure
NetWay4EBTX
- 4-port Hardened 802.3bt 4PPoE Switch with Power Supply/Charger
- NEMA1 rated Indoor enclosure
NetWay4EBTPL
- 4-port Hardened 802.3bt 4PPoE Switch with Power Supply/Charger
- Backplane version
NetWay4EBTB
- 4-port Hardened 802.3bt 4PPoE Switch
- Board only
Overview
Altronix NetWay4EBT Series Hardened 802.3bt 4PPoE Switches are equipped with one (1) 1Gb SFP port and four (4) POE IEEE802.3af/3at/3bt PoE ports rated at 90W each, limited to total power of the power supply employed. Embedded LINQ Technology enables monitoring, control, and reporting from anywhere over the network.
Features
Agency Listings:
- CE European Conformity. Input:
- NetWay4EBTWP/NetWay4EBTX/NetWay4EBTPL: 115VAC, 60Hz, 1.8A or 230VAC, 50/60Hz, 1A.
- NetWay4EBTB/NetWay4EBTWPN: 48-56V UL Listed ITE power supply.
Power Output:
- Four (4) 10/100/1000 Mbps Ethernet ports rated at 90W each (240W total power).
- NetWay4EBTB/NetWay4EBTWPN: Four (4) 10/100/1000 Mbps Ethernet ports rated at 90W each (total power dependant on power supply).
- IEEE 802.3af, 802.3at, 802.3bt compliant. SFP Ports:
- One (1) Gigabit SFP port.
Ethernet Ports:
Four (4) 10/100/1000 Mbps ports.
- Connectivity: RJ45, auto-crossover.
- Wire type: 4-pair CAT5e or higher structured cable.
- Speed: 10/100/1000 Mbps, half/full duplex, auto negotiation
Battery Backup
(NetWay4EBTWP/NetWay4EBTWPX*/ NetWay4EBTX/NetWay4EBTPL):
- 24VDC charging circuit charges LiFePO4 (Lithium Iron Phosphate) or sealed lead acid* or gel type* batteries.
- Automatic switch over to stand-by battery when AC fails.
Indicators (LED)
- Individual PoE On LEDs for each port.
- Individual IP Link status, 10/100 Base-T/active LEDs for each port.
- ALOS LED indicates fiber connection for SFP port.
- Heartbeat LED indicates proper operation of the unit.
VLAN
- Multiple management VLAN assignment.
- 802.1Q Tagged VLAN.
- Up to 10 VLAN groups. ID Range 2-4095.
LINQ Technology
- Remote network management allows for camera/ device reset and diagnostic monitoring.
- Provides local and/or remote access to critical information via LAN/WAN.
- Email and Windows Dashboard Alert notifications report real-time events.
- Event log tracks history.
Mechanical
NetWay4EBTB
- Dimensions (L x W x D approx.): 6.25” x 4.5” x 1.25” (158.8mm x 114.3mm x 31.8mm). NetWay4EBTPL:
- Dimensions (H x W x D approx.): 10.75” x 8.875” x 2.375” (273.1mm x 225.4mm x 60.3mm).
NetWay4EBTWPX
- NEMA4/4X, IP66 Rated enclosure for outdoor use.
- Accommodates sealed lead acid or gel type or LiFePO4 (Lithium Iron Phosphate) 12VDC batteries.
- Dimensions (H x W x D approx.): 17.53” x 15.3” x 6.67” (445.3mm x 388.6mm x 169.4mm).
NetWay4EBTWP, NetWay4EBTWPN
- NEMA4/4X, IP66 Rated enclosure for outdoor use.
- Dimensions (H x W x D approx.):
13.31” x 11.31” x 5.59” (338.1mm x 287.3mm x 142mm).
NetWay4EBTX
- NEMA1 Rated enclosure for indoor use
- Dimensions (H x W x D approx.): 13.5” x 13” x 3.25” (342.9mm x 330.2mm x 83mm).
*CAUTION: When using lead acid or gel type batteries, enclosure must be properly ventilated.
Installation Instructions
Wiring methods shall be in accordance with the National Electrical Code/NFPA 70/ANSI, and with all local codes and authorities having jurisdiction. All units should be installed by a trained service personnel.
Installation
NetWay4EBTB/NetWay4EBTPL:
- Mount board/backplane in the desired location/enclosure with hardware supplied.
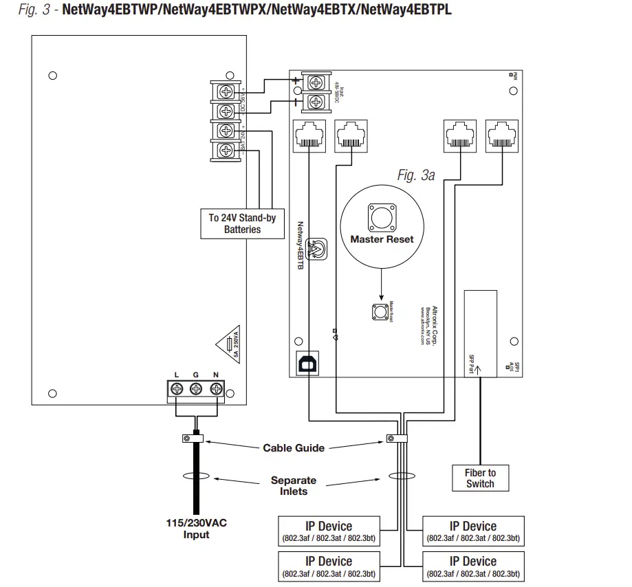
- NetWay4EBTB: Connect 56VDC/280W max power source to terminal marked [+] and []. SFP1 ALOS SFP Port Master Reset
Note: For proper earth ground connections on NetWay4EBTB fasten metal spacers (provided) to threaded studs at NetWay4EBTB indicated board mounting holes (shown on the right). Metal Spacers This is recommended for better environmental immunity.
NetWay4EBTWP/NetWay4EBTWPX/NetWay4EBTWPN:
- Remove backplane from enclosure prior to drilling. Do not discard hardware.
Note: Make sure that hardware will not interfere with components of the circuit board. - Mark and drill desired inlets on the enclosure to facilitate wiring. Maximum NEMA type 4X rated fittings to be used are 0.5″. Follow manufacturer’s specifications for the appropriate size opening.
Note: Inlets for conduit fittings should only be made on the bottom of the enclosure. To facilitate wire entry utilize weather-tight NEMA rated connectors (supplied), bushings, and cable. - Clean out the inside of enclosure before remounting circuit boards/backplane.
- Mounting NEMA4/4X rated enclosure (Enclosure Dimensions, pg. 12, 13): Wall mount: Mount unit in desired location. Mark and drill holes to line up with the top and bottom hole of the enclosure flange. Secure enclosure with appropriate fasteners (e. g. screws and anchors; bolts and locking nuts, etc.) that are compatible with mounting surface and are of sufficient length/construction to ensure a secure mount (Fig. 6, pg. 11).
- Mount backplane in enclosure with hardware.
NetWay4EBTX:
1. Mount unit in the desired location. Mark and predrill holes in the wall to line up with the top two keyholes
in the enclosure. Install two (2) upper fasteners and screws in the wall with the screw heads protruding.
Place the enclosure’s upper keyholes over the two (2) upper screws; level and secure. Mark the position of
the lower two (2) holes. Remove the enclosure. Drill the lower holes and install two fasteners. Place the
enclosure’s upper keyholes over the two (2) upper screws. Install the two (2) lower screws and make sure to
tighten all screws (Enclosure Dimensions, pg. 14). Secure enclosure to earth ground.
Power Connection:
NetWay4EBTWP, NetWay4EBTWPX, NetWay4EBTX, and NetWay4EBTPL:
- Secure cabinet to earth ground. Connect AC power from overcurrent protective device circuit breaker (20A @ 115VAC, 60Hz, 16A @ 230VAC, 50/60Hz) to the terminals marked [L, N] on power supply board (Fig. 3, pg. 7). Use 14AWG or larger for all power connections (Battery, DC output, AC input).
Connect ground lug
to earth or green branch wire (12AWG min.)
Keep power-limited wiring separate from non power-limited wiring by utilizing separate knockouts/ inlets. Minimum 0.25″ spacing must be provided. CAUTION: Do not touch exposed metal parts. Shut branch circuit power before installing or servicing equipment. There are no user serviceable parts inside. Refer installation and servicing to qualified service personnel.
Input/Data Connections:
- Connect structured cables from port marked [Port 1] to [Port 4] on NetWay unit to PoE compliant cameras/edge devices (Fig. 2, pg. 6).
- Insert SFP module into port marked [SFP], then connect cable to the SFP module on NetWay4EBTB to the corresponding input of an SFP switch (Fig. 2, pg. 6).
Battery Backup
(NetWay4EBTWP/NetWay4EBTWPX*/NetWay4EBTX/NetWay4EBTPL):
- Connect two (2) 12VDC batteries wired in series or one (1) 24V battery to terminals marked [ BAT +] (Fig. 3, pg. 7), carefully observing polarity. When use of stand-by batteries is desired, they can be LiFePO4 (lithium iron phosphate), lead acid or gel type. Note: When batteries are not used, a loss of AC will result in the loss of output voltage. Note: When using two 12V LiFePO4 (lithium iron phosphate) batteries, check with manufacturer specifications that batteries can be connected in series. For outdoor battery backup, battery enclosure must have sufficient ventilation.
Recommended Altronix Power Sourcing Equipment:
NetWaySP4P | Ethernet to Fiber Media Converter with Integral Power Supply/Charger. Four (4) 56VDC non power-limited outputs up to 120W max. full power per port (240W total power). Four (4) 1Gb SFP ports. |
NetWaySP4PX | Ethernet to Fiber Media Converter with Integral Power Supply/Charger. Four (4) 56VDC non power-limited outputs up to 120W max. full power per port (480W total power). Four (4) 1Gb SFP ports. |
NetWaySP4P2 | Ethernet to Fiber Media Converter with Integral Power-Limited Power Supply/Charger. Four (4) 56VDC power-limited outputs up to 60W max. full power per port (240W total power). Four (4) 1Gb SFP ports. |
WayPoint562 | High Current Outdoor Power Supply/Charger. 56VDC/120W output. Filtered and electronically regulated output. Short circuit and thermal overload protection. |
Vertiline563 | EIA 19” 1U Rack Mountable Dual Independent Power Supply/Charger. 56VDC @ 3A each output. Filtered and electronically regulated output. Short circuit and thermal overload protection. |
PoE240 | Power Supply/Charger Board. 56VDC/240W output. Filtered and electronically regulated output. Short circuit and thermal overload protection. |
Recommended Altronix SFP Modules:
Altronix P1MM, P1SM10, P1AB2K and P1GCE are hot-pluggable SFP fiber transceiver modules and are readily usable with all Altronix Spectrum fiber optic equipment for 1Gb transmission rates.
P1MM For use with Multi-Mode Fiber for distances up to 550m.
P1SM10 For use with Single-Mode Fiber for distances up to 10km.
P1AB2K For use with Single Strand Single-Mode Fiber for distances up to 2km.
P1GCE For use with CAT5e or better for distances up to 100m.
Technical Specifications:
| Parameter | Description | ||
| Number of Ports | Four (4) 10/100/1000 Mbps Ethernet ports rated at 90W each. IEEE 802.3af, 802.3at, 802.3bt compliant. One (1) Gigabit SFP Port. | ||
| Input Power Requirements | NetWay4EBTWP/NetWay4EBTWPX/NetWay4EBTX/NetWay4EBTPL: 115VAC, 60Hz, 1.8A or 230VAC, 50/60Hz, 1A. NetWay4EBTB/NetWay4EBTWPN: 48-56V UL Listed ITE power supply. | ||
| Environmental Conditions | Operating Ambient Temperature: 240W: – 30ºC to 55ºC (– 22ºF to 131ºF) 180W: – 30ºC to 65ºC (– 22ºF to 149ºF) 150W: – 30ºC to 75ºC (– 22ºF to 167ºF). Storage Temperature: – 30ºC to 85ºC (– 22ºF to 185ºF) Relative Humidity: 85%, +/– 5% Operating Altitude: – 304.8 to 2,000m | ||
| Weights (approx.) | Model | Product Weight | Shipping Weight |
| NetWay4EBTWP NetWay4EBTWPX NetWay4EBTWPN NetWay4EBTX NetWay4EBTPL NetWay4EBTB | 10.5 lb. (4.76 kg) 15 lb. (6.8 kg) 9.5 lb. (4.3 kg) 6.65 lb. (3.02 kg) 2.6 lb. (1.18 kg) 0.4 lb. (0.18 kg) | 11.9 lb. (5.4 kg) 17.5 lb. (7.9kg) 10.9 lb. (4.9 kg) 7.55 lb (3.42kg) 4.0 lb. (1.81kg) 0.75 lb. (0.34 kg) | |
Typical Applications:

Power Distance Chart
Power Requirements | Power Cabling | Maximum Distance (ft./m) |
| 15W | 12/2 | 11,162’ / 3403m |
30W | 12/2 | 5,581’ / 1702m |
| 45W | 12/2 | 3,767 / 1,148m |
60W | 12/2 | 2,739’ / 835m |
| 75W | 12/2 | 2,249’ / 686m |
90W | 12/2 | 1,872’ / 571m |
| 105W | 12/2 | 1,607’ / 490m |
120W | 12/2 | 1,408’ / 429m |
| 15W | 16/2 | 4,415’ / 1,346m |
30W | 16/2 | 2,207’ / 673m |
| 45W | 16/2 | 1,490’ / 454m |
60W | 16/2 | 1,083’ / 330m |
| 75W | 16/2 | 889’ / 271m |
90W | 16/2 | 740’ / 226m |
| 105W | 16/2 | 635’ / 194m |
120W | 16/2 | 557’ / 170m |
Estimated distances are based on starting voltage of 56VDC and accounts for a 10 volt drop. All distances are per IEEE 802.3at standard for device power requirements of minimum 44VDC and leave an approximate 2 volts for safety and flexibility.
Configuring Units for Network Connection
Please be sure to visit altronix.com for latest firmware and installation instructions
Factory Default Settings
| 192.168.168.168 |
| admin |
| admin |
- Set the static IP address for the laptop to be used for programming to the same network IP address as the Netway4EBT. The default address of the Netway4EBT is 192.168.168.168, I.E. 192.168.168.200.
- Connect one end of the network cable to the network jack on the Netway4EBT and the other to the network connection of the laptop.
- Open a browser on the computer and enter “192.168.168.168” into the address bar.
A dialog box Authentication Required will appear requesting both user name and password.
Enter the default values here. Click on the button labeled Log In. - The status page of the Netway4EBT will appear. Click on the tab labeled Network Settings.
This will open the Network Setting screen. In this screen the MAC Address of the Netway4EBT module will be found along with the Network Settings and Email Settings.
Network Settings:
In the IP Address Method field select [STATIC] or [DHCP], then follow the appropriate steps.
Static:
A. IP Address: Enter the IP address assigned to the Netway4EBT by the network administrator.
B. Subnet Mask: Enter the Subnet of the network.
C. Gateway: Enter the TCP/IP gateway of the network access point (router) being used.
Gateway configuration is required to properly receive emails from the device.
D. HTTP Port: Enter the HTTP port number assigned to the Netway4EBT module by the network administrator to allow remote access and monitoring. The default inbound port setting is 80. HTTP is not encrypted and unsecure. Even though HTTP can be used for remote access, it is recommended primarily for use with LAN connections.
E. HTTPS Port: Enter the HTTPS port number assigned to the Netway4EBT module by the network administrator to allow remote access and monitoring. The default inbound port setting is 443.
Being encrypted and more secure, HTTPS is highly recommended for remote access.
F. Click the button labeled Submit Network Settings.
A dialog box will display “New network settings will take effect after the server is rebooted”. Click OK.
DHCP:
A. After selecting DHCP in the IP Address Method field click the button labeled Submit Network Settings.
A dialog box will display “New network settings will take effect after the server is rebooted”. Click OK.
Next, click on the button labeled Reboot Server. After rebooting the Netway4EBT will be set in the DHCP mode. The IP address will be assigned by the router when the Netway4EBT is connected to the network.
It is recommended to have the assigned IP Address reserved to ensure continued access (see the network administrator).
B. Subnet Mask: When operating in DHCP, the router will assign the subnet mask values.
C. Gateway: Enter the TCP/IP gateway of the network access point (router) being used.
D. HTTP Port: Enter the HTTP port number assigned to the Netway4EBT module by the network administrator to allow remote access and monitoring. The default inbound port setting is 80. HTTP is not encrypted and unsecure. Even though HTTP can be used for remote access, it is recommended primarily for use with LAN connections.
Secure Network Setup (HTTPS):
- Open Tab Labeled “Security”
- Select Tab Labeled “Email/SSL”
- Scroll to bottom under “SSL Settings”
- Click “Select Certificate”
- Browse and select valid Certificate to upload from server
- Click “Select Key”
- Browse and select valid Key to upload from server
- Click “Submit Files”
Once the Certificate and Key is uploaded successfully you can proceed with setting up HTTPS in Network Settings.
A. HTTPS Port: Enter the HTTPS port number assigned to the NetWay Spectrum module by the network administrator to allow remote access and monitoring. The default inbound port setting is 443.
Being encrypted and more secure, HTTPS is highly recommended for remote access.
B. Click the button labeled Submit Network Settings.
A dialog box will display “New network settings will take effect after the server is rebooted”. Click OK
VLans
VLans (Virtual Local Area Networks) are a subnetwork that allow for the grouping together of devices for improved network traffic as well as providing higher security by allowing greater control over which devices have access to each other. It is important to plan how you will setup your devices for each vLan.
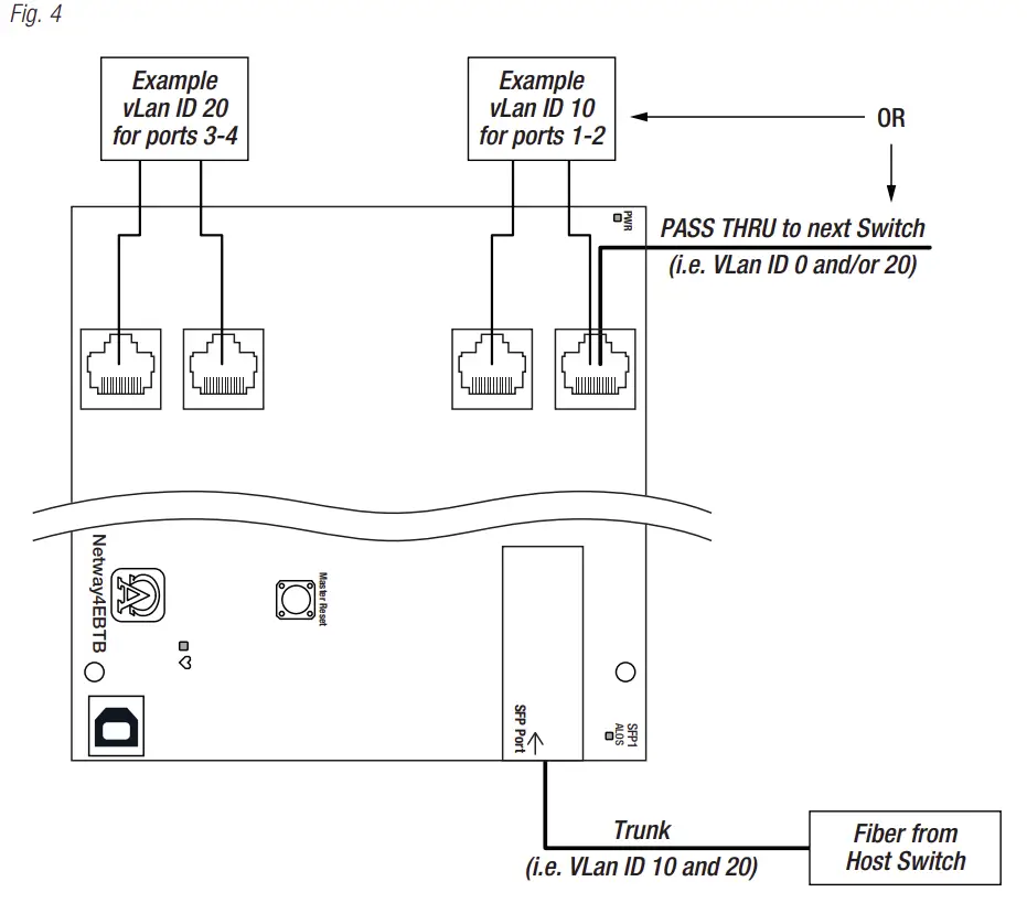
Configuring vLan on the Altronix Netway4EBT Series Switch:
- Ensure Laptop or PC being used to program the vLan settings is on a port that will be assigned to your first vLan configuration. By default the management portion of the software is assigned to vLan-1,
CAUTION: Changing VID=1, the industry standard VLAN HOST address to any other VID address should be done with caution and performed only locally, since the change will drop the original HOST connection.
Local access then facilitates a physical reconnection to respective port.
Note: Only this vLan network allows access to IP management. - In Network Section click on VLan Tab.
- Click Add vLan.
- Enter a name for the vLan.
- Enter a vLan ID, i.e. 10, 20, etc. Ensure this vLan ID is associated with a vLan setup on the main switch and that your Laptop or PC being used for programming is on this same ID.
Note: vLan ID could be any value 2-4094. - Assign vLan QOS (Quality of Service) priority. 0 = Lowest and 7 = Highest
- Pick a Trunk port (Tagged Ports). Trunk ports are typically the main connection for network traffic for each group. They are usually connected to a network switch, WAPs, etc.
- Pick the Access port(s) (Untagged Ports) associated with the vLan. Access Ports are typically used for
Cameras, etc. If programming locally, ensure your laptop or PC is connected to one of these ports. - Save Configuration.
- Repeat steps 2 – 9 to add another vLan.
If unit is accidently programmed incorrectly and you cannot get into the Netway4EBT series programming, physically moving ports of your PC connected to the main switch to a correct port (when being programmed remotely), or, as a last resort, completing a factory reset locally and reprogramming the unit. - Advanced Port Settings:
Unknown VID Packet Forwarding Configuration:
On ingress unknown VID, Foward to a fixed set of ports. By default no forwarding is set.
Configuration on Ingress Untagged Traffic:
Trunk Port action for ingress UNTAGGED packets. By default do not drop packets.
Keep Tag on Egress:
Select if you want ACCESS Port to keep the vLan tag when sending egress packets.
By default tags are stripped.
Preferred VLAN Forwarding:
For ACCESS Ports that belong to more than one VLan. Select preferred vLan to forward UNTAGGED ingress packets. By default preferred vLan is the last vLan created
Typical VLan Setup:

Any Ethernet port can be used for VLan Pass Thru Master Reset PWR
Factory Reset Option:
- Power the unit down. Allow approximately 30 seconds for the unit to power down completely.
- Depress Master Reset button on Netway4EBTB while reapplying power to the unit (Fig. 3a, pg. 7, Fig. 5 pg. 10).
Continue holding the button until the LEDs on board go through the start up cycle, then release the button. - The unit returns to the original factory settings.

Wall Mount Installation:
- Place unit at desired location and secure with mounting screws (not included) (Fig. 6, pg. 11).

Pole Mounting Using Optional Pole Mount Kit PMK1:
This installation should be made by qualified service personnel. This product contains no serviceable parts.
PMK1 outdoor pole mount kits is designed to simplify the installation of Altronix outdoor rated power supplies and accessories housed in models WP1, WP3 and WP4 NEMA rated enclosures. PMK1 can be mounted on 2” to 8” (50.8mm to 203.2mm) diameter round or 5” (127mm) square poles. Brackets are designed for use with the Wormgear Quick Release Straps (two included).
- Thread one (1) wormgear quick release strap through the slots on the back of a mounting bracket (Fig. 7, pg. 11).
- Once the desired height of the top Pole Mount bracket is achieved, tighten the straps down by sliding open end of the strap through the locking mechanism on the strap, then tighten the screw with flat head screwdriver or 5/16” hex socket driver (Fig. 9, pg. 11 and Fig. 10, pg.11).



- Attach the bottom bracket to the enclosure by inserting bolts through the flange of the enclosure and into the bracket, tightening bolts with a 7/16” hex socket (Fig. 8, pg. 11).
- Thread the second wormgear quick release strap through the slots on the back of the bottom mounting bracket (Fig. 9, pg. 11).
- Mount enclosure onto the top bracket by inserting bolts through flange of the enclosure and into the bracket, tightening bolts with a 7/16” hex socket (Fig. 8, pg. 11).
- Tighten the straps of the bottom bracket down by sliding the open end of the strap through the locking mechanism on the strap, then tighten screw with flat head screwdriver or 5/16” hex socket driver (Fig. 10, 11, pg. 11).
- Clip excess straps.


NetWay4EBTWP/NetWay4EBTWPN
Mechanical Drawing and Dimensions (H x W x D approx.):
13.31” x 11.31” x 5.59” (338.1mm x 287.3mm x 142mm)

NetWay4EBTWPX
Mechanical Drawing and Dimensions (H x W x D approx.):
17.53” x 15.3” x 6.67” (445.3mm x 388.6mm x 169.4mm)

NetWay4EBTX
Mechanical Drawing and Dimensions (H x W x D approx.):
13.5” x 13” x 3.25” (342.9mm x 330.2mm x 82.6mm)

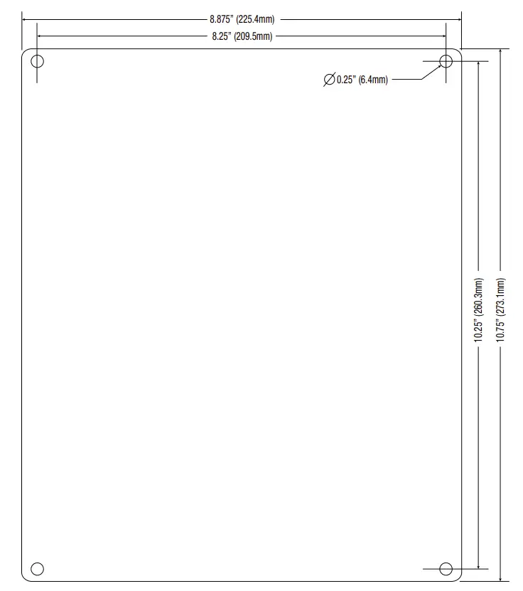
NetWay4EBTPL
Mechanical Drawing and Dimensions (H x W x D approx.):
10.75” x 8.875” x 2.375” (273.1mm x 225.4mm x 60.3mm)
Altronix is not responsible for any typographical errors.
140 58th Street, Brooklyn, New York 11220 USA | phone: 718-567-8181 | fax: 718-567-9056
website: www.altronix.com | e-mail: [email protected] | Lifetime Warranty
IINetway4EBT Series


























