
4E1 Series Hardened PoE Switches
Installation Guide
NetWay4E1WP
- 4-port Hardened PoE Switch with
Power Supply/Charger - NEMA4/4X, IP66-rated Outdoor enclosure
NetWay4E1WPX
- 4-port Hardened PoE Switch with
Power Supply/Charger - NEMA4/4X, IP66-rated Outdoor enclosure.
- Accommodates up to four (4)
12VDC/4AH batteries
NetWay4E1X
- 4-port Hardened PoE Switch with
Power Supply/Charger - NEMA1 rated Indoor enclosure
NetWay4E1WPN
- 4-port Hardened PoE Switch
- NEMA4/4X rated outdoor enclosure
NetWay4E1PL
- 4-port Hardened PoE Switch with
Power Supply/Charger
- Backplane version
NetWay4E1B
- 4-port Hardened PoE Switch
- Board Only
![]()
DOC#: NetWay4E1 Rev. 050222
More than just power.™
Installing Company: _______________ Service Rep. Name: ________________
Address: _________________________ Phone #: __________________
Overview
Altronix NetWay4E1 Series Hardened PoE Switches are equipped with one (1) 1Gb SFP port and four (4) PoE IEEE802.3af/3at/ & Hi PoE ports rated at 30W each, limited to the total power of the power supply employed.
Features
Agency Listings:
- CE European Conformity.
Input:
- 115VAC, 60Hz, 2.5A or 230VAC, 50/60Hz, 1.3A.
- NetWay4E1B/NetWay4E1WPN:
48-56V UL Listed ITE power supply.
Power Output:
- Four (4) 10/100/1000 Mbps Ethernet ports rated at 30W each (limited to 120W total power).
- NetWay4E1B/NetWay4E1WPN:
Four (4) 10/100/1000 Mbps Ethernet ports rated at 30W each (depending on the power supply employed).
- IEEE 802.3af, 802.3at compliant.
SFP Ports:
- One (1) Gigabit SFP port.
Ethernet Ports:
- Four (4) 10/100/1000 Mbps ports.
- Connectivity: RJ45, auto-crossover.
- Wire type: 4-pair CAT5e or higher structured cable.
- Speed: 10/100/1000 Mbps, half/full duplex, auto negotiation.
Indicators (LED):
- Individual PoE On LEDs for each port.
- Individual IP Link status, 100/1000 Base-T/active
LEDs for each port.
- ALOS LED indicates fiber connection for SFP port.
- Heartbeat LED indicates proper operation of the unit.
Mechanical:
NetWay4E1B:
- Dimensions (L x W x D approx.): 6.25” x 4.5” x 1.25” (158.8mm x 142.9mm x 31.8mm).
NetWay4E1PL
- Dimensions (H x W x D approx.): 10.75” x 8.875” x 2.375” (273.1mm x 225.4mm x 60.3mm).
NetWay4E1WP, NetWay4E1WPN:
- NEMA4/4X, IP66 Rated enclosure for outdoor use.
- Dimensions (H x W x D approx.): 13.31” x 11.31” x 5.59” (338.1mm x 287.3mm x 142mm).
NetWay4E1WPX:
- NEMA4/4X, IP66 Rated enclosure for outdoor use.
- Accommodates four (4) 12VDC/4AH batteries (48V of backup).
- Dimensions (H x W x D approx.): 17.53” x 15.3” x 6.67” (445.3mm x 388.6mm x 169.4mm).
NetWay4E1X:
- Dimensions (H x W x D approx.): 13.5” x 13” x 3.25” (342.9mm x 330.2mm x 83mm).
Installation Instructions:
Wiring methods shall be in accordance with the National Electrical Code/NFPA 70/ANSI, and with all local codes and authorities having jurisdiction. All units should be installed by trained service personnel.
Installation:
NetWay4E1B/NetWay4E1PL:
- Mount board/backplane in the desired location/enclosure with hardware supplied.
- NetWay4E1B: Connect 56VDC/280W max power source to the terminal marked [+] and [–].
Note: For proper earth ground connections on NetWay4E1B fasten metal spacers (provided) to threaded studs at indicated board mounting holes (shown on the right).
This is recommended for better environmental immunity.
NetWay4E1WPN/NetWay4E1WP/NetWay4E1WPX:
- Remove the backplane from the enclosure prior to drilling. Do not discard hardware.
Note: Make sure that hardware will not interfere with the components of the circuit board. - Mark and drill desired inlets on the enclosure to facilitate wiring. Maximum NEMA type 4X rated fittings to be used are 0.5”. Follow the manufacturer’s specifications for the appropriate size opening.
Note: Inlets for conduit fittings should only be made on the bottom of the enclosure.
To facilitate wire entry utilize weather-tight NEMA-rated connectors (supplied), bushings, and cable. - Clean out the inside of the enclosure before remounting circuit boards/backplanes.
- Mounting NEMA4/4X rated enclosure (Enclosure Dimensions, pg. 8-10):
Wall mount: Mount the unit in the desired location. Mark and drill holes to line up with the top and bottom holes of the enclosure flange. Secure enclosure with appropriate fasteners (e. g. screws and anchors; bolts and locking nuts, etc.) that are compatible with the mounting surface and are of sufficient length/construction to ensure a secure mount (Fig. 4, pg. 7).
Pole Mount: Refer to Fig. 5 – 9, pg. 7. - Mount the backplane in an enclosure with hardware.
NetWay4E1X:
- Mount the unit in the desired location. Mark and predrill holes in the wall to line up with the top two keyholes in the enclosure. Install two (2) upper fasteners and screws in the wall with the screw heads protruding.
Place the enclosure’s upper keyholes over the two (2) upper screws; level and secure. Mark the position of the lower two (2) holes. Remove the enclosure. Drill the lower holes and install two fasteners. Place the enclosure’s upper keyholes over the two (2) upper screws. Install the two (2) lower screws and make sure to tighten all screws (Enclosure Dimensions, pg. 9). Secure the enclosure to earth ground.
Power Connection:
- NetWay4E1WP, NetWay4E1WPX, NetWay4E1X, and NetWay4E1PL:
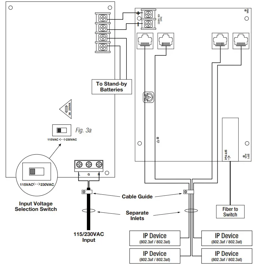
Before powering the unit, set the input voltage selection switch to the proper Input Voltage position (Fig. 3a, pg. 6).
Units are factory set for 115VAC. - Secure cabinet to earth ground. Connect AC power from the overcurrent protective device circuit breaker (20A @ 115VAC, 60Hz, 16A @ 230VAC, 50/60Hz) to the terminals marked [L, N] on the power supply board (Fig. 3, pg. 6). Use 14AWG or larger for all power connections (Battery, DC output, AC input).
Connect ground lug to earth or green branch wire (12AWG min.).
Keep power-limited wiring separate from non-power-limited wiring by utilizing separate knockouts/inlets. Minimum 0.25” spacing must be provided.
CAUTION: Do not touch exposed metal parts. Shut branch circuit power before installing or servicing equipment. There are no user-serviceable parts inside. Refer installation and servicing to qualified service personnel.
Input/Data Connections:
- Connect structured cables from port marked [Port 1] to [Port 4] on the NetWare unit to PoE-compliant cameras/edge devices (Fig. 2, pg. 5).
- Insert the SFP module into port marked [SFP], then connect the cable to the SFP module on NetWay4E1B to the corresponding input of an SFP switch (Fig. 2, pg. 5).
Recommended Altronix SFP Modules:
Altronix P1MM, P1SM10, P1AB2K, and P1GCE are hot-pluggable SFP fiber transceiver modules and are readily usable with all Altronix Spectrum fiber optic equipment for 1Gb transmission rates.
P1MM For use with Multi-Mode Fiber for distances up to 550m.
P1SM10 For use with Single-Mode Fiber for distances up to 10km.
P1AB2K For use with Single Strand Single-Mode Fiber for distances up to 2km.
P1GCE For use with CAT5e or better for distances up to 100m.
Recommended Altronix Power Sourcing Equipment:
NetWaySP4P
Ethernet to Fiber Media Converter with Integral Power Supply/Charger.
Four (4) 56VDC non-power-limited outputs up to 120W max. full power per port (240W total power). Four (4) 1Gb SFP ports.
NetWaySP4PX Ethernet to Fiber Media Converter with Integral Power Supply/Charger.
Four (4) 56VDC non-power-limited outputs up to 120W max. full power per port (480W total power). Four (4) 1Gb SFP ports.
NetWaySP4P2 Ethernet to Fiber Media Converter with Integral Power-Limited Power Supply/Charger.
Four (4) 56VDC power-limited outputs up to 60W max. full power per port (240W total power). Four (4) 1Gb SFP ports.
WayPoint562
High Current Outdoor Power Supply/Charger. 56VDC/120W output.
Filtered and electronically regulated output. Short circuit and thermal overload protection.
Vertiline563
EIA 19” 1U Rack Mountable Dual Independent Power Supply/Charger.
56VDC @ 3A each output.
Filtered and electronically regulated output. Short circuit and thermal overload protection.
PoE201
Power Supply/Charger Board. 56VDC/120W output.
Filtered and electronically regulated output. Short circuit and thermal overload protection.
Technical Specifications:
| Parameter | Description | ||
| Number of Ports | Four (4) 10/100/1000 Mbps Ethernet ports rated at 30W each. IEEE 802.3af, 802.3at compliant. One (1) Gigabit SFP Port. | ||
| Input Power Requirements | NetWay4E1WP/NetWay4E1PUNetWay4E1WPX/NetWay4E1X: 115VAC, 60Hz, 2.5A or 230VAC, 50/60Hz, 1.3A. NetWay4E1B/NetWay4E1WPN: 48-56V UL Listed ITE power supply. | ||
| Environmental Conditions | Operating Ambient Temperature: 60W: — 40°C to 75°C (— 40°F to 167°F); 75W: — 40°C to 70°C (— 40°F to 158°F); 100W: — 40°C to 55°C (— 40°F to 131°F); 120W: — 40°C to 45°C (— 40°F to 113°F). Storage Temperature: — 30°C to 85°C (— 22°F to 185°F). Relative Humidity: 85%, +/— 5% Operating Altitude: — 304.8 to 2,000m. | ||
| Weights (aPProt) | Model | Product Weight | Shipping Weight |
| NetWay4E1WP NetWay4E1WPN NetWay4E1WPX NetWay4E1X NetWay4E1PL NetWay4E1B | 10.5 lb. (4.76 kg) 9.5 lb. (4.3 kg) 15 lb. (6.8 kg) 6.65 lb. (3.02 kg) 2.6 lb. (1.18 kg) 0.4 lb. (0.18 kg) | 11.9 lb. (5.4 kg) 10.9 lb. (4.9 kg) 17.5 lb. (7.9kg) 7.55 lb. (3.42kg) 4.0 lb. (1.81 kg) 0.75 lb. (0.34 kg) | |
Typical Applications
Fig. 2 – NetWay4E1B/NetWay4E1WPN – Typical Application with Hybrid Cable
Power Distance Chart
| Power Requirements | Power Cabling | Maximum Distance (ft./m) |
| 15W | 12/2 | 11,162′ / 3403m |
| 30W | 12/2 | 5,581′ / 1702m |
| 45W | 12/2 | 3,767 / 1,148m |
| 60W | 12/2 | 2,739′ / 835m |
| 75W | 12/2 | 2,249′ / 686m |
| 90W | 12/2 | 1,872′ / 571m |
| 105W | 12/2 | 1,607′ /490m |
| 120W | 12/2 | 1,408′ / 429m |
| 15W | 16/2 | 4,415′ / 1,346m |
| 30W | 16/2 | 2,207′ / 673m |
| 45W | 16/2 | 1,490′ / 454m |
| 60W | 16/2 | 1,083′ / 330m |
| 75W | 16/2 | 889′ / 271m |
| 90W | 16/2 | 740′ / 226m |
| 105W | 16/2 | 635′ / 194m |
| 120W | 16/2 | 557′ / 170m |
Estimated distances are based on starting voltage of 56VDC and account for a 10-volt drop.
All distances are per IEEE 802.3at standard for device power requirements of minimum 44VDC and leave an approximate 2 volts for safety and flexibility.
Fig. 3 – NetWay4E1PL/NetWay4E1WP/NetWay4E1WPX/NetWay4E1X
Wall Mount Installation
- Place the unit at the desired location and secure it with mounting screws (not included) (Fig. 4, pg. 7).

Pole Mounting Using Optional Pole Mount Kit
PMK1 (NetWay4E1WP) or PMK2 (NetWay4E1WPX):
This installation should be made by qualified service personnel. This product contains no serviceable parts. PMK1 is intended for use with Altronix outdoor-rated power supplies or accessories housed in WP1, WP2, WP3, and WP4 enclosures. Brackets are designed for use with the Wormgear Quick Release Straps (two included).
- Thread one (1) wormgear quick-release strap through the slots on the back of a mounting bracket (Fig. 5, pg. 7).
- Once the desired height of the top Pole Mount bracket is achieved, tighten the straps down by sliding the open the end of the strap through the locking mechanism on the strap, then tighten the screw with flat head screwdriver or 5/16” hex socket driver (Fig. 5, pg. 7 and Fig. 8, pg. 7).

- Attach the bottom bracket to the enclosure by inserting bolts through the flange of the enclosure and into the bracket, tightening bolts with a 7/16” hex socket (Fig. 7, pg. 7).
- Thread the second wormgear quick release strap through the slots on the back of the bottom mounting bracket (Fig. 5, pg. 7).
- Mount the enclosure onto the top bracket by inserting bolts through the flange of the enclosure and into the bracket, tightening bolts with a 7/16” hex socket (Fig. 7, pg. 7).
- Tighten the straps of the bottom bracket down by sliding the open end of the strap through the locking mechanism on the strap, then tighten the screw with a flat head screwdriver or 5/16” hex socket driver (Fig. 6, pg. 7).
- Clip excess straps.

NetWay4E1WP/NetWay4E1WPN
Mechanical Drawing and Dimensions (H x W x D approx.): 13.31” x 11.31” x 5.59” (338.1mm x 287.3mm x 142mm)


NetWay4E1WPX
Mechanical Drawing and Dimensions (H x W x D approx.): 17.53” x 15.3” x 6.67” (445.3mm x 388.6mm x 169.4mm)


NetWay4E1X
Mechanical Drawing and Dimensions (H x W x D approx.): 13.5” x 13” x 3.25” (342.9mm x 330.2mm x 82.6mm)

Notes:
Altronix is not responsible for any typographical errors.
140 58th Street, Brooklyn, New York 11220 USA | phone: 718-567-8181 | fax: 718-567-9056
website: www.altronix.com | e-mail: [email protected] | Lifetime Warranty
IINetway4E1 Series
E02V![]()




















