More than just power.
TM
eBridge1PCT
IP and PoE over Coax
Hardened Transceiver
Installation Guide![]()
Rev. 111814 More than just power. TM
Installing Company: _______________ Service Rep. Name: _______________
Address: _______________ Phone #: __________________
Overview:
Altronix eBridge1PCT EoC hardened transceiver transmits data at 25Mbps, Full Duplex over Coax cable to a paired eBridge receiver and provides power in a PoE-compliant format to an enabled device/camera. The eBridge receiver is available in various options and is powered by external midspan or endspan. The receiver passes PoE power
over the same coax cable to the eBridge1PCT transceiver, which, in turn, passes this power to an enabled IP camera/ device. These plug-and-play units facilitate a cost-effective, simple way to replace legacy analog products with new IP devices over existing coax up to 500m. Maximum range from the headend to the PoE camera/device is 700m, taking
into consideration that up to 100m of structured cable may be deployed at each end.
Features:
Agency Listings:
- UL/cUL Listed for Information
Technology Equipment (UL 60950-1). - CE European Conformity.
- C-Tick compliant.
Input:
- PoE is compliant to IEEE 802.3af (15W) from eBridge receivers.
- Power consumption (under maximum load): 1.5W
Compatible Receivers:
- eBridge1PCR
- eBridge1PCRX, eBridge4PCRX,
eBridge8PCRX, eBridge16PCRX. - eBridge1PCRM, eBridge4PCRM,
eBridge8PCRM, eBridge16PCRM, - eBridge8E
Ethernet:
- Connectivity: RJ45, auto-crossover.
- Wire type: 4-pair CAT5 or better-structured cable.
- Distance: up to 100m. Speed: 10/100BaseT, half/full duplex, auto-negotiation.
PoE compliant with IEEE 802.3af (15W)
Delivered to the camera by eBridge1PCT.
Power provided by eBridge Plus receiver to
eBridge1PCT by PoE protocol.
Coax:
- Distance: up to 500m (see Maximum Length of Coax Type vs. Camera Power/PoE Class, pg. 4) for power delivery of coax.
- Throughput is rated to pass 25Mbps of data at distances up to 500m. With proper headend equipment, this supports
Megapixel, HD720, HD1080. - Connectivity: BNC, RG-59/U, or similar.
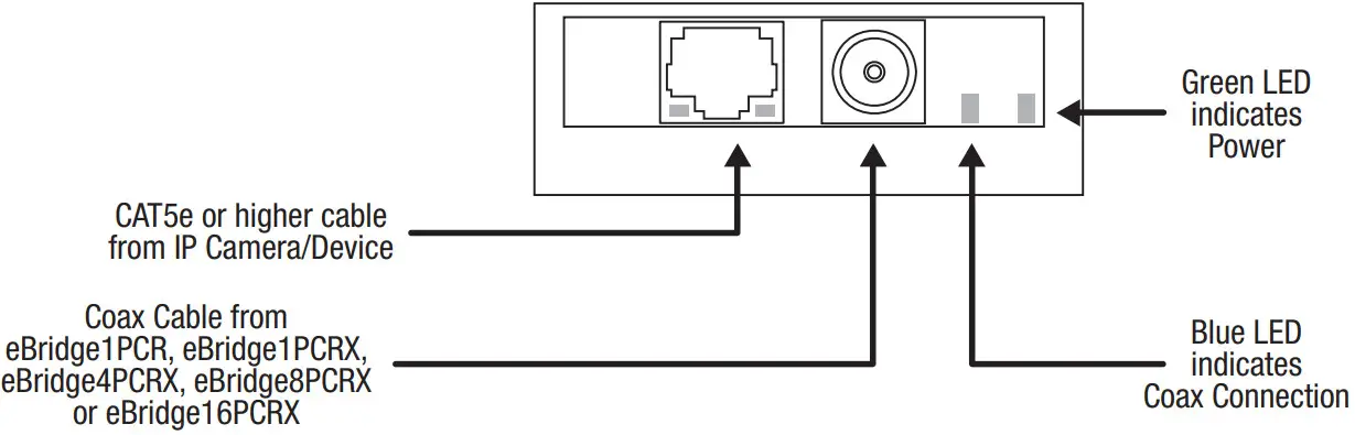
LED Indicators:
- Blue LED – Coax link connection.
- Green LED – PoE from eBridge1PCR.
- Yellow and Green LED (RJ45) IP Link status, 10/100Base-T/active.
Environmental:
- Operating Temperature:
– 40ºC to 75ºC (– 40ºF to 167ºF). - Storage Temperature:
– 40ºC to 75ºC (– 40ºF to 167ºF). - Humidity: 20 to 85%, non-condensing.
Functions:
- Auto detection and protection of legacy non-PoE cameras/devices.
Applications:
- Retrofit digital IP cameras in an analog
CCTV installation. - Works with Megapixel, HD720, HD1080, and VGA (SD) cameras (see a note, pg. 3).
- Extend Network link distance in an industrial environment over 7000m (see a note, pg. 3).
- Upgrade deployed CCTV Coax to a digital network in Retail, Hospitality, Arenas,
Casinos, Airports, Schools,
Hospitals, Transportation, etc.
Mechanical:
- Dimensions (W x L x H approx.):
2.5” x 4.375” x 1” (63.5mm x 111.1mm x 25.4mm)
Installation Instructions:
Wiring methods shall be in accordance with the National Electrical Code/NFPA 70/ANSI, and with all local codes and authorities having jurisdiction. Wiring should be UL listed and/or Recognized wire suitable for the application. eBridge1PCT is not intended to be connected to outside plant leads and should be installed indoors within the protected premises. eBridge1PCT is intended for indoor use only.
- Secure the unit to the desired mounting surface with a proper fastening device utilizing the case’s mounting hole (Fig. 2a, pg. 4). Unit should be mounted in proximity to the camera/device.
- Connect the structured cable from the IP camera/device to the RJ45 jack marked [10/100BaseT] (Fig. 2, pg. 4).
- Connect Coax from eBridge receiver to BNC connector marked [Coax] (Fig. 2 and 3, pg. 4).
Note: The eBridge1PCT is designed to accommodate Megapixel, HD720, HD1080, and VGA (SD) cameras. It is important to note that some high-resolution and high-frame ate cameras may demand faster headend processing ability, such as a PC graphics card to present a quality image. If the headend processing equipment is insufficient in speed, the image may show pixelation and latency. It is advisable to pre-test the system if unsure. Alternatively, frame rate and resolution may be reduced to accommodate system equipment.
Technical Specifications:
| Parameter | Description |
| Connections | BNC for Coax link. RJ45 for ethernet link. |
| Input power requirements | 24VDC/1,000mA, 24VAC/900mA |
| Indicators | Blue: Coax Link. Yellow (RJ45 connector): On-Link, Off – No Link, Blinking – Activity. Green (RJ45 connector): On – 100Base-TX, Off – 10Base-T. Green: Power. |
| Environmental Conditions | Operating Ambient Temperature (UL60950-1): — 40°C to 75°C (— 40°F to 167°F). Relative humidity: 85%, +/ — 5%. Storage Temperature: — 40°C to 75°C (— 40°F to 167°F). Operating Altitude: — 304.8 to 2,000m. |
| Regulatory Compliance | URL Listed for Information Technology Equipment (UL 60950-1). CE European Conformity. C-Tick compliant. |
| Weights (approx.) | Product: 0.25 lb. (0.11 kg) I Shipping: 0.6 lb. (0.27 kg). |
Fig. 1
eBridge1PCT
Single PoE Camera Connection:

Multiple PoE Cameras Connection:
Maximum Length of Coax Type vs. Camera Power/PoE Class:
| Cable Type | Total Power Consumption | Max Data Distance | Max Power Distance |
| RG59u/23awg | 13W | 500m | 264m |
| RG59U/22awg | 13W | 500m | 334m |
| RG59U/20awg | 13W | 500m | 532m |
| RG59U/18awg | 13W | 500m | 846m |
Altronix is not responsible for any typographical errors.
140 58th Street, Brooklyn, New York 11220 USA | 718-567-8181 | fax: 718-567-9056
website: www.altronix.com | e-mail: [email protected] | Lifetime Warranty
IIeBridge1PCT
G15U
eBridge1PCT Installation Guide



















