POTTER DCM-4 Dual Contact Module Fire Alarm Resources

Features
- Single module with dual contact monitoring inputs
- Two (2) Class B or one (1) Class A monitoring inputs
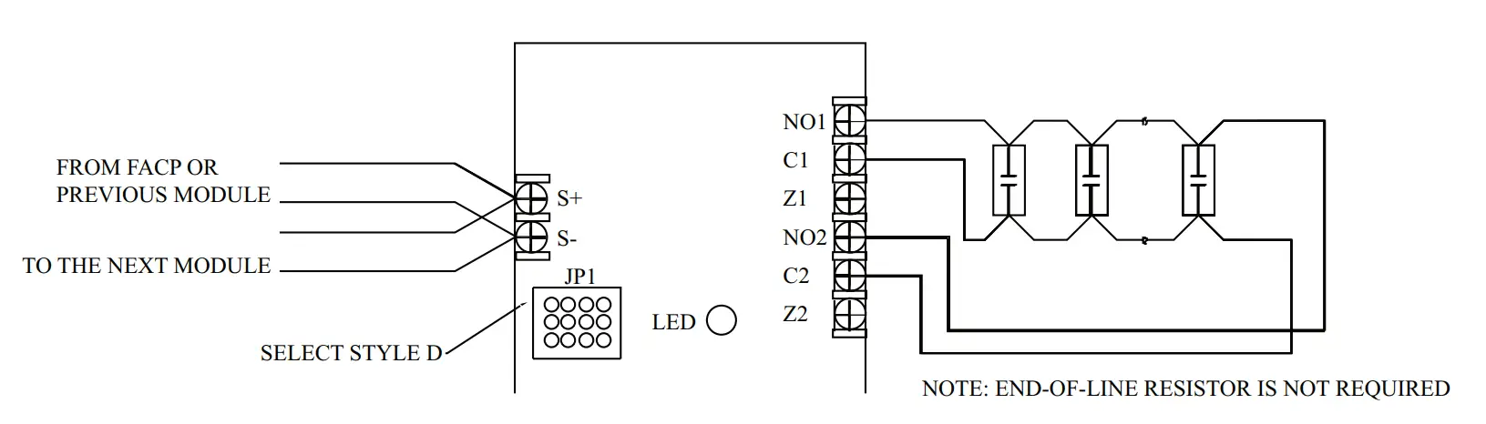
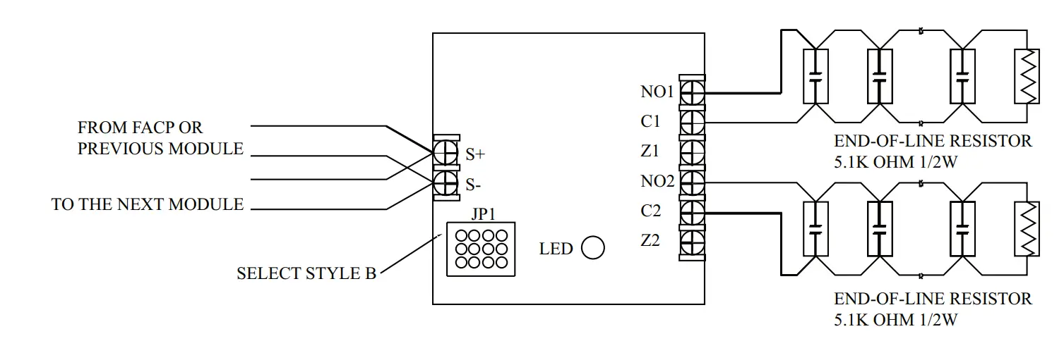
- SLC Class A (Style 6,7) & Class B (Style4)
- Mounts in a standard 4” or double gang box
- Wiring terminals accessible when mounted in box
- All wiring terminals accept 22 to 14 AWG
- Product includes a 5 year warranty
NOTE: This addressable module does not support 2-wire smoke detectors.
Stock Number: 1430822
Application
The DCM-4 is compatible with Potter’s PFC-6000 series and PFC8500 addressable fi re alarm control panels. The DCM-4 is an interface module used to monitor dry contact devices such as sprinkler water fl ow, valve tamper switches, or conventional pull stations. The module is capable of monitoring two separate Class B or one Class A circuits.
Description
The DCM-4 uses two (2) consecutive SLC loop addresses when monitoring two (2) Class B circuits or one (1) address when monitoring a single class A (Style D) circuit. The module mounts on either a 4” square or double gang box. The module is capable of monitoring two (2) separate class B circuits making it ideal for monitoring sprinkler waterfl ow and valve tamper switches when they are located in the same proximity. The DCM-4 includes one red LED to indicate the modules status. In normal condition, the LED fl ashes when the device is being polled by the control panel. When a contact is activated, the LED will light continuously and in case of an open circuit, the LED will turn off.
Technical Specifi cations
| Operating Voltage | 22.0-24.0V |
| Max SLC Standby Current | 325 µA |
| Aux Power Required | 1mA |
| Max Wiring Resistance of IDC | 100 Ω |
| Max Wiring Cpacitance of IDC | 1µF |
| EOL Resistor | 5.1K Ω |
| Operating Tempurature Range | 32 to 120ºF (0 to 49ºC) |
| Operating Humidity Range | 0 to 93% (non-condensing) |
| Max no. of Module Per Loop | 127 units (Class A) or 63 units (Class B) |
| Dimensions | 4.17” (106mm)L × 4.17” (106mm)W × 1.14” (29mm)D |
| Mounting Options | Standard 4” Square or Double Gang Box |
| Shipping Weight | 0.6 lbs |
Setting the Address
Each addressable module, smoke sensor, heat detector and combination sensor/detector must be assigned an address prior to installing the device. The address is set using either the hand held device programmer or the addressing feature on the PFC 6000 /PFC 8500 Series control panels. When the DCM4 is used to monitor two individual Class B circuits a single device address is assigned, with the second address number assigned automatically by the module assuming the next consecutive address. For example, if the first address number is assigned as “2”, the second address number will automatically be assigned as SLC device address “3”.
Before connecting a device to the SLC loop, take the following precautions to prevent potential damage to the panel or device verify the following:
- Power to the device is removed
- Field wiring is correctly installed.
- Field wiring has no open or short circuits.
Installation Using Compatible Electrical Box

Wiring Diagrams
DCM-4 With One Class A Circuit

DCM-4 With Two Class B Circuits

Customer Support
Potter Electric Signal Company, LLC • St. Louis, MO • Tech Support: 866-956-0988 / Customer Service: 866-572-3005 • www.pottersignal.com





















