LANCER CED-400 R-290 Cold Carbonated Dispenser

ORIGINAL INSTRUCTIONS
FOR QUALIFIED INSTALLER ONLY. This basic Installation Sheet is an initial release. If a complete Operations Manual (for the unit being installed) is required, please refer to the Lancer website (lancerworldwide.com) for immediate access; or, for your convenience, scan QR code on this page with a mobile device for immediate access. Contact Lancer Customer Service for assistance as required.

ABOUT THIS GUIDE
This guide is an integral and essential part of the product and should be handed over to the operator after the installation to preserve for any further consultation as needed. Please read carefully the guidelines and warnings contained herein as they are intended to provide the user with essential information for the continued safe use and maintenance of the product. In addition, it provides GUIDANCE ONLY to the user on the correct services and site location of the unit.
BEFORE GETTING STARTED
Each unit is tested under operating conditions and is thoroughly inspected before shipment. At the time of shipment, the carrier accepts responsibility for the unit. Upon receiving the unit,
carefully inspect the carton for visible damage. If damage exists, have the carrier note the damage on the freight bill and file a claim with carrier. Responsibility for damage to the dispenser lies with the carrier.
The installation or relocation of this product must be carried out by qualified personnel with up-to-date safety and hygiene knowledge and practical experience, in accordance with current regulations.
READ ALL SAFETY INSTRUCTIONS BEFORE USING THIS UNIT.
This guide contains important safety information and all applicable safety precautions must be observed. To reduce the risk of fire, electric shock, damage to the equipment or personal injury when using this unit all instuctions/warnings on the product being used must be followed:
IMPORTANT SAFETY INSTRUCTIONS
Flammable Material Warning Symbol
When used in guide, it is to warn against possible ignition of flammable material if proper care is not taken. In order to reduce flammability hazards, the installation and servicing of this appliance must be only carried out by a suitably qualified person. Disposal requires transfer to authorized recycler for processing to avoid damages to the environment or other hazards.
Intended Use
The dispenser is for indoor use only. This unit is not a toy. Children should be supervised not to play with appliance. It should not be used by children or infirm persons without supervision. This appliance can be used by children aged from 8 years and above and persons with reduced physical, sensory or mental capabilities or lack of experience and knowledge if they have been given supervision or instruction concerning use of the appliance in a safe way and understand the hazards involved. Cleaning and user maintenance shall not be per-formed by children without supervision. The min/max ambient operating temperature for the dispenser is 64°F to 100°F (18°C to 38°C) at a max altitude of 16,400 ft (5,000 m). Do not operate unit outside these conditions. Should freezing occur, cease operation of the unit and contact authorized service technician. Service, cleaning, and sanitizing should be accomplished only by trained personnel. During instal-lation, old hose-sets should not be reused to connect the unit to the water mains; new hose-sets should always be used. Applicable safety precautions must be observed. Instruction warnings on the product being used must be followed.
Carbon Dioxide (CO2)
WARNING: Carbon Dioxide (CO2) is a colorless, noncombustible gas with a light pungent odor. High percentages of CO2 may displace oxygen in the blood.
Water Notice
Provide an adequate potable water supply. Water pipe connections and fixtures directly connected to a potable water supply must be sized, installed, and maintained according to federal, state, and local laws. The water supply to the carbonator must be at least a 3/8 inches (9.525 mm) pipe with a minimum of 25 psi (0.172 MPa) line pressure, but not exceeding a maximum of 50 psi (0.345 MPa). Water pressure exceeding 50 psi (0.345 MPa) must be reduced to 50 psi (0.345 MPa) with pressure regulator. The water supply to non-carb drinks must be a minimum of 55 psi (0.379 MPa), using a water booster if needed. Use a filter in the water line to avoid equipment damage and beverage off-taste. Check the water filter periodically, as required by local conditions. The water supply must be protected by means of an air gap, a backflow prevention device or another approved method to comply with NSF standards. A leaking inlet water check valve will allow carbonated water to flow back through the pump when it is shut off and contaminate the water supply. Ensure the backflow prevention device complies with ASSE and local standards. It is the responsibility of the installer to ensure compliance.
SPECIFICATIONS
DIMENSIONS
- Width: 10.83 inches (275 mm)
- Depth: 23.00 inches (584 mm)
- Height: 30.13 inches (765 mm)
WEIGHT
- Shipping: 154 lbs (69.9 kg)
- Empty: 121 lbs (54.9 kg)
- Operating: 171 lbs (77.6 kg)
- Ice Bath: 50 lbs (22.7 kg)
ELECTRICAL
- 115 VAC, 60 Hz, 12.0 Amps
- 220-240 VAC, 50 Hz, 6.0 Amps
- 220-240 VAC, 60 Hz, 6.0 Amps
CARBON DIOXIDE (CO2) SUPPLY
- Min Pressure: 70 psi (0.483 MPa)
- Max Pressure: 80 psi (0.552 MPa)
FITTINGS
- Water for Carb Inlet: 3/8 inch barb Plain
- Water Inlet: 3/8 inch barb Brand Syrup
- Inlets: 1/4 inch barb CO2 Inlet: 1/4 inch barb
Climatic Class Definitions
- SN (Subnormal) suitable for use under ambient temperature range of 50 °F ~ 90 °F
- N (Normal) suitable for use under ambient temperature range of 61 °F ~ 90 °F
- ST (Subtropical) suitable for use under ambient temperature range of 64 °F ~ 100 °F
- T (Tropical) suitable for use under ambient temperature range of 64 °F ~ 109 °F
This unit emits a sound pressure level below 70 dB Max Altitude: 16,400 ft (5,000 m)
WATER SUPPLY TO CARBONATOR
- Min Flowing Pressure: 25 psi (0.172 MPa)
- Max Flowing Pressure: 50 psi (0.345 MPa)
WATER SUPPLY TO NON-CARB DRINKS
- Min Flowing Pressure: 55 psi (0.379 MPa)
- Max Flowing Pressure: 120 psi (0.827 MPa)
READ THIS GUIDE
This guide was developed by Lancer Worldwide as a reference for the owner/operator and installer of this
dispenser. Please read this guide before installation and operation of this dispenser. If service is required please call your Lancer Service Agent or Lancer Customer Service. Always have your model and serial number available when you call.
INSTALLATION
- Cut package banding straps and remove.
- Open the box and remove the parts tray.
- Close the lid, then remove using the handle cutouts.
- Remove accessory kit and loose parts.
NOTE
Inspect unit for concealed damage. If evident, notify delivering carrier and file a claim against the same.
WARNING
Never energize the machine if there is any trace of damage. Contact Lancer Customer Service for assistance. - Remove plywood shipping base from unit by moving unit so that one side is off the countertop or table allowing access to screws on the bottom of the plywood shipping base.
NOTE
If unit is to be transported, it is advisable to leave the unit secured to the plywood shipping base. - If leg kit has been provided, assemble legs by tilting unit.
! ATTENTION
DO NOT LAY UNIT ON ITS SIDE OR BACK
Selecting
NOTE
The dispenser should only be installed in a location where it can be overseen by trained personnel.
- Select a location that is in close proximity to a properly grounded electrical outlet, within five (5) feet (1.5 m) of a drain, and a water supply that meets the requirements shown in the Specifications section found on page 3.
WARNING
When positioning the appliance, ensure the supply cord is not trapped or damaged. - Select a location for the syrup pumps, CO2 tank, syrup containers, and water filter (recommended).
- Condenser air is drawn in from the top front and vents located on the bonnet and discharged out the rear top of the bonnet. A minimum of eight (8) inches (203 mm) of clearance must be maintained over the top of the unit to provide for proper air flow and circulation.
WARNING
Keep ventilation openings in the appliance enclosure or in the built-in structure clear of obstruction. Failure to maintain specified clearance will cause the compressor to overheat and will result in compressor failure. - Cut the necessary holes in countertop for mounting in the designated dispenser location.
Leveling the Dispenser
In order to facilitate proper dispenser drainage, ensure that the dispenser is level, front to back and side to side. Place a level on the top of the rear edge of the dispenser. The bubble must settle between the level lines. Repeat this procedure for the remaining three sides. Adjust as necessary. For optimum performance place the unit at a 0° tilt. The maximum tilt is 5.
Dispenser Installation
NOTE
The installation or relocation must be carried out by qualified personnel with up-to-date knowledge and prac-tical experience in accordance with current regulations.
- The dispenser is designed to be installed either permanently to a counter or placed on a counter using the legs (included in the Lancer kit, PN 82-1704).
NOTE
NSF listed units must be sealed to the counter or use legs provided. - 2When the dispenser is to be permanently bolted to the countertop, the dispenser base must be sealed to the countertop with a bead of silicone caulk or sealant which pro-vides a smooth and easily cleanable bond to the counter.
- Once the dispenser is installed to the counter or placed on the counter using legs provided, remove the cup rest and splash plate.
- Remove the merchandiser by removing the two (2) top screws and two (2) bottom screws.
- Remove the bonnet by removing the two (2) front screws.

- Route power cord up the front of the unit for connection.
- Connect drain tube to the drain fitting located on the bottom of the drip tray and secure drain tube with clamp.
- Route the drain line to designated floor drain.
- Route appropriate tubing from the syrup pump location to the syrup inlets located behind the splash plate. Connect tubing to inlets using the Oetiker pliers and clamps. Repeat for all syrup connections.

- Connect plain water tubing to water pump.
- Route appropriate tubing from the water source to the carbonator pump inlet at the unit. Route up the left side of unit to ensure space for keyswitch.
- Connect the tubing to water source using Oetiker pliers and clamps.
ATTENTION – critical for performance
Carefully read this before filling the water bath tank. In order to optimize the maximum performance of the dispenser, the following MUST be adhered to: - Fill a large bucket with approx. 5.4 gallons (20.4 L) of distilled water.
ATTENTION
For proper function of the electronic ice bank control the total dissolved solids (TDS) measurements should be 100-500 ppm. - Add 1/8 oz (4 g) of baking soda to distilled water and stir.

- Remove yellow cap from fill hole and insert a funnel into the fill hole.
- Carefully pour the distilled water mixture into the water bath tank until water flows out of the overflow tube at the front of the unit. Then replace yellow cap.
ATTENTION
The water bath compartment must be filled with water before connecting the unit, otherwise the compressor fan may not operate properly. DO NOT use Reverse Osmosis (RO) or purified water.
NOTE
Make sure the overflow tube is not covered to allow water from the water bath tank to escape as needed. - Using tubing cutters, cut water supply line and install “U” fitting, (PN 01-2128/01).

- Route appropriate tubing from the plain water inlet, located at the front of the unit, to one side of the “U” fitting at water supply and connect tubing to inlet.

- Route appropriate tubing from the carbonator pump inlet to the open “U” fitting at water supply then connect tubing to carb water inlet using a flare seal washer (PN 05-0017). Use a back-up wrench to prevent damage to carbonator pump.

NOTE
If the water source is above 50 psi (0.345 MPa), cut tubing assembly and install Water Regulator Kit (PN 18-0253/02, sold separately) as shown in kit instruction sheet. Once installed, use a test gauge assembly (PN 22-0138, sold separately), to set regulator at a maximum of 50 psi (0.345 MPa). - Route appropriate tubing from the CO2 supply to the CO2 inlet and connect tubing to it.

- Feed all tubing, power cord, and drain line through the back of the unit. If using 3/8” tubing, place reduction point behind unit.
- Turn on water supply and check for leaks.
- Plug in the unit to a grounded electrical outlet to power on and begin building an ice bank.
WARNING
Never energize the machine if there is any trace of damage. Contact Lancer Customer Service for assistance.
The dispenser must be properly electrically grounded to avoid serious injury or fatal electrical shock. The power cord has a three-prong grounded plug. If a three-hole grounded electrical outlet is not available, use an approved method to ground the unit. Follow all local electrical codes when making connections. Each dispenser must have a separate electrical circuit. Do not use extension cords. Do not connect multiple electrical devices on the same outlet.
Installing CO2 Supply
ATTENTION
Before installing regulator, ensure that a seal (washer or O-ring) is present in regulator attachment nut.
- Connect high pressure CO2 regulator assembly to CO2 cylinder or bulk system.

- Thread regulator nut on to tank, then tighten nut with wrench
- Connect a 1/4” nut, 3/8” stem and seal to CO2 regulator outlet.

- Route appropriate tubing from the low pressure CO2 regulator manifold location to the 1/4” nut, 3/8” stem on the high pressure CO2 regulator attached to source and connect tubing.

ATTENTION
A dedicated CO2 regulator is required to supply the CO2 inlet at the unit as well as to all remote syrup pumps. - Connect tubing routed from the CO2 inlet at the unit to one of the low pressure CO2 regulator manifold outlets.
- Connect tubing routed from the syrup pump location to the second outlet of the low pressure CO2 regulator manifold.

- Using a wrench, loosen lock nut on the regulator adjustment screw of the high pressure CO2 regulator connected to the source, then using a screwdriver back out lock nut screw all the way.
WARNING
DO NOT TURN ON CO2 SUPPLY AT THIS TIME.
- Repeat Step 6 for both low pressure CO2 regulators on the regulator manifold routed to the unit and the syrup pumps.
Dispenser Setup
- Purge water to fill carbonator tank by opening carbonator relief valve. Close relief valve once water comes out.

- Activate each valve until a steady flow of water is achieved.
- Turn power off.
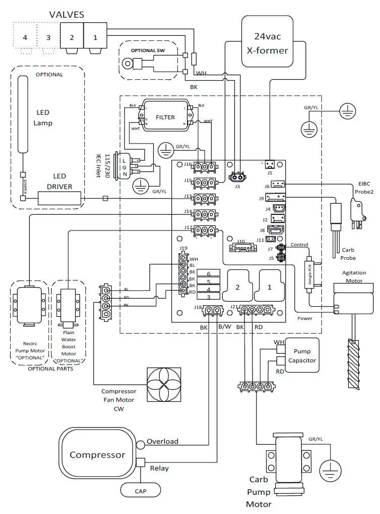
- Unplug the Pump Motor Connector from the control box. Use the wiring diagram either on the unit control box or in the back of this guide for reference.
ATTENTION
Failure to disconnect the motor power supply will damage the carbonator motor, the pump and void the warranty. - Turn power on.
- Turn on CO2 at the source.
- Using a screwdriver, adjust the high pressure regulator at the source to 110 psi (0.758 MPa), then tighten locknut with wrench.

- Adjust both of the low pressure regulators on the regulator manifold to 75 psi (0.517 MPa), then tighten locknut with wrench.
- Turn syrup off at back block.
- Activate each valve until gas-out is achieved.
- Turn power off.
- Plug the Pump Motor Connector back into the control box.
- Turn power on.
NOTE
Pump Motor will run for a few seconds to fill carbonator tank. - Activate each valve until the carbonator pump comes on. Release the button, allow carbonator to fill and stop. Repeat this process until a steady flow of carbonated water is achieved.
Adjust Water Flow Rate & Syrup/Water Ratio
NOTE
Do not set flow rates or dispense from the unit until a complete ice bank is established.
- Using a Lancer brix cup verify water flow rate (5 oz. in 4 sec.). Use a screwdriver to adjust if needed.

- Remove nozzle by twisting counterclockwise and pulling down, then remove diffuser by pulling down.
- Install Lancer (yellow) syrup separator (PN 54-0031) in place of nozzle.

- Reopen syrup shut-off at mounting block.
- Activate valve to purge syrup until steady flow is achieved.
- Using a Lancer brix cup, activate the valve and capture a sample. Verify that the syrup level is even with the water level. Use a screwdriver to adjust if needed.

- Repeat process for each valve.
- Reinstall the merchandiser, splash plate, cup rest, and drip tray then reattach bonnet using the top bonnet screw.
Volumetric Valve Adjustment
- Remove the ID panel from the front of the first valve.
- Insert the programmer’s 10-pin connector into the ID panel plug located on the front of the circuit board.
- When properly connected, the programmer will run a self-diagnostic test. The display will show all “8’s” with the decimal points lighted. After about three (3) seconds, the display indicates the setting of the dip switches.
NOTE
If the programmer does not run its diagnostic test properly, disconnect it and try plugging it in again. If the programmer still fails, replace the programmer. - After the programmer is connected, press the “Read Mem” button.
- Press the “Ratio +” or the “Ratio -” key until the desired ratio is displayed.
- Verify the drink type by pressing “Carb Toggle” to select “C” for carbonated or “n” for non-carbonated.
- Press the “Enter” button to program the valve with the setting on the display.
- Verify ratio by pressing “Read Mem”.
- Disconnect the programmer and repeat steps 4-9 for each valve.

Handheld Programmer Volumetric Valve
CLEANING AND SANITIZING
GENERAL INFORMATION
Lancer equipment is shipped from the factory after being cleaned and sanitized in accordance with the National Sanitation Foundation (NSF) guidelines. The operator of the equipment must provide continuous maintenance as required by this guide and/or state and local health department guidelines to ensure proper operation and sanitation requirements are maintained.
The cleaning procedures provided herein pertain to the Lancer equipment identified by this manual. If other equipment is being cleaned, follow the guidelines established by the manufacturer for that equipment.
Cleaning should be accomplished only by trained personnel. Sanitary gloves are to be used during cleaning operations. Applicable safety precautions must be observed. Instruction warnings on the product being used must be followed.
Sanitizing Solution
Prepare the sanitizing solution in accordance with the manufacturer’s written recommendations and safety guidelines. The type and concentration of sanitizing agent recommended in the instructions by the manufacturer shall comply with 40 CFR §180.940. The solution must provide 200 parts per million (PPM) chlorine (e.g. Sodium Hypochlorite or bleach) and a minimum of five gallons of sanitizing solution should be prepared.
ATTENTION
- Use sanitary gloves when cleaning the unit and observe all applicable safety precautions.
- DO NOT use a waterjet to clean or sanitize the unit.
- DO NOT disconnect water lines when cleaning and sanitizing syrup lines to avoid contamination.
- DO NOT use strong bleaches or detergents; these can discolor and corrode various materials.
- DO NOT use metal scrapers, sharp objects, steel wool, scouring pads, abrasives, or solvents on the dispenser.
- DO NOT use hot water above 140° F (60° C). This can damage the dispenser.
- DO NOT spill sanitizing solution on any circuit boards. Ensure all sanitizing solution is removed from the system.
- DO NOT use mechanical devices or other means to accelerate the defrosting process; other than those recommended by the manufacturer.
Cleaning Solution
Mix a mild, non-abrasive detergent (e.g. Sodium Laureth Sulfate, dish soap) with clean, potable water at a temperature of 90°F to 110°F (32°C to 43°C). The mixture ratio is one ounce of cleaner to two gallons of water. Prepare a minimum of five gallons of cleaning solution. Do not use abrasive cleaners or solvents because they can cause permanent damage to the unit. Ensure rinsing is thorough, using clean, potable water at a temperature of 90°F to 110°F. Extended lengths of product lines may require additional cleaning solution.
Cleaning and Sanitizing Nozzles
- Disconnect power, so as to not activate valve while cleaning.
- Remove nozzle by twisting counterclockwise and pulling down.
- Remove diffuser by pulling down.

- Rinse nozzle and diffuser with warm water.
- Wash nozzle and diffuser with cleaning solution then immerse in sanitizing solution and let sit for fifteen (15) minutes.
- Set nozzle and diffuser aside and let air dry. DO NOT rinse with water after sanitizing.
- Reconnect diffuser and nozzle.
- Connect power.
- Taste the drink to verify that there is no off-taste. If off-taste is found, flush syrup system again.
CAUTION
Following sanitization, rinse with end-use product until there is no aftertaste. Do not use a fresh water rinse. This is a NSF requirement. Residual sanitizing solution left in the system creates a health hazard.
Cleaning and Sanitizing Syrup Lines
- Disconnect syrup lines from BIB’s.
- Place syrup lines, with BIB connectors and any adapters, in a bucket of warm water.
- Activate each valve to fill the lines with warm water and flush out syrup remaining in the lines.
- Prepare cleaning solution as described in the Cleaning Solution section.
- Place syrup lines, with BIB connectors and any adapters, into cleaning solution.
- Activate each valve until lines are filled with cleaning solution then let stand for ten (10) minutes.
- Flush out cleaning solution from the syrup lines using clean, warm water.
- Prepare sanitizing solution as described in the Sanitizing Solution section.
- Place syrup lines into sanitizing solution and activate each valve to fill lines with sanitizer. Let sit for ten (10) minutes.
- Reconnect syrup lines to BIB’s and draw drinks to flush solution from the dispenser.
- Taste the drink to verify that there is no off-taste. If off-taste is found, flush syrup system again.
CAUTION
Following sanitization, rinse with end-use product until there is no aftertaste. Do not use a fresh water rinse. This is a NSF requirement. Residual sanitizing solution left in the system creates a health hazard.
DISPENSER TROUBLESHOOTING
| TROUBLE | CAUSE | REMEDY |
| Leakage between upper and lower bodies. | 1. Gap between upper and lower valve bodies. 2. Worn or damaged paddle arm assemblies. 3. Cracked valve bodies. | 1. Tighten all six (6) retaining screws. 2. Replace paddle arm assemblies. 3. Replace valve body. |
| Miscellaneous leakage. | 1. Gap between parts. 2. Damaged or improperly installed O-rings. | 1. Tighten appropriate retaining screws. 2. Replace or adjust appropriate O-rings |
| Insufficient water flow. | 1. Insufficient incoming supply water pressure. 2. Shutoff on mounting block not fully open. 3. Foreign debris in water flow control. 4. Foreign debris in water pump strainer. | 1. Verify incoming water supply pressure to plain and carb inlet is a minimum of 25 psi (0.172 MPa) and 55 psi (0.379 MPa) respectively. 2. Open shutoff fully. 3. Remove water flow control from upper body and clean out any foreign material to ensure smooth-free spool movement. 4. Remove water pump strainer and clean. |
| Insufficient syrup flow. | 1. Insufficient CO2 pressure to BIB pumps. 2. Out of CO2 . 3. Shutoff on mounting block not fully open. 4. Foreign debris in syrup flow control. 5. Bad syrup pump. | 1. Adjust CO2 pressure to 75 psi (0.517 MPa) [minimum 70 psi (0.480 MPa)] for BIB pumps. 2. Replace CO2 tank/refill. 3. Open shutoff fully. 4. Remove syrup flow control form upper body and clean out any foreign material to ensure smooth-free spool movement. 5. Replace BIB pump. |
| Erratic ratio. | 1. Incoming water and/or syrup supply not at minimum flowing pressure. 2. Foreign debris in water and/or syrup flow controls. | 1. Check pressure and adjust. 2. Remove flow controls from upper body and clean out any foreign material to ensure smooth-free spool movement. |
| No product dispensed. | 1. Water and syrup shutoffs on mounting block not fully open. 2. Cup lever arm or ID panel actuator on electric valve is not actuating the switch. 3. Electric current not reaching valve. 4. Improper or inadequate water or syrup supply. 5. Bad valve solenoid(s). | 1. Open shutoff fully. 2. Replace the lever, the ID panel actuator or the switch as needed. 3. Check electric current supplied to valve. If current is adequate, check solenoid coil and switch. Replace if necessary. 4. Remove valve from mounting block and open shutoffs slightly. Check water and syrup flow. If no flow, check dispenser for freeze-up or other problems. 5. Replace solenoid(s). |
| TROUBLE | CAUSE | REMEDY |
| Water only dispensed; no syrup; or syrup only dispensed, no water | 1. Water or syrup shutoff on mounting block not fully open. 2. Improper or inadequate water or syrup flow. 3. CO2 pressure too low. 4. Stalled or inoperative BIB pump. 5. Kinked line. | 1. Open shutoff fully. 2. Remove valve from mounting block, open shutoffs slightly and check water and syrup flow. If no flow, check dispenser for freeze-up or other problems. Ensure BIB connection is engaged. 3. Check the CO2 pressure to the BIB pumps to ensure it is between 70 and 80 psi (0.483 and 0.552 MPa). 4. Check CO2 pressure and/or replace pump. 5. Remove kink or replace line. |
| Valve will not shut off. | 1. Cup lever may be sticking or binding. 2. Switch not actuating freely. 3. Solenoid armature not returning to bottom position. | 1. Correct or replace lever. 2. Check switch for free actuation. 3. Replace defective armature or spring. |
| Excessive foaming. | 1. Incoming water or syrup temperature too high. 2. CO2 pressure too high. 3. Water flow rate too high. 4. Nozzle and diffuser not installed. 5. Nozzle and diffuser not clean. 6. Air in BIB lines. 7. Poor quality ice. 8. High beverage temperature. | 1. Correct prior to dispenser. Consider larger dispenser or pre-cooler. 2. Adjust CO2 pressure downward, but not less than 70 psi. 3. Readjust and reset ratio. Refer to “Adjust Water Flow Rate & Syrup/Water Ratio” Section. 4. Remove and reinstall properly. 5. Remove and clean. 6. Bleed air from BIB lines. 7. Check quality of ice used in drink. 8. Check refrigeration system. |
| Water continually over- flows from water bath into drip tray. | 1. Loose water connection(s). 2. Flare seal washer leaks. 3. Faulty water coil. | 1. Tighten water connections. 2. Replace flare seal washer. 3. Replace water coil. |
| Warm drinks. | 1. Dispenser was recently installed. 2. Restricted airflow. 3. Dispenser connected to hot water supply. 4. Condenser fan motor not working. 5. Dirty condenser, air vents clogged. 6. Dispenser capacity exceeded. | 1. It may take up to 5 hours after install to reach the desired temperature. 2. Check clearances around sides, top, and inlet of unit. Remove objects blocking airflow through grill. 3. Switch to cold water supply. 4. Replace condenser fan motor. 5.Clean condenser and air vents of any blockage. 6.Add pre-cooler or replace with larger dispenser. |
| Unit will not start. | 1. Compressor startup delay. 2. Motor timed out. | 1.When starting unit or if current is interrupted, there is a 5 minute delay before the compres- sor/fan starts. 2. There is a 3 minute protection timer on the carbonator level sensor. If the motor has timed out, check water supply and reset by momen- tarily disconnecting power. |
| TROUBLE | CAUSE | REMEDY |
| BIB pump does not operate when dispensing valve is opened. | 1. Out of CO2, CO2 not turned on, or low CO2 pressure. 2. Out of syrup. 3. BIB connector not tight. 4. Kinks in syrup or gas lines. | 1. Replace CO2 supply, turn on CO2 sup- ply, or adjust CO2 pressure to 70-80 PSI (0.483-0.552 MPA). 2. Replace syrup supply. 3. Fasten connector tightly. 4. Straighten or replace lines. |
| BIB pump operating, but no flow. | 1. Leak in syrup inlet or outlet line. 2. Defective BIB pump. | 1. Replace line. 2. Replace BIB pump. |
| BIB pump continues to operate when bag is empty. | 1. Leak in suction line. 2. Leaking O-ring on pump inlet fitting. 3. Defective syrup BIB pump. | 1. Check BIB connector, if still leaking then replace line. 2. Replace O-ring 3. Replace defective pump. |
| BIB pump fails to restart after bag replacement. | 1. BIB connector not on tightly. 2. BIB connector is stopped up. 3. Kinks in syrup line. | 1. Tighten BIB connector. 2. Clean out or replace BIB connector. 3. Straighten or replace line. |
| BIB pump fails to stop when dispensing valve is closed. | 1. Leak in discharge line or fittings. 2.Empty BIB. 3. Air leak on inlet line or bag connector. | 1. Repair or replace discharge line. 2. Replace BIB. 3. Repair or replace. |
| Low or no carbonation. | 1. Low or no CO2. 2. Low water pressure. 3.Worn or defective carbonator pump. 4.Backflow preventer not allowing water to flow. 5. Probe malfunctioning. 6. PCB malfunctioning. | 1. Check CO2 supply. Adjust CO2 pressure to 70 PSI (0.483 MPA). 2. Need water booster kit. 3. Replace carbonator pump. 4. Replace backflow preventer, noting the flow direction arrow from pump to cold- plate. 5. Replace probe. 6. Replace PCB. |
Dispenser Disp
The unit’s R290 refrigerant and foam materials are combustible materials and discarded units should be isolated from fire sources and can not be burned. To prevent possible harm to the environment from improper disposal, recycle the unit by locating an authorized recycler or contact the retailer where the product was purchased. Comply with local regulations regarding disposal of the refrigerant and insulation.
WIRING/PLUMBING DIAGRAMS
Wiring Diagram

Plumbing Diagram

Lancer Worldwide
800-729-1500
Technical Support/Warranty: 800-729-1550
[email protected]
lancerworldwide.com




































