
CED-400 R-290
Operation Manual
Model 400
ABOUT THIS MANUAL
This booklet is an integral and essential part of the product and should be handed over to the operator after the installation for future reference. Please read carefully the guidelines and warnings contained herein as they are intended to provide the user with essential information for the continued safe use and maintenance of the product. In addition, it provides GUIDANCE ONLY to the user on the correct services and site location of the unit.
BEFORE GETTING STARTED
Each unit is tested under operating conditions and is thoroughly inspected before shipment. At the time of shipment, the carrier accepts responsibility for the unit.
Upon receiving the unit, carefully inspect the carton for visible damage. If damage exists, have the carrier note the damage on the freight bill and file a claim with carrier. Responsibility for damage to the dispenser lies with the carrier.
The installation or relocation of this product must be carried out by qualified personnel with up-to-date safety and hygiene knowledge and practical experience, in accordance with current regulations.
IMPORTANT SAFETY INSTRUCTIONS
READ ALL SAFETY INSTRUCTIONS BEFORE USING THIS UNIT.
This manual contains important safety information and all applicable safety precautions must be observed. To reduce the risk of fire, electric shock, damage to the equipment or personal injury when using this unit all instuctions/warnings on the product being used must be followed:
WARNING
Text following the Warning signal indicates a hazardous situation, which if not avoided, will result in death or serious injury. Be sure to read all Warning statements before proceeding with the installation.
CAUTION
Text following the Caution signal indicates a hazardous situation, which if not avoided, could result in minor or moderate injury. Be sure to read the Caution statements before proceeding with the installation.
ATTENTION
Text following the Attention signal addresses a situation that if not followed could potentially damage the equipment. Be sure to read the Attention statements before proceeding.
NOTE
Text following the Note signal provides you with information that may help you more effectively perform the installation procedures within this manual. Disregarding information will not cause damage or injury, however it may limit the performance of the dispenser.
Flammable Material Warning Symbol
When used in manual, it is to warn against possible ignition of flammable material if proper care is not taken. In order to reduce flammability hazards, the installation and servicing of this appliance must be only carried out by a suitably qualified person. Disposal requires transfer to authorized recycler for processing to avoid damages to the nvironment or other hazards.
R290 Refrigerant Warning
This system uses a flammable refrigerant under pressure. Do not tamper with it. Keep clear of obstruction all ventilation openings in the appliance enclosure. Do not use mechanical devices or other means to accelerate the defrosting process, other than those recommended by the manufacturer. Do not damage the refrigerating circuit. Contact qualified service personnel before disposal. In order to minimize the risk of possible ignition due to incorrect parts or improper service, only factory authorized personnel should perform service on the appliance and its component parts. Do not store explosive substances such as aerosol cans with a flammable propellant in this appliance. Replace component parts with like components. Only use genuine Lancer parts or parts certified by Lancer.
Intended Use
The dispenser is for indoor use only. This unit is not a toy. Children should be supervised not to play with appliance. It should not be used by children or infirm persons without supervision. This appliance can be used by children aged from 8 years and above and persons with reduced physical, sensory or mental capabilities or lack of experience and knowledge if they have been given supervision or instruction concerning use of the appliance in a safe way and understand the hazards involved. Cleaning and user maintenance shall not be performed by children without supervision. The min/max ambient operating temperature for the dispenser is 64°F to 100°F (18°C to 38°C) at a max altitude of 16,400 ft (5,000 m). Do not operate unit outside these conditions. Should freezing occur, cease operation of the unit and contact authorized service technician. Service, cleaning, and sanitizing should be accomplished only by trained personnel. During installation, old hose-sets should not be reused to connect the unit to the water mains; new hose-sets should always be used. Applicable safety precautions must be observed. Instruction warnings on the product being used must be followed.
Electrical Warning
Check the dispenser name plate label, located behind the splash plate, for the correct electrical requirements of unit. Do not plug into a wall electrical outlet unless the current shown on the serial number plate agrees with local current available. Follow all local electrical codes when making connections. Each dispenser must have a separate electrical circuit. Do not use extension cords with this unit. Do not ‘gang’ together with other electrical devices on the same outlet. Do not locate multiple portable socket- outlets or portable power supplies at the rear of the appliance. The key-switch does not disable the line voltage to the transformer primary. Always disconnect electrical power to the unit to prevent personal injury before attempting any internal maintenance. The resettable breaker switch should not be used as a substitute for unplugging the dispenser from the power source to service the unit. Only qualified personnel should service internal components of electrical control housing. Make sure that all water lines are tight and units are dry before making any electrical connections!
Carbon Dioxide Warning (CO2 )
- Carbon Dioxide (CO2 ) is a colorless, noncombustible gas with a light pungent odor. High percentages of CO2 may displace oxygen in the blood.
- Prolonged exposure to CO2 can be harmful. Personnel exposed to high concentrations of CO2 gas will experience tremors which are followed by a loss of consciousness and suffocation.
- If a CO2 gas leak is suspected, immediately ventilate the contaminated area before attempting to repair the leak.
- Strict attention must be observed in the prevention of CO2 gas leaks in the entire CO2 and soft drink system.
Water Notice
Provide an adequate potable water supply. Water pipe connections and fixtures directly connected to a potable water supply must be sized, installed, and maintained according to federal, state, and local laws. The water supply to the carbonator must be at least a 3/8 inches (9.525 mm) pipe with a minimum of 25 psi (0.172 MPa) line pressure, but not exceeding a maximum of 50 psi (0.345 MPa). Water pressure exceeding 50 psi (0.345 MPa) must be reduced to 50 psi (0.345 MPa) with pressure regulator. The water supply to non-carb drinks must be a minimum of 55 psi (0.379 MPa), using a water booster if needed. Use a filter in the water line to avoid equipment damage and beverage off-taste. Check the water filter periodically, as required by local conditions. The water supply must be protected by means of an air gap, a backflow prevention device or another pproved method to comply with NSF standards. A leaking inlet water check valve will allow carbonated water to flow back through the pump when it is shut off and contaminate the water supply. Ensure the backflow prevention device complies with ASSE and local standards. It is the responsibility of the installer to ensure compliance.
SPECIFICATIONS AND FEATURES
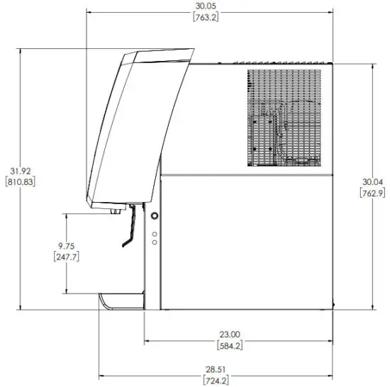
| CED 400 DIMENSIONS Width: 10.83 inches (275 mm) Depth: 28.51 inches (724 mm) Height: 30.04 inches (763 mm) | ELECTRICAL 115 VAC, 60 Hz, 12.0 Amps 220-240 VAC, 50 Hz, 6.0 Amps 220-240 VAC, 60 Hz, 6.0 Amps | FITTINGS Water for Carb Inlet: 3/8 inch barb Plain Water Inlet: 3/8 inch barb Brand Syrup Inlets: 1/4 inch barb CO2 Inlet: 1/4 inch barb |
| WEIGHT Shipping: 154 lbs (69.9 kg) Empty: 121 lbs (54.9 kg) Operating: 171 lbs (77.6 kg) Ice Bath: 50 lbs (22.7 kg) | CARBON DIOXIDE (CO2 ) SUPPLY Min Pressure: 70 psi (0.483 MPa) Max Pressure: 80 psi (0.552 MPa) | WATER SUPPLY TO CARBONATOR Min Flowing Pressure: 25 psi (0.172 MPa) Max Flowing Pressure: 50 psi (0.345 MPa) |
WATER SUPPLY TO NON-CARB DRINKS
Min Flowing Pressure: 55 psi (0.379 MPa)
Max Flowing Pressure: 120 psi (0.827 MPa)

Max Altitude: 16,400 ft (5,000 m)
This unit emits a sound pressure level below 70 dB
Ice Probe

NOTE
The wiring on the probe is reversed and specific only to the CED 400. Do not use any probe other than PN 52-4283 on this unit.
Agitator Motor
NOTE To conserve energy, the agitator does not run a 100% duty cycle. The agitator runs when any valve is activated. The agitator will also run when the carbonator pump runs. The agitator will pulse every few minutes during unit idle states. The run time for the agitator motor is approximately 10 seconds.
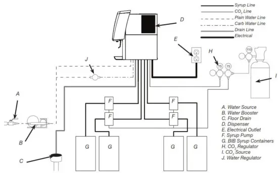
General System Overview – Remote Syrup Pumps

PRE-INSTALLATION CHECKLIST
TOOLS REQUIRED:
- Oetiker Pliers
- Tubing Cutters
- Wrench
- Slotted Screwdriver
- Phillips Screwdriver
- Drill
BAG-IN-BOX (BIB) SYSTEM:
- BIB Rack
- BIB Syrup Boxes
- BIB Regulator Set
- BIB Connectors
POST MIX ACCESSORIES:
- High-Pressure CO2 Regulator
- Low-Pressure CO2 Regulator Manifold
- CO2 Supply
- Chain for CO2 Tank
- Beverage Dispenser
- Beverage Tubing
- Oetiker Clamp Fittings
- Water Booster (Lancer PN: MC-163172)
- Water Regulator
CONSIDER THE FOLLOWING BEFORE INSTALLATION:
- Location of Water Supply Lines
- Location of Drain
- Location of Electrical Outlet
- Location of Heating and Air Conditioning Ducts
- Do you have enough space to install the dispenser?
- Is it countertop level?
- Can the countertop support the weight of the dispenser? (Include the weight of an ice machine plus the weight of ice, if necessary)
- Is the dispenser located away from direct sunlight or overhead lighting?
Read This Manual
This manual was developed by Lancer Worldwide as a reference guide for the owner/operator and installer of this dispenser. Please read this manual before the installation and operation of this dispenser. Please see pages 19-21 for troubleshooting or service assistance. If the service cannot be corrected please call your Service Agent or Lancer Customer Service. Always have your model and serial number available when you call.
INSTALLATION
Unpacking the Dispenser
- Cut package banding straps and remove.
- Open the box and remove the parts tray.
- Close the lid, then remove using the handle cutouts.
- Remove accessory kit and loose parts.
NOTE Inspect unit for concealed damage. If evident, notify delivering carrier and file a claim against the same.
WARNING Never energize the machine if there is any trace of damage. Contact Lancer Customer Service for assistance. - Remove plywood shipping base from unit by moving unit so that one side is off the countertop or table allowing access to screws on the bottom of the plywood shipping base.
NOTE If unit is to be transported, it is advisable to leave the unit secured to the plywood shipping base. - If leg kit has been provided, assemble legs by tilting the unit.
ATTENTION
DO NOT LAY THE UNIT ON ITS SIDE OR BACK.
Selecting/Preparing a Counter Location
NOTE The dispenser should only be installed in a location where it can be overseen by trained personnel.
- Select a location that is in close proximity to a properly grounded electrical outlet, within five (5) feet (1.5 m) of a drain, and a water supply that meets the requirements shown in the Specifications section found on page 5.
WARNING
When positioning the appliance, ensure the supply cord is not trapped or damaged. - Select a location for the syrup pumps, CO2 tank, syrup containers, and water filter (recommended).
- Condenser air is drawn in from the top front and vents located on the bonnet and discharged out the rear top of the bonnet. A minimum of eight (8) inches (203 mm) of
clearance must be maintained over the top of the unit to provide for proper airflow and circulation.
WARNING
Keep ventilation openings in the appliance enclosure or in the built-in structure clear of obstruction. Failure to maintain specified clearance will cause the compressor to overheat and will result in compressor failure. - Cut the necessary holes in the countertop for mounting in the designated dispenser location.
Leveling the Dispenser
In order to facilitate proper dispenser drainage, ensure that the dispenser is level, front to back and side to side. Place a level on the top of the rear edge of the dispenser. The bubble must settle between the level lines. Repeat this procedure for the remaining three sides. Adjust as necessary. For optimum performance place the unit at a 0° tilt. The maximum tilt is 5°.
Dispenser Installation
NOTE
The installation or relocation must be carried out by qualified personnel with up-to-date knowledge and practical experience in accordance with current regulations.
- The dispenser is designed to be installed either permanently to a counter or placed on a counter using the legs (included in the Lancer kit, PN 82-1704).
NOTE
NSF-listed units must be sealed to the counter or use the legs provided. - When the dispenser is to be permanently bolted to the countertop, the dispenser base must be sealed to the countertop with a bead of silicone caulk or sealant which provides a smooth and easily cleanable bond to the counter.
- Once the dispenser is installed to the counter or placed on the counter using legs provided, remove the cup rest and splash plate.
- Remove the merchandiser by removing the two (2) top screws and two (2) bottom screws.
- Remove the bonnet by removing the two (2) front screws.

- Route power cord up the front of the unit for connection.
- Connect the drain tube to the drain fitting located on the bottom of the drip tray and secure the drain tube with a clamp.
- Route the drain line to a designated floor drain.
- Route appropriate tubing from the syrup pump location to the syrup inlets located behind the splash plate. Connect the tubing to inlets using the Oetiker pliers and clamps. Repeat for all syrup connections.

- Connect plain water tubing to the water pump.
- Route appropriate tubing from the water source to the carbonator pump inlet at the unit. Route up the left side of the unit to ensure space for the key switch.
- Connect the tubing to the water source using Oetiker pliers and clamps.
ATTENTION – critical for performance Carefully read this before filling the water bath tank. In order to optimize the maximum performance of the dispenser, the following MUST be adhered to: - Fill a large bucket with approx. 5.4 gallons (20.4 L) of distilled water.
ATTENTION For proper function of the electronic ice bank controls the total dissolved solids (TDS) measurements should be 100-500 ppm. - Add 1/8 oz (4 g) of baking soda to distilled water and stir.

- Remove yellow cap from fill hole and insert a funnel into the fill hole.
- Carefully pour the distilled water mixture into the water bath tank until water flows out of the overflow tube at the front of the unit. Then replace the yellow cap.
ATTENTION
The water bath compartment must be filled with water before connecting the unit, otherwise, the compressor fan may not operate properly. DO NOT use Reverse Osmosis (RO) or purified water.
NOTE
Make sure the overflow tube is not covered to allow water from the water bath tank to escape as needed. - Using tubing cutters, cut the water supply line and install a “U” fitting, (PN 01-2128/01).

- Route appropriate tubing from the plain water inlet, located at the front of the unit, to one side of the “U” fitting at the water supply and connect tubing to the inlet.

- Route appropriate tubing from the carbonator pump inlet to the open “U” fitting at the water supply then connect tubing to the carb water inlet using a flare seal washer (PN 05-0017). Use a backup wrench to prevent damage to the carbonator pump.
NOTE If the water source is above 50 psi (0.345 MPa), cut tubing assembly and install Water Regulator Kit (PN 18-0253/02, sold separately) as shown in kit instruction sheet. - Route appropriate tubing from the CO2 supply to the CO2 inlet and connect tubing to it.

- Feed all tubing, power cord, and drain line through the back of the unit. If using 3/8” tubing, place reduction point behind unit.
- Turn on the water supply and check for leaks.
- Plug in the unit to a grounded electrical outlet to power on and begin building an ice bank.
WARNING Never energize the machine if there is any trace of damage. Contact Lancer Customer Service for assistance.
Installing Remote Syrup Pumps – Bag In Box
- Install BIB rack and remote pumps according to manufacturers’ instructions.
- Once pumps and BIB rack are installed, measure and cut tubing to length between the pump CO2 inlets, then connect tubing to all pumps.

- Using tubing cutters, cut the CO2 supply line to the syrup pumps and install tee fitting. Then, route the appropriate tubing from the tee fitting to the syrup pumps and to the unit.

- Connect tubing from the dispenser syrup inlet to the syrup pump outlet fitting. Repeat for each syrup line/pump.

- Install BIB connectors onto the syrup pump inlet tubing.
ATTENTION
Use proper connector for syrup manufacturer.
- Connect syrup BIBs to connectors. Repeat for each syrup line/pump.

Installing CO2 Supply
- Connect high-pressure CO2 regulator assembly to CO2 cylinder or bulk system.
ATTENTION Before installing the regulator, ensure that a seal (washer or O-ring) is present in the regulator attachment nut.
- Connect a 1/4” nut, and 1/4” stem, and seal to the CO2 regulator outlet.

- Route appropriate tubing from the low-pressure CO2 regulator manifold location to the 1/4” nut, 1/4” stem on the high-pressure CO2 regulator attached to the source, and connect tubing.

ATTENTION
A dedicated CO2 regulator is required to supply the CO2 inlet at the unit as well as to all remote syrup pumps. - Connect tubing routed from the CO2 inlet at the unit to one of the low-pressure CO2 regulator manifold outlets.
- Connect tubing routed from the syrup pump location to the second outlet of the low-pressure CO2 regulator manifold.

- Using a wrench, loosen the lock nut on the regulator adjustment screw of the high-pressure CO2 regulator connected to the source, then using a screwdriver back out lock nut screw all the way.
WARNING
DO NOT TURN ON THE CO2 SUPPLY AT THIS TIME.
- Repeat Step 6 for both low-pressure CO2 regulators on the regulator manifold routed to the unit and the syrup pumps.
Dispenser Setup
- Purge water to fill the carbonator tank by opening the carbonator relief valve. Close relief valve once the water comes out.

- Activate each valve until a steady flow of water is achieved.
- Turn the power off.
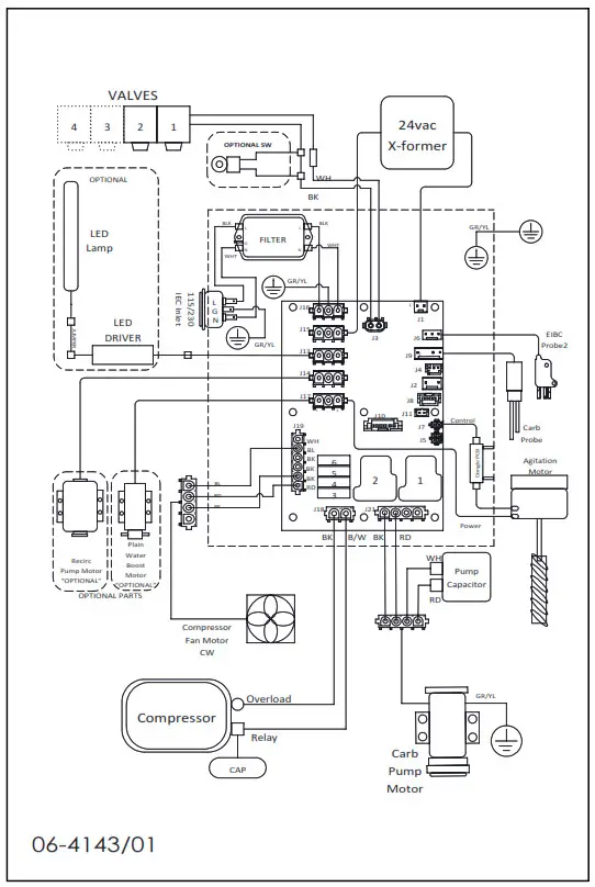
- Unplug the Pump Motor Connector from the control box. Use the wiring diagram either on the unit control box or in the back of this manual for reference.
ATTENTION
Failure to disconnect the motor power supply will damage the carbonator motor, the pump and void the warranty. - Turn power on.
- Turn on CO2 at the source. Using a screwdriver, adjust the high-pressure regulator at the source to 110 psi (0.758 MPa), then tighten the locknut with a wrench.

- Adjust both of the low-pressure regulators on the regulator manifold to 75 psi (0.517 MPa) then tighten the locknut with a wrench.
- Turn syrup off at the back block.
- Activate each valve until gas-out is achieved.
- Turn the power off.
- Plug the Pump Motor Connector back into the control box.
- Turn the power on.
NOTE
The pump Motor will run for a few seconds to fill the carbonator tank. - Activate each valve until the carbonator pump comes on. Release the button, allow the carbonator to fill, and stop. Repeat this process until a steady flow of carbonated water is achieved.
Adjust Water Flow Rate & Syrup/Water Ratio
NOTE
Do not set flow rates or dispense from the unit until a complete ice bank is established.
- Using a Lancer Brix cup verify the water flow rate (5 oz. in 4 sec.). Use a screwdriver to adjust if needed.

- Remove nozzle by twisting counterclockwise and pulling down, then remove diffuser by pulling down.
- Install Lancer (yellow) syrup separator (PN 54-0031/04) in place of the nozzle.

- Reopen syrup shut-off at the mounting block.
- Activate the valve to purge syrup until the steady flow is achieved.
- Using a Lancer Brix cup, activate the valve and capture a sample. Verify that the syrup level is even with the water level. Use a screwdriver to adjust if needed.

- Repeat process for each valve.
- Reinstall the merchandiser, splash plate, cup rest, and drip tray then reattach the bonnet using the top bonnet screw.
CLEANING AND SANITIZING
General Information
GENERAL INFORMATION
Lancer equipment is shipped from the factory after being cleaned and sanitized in accordance with the National Sanitation Foundation (NSF) guidelines. The operator of the equipment must provide continuous maintenance as required by this manual and/or state and local health department guidelines to ensure proper operation and sanitation requirements are maintained.
The cleaning procedures provided herein pertain to the Lancer equipment identified by this manual. If other equipment is being cleaned, follow the guidelines established by the manufacturer for that equipment. Cleaning should be accomplished only by trained personnel. Sanitary gloves are to be used during cleaning operations. Applicable safety precautions must be observed. Instruction warnings on the product being used must be followed.
ATTENTION
- Use sanitary gloves when cleaning the unit and observe all applicable safety precautions.
- DO NOT use a waterjet to clean or sanitize the unit.
- DO NOT disconnect water lines when cleaning and sanitizing syrup lines to avoid contamination.
- DO NOT use strong bleaches or detergents; these can discolor and corrode various materials.
- DO NOT use metal scrapers, sharp objects, steel wool, scouring pads, abrasives, or solvents on the dispenser.
- DO NOT use hot water above 140° F (60° C). This can damage the dispenser.
- DO NOT spill sanitizing solution on any circuit boards. Ensure all sanitizing solution is removed from the system.
- DO NOT use mechanical devices or other means to accelerate the defrosting process; other than those recommended by the manufacturer.
Cleaning and Sanitizing Solutions
Cleaning Solution
Mix a mild, non-abrasive detergent (e.g. Sodium Laureth Sulfate, dish soap) with clean, potable water at a temperature of 90°F to 110°F (32°C to 43°C). The mixture ratio is one ounce of cleaner to two gallons of water. Prepare a minimum of five gallons of cleaning solution. Do not use abrasive cleaners or solvents because they can cause permanent damage to the unit. Ensure rinsing is thorough using clean, potable water at a temperature of 90°F to 110°F. Extended lengths of product lines may require additional cleaning solutions.
Sanitizing Solution
Prepare the sanitizing solution in accordance with the manufacturer’s written recommendations and safety guidelines. The type and concentration of sanitizing agent recommended in the instructions by the manufacturer shall comply with 40 CFR §180.940. The solution must provide 100 parts per million (ppm) chlorine (e.g. Sodium Hypochlorite or bleach) and a minimum of five gallons of sanitizing solution should be prepared.
Other Supplies Needed:
- Clean cloth towels
- Bucket
- Extra nozzle
- Sanitary gloves
- A small brush (PN 22-0017)
Daily Cleaning
- Using the cleaning solution, clean the top cover, and all exterior stainless steel surfaces.
- Clean exterior of dispensing valves and ice chute.
- Remove cup rest then clean the drip tray and cup rest. Replace cup rest and drip tray when finished.
- Wipe clean all splash areas using a damp cloth soaked in the cleaning solution.
- Clean beverage valves as specified by the section “Cleaning and Sanitizing Nozzles” on page 18.
Scheduled Maintenance & Cleaning
| As Needed | Keep exterior surfaces of the dispenser clean (including drip tray and cup rest) using a clean, damp cloth. |
| Daily | Remove each nozzle and diffuser and rinse well in warm water. DO NOT use soap or detergent. This will cause foaming and off-taste in the finished product. Remove cup rest and wash in warm soapy water. Pour warm soapy water into the drip tray and wipe with a clean cloth. With a clean cloth and warm water, wipe off all of the unit’s exterior surfaces. DO NOT USE ABRASIVE SOAPS OR STRONG DETERGENTS. Reinstall the cup rest, diffusers, and valve nozzles. |
| Weekly | Taste each product for off-tastes. Remove the unit’s bonnet and check the level of water in the water bath. Replenish as required and reinstall the bonnet. |
| Monthly | Unplug the dispenser from the power source. Remove the bonnet and clean the dirt from the condenser air filter using a soft brush. Reinstall the bonnet and plug in the unit. |
| Every Six Months | Clean and sanitize the unit using the appropriate procedures outlined in the Cleaning and Sanitizing section of this manual. |
| Yearly | Clean the water bath interior, including evaporator coils and refrigeration components. Clean the entire exterior of the unit. |
Cleaning and Sanitizing Nozzles
- Disconnect power, so as to not activate the valve while cleaning.
- Remove nozzle by twisting counterclockwise and pulling down.
- Remove the diffuser by pulling it down.

- Rinse nozzle and diffuser with warm water.
- Wash nozzle and diffuser with a cleaning solution then immerse in sanitizing solution and let sit for fifteen (15) minutes.
- Set nozzle and diffuser aside and let air dry. DO NOT rinse with water after sanitizing.
- Reconnect diffuser and nozzle.
- Connect power.
- Taste the drink to verify that there is no off-taste. If off-taste is found, flush the syrup system again.
CAUTION
Following sanitization, rinse with the end-use product until there is no aftertaste. Do not use a freshwater rinse. This is an NSF requirement. Residual sanitizing solution left in the system creates a health hazard.
Cleaning and Sanitizing Syrup Lines – Bag in Box
- Disconnect syrup lines from bibs.
- Place syrup lines, with BIB connectors and any adapters, in a bucket of warm water.
- Activate each valve to fill the lines with warm water and flush out syrup remaining in the lines.
- Prepare cleaning solution as described in the Cleaning and Sanitizing Solutions section.
- Place syrup lines, with BIB connectors and any adapters, into the cleaning solution.
- Activate each valve until lines are filled with a cleaning solution then let stand for ten (10) minutes.
- Flush out the cleaning solution from the syrup lines using clean, warm water.
- Prepare sanitizing solution as described in the Cleaning and Sanitizing Solutions section.
- Place syrup lines into sanitizing solution and activate each valve to fill lines with sanitizer. Let sit for ten (10) minutes.
- Reconnect syrup lines to BIBs and draw drinks to flush the solution from the dispenser.
- Taste the drink to verify that there is no off-taste. If off-taste is found, flush the syrup system again.
CAUTION
Following sanitization, rinse with the end-use product until there is no aftertaste. Do not use a freshwater rinse. This is an NSF requirement. Residual sanitizing solution left in the system creates a health hazard.
TROUBLESHOOTING
| TROUBLE | CAUSE | REMEDY |
| Leakage between upper and lower bodies. | 1. Gap between upper and lower valve bodies. 2. Worn or damaged paddle arm assemblies. 3. Cracked valve bodies. | 1. Tighten all six (6) retaining screws. 2. Replace paddle arm assemblies. 3. Replace valve body. |
| Miscellaneous leakage. | 1. Gap between parts. 2. Damaged or improperly installed O-rings | 1. Tighten appropriate retaining screws. 2. Replace or adjust appropriate O-rings |
| Insufficient water flow. | 1. Insufficient incoming supply water pressure. 2. Shutoff on mounting block not fully open. 3. Foreign debris in water flow control. 4. Foreign debris in the water pump strainer. | 1. Verify incoming water supply pressure to plain and carb inlet is a minimum of 25 psi (0.172 MPa) and 55 psi (0.379 MPa) respectively. 2. Open shutoff fully. 3. Remove water flow control from the upper body and clean out any foreign material to ensure smooth-free spool movement. 4. Remove the water pump strainer and clean. |
| Insufficient syrup flow. | 1. Insufficient CO2 pressure to BIB pumps. 2. Out of CO2. 3. Shutoff on mounting block not fully open. 4. Foreign debris in syrup flow control. 5. Bad syrup pump. | 1. Adjust CO2 pressure to 75 psi (0.517 MPa) [minimum 70 psi (0.480 MPa)] for BIB pumps. 2. Replace CO2 tank/refill. 3. Open shutoff fully. 4. Remove syrup flow control from the upper body and clean out any foreign material to ensure smooth-free spool movement. 5. Replace the BIB pump. |
| Erratic ratio. | 1. Incoming water and/or syrup supply not at minimum flowing pressure. 2. Foreign debris in water and/or syrup flow controls. | 1. Check the pressure and adjust. 2. Remove flow controls from the upper body and clean out any foreign material to ensure smooth-free spool movement. |
| No product dispensed | 1. Water and syrup shutoffs on the mounting block not fully open. 2. Cup lever arm or ID panel actuator on electric valve is not actuating the switch. 3. Electric current not reaching valve. 4. Improper or inadequate water or syrup supply. 5. Bad valve solenoid(s). | 1. Open shutoff fully. 2. Replace the lever, the ID panel actuator or the switch as needed. 3. Check electric current supplied to valve. If the current is adequate, check the solenoid coil and switch. Replace if necessary. 4. Remove valve from mounting block and open shutoffs slightly. Check water and syrup flow. If no flow, check the dispenser for freeze-up or other problems. 5. Replace solenoid(s). |
| Water only dispensed (no syrup); or syrup only dispensed (no water). | 1. Water or syrup shutoff on mounting block not fully open. 2. Improper or inadequate water or syrup flow. 3. CO2 pressure too low. 4. Stalled or inoperative BIB pump. 5. Kinked line. | 1. Open shutoff fully. 2. Remove valve from mounting block, open shutoffs slightly, and check water and syrup flow. If no flow, check the dispenser for freeze-up or other problems. Ensure the BIB connection is engaged. 3. Check the CO2 pressure to the BIB pumps to ensure it is between 70 and 80 psi (0.483 and 0.552 MPa). 4. Check CO2 pressure and/or replace the pump. 5. Remove the kink or replace the line. |
| Valve will not shut off. | 1. Cup lever may be sticking or binding. 2. Switch not actuating freely. 3. Solenoid armature not returning to the bottom position. | 1. Correct or replace the lever. 2. Check switch for free actuation. 3. Replace defective armature or spring. |
| Excessive foaming. | 1. Incoming water or syrup temperature too high 2. CO2 pressure too high. 3. Water flow rate too high. 4. Nozzle and diffuser not installed. 5. Nozzle and diffuser not clean. 6. Air in BIB lines. 7. Poor quality ice. 8. High beverage temperature. | 1. Correct prior to the dispenser. Consider a larger dispenser or precooler. 2. Adjust CO2 pressure downward, but not less than 70 psi (0.483 Mpa). 3. Readjust and reset ratio. Refer to the “Adjust Water Flow Rate & Syrup/Water Ratio” Section. 4. Remove and reinstall properly. 5. Remove and clean. 6. Bleed air from BIB lines. 7. Check the quality of ice used in the drink. 8. Check the refrigeration system. |
| Water continually overflows from water bath into drip tray. | 1. Loose water connection(s). 2. Flare seal washer leaks. 3. Faulty water coil. | 1. Tighten water connections. 2. Replace flare seal washer. 3. Replace the water coil. |
| Warm drinks. | 1. Dispenser was recently installed. 2. Restricted airflow. 3. Dispenser connected to hot water supply. 4. Condenser fan motor not working. 5. Dirty condenser, air vents clogged. 6. Dispenser capacity exceeded. | 1. It may take up to 5 hours after installation to reach the desired temperature. 2. Check clearances around the sides, top, and inlet of the unit. Remove objects blocking airflow through the grill. 3. Switch to the cold water supply. 4. Replace the condenser fan motor. 5. Clean condenser and air vents of any blockage. 6. Add precooler or replace with larger dispenser. |
| Unit will not start. | 1. Compressor startup delay. 2. Motor timed out. | 1. When starting the unit or if the current is interrupted, there is a 5-minute delay before the compressor/fan starts. 2. There is a 3-minute protection timer on the carbonator level sensor. If the motor has timed out, check the water supply and reset by momentarily disconnecting power. |
| BIB pump does not operate when dispensing valve is opened. | 1. Out of CO2, CO2 not turned on, or low CO2 pressure. 2. Out of syrup. 3. BIB connector is not tight. 4. Kinks in syrup or gas lines. | 1. Replace CO2 supply, turn on CO2 supply, or adjust CO2 pressure to 70-80 PSI (0.483-0.552 MPA). 2. Replace syrup supply. 3. Fasten the connector tightly. 4. Straighten or replace lines. |
| BIB pump operating, but no flow. | 1. Leak in syrup inlet or outlet line. 2. Defective BIB pump. | 1. Replace line. 2. Replace the BIB pump. |
| BIB pump continues to operate when bag is empty. | 1. Leak in the suction line. 2. Leaking O-ring on pump inlet fitting. 3. Defective syrup BIB pump. | 1. Check the BIB connector, if still leaking then replace the line. 2. Replace O-ring 3. Replace defective pump. |
| BIB pump fails to restart after bag replacement. | 1. BIB connector not on tightly. 2. BIB connector is stopped up. 3. Kinks in syrup line. | 1. Tighten the BIB connector. 2. Clean out or replace the BIB connector. 3. Straighten or replace the line. |
| BIB pump fails to stop when dispensing valve is closed. | 1. Leak in discharge line or fittings. 2. Empty BIB. 3. Air leak on inlet line or bag connector. | 1. Repair or replace the discharge line. 2. Replace BIB. 3. Repair or replace. |
| Low or no carbonation. | 1. Low or no CO2. 2. Low water pressure. 3. Worn or defective carbonator pump. 4. Backflow preventer not allowing water to flow. 5. Probe malfunctioning. 6. PCB malfunctioning. | 1. Check the CO2 supply. Adjust CO2 pressure to 70 PSI (0.483 MPA). 2. Need a water booster kit. 3. Replace the carbonator pump. 4. Replace the backflow preventer, noting the flow direction arrow from pump to coil. 5. Replace probe. 6. Replace PCB. |
Dispenser Disposal
The unit’s R290 refrigerant and foam materials are combustible materials and discarded units should be isolated from fire sources and cannot be burned. To prevent possible harm to the environment from improper disposal, recycle the unit by locating an authorized recycler or contacting the retailer where the product was purchased. Comply with local regulations regarding disposal of the refrigerant and insulation.
ILLUSTRATIONS AND PART LISTINGS
Main Unit Assembly, CED 400

Main Unit Assembly, CED 400
| Item | Part No. | Description |
| 10 20 30 40 50 60 * 70 80 | 05-4271 05-4270 30-16489 12-0667 05-4304 05-4305 52-4283 17-0469 | DRIP TRAY, CED 400 CUP REST, CED 400 SPLASH PLATE, CED 400 LED,LIGHT BAR,12”,3W,4000K,24VDC LENS, CLEAR, BRAND, MERCHANDISER DIFFUSER,FROSTED,BRAND,MERCHANDISER PROBE ASSEMBLY, EIBC, CED 400 FITTING ASSEMBLY, CO2 IN, FLARE, CED |
*52-4283 probe assembly is only compatible with the CED 400
Refrigeration Deck Assembly, CED 400
| Item | Part No. | Description |
| 10 | 52-4238 | LED DRIVER ASSEMBLY,16W,CED 400 |
| 20 | 82-6790 | DECK ASSEMBLY,REFRIG,R290,230V,50HZ,CED 400 |
| – | 82-6804 | DECK ASSEMBLY,REFRIG,R290,220V,60HZ |
| – | 82-6805 | DECK ASSEMBLY,REFRIG,R290,115V,60HZ |
| 30 | 23-2058 | AIR FILTER ASSEMBLY,CED 400 |
| * 40 | 82-6990 | AGITATOR ASSEMBLY,EM&S,220-240V,CED 400 |
| – | 82-6989 | AGITATOR ASSEMBLY,115V |
| 50 | 82-6791 | FAN ASSEMBLY,220-240VAC/50HZ,CED 400 |
| – | 82-6806 | FAN ASSEMBLY,115VAC/60HZ |
| 60 | 25-0120 | TRANSFORMER,240VAC,230VAC,24VAC,72VA,3A,IP68 |
| – | 25 – 0119 | TR ANSFORMER,110V, 24V |
| 70 | 26-0377/01 | CAPACITOR,CARB MTR,20 MFD,370VAC, CED 400 230V |
| – | 26-0374/01 | CAPACITOR, CARB MTR, CED 400 115V |
| – | 12-1043 | RELAY, COMP, CED 400 230V |
| – | 12-1006 | RELAY, COMP, CED 400 220V 50/60HZ |
| – | 12-1000 | RELAY, COMP, CED 400 115V |
| – | 12-1061 | OVERLOAD, CED 400 230V |
| – | 12-1008 | OVERLOAD, CED 400 220V 50/60HZ |
| – | 12-1001 | OVERLOAD, CED 400 115V |
| – | 12-1042 | CAPACITOR, START COMP, CED 400 230V |
| – | 12-1007 | CAPACITOR, START COMP, CED 400 220V |
| – | 12-1002 | CAPACITOR,START COMP, CED 400 115V |
| 110 | 64-5132/04-02 | PCB ASSEMBLY,R290,REFR CONTROL,CED 400 |
| 120 | 64-6059 | PCB ASSEMBLY,AGITATOR SWITCH,DONGLE,CED 400 |
| 130 | 12-1064 | FILTER,POWER,EMI,SINGLE STAGE,FN2030 |
| 140 | 91-0065 | MOTOR,AC,PSC,CS 20MFD,BB,230/50-60,1.6A,1/4 HP,1375 CCW,INTM |
| – | 91-0063 | MOTOR, CARB,115V |
| 150 | 86-0084 | PUMP,ROTARY VANE,WATER,100 GPH,170 PSI,3/8” NPT,BRASS,PHO |
| 160 | 17-0485 | CHECK VALVE ASSEMBLY, DOUBLE,1/4 IN-LINE 1 |
| 170 | 82-0274 | BLOCK, MOUNTING ASSEMBLY, GMV |
| 180 | 82-2658/01 | MOUNTING BLK ASSEMBLY,3-WAY |
| 190 | 52-4322 | PROBE, CARB, CED 400 |
*82-6990 agitator assembly is only compatible with the CED 400
Wiring Diagram

Plumbing Diagram


6655 Lancer Boulevard
San Antonio, TX 78219
lancerworldwide.com![]()





NOTE If the water source is above 50 psi (0.345 MPa), cut tubing assembly and install Water Regulator Kit (PN 18-0253/02, sold separately) as shown in kit instruction sheet.

































