Ice Beverage Dispensers – Model 4500
LANCER INSTALLATION GUIDE
4500 Ice Beverage Dispensers
FOR QUALIFIED INSTALLER ONLY. This basic Installation Sheet is an initial release. If a complete Operations Manual (for the unit being installed) is required or needed, please refer to the Lancer web site (lancerworldwide.com) for immediate access, or for your convenience, scan this QR code with a mobile device (app required) for immediate access to other Technical Documents and alternative translations (if available) pertaining to this unit. Contact Lancer Customer Service for assistance as required.
https://uqr.to/OperationManuals
ABOUT THIS MANUAL
This booklet is an integral and essential part of the product and should be handed over to the operator after the installation and preserved for any further consultation that ay be necessary.
Please read carefully the guidelines and warnings contained herein as they are intended to provide the user with essential information for the continued safe use and maintenance of the product. In addition, it provides GUIDANCE ONLY to the user on the correct services and site location of the unit.
BEFORE GETTING STARTED
Each unit is tested under operating conditions and is thoroughly inspected before shipment. At the time of shipment, the carrier accepts responsibility for the unit. Upon receiving the unit carefully inspect the carton for visible damage. If damage exists, have the carrier note the damage on the freight bill and file a claim with carrier. Responsibility for damage to the dispenser lies with the carrier.
The installation and relocation, if necessary, of this product must be carried out by qualified personnel with up-to-date safety and hygiene knowledge and practical experience, in accordance with current regulations.
IMPORTANT SAFETY INSTRUCTIONS
Intended Use
The dispenser is for indoor use only. This unit is not a toy. Children should not be supervised not to play with appliance. It should not be used by children or infirm persons without supervision. This appliance is not intended for use by persons (including children) with reduced physical, sensory or mental capabilities, or lack of experience and knowledge, unless they have been given supervision or instruction concerning use of the appliance by a person responsible for their safety. Cleaning and user maintenance shall not be performed by children without supervision. The min/max ambient operating temperature for the dispenser is 40°F to 105°F (4°C to 41°C). Do not operate unit below minimum ambient operation conditions. Should freezing occur, cease operation of the unit and contact authorized service technician. Service, cleaning and sanitizing should be accomplished only by trained personnel. Applicable safety precautions must be observed. Instruction warnings on the product being used must be followed.
Electrical Warning
Check the dispenser name plate label, located behind the splash plate, for the correct electrical requirements of unit. Do not plug into a wall electrical outlet unless the current shown on the serial number plate agrees with local current available. Follow all local electrical codes when making connections. Each dispenser must have a separate electrical circuit. Do not use extension cords with this unit. Do not ‘gang’ together with other electrical devices on the same outlet. The keyswitch does not disable the line voltage to the transformer primary. Always disconnect electrical power to the unit to prevent personal injury before attempting any internal maintenance. The resettable breaker switch should not be used as a substitute for unplugging the dispenser from the power source to service the unit. Only qualified personnel should service internal components of electrical control housing. Make sure that all water lines are tight and units are dry before making any electrical connections!
![]()
Carbon Dioxide (CO2)
- WARNING: Carbon Dioxide (CO2) is a colorless, noncombustible gas with a light pungent odor. High percentages of CO2 may displace oxygen in the blood.
- WARNING: Prolonged exposure to CO2 can be harmful. Personnel exposed to high concentrations of CO2 gas will experience tremors which are followed by a loss of consciousness and suffocation.
- WARNING: If a CO2 gas leak is suspected, immediately ventilate the contaminated area before attempting to repair the leak.
- WARNING: Strict attention must be observed in the prevention of CO2 gas leaks in the entire CO2 and soft drink system.
Water Notice
Provide an adequate potable water supply. Water pipe connections and fixtures directly connected to a potable water supply must be sized, installed, and maintained according to federal, state, and local laws. The water supply line must be at least a 3/8 inches (9.525 mm) pipe with a minimum of 25 PSI (0.172 MPA) line pressure, but not exceeding a maximum of 50 PSI (0.345 MPA). Water pressure exceeding 50 PSI (0.345 MPA) must be reduced to 50 PSI (0.345 MPA) with the provided pressure regulator. Use a filter in the water line to avoid equipment damage and beverage off-taste. Check the water filter periodically, as required by local conditions. The water supply must be protected by means of an air gap, a backflow prevention device or another approved method to comply with NSF standards. A leaking inlet water check valve will allow carbonated water to flow back through the pump when it is shut off and contaminate the water supply. Ensure the backflow prevention device complies with ASSE and local standards. It is the responsibility of the installer to ensure compliance.
Automatic Agitation
Units are equipped with an automatic agitation system and will activate unexpectedly. Do not place hands or foreign objects in the ice bin. Unplug the dispenser during servicing, cleaning, and sanitizing. To avoid personal injury, do not attempt to lift the dispenser without assistance. For heavier dispensers, use a mechanical lift.
SPECIFICATIONS
| IBD 4500 – 22” DIMENSIONS Width: 22.0 inches (559 mm) Depth: 30.5 inches (775 mm) Height: 34 inches (864 mm) | ELECTRICAL 115 VAC / 60 Hz / 3.0 Amps 230 VAC / 50-60 Hz / 1.5 Amps | CARBON DIOXIDE (CO2 ) SUPPLY Min Pressure: 70 PSIG (0.483 MPA) Max Pressure: 80 PSIG (0.552 MPA) |
| WEIGHT Shipping: 255 lbs (116 kg) Empty: 225 lbs (102 kg) Ice Capacity: 180 lbs (82 kg) Ice Dispensable: 150 lbs (68 kg) | PLAIN WATER SUPPLY Min Flowing Pressure: 25 PSIG (0.172 MPA) Max Flowing Pressure: 50 PSIG (0.345 MPA) | FITTINGS Plain/Carb Water Inlet: 3/8 inch barb Brand Syrup Inlets: 3/8 inch barb This unit emits a sound pressure level below 70 dB |
| IBD 4500 – 25” DIMENSIONS Width: 25.0 inches (635 mm) Depth: 30.5 inches (775 mm) Height: 34 inches (864 mm) | CARBONATED WATER SUPPLY Min Flowing Pressure: 25 PSI (0.172 MPA) Max Static Pressure: 50 PSI (0.345 MPA) | CARBON DIOXIDE (CO2 ) SUPPLY Min Pressure: 70 PSIG (0.483 MPA) Max Pressure: 80 PSIG (0.552 MPA) |
| WEIGHT Shipping: 285 lbs (129.3 kg) Empty: 250 lbs (113.4 kg) Ice Capacity: 210 lbs (95.2 kg) Ice Dispensable: 170 lbs (77.1 kg) | ELECTRICAL 115 VAC / 60 Hz / 3.6 Amps 230 VAC / 50-60 Hz / 1.8 Amps | FITTINGS Plain/Carb Water Inlet: 3/8 inch barb Brand Syrup Inlets: 3/8 inch barb This unit emits a sound pressure level below 70 dB |
| PLAIN WATER SUPPLY Min Flowing Pressure: 25 PSIG (0.172 MPA) Max Flowing Pressure: 50 PSIG (0.345 MPA) | ||
| CARBONATED WATER SUPPLY Min Flowing Pressure: 25 PSI (0.172 MPA) Max Static Pressure: 50 PSI (0.345 MPA) | ||
| IBD 4500 – 30” DIMENSIONS Width: 30.0 inches (762 mm) Depth: 30.5 inches (775 mm) Height: 34 inches (864 mm) | ELECTRICAL 115 VAC / 60 Hz / 3.6 Amps 230 VAC / 50-60 Hz / 1.8 Amps | CARBON DIOXIDE (CO2 ) SUPPLY Min Pressure: 70 PSIG (0.483 MPA) Max Pressure: 80 PSIG (0.552 MPA) |
| WEIGHT Shipping: 305 lbs (139 kg) Empty: 275 lbs (125 kg) Ice Capacity: 250 lbs (114 kg) Ice Dispensable: 175 lbs (79.5 kg) | PLAIN WATER SUPPLY Min Flowing Pressure: 25 PSIG (0.172 MPA) Max Flowing Pressure: 50 PSIG (0.345 MPA) | FITTINGS Plain/Carb Water Inlet: 3/8 inch barb Brand Syrup Inlets: 3/8 inch barb This unit emits a sound pressure level below 70 dB |
| IBD 4500 – 44” DIMENSIONS Width: 44.0 inches (1117.6 mm) Depth: 30.5 inches (775 mm) Height: 34 inches (864 mm) | CARBONATED WATER SUPPLY Min Flowing Pressure: 25 PSI (0.172 MPA) Max Static Pressure: 50 PSI (0.345 MPA) | CARBON DIOXIDE (CO2 ) SUPPLY Min Pressure: 70 PSIG (0.483 MPA) Max Pressure: 80 PSIG (0.552 MPA) |
| WEIGHT Shipping: 460 lbs (208.7 kg) Empty: 400 lbs (181.4 kg) Ice Capacity: 360 lbs (163.29 kg) Ice Dispensable: 300 lbs (136.1 kg) | ELECTRICAL 115 VAC / 60 Hz / 6.0 Amps | FITTINGS Plain/Carb Water Inlet: 3/8 inch barb Brand Syrup Inlets: 3/8 inch barb This unit emits a sound pressure level below 70 dB |
| PLAIN WATER SUPPLY Min Flowing Pressure: 25 PSIG (0.172 MPA) Max Flowing Pressure: 50 PSIG (0.345 MPA) | ||
| CARBONATED WATER SUPPLY Min Flowing Pressure: 25 PSI (0.172 MPA) Max Static Pressure: 50 PSI (0.345 MPA) |
INSTALLATION
READ THIS MANUAL
This manual was developed by the Lancer Worldwide as a reference for the owner/operator and installer of this dispenser. Please read this guide before installation and operation of this dispenser. If service is required please call your Lancer Service Agent or Lancer Customer Service. Always have your model and serial number available when you call.
Your Service Agent:———————
Service Agent Telephone Number:———–
Serial Number:——————————-
Model Numer:———————————
Unpack the Dispenser
- Set shipping carton upright on the floor then cut package banding straps and remove.
- Open top of carton and remove interior packaging.
- Lift carton up and off of the unit.
- Remove plywood shipping base from unit by moving unit so that one side is off the counter top or table allowing access to screws on the bottom of the plywood shipping base.
NOTE
If unit is to be transported, it is advisable to leave the unit secured to the plywood shipping base. - Remove accessory kit and loose parts from ice compartment.
NOTE
Inspect unit for concealed damage. If evident, notify delivering carrier and file a claim against the same. - If leg kit has been provided, assemble legs by tilting unit.
ATTENTION
DO NOT LAY UNIT ON ITS SIDE OR BACK
Selecting/Preparing Counter Location
- Select a level, well ventilated location that is in close proximity to a properly grounded electrical outlet, within five (5) feet (1.5 m) of a drain, a water supply that meets the requirements shown in the Specifications section found on pages 4-6, away from direct sunlight or overhead lighting, and has sufficient clearance for air circulation.
- Sufficient clearance must be provided, if an ice maker is not installed, to allow filling ice compartment from a five gallon bucket (a minimum of 16 inches is recommended).
- The selected location should be able to support the weight of the dispenser, ice and possibly an icemaker being installed after counter cut out is made. Total weight (with icemaker) for this unit could exceed 800 pounds (363.6kg).
NOTE
Lancer does NOT recommend the use of shaved or flake ice in the dispenser. - Unit may be installed directly on countertop or on legs. If installed directly on the counter, unit must be sealed to the countertop with an FDA approved sealant. If an icemaker is to be mounted on top of dispenser, do not install dispenser on legs.
NOTE
NSF listed units must be sealed to the counter or have four (4) inch legs installed. - Select a location for the remote carbonator, syrup pumps, CO2
tank, syrup containers, and water filter (recommended). - Using Counter Cutout Template provided , cutoutrequired opening for the water, syrup, and CO2 lines in the designated dispenser location.
- In order to facilitate proper dispenser drainage, ensure that the dispenser is level, front to back and side to side. Place a level on the top of the rear edge of the dispenser. The bubble must settle between the level lines. Repeat this procedure for the remaining three sides. Level unit if necessary. For optimum performance place the unit at a 0° tilt. The maximum tilt is 5°.
Installing an Icemaker (if necessary)
ATTENTION
When installing an icemaker on the dispenser, use a bin thermostat to control the ice level (see below). This will prevent damage to the dispensing mechanism. The bracket for mounting a thermostat is located in the ice bin. During the automatic agitation cycle and while dispensing ice, ensure there is adequate space be- tween the top of the ice level and the bottom of the icemaker so the ice can move without obstruction. Contact your icemaker manufacturer for information on a suitable bin thermostat.
- Install the icemaker per manufacturer specifications. Points of consideration include drainage, ventilation, and drop zones.
- An adapter plate is required when installing an icemaker. Contact your Sales Representative or Lancer Customer Service for more information.
- A bin thermostat is required in order to control the level of ice in the dispenser (Refer to ATTENTION to the left). Contact your icemaker manufacturer to obtain the correct bin thermostat.
- Bin thermostat should be a minimum of 2” below the top edge of the dispenser. The preferred location of the bin thermostat is on the left side wall.
Attach Bin Stat Bracket As Shown Recommended Bin Stat Attachment 
ATTENTION
Failure to use an ice bin thermostat will not only void your IBD’s warranty but will result in the inability to control the level of ice in the ice bin which can cause damage to your dispenser. - Ensure the icemaker is installed properly to allow for removal of the Merchandiser.
- Ensure manual fill is accessible.
- Clean and maintain icemaker per manufacturer’s instructions.
Dispenser Installation
NOTE
The installation, and relocation if necessary, must be carried out by qualified personnel with up-to-date knowledge and practical experience, in accordance with current regulations.
- Remove the cup rest, drip tray, splash plate, merchandiser, and top cover from the unit.
- Route appropriate tubing from the water source to the plain water inlet at the front of the unit and connect tubing to inlet using the oetiker pliers and fittings,(see Plumbing Diagrams on the front of the unit or on page 12 for reference).

- Connect tubing to water source then flush water lines to check for leaks.
- Route appropriate tubing from the remote carbonator locaton to the carbonated water inlet at the unit and connect tubing to inlet.
- Route appropriate tubing from the syrup pump location to the syrup inlets and connect tubing to all syrup inlets.
- Route appropriate tubing from the CO2 source location to the CO2 inlet at the remote carbonator location.
- Install remote carbonator per manufacturer’s instructions.
- Route the power supply cord to a grounded electrical outlet of the proper voltage and amperage rating.
WARNING
DO NOT PLUG UNIT INTO GROUNDED ELECTRICAL OUTLET AT THIS TIME. Make sure that all water lines are tight and unit is dry before making any electrical connections - Route drain hose from designated open type drain to fitting on Drip Tray and connect hose to fitting.
CAUTION
Drain line must be insulated with a closed cell insulation. Insulation must cover the entire length of the drain hose, including fittings. The drain should be installed in such a manner that water does not collect in sags or other low points, as condensation will form.
ATTENTION
Pouring hot water down the drain may cause the Drain Tube to collapse. Allow only luke warm or cold water to enter the Drain Tube. Pouring coffee, tea, or other similar substances down the drain may cause the Drain Tube to become clogged. - Reattach Drip Tray/Cup Rest to unit.
Installing Remote Syrup Pumps
- Install BIB rack and remote pumps according to manufacturers’ instructions.
- Once pumps and BIB rack are installed, measure and cut tubing to length between the pump CO2 inlets, then connect tubing to all pumps.

- Using tubing cutters, cut any pump CO2 supply line and install tee fitting, then route appropriate tubing from the CO2 supply to the tee fitting at syrup pumps.
- Connect tubing from dispenser syrup inlet to the syrup pump outlet fitting. Repeat for each syrup line/pump.

- Install BIB (bag in box) connectors onto the syrup pump inlet tubing.
ATTENTION
Use proper connector for syrup manufacturer
- Connect syrup BIBs to connectors. Repeat for each syrup line/pump.
Installing CO2 Supply
- Connect high pressure CO2 regulator assembly to CO2 cylinder or bulk system.
ATTENTION
Before installing regulator, assure that a seal (washer or o-ring) is present in regulator attachment nut.
- Connect a 1/4” nut, stem and seal to CO2 regulator outlet.
- Connect tubing routed from the tee at syrup pumps to the 1/4” nut, stem on the high pressure CO2 regulator attached to source and connect tubing.

- Using a wrench, loosen lock nut on the regulator adjustment screw of the high pressure CO2 regulator connected to the source, then using a screwdriver back out lock nut screw all the way.
WARNING
DO NOT TURN ON CO2 SUPPLY AT THIS TIME
Dispenser Setup
- Turn on water source.
- Open the pressure relief valve located on the remote carbonator, by flipping up on the valve cap lever. Hold open until water flows from the relief valve then close (flip down) the relief valve.
- Verify all Bag-In-Box contains syrup and check all connections for leaks.
- Place enough ice in the ice bin to fill approximately 1/2 of the bin before plugging in the unit.
- Connect unit power cord to grounded electical outlet.
WARNING
The dispenser must be properly electrically grounded to avoid serious injury or fatal electrical shock. The power cord has a three-prong grounded plug. If a three-hole grounded electrical outlet is not available, use an approved method to ground the unit. Follow all local electrical codes when making connections. Each dispenser must have a separate electrical circuit. Do not use extension cords. Do not connect multiple electrical devices on the same outlet. - Test the motor operation by pushing the ice chute lever until agitator motor begins to turn.
- Activate each valve to ensure a good flow of water is achieved.
- Ensure pump deck is turned OFF before turning on CO.
ATTENTION
Failure to disconnect the motor power supply will damage the carbonator motor, the pump and void the warranty. - Turn on CO2 at the source then, using a screwdriver, adjust the high pressure regulator at the source to 75 PSI (0.517 MPA) then tighten locknut with wrench.

- Activate each valve until gas-out.
Plug in the remote carbonator pump deck, if not already done so, and turn the switch to the ON position.
- Activate each valve until the carbonator pump comes on. Release the button, allow carbonator to fill and stop. Repeat this process until a steady flow of carbonated water is achieved.
NOTE
The pump deck has a 3 minute timeout feature. If the timeout occurs, turn the deck OFF then ON by flipping the switch on the control box.
NOTE
To check for CO2 leaks, close the valve on the CO2 cylinder and observe if the pressure to the system drops with the cylinder valve closed for five minutes. Open the cylinder valve after check. Activate each valve to purge air from the syrup lines.
Adjust Water Flow Rate & Syrup/Water Ratio
NOTE
Ensure there is ice on the cold plate and the lines are cold before attempting to set the flow rates on the valves. The drink temperature should be no higher than 40°F (4.4°C) when flow rates are set.
- Remove valve cover from first valve.
- Close syrup shut-off at mounting block for first valve.

- Using a Lancer ratio cup verify water flow rate (5 oz. in 4 sec.). Use a screwdriver to adjust if needed.

- Remove nozzle by twisting counter clockwise and pulling down, then remove diffuser by pulling down.
- Install Lancer (yellow) syrup seperator (PN 54-0031) in place of nozzle.

- Re-open syrup shut-off at mounting block.
- Activate valve to purge syrup until steady flow is achieved.
- Using a Lancer brix cup, activate the valve and capture a sample. Verify that the syrup level is even with the water level. Use a screwdriver to adjust if needed.
- Remove syrup seperator and reinstall nozzle. Replace valve cover.
- Repeat steps 1-8 for each valve.
- Re-install merchandiser, splash plate, and top cover.
CLEANING AND SANITIZING
General Information
- Lancer equipment (new or reconditioned) is shipped from the factory cleaned and sanitized in accordance with NSF guidelines. The operator of the equipment must provide continuous maintenance as required by this manual and/ or state and local health department guidelines to ensure proper operation and sanitation requirements are maintained.
NOTE
The cleaning procedures provided herein pertain to the Lancer equipment identified by this manual. If other equipment is being cleaned, follow the guidelines established by the manufacturer for that equipment. - Cleaning should be accomplished only by trained personnel. Sanitary gloves are to be used during cleaning operations. Applicable safety precautions must be observed. Instruction warnings on the product being used must be followed.
ATTENTION - Use sanitary gloves when cleaning the unit and observe all applicable safety precautions.
- DO NOT use a water jet to clean or sanitize the unit.
- DO NOT disconnect water lines when cleaning and sanitizing syrup lines, to avoid contamination.
- DO NOT use strong bleaches or detergents; These can discolor and corrode various materials.
- DO NOT use metal scrapers, sharp objects, steel wool, scouring pads, abrasives, or solvents on the dispenser.
- DO NOT use hot water above 140° F (60° C). This can damage the dispenser.
- DO NOT spill sanitizing solution on any circuit boards. Insure all sanitizing solution is removed from the system.
Cleaning Solution
Mix a mild, non-abrasive detergent (e.g. Sodium Laureth Sulfate, dish soap) with clean, potable water at a temperature of 90°F to 110°F (32°C to 43°C). The mixture ratio is one ounce of cleaner to two gallons of water. Prepare a minimum of five gallons of cleaning solution. Do not use abrasive cleaners or solvents because they can cause permanent damage to the unit. Ensure rinsing is thorough, using clean, potable water at a temperature of 90°F to 110°F. Extended lengths of product lines may require additional cleaning solution.
Sanitizing Solution
Prepare sanitizing solutions in accordance with the manufacturer’s written recommendations and safety guidelines. The solution must provide 200 parts per million (PPM) chlorine (e.g. Sodium Hypochlorite or bleach). A minimum of five gallons of sanitizing solution should be prepared. Any sanitizing solution may be used as long as it is prepared in accordance with the manufacturer’s written recommendations and safety guidelines, and provides 200 parts per million (PPM) chlorine.
Other Supplies Needed
- Clean cloth towels
- Bucket
- Extra nozzle
- Sanitary gloves
- Small brush (PN 22-0017)
Daily Cleaning
- Using the cleaning solution, clean top cover and all exterior stainless steel surfaces.
- Clean exterior of dispensing valves and ice chute.
- Remove cup rest then clean the drip tray and cup rest.
Replace cup rest and drip tray when finished. - Wipe clean all splash areas using a damp cloth soaked in cleaning solution.
- Clean beverage valves as specified by the valve manufacturer.
Ice Bin Cleaning – Start-Up and Monthly
NOTE
Refer to the Automatic Agitation Warning on page 3.
- Disconnect power to the dispenser
- Remove Top Cover.
- Melt out any remaining ice from the bin.
- Remove Agitator Pin from Agitator Shaft. Slide Agitator Shaft rearward out Hub and pull out of rear Bearing to remove.
- Remove Ice Shroud by lifting and rotating out from beneath the auger.
- Use the Cleaning Solution, and a clean cloth or soft brush, to clean all removable parts, sides of the Ice Bin, Auger, and surface of the aluminum casting.
- Using the Cleaning Solution and the sponge brush provided, clean all interior surfaces of the ice chute and the ice chute feed through.
- Repeat Step 6 for all exterior surfaces of the dispenser.
- Using hot water, thoroughly rinse away the cleaning solution.
- W e a r i n g s a n i t a r y g l o v e s , s o a k a n d c l e a n c l o t h t o w e l i n Sanitizing Solution and wash all surfaces of removable parts, sides of the Ice Bin, Auger, and surface of the aluminum casting.
- Using the Sanitizing Solution and the sponge brush provided, clean all interior surfaces of the ice chute and the ice chute feed through.
- Repeat Step 10 for all exterior surfaces of the dispenser.
- Wearing sanitary gloves, reassemble all removable parts.
Ensure agitator clip is locked. - Fill Unit with ice and replace Top Cover.
- Reconnect Dispenser to power source.
Cleaning and Sanitizing Syrup Lines – Bag in Box
- Disconnect syrup lines from BIB’s
- Place syrup lines, with BIB connectors, in a bucket of warm water.
- Activate each valve to fill the lines with warm water and flush out syrup remaining in the lines.
- Prepare Cleaning Solution described above.
- Place syrup lines, with BIB connectors, into cleaning solution.
- Activate each valve until lines are filled with cleaning solution then let stand for ten (10) minutes.
- Flush out cleaning solution from the syrup lines using clean, warm water.
- Prepare Sanitizing Solution described on previous page.
- Place syrup lines into sanitizing solution and activate each valve to fill lines with sanitizer. Let sit for ten (10) minutes.
- Reconnect syrup lines to BIB’s and draw drinks to flush solution from the dispenser.
- Taste the drink to verify that there is no off-taste. If off-taste is found, flush syrup system again.
CAUTION
Following sanitization, rinse with end-use product until there is no aftertaste. Do not use a fresh water rinse. This is a NSF requirement. Residual sanitizing solution left in the system creates a health hazard.
Cleaning and Sanitizing Nozzles
- Disconnect power, so as to not activate valve while cleaning.
- Remove nozzle by twisting counter clockwise and pulling down.

- Remove diffuser by pulling down.
- Rinse nozzle and diffuser with warm water.
- Wash nozzle and diffuser with cleaning solution then immerse in sanitizing solution and let sit for fifteen (15) minutes.
- Set nozzle and diffuser aside and let air dry. DO NOT rinse with water after sanitizing.
- Reconnect diffuser and nozzle.
- Connect power.
- Taste the drink to verify that there is no off-taste. If off-taste is found, flush syrup system again.
CAUTION
Following sanitization, rinse with end-use product until there is no aftertaste. Do not use a fresh water rinse. This is a NSF requirement. Residual sanitizing solution left in the system creates a health hazard.
Ice Chute Cleaning
NOTE
It is recommended to perform this procedure monthly, or more often if desired. Use the cleaning solution described above. An alternate solution of one part water to one part vinegar may be used to remove water spots and calcium deposits.
- Turn off power to the dispenser.
- Remove Merchandiser.
- Remove Ice Chute Lever, then remove Splash Plate Assembly by lifting it up and out from the dispenser face.
NOTE
Always remove the ice chute lever before removing the splash plate. - Remove the Ice Chute Assembly base by removing the four (4) screws that attach it to the unit.
- Prepare the Cleaning Solution.
- Soak the Ice Chute Assembly in the solution.
- Rinse and dry the Ice Chute Assembly thoroughly.
- Reinstall the Ice Chute Assembly.
- Reinstall Merchandiser and Splash Plate.
- Reconnect power to the dispenser.
Dispenser Disposal
To prevent possible harm to the environment from improper disposal, recycle the unit by locating an authorized recycler or contact the retailer where the product was purchased. Comply with local regulations regarding disposal of the refrigerant and insulation.
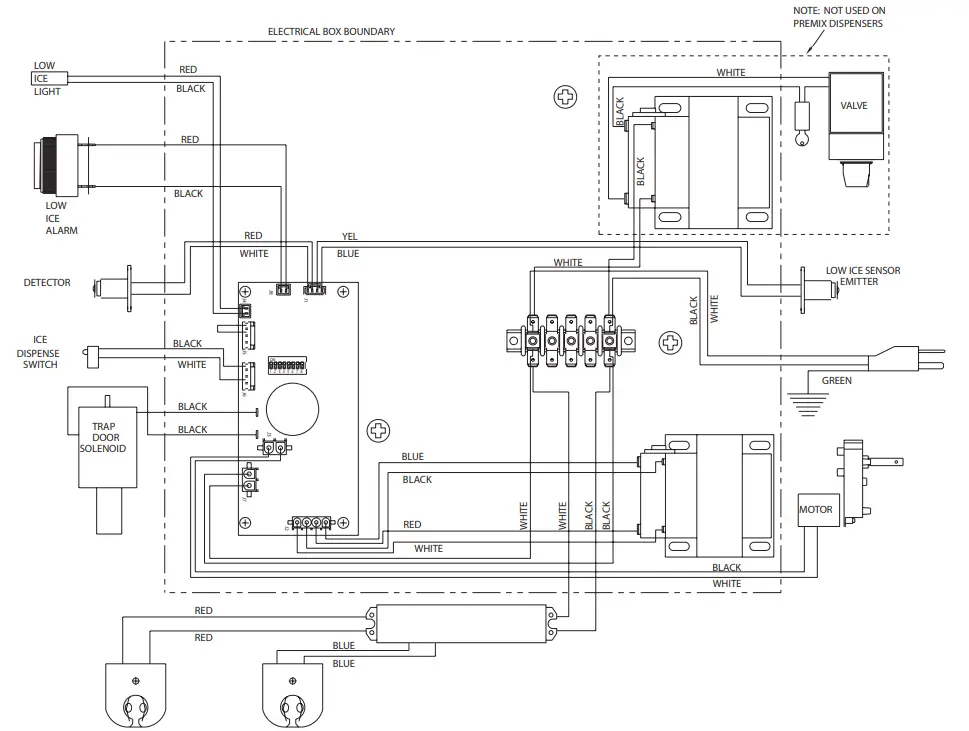
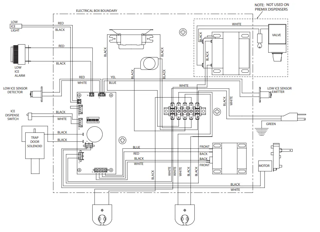
Automatic Agitation and Low Ice Alarm Control
NOTE
Each Series 4500 ice beverage dispenser is equipped with automatic agitation for the ice bin. The unit is shipped with timing set at two (2) seconds ON every 60 minutes. Referring to the tables on the wiring diagram (located on next page and affixed to the electrical box cover), the automatic agitation timing can be changed as follows. A set of DIP switches is provided to control the timing and low ice control. Dispensers using pellet ice must have the automatic agitation settings adjusted to four (4) seconds ON every 150 minutes. Refer to Automatic Agitation Warning on page 3.
| DIP# | DESCRIPTION |
| DIP#1 | This switch controls the low ice indicator light. With the switch in the ON position, the light operates when a low ice condition exists. In the OFF position, the light is turned off. The unit is shipped with the light switch in the ON position. |
| DIP#2 | This switch controls the low ice audible alarm. With the switch in the ON position, the alarm operates when a low ice condition exists. In the OFF position, the alarm is turned off. The unit is shipped with the alarm switch in the OFF position. |
| DIP#3 and DIP#4 | These switches control the ON time for automatic agitation. By referring to the table and setting the switches as shown, ON times from one (1) second to four (4) seconds [in one (1) second increments] can be obtained. EXAMPLE: For three (3) seconds ON time, switch 3 should be in the ON position, and switch 4 should be in the OFF position. The unit is shipped with two (2) seconds ON time. |
| D I P#5 – #8 | 1.These switches control the OFF time for automatic agitation. By referring to the table and setting the switches as shown, OFF times from 10 minutes to 150 minutes (in 10 minute increments) can be obtained. EXAMPLE: For 40 minute OFF time, switch 5 should be in the OFF position, switch 6 should be in the ON position, switch should be in the OFF position, and switch 8 should be in the OFF position. The unit is shipped with 60 minute OFF time. 2.To turn the agitation completely off, set switches 5 through 8 all OFF. |
| Switch Number | Agitation Off Time | |||
| 5 | 6 | 7 | 8 | |
| o | o | o | o | No Agitation |
| 0 | 0 | 0 | X | 10 Minutes |
| 0 | 0 | X | 0 | 20 Minutes |
| 0 | 0 | X | X | 30 Minutes |
| 0 | X | 0 | 0 | 40 Minutes |
| 0 | X | 0 | X | 50 Minutes |
| 0 | X | X | 0 | 60 Minutes |
| 0 | X | X | X | 70 Minutes |
| X | 0 | 0 | 0 | 80 Minutes |
| X | 0 | 0 | X | 90 Minutes |
| X | 0 | X | 0 | 100 Minutes |
| X | 0 | X | X | 110 Minutes |
| X | X | 0 | 0 | 120 Minutes |
| X | X | 0 | X | 130 Minutes |
| X | X | X | 0 | 140 Minutes |
| X | X | X | X | 150 Minutes |
Cube Ice Setting:
Agitation On Time: 2 Seconds
Agitation Off Time: 60 Minutes
Pellet Ice Setting:
Agitation On Time: 4 Seconds
Agitation Off Time: 150 Minutes
| Switch # | Agitation On Time | |
| 3 | 4 | |
| o | o | 1 Second |
| 0 | X | 2 Seconds |
| X | 0 | 3 Seconds |
| X | X | 4 Seconds |
| Key |
| X = On |
| 0 = Off |
Switch 1: “Low Ice” LED Indicator
Switch 2: “Low Ice” Alarm
Switch 3-4: Agitation On Time
Switch 5-8: Agitation Off Time

Wiring and Plumbing Diagrams
Wiring Diagram – 115 Volt / 60 Hz – 22, 25, 30 Inch
Wiring Diagram – 115 Volt / 60 Hz – 44 Inch

Wiring Diagram – 230 Volt / 50-60 Hz

Plumbing Diagrams – 6 & 8 Valves

SYRUP LINES NOT SHOWN
3-2-1 CONFIGURATION
PN: 06-1181/02
SYRUP LINES NOT SHOWN
3-1-1-3 CONFIGURATION
PN: 06-2226

Lancer Worldwide
800-729-1500
Technical Support/Warranty: 800-729-1550
[email protected]
lancerworldwide.com






























