Trotec TDS10 Electric Heater

Notes regarding the instructions
- Warning of electrical voltage
This symbol indicates dangers to the life and health of persons due to electrical voltage. - Warning of hot surface
This symbol indicates dangers to the life and health of persons due to hot surface. - Warning
This signal word indicates a hazard with an average risk level which, if not avoided, can result in serious injury or death. - Caution
This signal word indicates a hazard with a low risk level which, if not avoided, can result in minor or moderate injury. - Note
This signal word indicates important information (e.g. material damage), but does not indicate hazards. - Info
Information marked with this symbol helps you to carry out your tasks quickly and safely. - Follow the manual
Information marked with this symbol indicates that the instructions must be observed. You can download the current version of the instructions and the EU declaration of conformity via the following link:
Safety
Read this manual carefully before starting or using the device. Always store the manual in the immediate vicinity of the device or its site of use.
- Warning
Read all safety warnings and all instructions. Failure to follow the warnings and instructions may result in electric shock, fire and/or serious injury. Save all warnings and instructions for future reference. This appliance can be used by children aged from 8 years and above and persons with reduced physical, sensory or mental capabilities or lack of experience and knowledge if they have been given supervision or instruction concerning use of the appliance in a safe way and understand the hazards involved. Children shall not play with the appliance. Cleaning and user maintenance shall not be made by children without supervision. - Warning
Children of less than 3 years should be kept away from the device unless continuously supervised.
Children aged from 3 years and less than 8 years shall only switch on/off the appliance provided that it has been placed or installed in its intended normal operating position and they have been given supervision or instruction concerning use of the appliance in a safe way and understand the hazards involved. Children aged from 3 years and less than 8 years shall not plug in, regulate and clean the appliance or perform user maintenance. - Warning
Do not use the device in small rooms if persons are present who cannot leave the room independently and who are not under constant supervision. - Do not use the device in potentially explosive rooms or areas and do not install it there.
- Do not use the device in aggressive atmosphere.
- Only put up the device in an upright, stable position on firm ground.
- Let the device dry out after a wet clean. Do not operate it when wet.
- Do not use the device with wet or damp hands.
- Do not expose the device to directly squirting water.
- Never insert any objects or limbs into the device.
- Do not cover the device during operation.
- Do not remove any safety signs, stickers or labels from the device. Keep all safety signs, stickers and labels in legible condition.
- Do not sit on the device.
- This appliance is not a toy. Keep away from children and animals. Do not leave the device unattended during operation.
- Check accessories and connection parts for possible damage prior to every use of the device. Do not use any defective devices or device parts.
- Ensure that all electric cables outside of the device are protected from damage (e.g. caused by animals). Never use the device if electric cables or the power connection are damaged!
- The mains connection must correspond to the specifications in the Technical annex.
- Insert the mains plug into a properly fused mains socket.
- Observe the device’s power input, cable length and intended use when selecting extensions to the power cable. Completely unroll extension cables. Avoid electrical overload.
- Before carrying out maintenance, care or repair work on the device, remove the mains plug from the mains socket. Hold onto the mains plug while doing so.
- Switch the device off and disconnect the power cable from the mains socket when the device is not in use.
- Do not under any circumstances use the device if you detect damages on the mains plug or power cable. If the power cable is damaged, it must be replaced by the manufacturer, its service agent or similarly qualified persons in order to avoid a hazard. Defective power cables pose a serious health risk!
- When positioning the device, observe the minimum distances from walls and other objects as well as the storage and operating conditions specified in the Technical annex.
- Keep a safety distance of at least 1 m between the device’s air outlet and all combustible materials such as textiles, curtains, beds and sofas.
- Make sure that the air inlet and outlet are not obstructed.
- Do not place the device on combustible ground.
- Only use original spare parts, for otherwise safe and functional operation cannot be ensured.
- Allow the device to cool down before transport and/or maintenance work.
- Do not use this device near bathtubs, shower trays, swimming pools or other water containers. Risk of electric shock!
- Do not use the device if it has been dropped or if it shows visible signs of damage.
- Do not use the heating device together with a programming device, a timer, a separate remote control system or any other device that automatically switches the heating device on, as there is a risk of fire if the heating device is covered or incorrectly positioned.
Intended use
Only use the device for heating closed rooms whilst adhering to the technical data.
Intended use comprises heating the air in:
- Construction trailers
- Greenhouses
- Boathouses
- Garages
- Market stalls
- Workshops
- Gastronomy sector
- Warehouses and halls
- Shipyards
Foreseeable misuse
- Do not place any objects, e.g. clothing, on the device.
- Do not use this device in the vicinity of fuel, solvents, varnishes or other easily inflammable vapours or in rooms where these substances are stored.
- The device must not be used near swimming pools.
- Do not use the device out of doors.
- Do not use the device for heating in vehicles.
- Do not use this device in the immediate vicinity of sinks, bathtubs or other water containers.
- Never immerse the device in water.
- Do not place the device on wet or flooded ground.
- Any use other than the intended use is regarded as a reasonably foreseeable misuse.
- Do not make any unauthorized modifications, alterations or structural changes to the device.
Personnel qualifications
People who use this device must:
- be aware of the dangers that occur when working with electric devices in damp areas.
- have read and understood the instructions, especially the Safety chapter.
Maintenance tasks which require the housing to be opened must only be carried out by specialist electrical companies or by Trotec.
Symbols on the device
| Symbols | Meaning |
![]() | This symbol located on the device indicates that it is prohibited to place objects (such as towels, clothes etc.) above or directly in front of the device. In order to avoid overheating and fire hazards, the heater must not be covered. |
Residual risks
- Warning of electrical voltage
Work on the electrical components must only be carried out by an authorised specialist company! - Warning of electrical voltage
Before any work on the device, remove the mains plug from the mains socket!
Do not touch the mains plug with wet or damp hands. Hold onto the mains plug while pulling the power cable out of the mains socket. - Warning of hot surface
Parts of this appliance can become very hot and cause burns. Particular attention is to be paid when there are children or vulnerable persons present! - Warning
Improper handling entails a risk of burning and electric shock. Only use the device as intended! - Warning
Dangers can occur at the device when it is used by untrained people in an unprofessional or improper way!Observe the personnel qualifications! - Warning
The device is not a toy and does not belong in the hands of children. - Warning
Risk of suffocation! Do not leave the packaging lying around. Children may use it as a dangerous toy. - Warning
- Improper installation entails a risk of fire.
- Do not place the device on combustible ground.
- Do not place the device on high-pile carpets.
- Warning
In order to avoid overheating and fire hazards, the device must not be covered!
Behavior in the event of an emergency
- Switch the device off.
- In an emergency, disconnect the device from the mains feed-in: Hold onto the mains plug while pulling the power cable out of the mains socket.
- Do not reconnect a defective device to the mains.
Overheating protection
The device is provided with a safety thermostat, which is activated by overheating of the device. In such an event the device switches off automatically.
When the safety thermostat is activated, allow the device to cool down. Only then start to look for the cause of overheating. Should the problem persist, please contact the customer service.
Information about the device
Device description
The electric heater serves to generate and distribute warm air, e.g. in interior spaces.
The device generates heat by means of a heating element. The air surrounding the heating element is heated. The heated air is blown into the room by a fan. The device is equipped with an integrated thermostat and so generates a constant flow of warm air. Fan operation without heating function is also possible. The device TDS 10 cannot be used in fan mode without heating function.
Device depiction
- TDS 10


- TDS 20

- TDS 30
- TDS 50


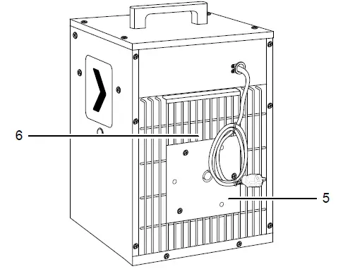
| No. | Designation |
| 1 | Transport handle |
| 2 | Rotary switch temperature |
| 3 | Air outlet |
| 4 | Selection switch ventilation and heating levels |
| 5 | Air baffle |
| 6 | Air inlet |
| 7 | Carrying handles |
Transport and storage
Note: If you store or transport the device improperly, the device may be damaged. Note the information regarding transport and storage of the device.
Transport
To make the device easier to transport, it is fitted with a carry handle.
Before transporting the device, observe the following:
- Switch the device off.
- Hold onto the mains plug while pulling the power cable out of the mains socket.
- Do not use the power cable to drag the device.
- Allow the device to cool down sufficiently.
Storage
Before storing the device, proceed as follows:
- Hold onto the mains plug while pulling the power cable out of the mains socket.
- Allow the device to cool down sufficiently. When the device is not being used, observe the following storage conditions:
- dry and protected from frost and heat
- in an upright position where it is protected from dust and direct sunlight
- with a cover to protect it from invasive dust, if necessary
- Place no further devices or objects on top of the device to prevent it from being damaged.
Assembly and start-up
Scope of delivery
- 1 x Electric heater
- 1 x Manual
Unpacking the device
- Open the cardboard box and take the device out.
- Completely remove the packaging.
- Fully unwind the power cable. Make sure that the power cable is not damaged and that you do not damage it during unwinding.
Start-up
Info: Odours might arise upon initial start-up or after a longer period of non-use.
When positioning the device, observe the minimum distance from walls or other objects as described in the chapter Technical annex.

- Before restarting the device, check the condition of the power cable. If there are doubts as to the sound condition, contact the customer service.
- Set the device up in an upright and stable position.
- Do not create tripping hazards when laying the power cable or other electric cables, especially when positioning the device in the middle of the room. Use cable bridges.
- Make sure that extension cables are completely unrolled.
- Make sure that no curtains or other objects interfere with the air flow.
- Make sure that the device cannot come into contact with moisture or water.
Connecting the power cable
- Insert the mains plug into a properly fused mains socket.
- Make sure that the power cable is guided along the back of the device. Never guide the power cable along the front of the device!
Operation
- Avoid open doors and windows.
Control panel
- TDS 10

No. Designation Meaning 2 Rotary switch temperature
For setting the temperature via the room thermostat 4 Selection switch ventilation and heating levels For selecting the heating levels and ventilation 0 : OFF
: heating level 1
: heating level 1
: heating level 2
- TDS 20

- TDS 30

- TDS 50

No. Designation Meaning 2 Rotary switch temperature
For setting the temperature via the room thermostat 4 Selection switch ventilation and heating levels For selecting the heating levels and ventilation 0 : OFF
: cold air / ventilation
: heating level 1
: heating level 2
8 Reset button Resets the internal thermostat within the TDS 50.
Switching the device on
Once you have completely installed the device as described in the chapter Assembly and start-up, you can switch it on.
- Set the selection switch ventilation and heating levels (4) to the desired heating level.
Setting the room thermostat
- Select the desired temperature via the stepless rotary switch temperature (2) of the room thermostat.
TDS 10 and TDS 20
The room thermostat controls the room temperature automatically:
- When exceeding the set value, both the heating and the ventilation will be switched off.
TDS 30 and TDS 50
- When the set value is exceeded, the heating switches off while the fan keeps running.
Shutdown
Warning of electrical voltage
Do not touch the mains plug with wet or damp hands.
TDS 10
- Set the selection switch ventilation and heating levels (4) to the position for heating level 1 .
- Keep the fan running for 3 minutes before switching the device off.
- Switch off the device by setting the selector switch ventilation and heating levels (4) to the 0 position.
- Hold onto the mains plug while pulling the power cable out of the mains socket.
- Allow the device to cool down completely.
- Clean the device according to the Maintenance chapter.
- Store the device according to the Transport and storage chapter.
TDS 20 / TDS 30 / TDS 50
- Turn the selection switch ventilation and heating levels (4) to the ventilation position .
- Keep the fan running for 3 minutes before switching the device off.
- Switch off the device by setting the selector switch ventilation and heating levels (4) to the 0 position.
- Hold onto the mains plug while pulling the power cable out of the mains socket.
- Allow the device to cool down completely.
- Clean the device according to the Maintenance chapter.
- Store the device according to the Transport and storage chapter.
Errors and faults
Warning of electrical voltage
Tasks which require the device to be opened must only be carried out by authorised specialist companies or by Trotec.
The device has been checked for proper functioning several times during production. If malfunctions occur nonetheless, check the device according to the following list.
The device does not start:-
- Check the power connection.
- Check the power cable and mains plug for damages.
- Check the on-site fusing.
- TDS 50: The internal thermostat does not reset automatically. Actuate the reset button (8) next to the rotary switch temperature (2).
- The motor might be defective. Have a defective motor replaced by a specialist electrical company.
- The room thermostat might be defective. Have a defective room thermostat replaced by a specialist electrical company.
- Wait for 10 minutes before restarting the device. If the device is not starting, have the electrics checked by a specialist company or by Trotec.
The device is switched on, the fan is operating, the heating is not:
- TDS 10 and TDS 20: Check the room temperature. The room thermostat may have switched off, because the desired room temperature has been reached.
- Check whether the overheating protection has tripped (see chapter Safety).
- The heating resistor might have blown. Have a defective heating resistor replaced by a specialist electrical company.
- The room thermostat might be defective. Have a defective room thermostat replaced by a specialist electrical company.
The fan is not running:
- Check whether the device is switched on.
- Check the power connection.
- Check the power cable and mains plug for damages.
- The fan motor might be defective. Have a defective fan motor replaced by a specialist electrical company.
The air current is reduced:
- Check the air inlet and outlet. Make sure that air inlet and outlet are not obstructed. Remove any dirt. Observe the minimum distance from walls or other objects according to the technical data.
The device is loud or vibrates:
- Check whether the device is set up in a stable and upright position.
Note: Wait for at least 3 minutes after maintenance and repair work. Only then switch the device back on.
The device still does not operate correctly after these checks:
Please contact the customer service. If necessary, bring the device to an authorised specialist electrical company or to Trotec for repair.
Maintenance
| Maintenance and care interval | before every start-up | as needed | at least every 2 weeks | at least every 4 weeks | at least every 6 months | at least annually |
| Check air inlets and outlets for dirt and foreign objects and clean if necessary | X | |||||
| Check air inlet grid(s) for dirt and foreign objects and clean if necessary | X | X | ||||
| Clean the exterior | X | X | ||||
| Visually check the inside of the device for dirt | X | X | ||||
| Check for damage | X | |||||
| Check attachment screws | X | X | ||||
| Test run | X |
Maintenance and care log
Device type: ………………………………………
Device number: ………………………………
| Maintenance and care interval | 1 | 2 | 3 | 4 | 5 | 6 | 7 | 8 | 9 | 10 | 11 | 12 | 13 | 14 | 15 | 16 |
| Check air inlets and outlets for dirt and foreign objects and clean if necessary | ||||||||||||||||
| Check air inlet grid(s) for dirt and foreign objects and clean if necessary | ||||||||||||||||
| Clean the exterior | ||||||||||||||||
| Visually check the inside of the device for dirt | ||||||||||||||||
| Check for damage | ||||||||||||||||
| Check attachment screws | ||||||||||||||||
| Test run | ||||||||||||||||
| Comments | ||||||||||||||||
| 1. Date: …………………………….. Signature: ………………………….. | 2. Date: ……………………………… Signature: …………………………… | 3. Date: ……………………………… Signature: …………………………… | 4. Date: ……………………………… Signature: …………………………… |
| 5. Date: …………………………….. Signature: ………………………….. | 6. Date: ……………………………… Signature: …………………………… | 7. Date: ……………………………… Signature: …………………………… | 8. Date: ……………………………… Signature: …………………………… |
| 9. Date: …………………………….. Signature: ………………………….. | 10. Date: ……………………………. Signature: …………………………… | 11. Date: ……………………………. Signature: …………………………… | 12. Date: ……………………………. Signature: …………………………… |
| 13. Date: …………………………… Signature: ………………………….. | 14. Date: ……………………………. Signature: …………………………… | 15. Date: ……………………………. Signature: …………………………… | 16. Date: ……………………………. Signature: …………………………… |
Activities required before starting maintenance
Warning of electrical voltage
Do not touch the mains plug with wet or damp hands.
- Switch the device off.
- Hold onto the mains plug while pulling the power cable out of the mains socket.
- Allow the device to cool down completely.
Warning of electrical voltage
Tasks which require the device to be opened must only be carried out by authorised specialist companies or by Trotec.
Cleaning the housing
Warning of electrical voltage Never immerse the device in water!
Clean the housing with a soft, damp and lint-free cloth. Make sure that no moisture enters the housing. Protect electrical components from moisture. Do not use any aggressive cleaning agents such as cleaning sprays, solvents, alcohol-based or abrasive cleaners to dampen the cloth.
Wipe the housing dry after cleaning.
Technical data
Technical annex
| Parameter | Value | |||
| Model | TDS 10 | TDS 20 | TDS 30 | TDS 50 |
| Heating capacity level 1: level 2: level 3: | 650 W 1300 W 2000 W | ventilation only 1650 W 3300 W | ventilation only 2750 W 5500 W | ventilation only 4500 W 9000 W |
| Amount of air | 186 m3/h | 335 m3/h | 458 m3/h | 708 m3/h |
| Operating range | -20 °C to +40 °C | -20 °C to +45 °C | -20 °C to +45 °C | -20 °C to +45 °C |
| Mains connection | 1/N/PE~ 230 V 50 Hz | 1/N/PE~ 230 V 50 Hz | 3/PE~ 400 V 50 Hz | 3/PE~ 400 V 50 Hz |
| Max. power input | 2000 W | 3300 W | 5500 W | 9000 W |
| Nominal current consumption | 8.7 A | 14.4 A | 8 A | 13 A |
| Fusing | 16 A | 16 A | 10 A | 16 A |
| Plug type | CEE 7/7 | CEE 7/7 | CEE 16 A, 5-pin | CEE 16 A, 5-pin |
| Type of protection | IPX4 | IPX4 | IP24 | IP24 |
| Cable length | 1.35 m | 1.35 m | 1.35 m | – |
| Sound pressure level (1 m distance) | 46 dB(A) | 46 dB(A) | 51 dB(A) | 52 dB(A) |
| Weight | 3.5 kg | 5 kg | 6 kg | 9.5 kg |
| Dimensions (length x width x height) | 210 x 195 x 310 mm | 265 x 255 x 395 mm | 270 x 255 x 400 mm | 283 x 355 x 515 mm |
| Minimum distance to walls and other objects top (A): rear (B): sides (C): front (D): | 50 cm | 50 cm | 50 cm | 50 cm |
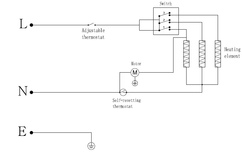
- Circuit diagram TDS 10

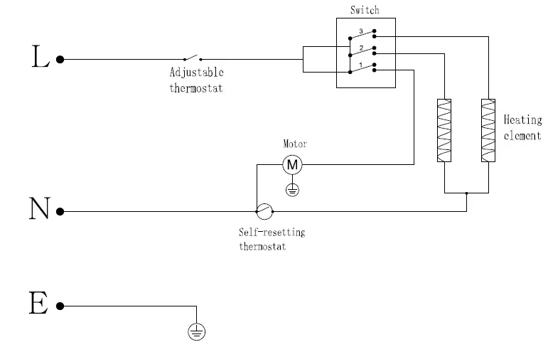
- Circuit diagram TDS 20

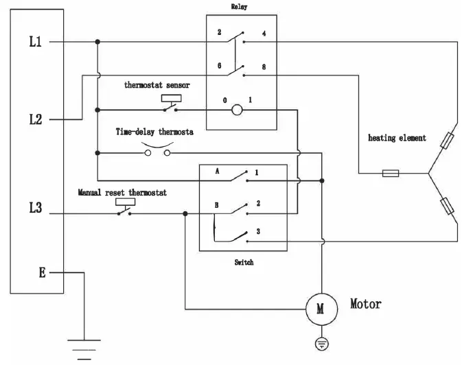
- Circuit diagram TDS 30

- Circuit diagram TDS 50

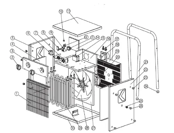
- Overview of spare parts TDS 10
Note! The position numbers of the spare parts differ from those describing the positions of the components mentioned in these instructions.
Spare parts list TDS 10NO. SPARE PART QTY. NO. SPARE PART QTY. 1 Front Grill 1 13 Wiring Terminal 1 2 Switch Knob 1 14 Back Grill 1 3 Thermostat Knob 1 15 Protection Cover 1 4 Control Panel 1 16 Motor 1 5 Left Panel 1 17 Fan 1 6 Re-Set Thermostat 1 18 Right Panel 1 7 Switch 1 19 Pull Rivet Nuts 2 8 Mi-Metal Thermostat 1 20 Stopple 2 9 Top Panel 1 21 Heating Element 3 10 Handle 1 22 Bottom Panel 1 11 Middle Panel 1 23 Rubber Feet 4 12 Power Cord 1 - Overview of spare parts TDS 20
Note! The position numbers of the spare parts differ from those describing the positions of the components mentioned in these instructions.
Spare parts list TDS 20NO. SPARE PART QTY. NO. SPARE PART QTY. 1 Front Grill 1 13 Wiring Terminal 1 2 Protection Cover 1 14 Sensor Holder 2 3 Knob 2 15 Back Grill 1 4 Control Panel 1 16 Right Panel 1 5 Left Panel 1 17 Pull Rivet Nuts 2 6 Re-Set Thermostat 1 18 Stopple 2 7 Switch 1 19 Motor 1 8 Bi-Metal Thermostat 1 20 Air Flue 1 9 Top Panel 1 21 Fan 1 10 Handle 1 22 Heating Element 2 11 Middle Panel 1 23 Bottom Panel 1 12 Power Cord 1 24 Rubber Feet 4 - Overview of spare parts TDS 30
Note! The position numbers of the spare parts differ from those describing the positions of the components mentioned in these instructions.
Spare parts list TDS 30NO. SPARE PART NO. SPARE PART 1 Knob (PA) 17 Relay (AC400V 25A) 2 Control panel (SPCC) 18 Industrial plug (240/415V 16 A) 3 Left panel (SPCC) 19 Back grill (APCC) 4 Switch (250V15A) 20 Power cord (H07RN-F4G1.5mm²) 5 Adjustable thermostat (400V/15A/50/60Hz/40°C) 21 Right panel SPCC) 6 Binding post (BG4-1 450V 2.5mm²) 22 Pull rivet nuts (M8) 7 Binding post components (PA) 23 Stopple Ø8 8 Re-set thermostat (KSD302/400V/20A) 24 Heat Insulation plate (SECC) 9 Protection cover (SPCC) 25 Motor (400 V/ 50 Hz / 40W) 10 Top cover (SPCC) 26 Air flue (SPCC) 11 Fixed support (PA) 27 Feet (PA) 12 Handle (PA) 28 Bottom panel (SPCC) 13 Middle panel (SPCC) 29 Fan (AL) 14 Time Delay thermostat (250V 10A K45) 30 Bottom Thermal baffle (SECC) 15 Protection bush (PVC-P) 31 Heating element (230V 1830W) 16 Wire fixing plate (PA) 32 Front grill (Ø 2.6 mm steel wire) - Overview of spare parts TDS 50
Note! The position numbers of the spare parts differ from those describing the positions of the components mentioned in these instructions.
Spare parts list TDS 50NO. SPARE PART NO. SPARE PART 1 Front Grill 16 Middle Panel 2 Knob 17 Time Delay Thermostat 3 Control Panel 18 Industrial Plug 4 Heat Insulation Plate 19 Back Grill 5 Left Panel 20 Motor 6 Switch 21 Metal Handle 7 Capillary Thermostat 22 Right Panel 8 Support for Non-self resetting Thermostat 23 Plastic Gaske 9 Holder fpr Non-self resetting thermostat 24 Tube Cover 10 Lock 25 Pull Rivet Nuts 11 Top Panel 26 Stoplle 12 Time Delay Thermostat 27 Air Flue 13 Non-self resetting Thermostat 28 Fan 14 Back Plate For Plug 29 Heating Element 15 Relay 30 Bottom Panel
Disposal
The icon with the crossed-out waste bin on waste electrical or electronic equipment stipulates that this equipment must not be disposed of with the household waste at the end of its life. You will find collection points for free return of waste electrical and electronic equipment in your vicinity. The addresses can be obtained from your municipality or local administration. You can also find out about other return options that apply for many EU countries on the website https://hub.trotec.com/?id=45090. Otherwise, please contact an official recycling centre for electronic and electrical equipment authorised for your country. The separate collection of waste electrical and electronic equipment aims to enable the re-use, recycling and other forms of recovery of waste equipment as well as to prevent negative effects for the environment and human health caused by the disposal of hazardous substances potentially contained in the equipment.
Declaration of conformity
Declaration of conformity in accordance with the EC Machinery Directive 2006/42/EC, Annex II, Part 1, Section A
We –Trotec GmbH – declare in sole responsibility that the product designated below was developed, constructed and produced in compliance with the requirements of the EC Machinery Directive in the version 2006/42/EC.
- Product model / product: TDS 10, TDS 20
- Product type: electric heater
- Year of manufacture as of: 2021
Relevant EU directives:
- 2011/65/EU: 01/07/2011
- 2012/19/EU: 24/07/2012
- 2014/30/EU: 29/03/2014
- 2015/863/EU: 31/03/2015
Applied harmonised standards:
- EN 55014-1:2017/A11:2020
Applied national standards and technical specifications:
- EN 60335-1:2012/A1:2019
- EN 60335-1:2012/A2:2019
- EN 60335-1:2012/A14:2019
- EN 60335-2-30:2009
- EN 60335-2-30:2009/A11:2012
- EN 62233:2008
- EN 55014-2:2015
- EN IEC 61000-3-2:2019
- EN 61000-3-3:2013/A1:2019
Manufacturer and name of the authorised representative of the technical documentation:
Trotec GmbH
Grebbener Straße 7, D-52525 Heinsberg
Phone: +49 2452 962-400
E-mail: [email protected]
Place and date of issue: Heinsberg, 21/06/2021



















Note! The position numbers of the spare parts differ from those describing the positions of the components mentioned in these instructions.
Note! The position numbers of the spare parts differ from those describing the positions of the components mentioned in these instructions.
Note! The position numbers of the spare parts differ from those describing the positions of the components mentioned in these instructions.
Note! The position numbers of the spare parts differ from those describing the positions of the components mentioned in these instructions.















