TEH 70 / TEH 100
ORIGINAL INSTRUCTIONS
ELECTRIC HEATER
Follow the manual
Information marked with this symbol indicates that the instructions must be observed.
You can download the current version of the instructions and the EU declaration of conformity via the following link:
| TEH 70 | TEH 100 |
![]() | ![]() |
| https://hub.trotec.com/?id=4402 | https://hub.trotec.com/?id=44021 |
Notes regarding the instructions
Symbols
Warning of electrical voltage
This symbol indicates dangers to the life and health of persons due to electrical voltage.
Warning of hot surface
This symbol indicates dangers to the life and health of persons due to hot surfaces.
Warning
This signal word indicates a hazard with an average risk level which, if not avoided, can result in serious injury or death.
Caution
This signal word indicates a hazard with a low-risk level which, if not avoided, can result in minor or moderate injury.
Note
This signal word indicates important information (e.g. material damage) but does not indicate hazards.
Info
Information marked with this symbol helps you to carry out your tasks quickly and safely.
Safety
Read this manual carefully before starting or using the device. Always store the manual in the immediate vicinity of the device or its site of use.
Warning
Read all safety warnings and all instructions. Failure to follow the warnings and instructions may result in electric shock, fire, and/or serious injury.
Save all warnings and instructions for future reference.
This appliance can be used by children aged 8 years and above and persons with reduced physical, sensory or mental capabilities or lack of experience and knowledge if they have been given supervision or instruction concerning the use of the appliance in a safe way and understand the hazards involved.
Children shall not play with the appliance. Cleaning and user maintenance shall not be made by children without supervision.
Warning
Children of less than 3 years should be kept away from the device unless continuously supervised.
Children aged from 3 years and less than 8 years shall only switch on/off the appliance provided that it has been placed or installed in its intended normal operating position and they have been given supervision or instruction concerning the use of the appliance in a safe way and understand the hazards involved.
Children aged from 3 years and less than 8 years shall not plug in, regulate and clean the appliance or perform user maintenance.
Warning
Do not use the device in small rooms if persons are present who cannot leave the room independently and who are not under constant supervision.
- Do not use the device in potentially explosive rooms or areas and do not install it there.
- Do not use the device in an aggressive atmosphere.
- Only put up the device in an upright, stable position on firm ground.
- Let the device dry out after a wet Do not operate it when wet.
- Do not use the device with wet or damp hands.
- Do not expose the device to directly squirting water.
- Never insert any objects or limbs into the device.
- Do not cover or transport the device during operation.
- Do not remove any safety signs, stickers, or labels from the Keep all safety signs, stickers, and labels in legible condition.
- Do not sit on the device.
- This appliance is not a Keep away from children and animals. Do not leave the device unattended during operation.
- Check accessories and connection parts for possible damage prior to every use of the Do not use any defective devices or device parts.
- Ensure that all electric cables outside of the device are protected from damage (e.g. caused by animals). Never use the device if electric cables or the power connection are damaged!
- The main connection must correspond to the specifications in the technical annex.
- Insert the mains plug into a properly fused mains socket
- Observe the device’s power input, cable length, and intended use when selecting extensions to the power cable. Completely unroll extension cables. Avoid electrical overload.
- Before carrying out maintenance, care, or repair work on the device, remove the main plug from the main socket. Hold onto the mains plug while doing so.
- Switch the device off and disconnect the power cable from the main socket when the device is not in use.
- Do not under any circumstances use the device if you detect damages on the mains plug or power cable. If the power cable is damaged, it must be replaced by the manufacturer, its service agent, or similarly qualified persons in order to avoid a hazard. Defective power cables pose a serious health risk!
- When positioning the device, observe the minimum distances from walls and other objects as well as the storage and operating conditions specified in the Technical Annex.
- Do not use the device in immediate proximity to curtains, beds, or sofas.
- Make sure that the air inlet and outlet are not obstructed.
- Do not place the device on the combustible ground.
- Only use original spare parts, for otherwise safe and functional operation cannot be ensured.
- Allow the device to cool down before transport and/or maintenance work.
- Do not use this device near bathtubs, shower trays, swimming pools, or other water containers. Risk of electric shock!
Intended use
Use the device for heating closed rooms or dry outdoor areas whilst adhering to the technical data. Moreover, the device is suited for drying, defrosting, and aeration. Intended use comprises e.g. heating the air in:
— sheds and stables
— greenhouses
— winter construction sites
Intended use comprises e.g. defrosting machines or pipelines.
Foreseeable misuse
- Do not place any objects, e.g. clothing, on the device.
- Do not use this device in the vicinity of fuel, solvents, varnishes, or other easily inflammable vapours or in rooms where these substances are stored.
- The device must not be used near swimming pools.
- Do not use the device for heating in vehicles.
- Do not use this device in the immediate vicinity of sinks. bathtubs or other water containers. Never immerse the device in water.
- Do not place the device on wet or flooded ground.
- The device may not be exposed to moisture or weather effects (rain, sunlight).
- Any operation other than as described in this manual is prohibited. Non-observance renders all claims for liability and guarantees null and void.
- Any unauthorised modifications, such as alterations or structural changes to the device, are forbidden.
Personnel qualifications
People who use this device must:
- be aware of the dangers that occur when working with electric devices in damp areas.
- have read and understood the instructions, especially the Safety chapter.
Maintenance tasks that require the housing to be opened must only be carried out by specialist electrical companies or by Trotec.
Electrically skilled person
Electrically skilled personnel must be able to read and understand electric circuit diagrams, put electrical systems into service and maintain them, to wire control cabinets, ensure the functionality of electrical components, and identify possible hazards from electrical and electronic systems.
Instructed person
Instructed persons have been informed of the tasks they were entrusted with as well as of potential hazards resulting from inappropriate behavior. They are allowed to operate and transport the device and perform simple maintenance activities (cleaning the housing, cleaning the fan). The device is to be maintained and looked after by instructed personnel.
Residual risks
Warning of electrical voltage
Work on the electrical components must only be carried out by an authorized specialist company!
Warning of electrical voltage
Before any work on the device, remove the main plug from the main socket!
Do not touch the mains plug with wet or damp hands. Hold onto the mains plug while pulling the power cable out of the mains socket.
Warning of hot surface
Some parts of this product can become very hot and cause burns. Particular attention has to be given where children and vulnerable people are present!
Warning
Improper handling entails a risk of bumping and electric shock. Only use the device as intended!
Warning
Dangers can occur at the device when it is used by untrained people in an unprofessional or improper way! Observe the personnel qualifications!
Warning
The device is not a toy and does not belong in the hands of children.
Warning
Risk of suffocation!
Do not leave the packaging lying around. Children may use it as a dangerous toy.
Warning
Improper installation entails a risk of fire. Do not place the device on the combustible ground. Do not place the device on high-pile carpets.
Warning
In order to avoid overheating and fire hazards, the device must not be covered!
Behavior in the event of an emergency
- Switch the device off.
- In an emergency, disconnect the device from the mains feed-in: Hold onto the mains plug while pulling the power cable out of the mains socket.
- Do not reconnect a defective device to the mains.
Overheating protection
The device is provided with overheating protection which is activated by exceeding the operating temperature of the device. Once the overheating protection has tripped (6 overheating elements, one for each heating element), the respective heating element will switch off. The fan keeps running if the overheating protection has tripped. When the respective heating element has cooled down, it will be switched back on.
Note To prevent the overheating protection from tripping unintentionally, this device must not be connected to a socket that can be switched off or that has an unstable power supply.
Info To provide additional protection, install a residual current device (RCD) with a nominal residual operating current not exceeding 30 mm. To switch the device off, proceed as described in the Switch the device of the chapter.
Information about the device
Device description The device serves to generate and distribute warm air, speeding up drying processes, and defrosting frozen materials. It can be used either in closed rooms or in dry outdoor areas.
The heating element generates warmth. The air surrounding the heating element is heated. The heated air is distributed in the room by the fan. The integrated thermostat is equipped with a 3-stage temperature adjustment which allows to constantly keep the respective temperature level. The device is further equipped with overheating protection. The device is suitable for tough requirements and therefore suited for use on construction sites (heating and construction drying), in greenhouses or in other commercial areas, e.g. for drying earthenware. Besides, the device is suited for continuous operation.
Device depiction
![]() | ![]() |
| No. | Designation |
| 1 | Wheels |
| 2 | Air outlet |
| 3 | Housing |
| 4 | Transport handle |
| 5 | Fan |
| 6 | Air inlet |
| 7 | Rotary switch temperature |
| 8 | Mains plug |
Transport and storage
Note
If you store or transport the device improperly, the device may be damaged. Note the information regarding the transport and storage of the device.
Transport
To make the device easier to transport, it is fitted with wheels. To make the device easier to transport, it is fitted with a carry handle.
Before transporting the device, observe the following:
- Switch the device off.
- Hold onto the mains plug while pulling the power cable out of the mains socket.
- Do not use the power cable to drag the device.
- Allow the device to cool down sufficiently.
Storage
Before storing the device, observe the following:
- Hold onto the mains plug while pulling the power cable out of the mains socket.
- Stackable: up to 3 devices may be stacked on top of one another.
- Allow the device to cool down sufficiently.
When the device is not being used, observe the following storage conditions:
- dry and protected from frost and heat
- in an upright position where it is protected from dust and direct sunlight
- with a cover to protect it from invasive dust, if necessary
- Place no further devices or objects on top of the device to prevent it from being damaged.
Assembly and installation
Scope of delivery
- 1 x Device
- 1 x Manual
Start-up
Info
Odors might arise upon initial start-up or after a longer period of non-use.
When positioning the device, observe the minimum distance from walls or other objects as described in the chapter Technical annex.

- Before restarting the device, check the condition of the power cable. If they are doubts about the sound condition, contact customer service.
- The device may only be used in environments with no excessive formation of dust.
- Set the device up in an upright and stable position.
- Lock the wheels and secure the device against rolling away.
- Do not create tripping hazards when laying the power cable or other electric cables, especially when positioning the device in the middle of the room. Use cable bridges.
- Make sure that extension cables are completely unrolled.
- Make sure that no curtains or other objects interfere with the airflow.
- Make sure that the device cannot come into contact with moisture or water. Connecting the power cable
- Insert the mains plug into a properly fused mains socket.
- Make sure that the power cable is guided along the back of the device. Never guide the power cable along the front of the device!
Operation
- Avoid open doors and windows.
- Stackable: up to 3 devices may be stacked on top of one another.
Control panel

| No. | Designation | Meaning |
| 7 | Rotary switch temperature | Switching the device on/off Setting the heating level |
| 9 | Position 0 | The device is switched off. |
| 10 | Position 1 | Aeration (no temperature increase) |
| 11 | Position 2 | Heating level 1 |
| 12 | Position 3 | Heating level 2 |
| 13 | Position 4 | Heating level 3 |
Switching the device on
Once you have completely installed the device as described in the Start-up chapter, you can switch it on.
- Set the rotary switch temperature (7) into the desired position and switch the device on.
Switching the device off
- Set the rotary switch temperature (7) to 1 (10) where ventilation mode only is activated.
- Keep the fan running until the device has cooled down. The fan motor stops automatically.
→ Never pull the mains plug from the socket while the fan is running. The device may overheat. - Set the switch temperature (7) to 0 (9) to switch the device off.
Shutdown
Warning of electrical voltage
Do not touch the mains plug with wet or damp hands.
- Proceed as described in the Switch the device of the chapter.
Clean the device according to the Maintenance chapter. - Store the device according to the Storage chapter.
Available accessories
Warning
Only use accessories and additional equipment specified in the instructions.
Using insertion tools or accessories other than those specified in the instructions may cause a risk of injury.
| Designation | Article number |
| Room thermostat | 6.100.007.011 |
Errors and faults
The device has been checked for proper functioning several times during production. If malfunctions occur nonetheless, check the device according to the following list.
The device does not start
- Check the power connection.
- Check the power cable and mains plug for damages.
- Check the on-site fusing.
- The motor might be defective. Have a defective motor replaced by a specialist electrical company.
- Wait for 10 minutes before restarting the device. If the device is not starting, have the electrics checked by a specialist company or by Trotec.
The device is switched on, the fan is operating, but the heating is not:
- Check whether a heating level is selected.
- Check whether the overheating protection has tripped (see chapter Safety).
- The heating resistor might have blown. Have a defective heating resistor replaced by a specialist electrical company.
- The heating element may be defective. If the heating element is defective, have it replaced by a specialist electrical company.
The fan is not running:
- Check whether the device is switched on.
- Check the power connection.
- Check the power cable and mains plug for damages.
- The fan motor might be defective. Have a defective fan motor replaced by a specialist electrical company.
The device is loud or vibrates:
- Check whether the device is set up in a stable and upright position.
- Check the fan for dirt or damage.
- Has the motor been checked by an authorized specialist company or by Trotec? There may be bearing damage on the motor.
- Check the fan blades for dirt and clean them if required (see chapter Maintenance).
- If the fan blades are defective, have them replaced by a specialist company or by Trotec.
Your device still does not operate correctly after these checks?
Please contact customer service. If necessary, bring the device to an authorized specialist electrical company or to Trotec for repair.
Maintenance
Maintenance intervals
| Maintenance and care interval | before every start-up | as needed | at least every 2 weeks | at least every 4 weeks | at least every 6 months | at least annually |
| Check air inlets and outlets for dirt and foreign objects and clean if necessary | × | |||||
| Check air inlet grid(s) for dirt and foreign objects and clean if necessary | × | × | ||||
| Clean the exterior | × | × | ||||
| Visually check the inside of the device for dirt | × | × | ||||
| Check for damage | × | |||||
| Check attachment screws | × | × | ||||
| Test run | × |
Maintenance and care log
Device type: ………………………………………
Device number: ………………………………
| Maintenance and care interval | 1 | 2 | 3 | 4 | 5 | 6 | 7 | 8 | 9 | 10 | 11 | 12 | 13 | 14 | 15 | 16 |
| Check air inlets and outlets for dirt and foreign objects and clean if necessary | ||||||||||||||||
| Check air inlet grid(s) for dirt and foreign objects and clean if necessary | ||||||||||||||||
| Clean the exterior | ||||||||||||||||
| Visually check the inside of the device for dirt | ||||||||||||||||
| Check for damage | ||||||||||||||||
| Check attachment screws | ||||||||||||||||
| Test run | ||||||||||||||||
| Comments | ||||||||||||||||
| 1. Date: …………………………….. Signature: ………………………….. | 2. Date: ……………………………… Signature: …………………………… | 3. Date: ……………………………… Signature: …………………………… | 4. Date: ……………………………… Signature: …………………………… |
| 5. Date: …………………………….. Signature: ………………………….. | 6. Date: ……………………………… Signature: …………………………… | 7. Date: ……………………………… Signature: …………………………… | 8. Date: ……………………………… Signature: …………………………… |
| 9. Date: …………………………….. Signature: ………………………….. | 10. Date: ……………………………. Signature: …………………………… | 11. Date: ……………………………. Signature: …………………………… | 12. Date: ……………………………. Signature: …………………………… |
| 13. Date: …………………………… Signature: ………………………….. | 14. Date: ……………………………. Signature: …………………………… | 15. Date: ……………………………. Signature: …………………………… | 16. Date: ……………………………. Signature: …………………………… |
Activities required before starting maintenance
Warming of electrical voltage
Do not touch the mains plug with wet or damp hands.
- Switch the device off.
- Hold onto the mains plug while pulling the power cable out of the mains socket.
- Allow the device to cool down completely.
Warming of electrical voltage
Tasks that require the housing to be opened must only be carried out by authorized specialist companies or by Trotec.
Cleaning the housing
Warming of electrical voltage
Never immerse the device in the water!
Clean the housing with a soft, damp, and lint-free cloth. Ensure that no moisture enters the housing. Protect electrical components from moisture. Do not use any aggressive cleaning agents such as cleaning sprays, solvents, or alcohol-based or abrasive cleaners to dampen the cloth. Wipe the housing dry after cleaning.
Visual inspection of the inside of the device for dirt
- Use a torch to illuminate the openings of the device.
- Check the inside of the device for dirt.
- If you see a thick layer of dust, have the inside of the device cleaned by a specialist electrical company or by Trotec.

Technical annex
Technical data
| Parameter | Value | |
| Model | TEH 70 | TEH 100 |
| Heating capacity | 12 kW (6 – 9 – 12 kW) | 18 kW (6 – 13.5 – 18 kW) |
| Air volume nominal: effective: | 1258 m³/h 712 m³/h | 1785 m³/h 1400 m³/h |
| Temperature increase ΔT | 50 °C | 38 °C |
| Mains connection | 380 – 415 V 3~ /50 Hz | 380 – 415 V 3~ / 50 Hz |
| Nominal current consumption | 18.2 A | 27.3 A |
| Sound pressure level (at a distance of 1 m) | 72 dB(A) | 73 dB(A) |
| Dimensions (length x width x height) | 465 x 425 x 555 mm | 465 x 425 x 555 mm |
| Minimum distance to walls and other objects top (A): rear (B): sides (C): front (D): | 50 cm 50 cm 50 cm 50 cm | 50 cm 50 cm 50 cm 50 cm |
| Weight | 29.5 kg | 29.5 kg |
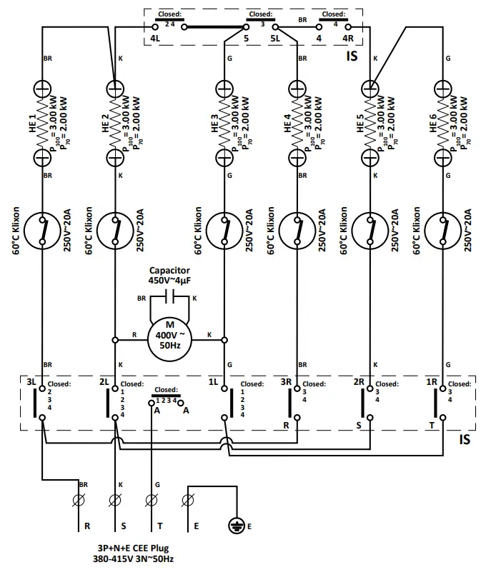
Circuit diagram TEH 70 / TEH 100

TAGS
| B- Blue BR – Brown G – Grey K – Black R – Red | Fin- Heating element 1 HE2- Heating element 2 HE3- Heating element 3 HE4- Heating element 4 HE5- Heating element 5 HE6- Heating element 6 | IS- inaustnai CAM switch M- Fan motor SR-TCO- Self-resetting thermal cut-out |
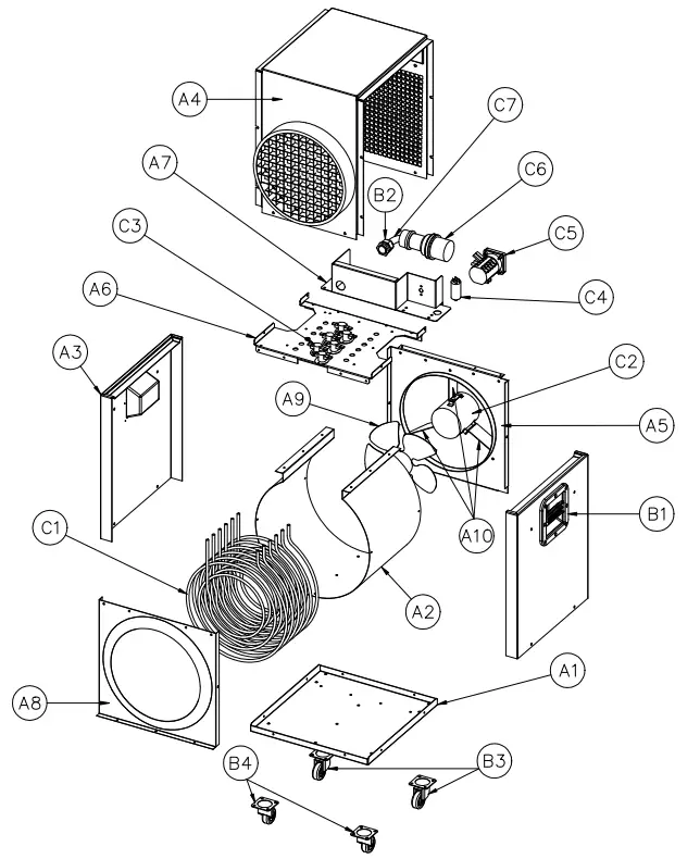
Overview TEH 70 / TEH 100
Info
The position numbers of the spare parts differ from those describing the positions of the components mentioned in these instructions.

| No. | Spare part | No. | Spare part |
| A1 | Baseplate | B2 | Cable Gland PG21 |
| A2 | Air flow duct | B3 | Spinning Castor with Brake |
| A3 | Yellow (RAL1021) Painted Side panel | B4 | Loose Spinning Castor |
| A4 | Black Painted Hood (Ø300mm Hose Connection) | C1 | 3kW Heating Element (TEH100) 2kW Heating Element (TEH70) |
| A5 | Motor Fan Support | ||
| A6 | Heating Element Base Plate | C2 | Motor Fan |
| A7 | Black Painted Control Panel | C4 | 4μF Starting Capacitor |
| A8 | Air Outlet Protection Shield | C5 | 4 Positions 3ph. Cam Switch |
| A9 | Ø300 Aluminium Fan Blade, Pitch 24° (TEH70) Ø300 Aluminium Fan Blade, Pitch 40° (TEH100) | C6 | 32A 3ph. Plug – IP44 |
| A10 | Motor Fan Brackets | C7 | Supply Cable |
| B1 | ABS Trotec Grip |
Disposal
The icon with the crossed-out waste bin on waste electrical or electronic equipment stipulates that this equipment must not be disposed of with the household waste at the end of its life. You will find collection points for free return of waste electrical and electronic equipment in your vicinity. The addresses can be obtained from your municipality or local administration. You can also find out about other return options that apply to many EU countries on the website https://hub.trotec.com/?id=45090. Otherwise, please contact an official recycling center for electronic and electrical equipment authorized in your country.
The separate collection of waste electrical and electronic equipment aims to enable the re-use, recycling, and other forms of recovery of waste equipment as well as to prevent negative effects on the environment and human health caused by the disposal of hazardous substances potentially contained in the equipment.
Declaration of conformity
The text below sets out the contents of the declaration of conformity. The signed declaration of conformity can be found at https://hub.trotec.com/?id=44020.
Declaration of conformity in accordance with the EC Machinery Directive 2006/42/EC, Annex II, Part 1, Section A
Herewith, we – Trotec GmbH– declare that the machinery designated below was developed, constructed, and produced in compliance with the requirements of the EC Machinery Directive in the version 2006/42/EC.
Product Model / Product: TEH 70 /TEH 100
Product type: electric heater
Year of manufacture as of: 2021
| Relevant EU directives: | Applied harmonized standards: | Applied national standards and technical specifications: |
|
|
|
Manufacturer and name of the authorized representative of the technical documentation:
Trotec GmbH
Grebbener Straße 7, D-52525 Heinsberg Phone: +49 2452 962-400
E-mail: [email protected]
Place and date of issue: Heinsberg, 18.10.2012
Detlef von der Lieck, Managing Director
Trotec GmbH
Grebbener Str. 7 D-52525 Heinsberg
+49 2452 962-400
+49 2452 962-200
[email protected]
www.trotec.com




















