![]()
TDS 10 M Ceramic Fan Heater
Instruction Manual
TDS 10 M / TDS 20 M
ORIGINAL INSTRUCTIONS CERAMIC HEATER
TRT-BA-TDS10M-TDS20M-TC210806TTRT02-008-EN
Notes regarding the instructions
Symbols
Warning of electrical voltage
This symbol indicates dangers to the life and health of persons due to electrical voltage.
Warning of hot surface
This symbol indicates dangers to the life and health of persons due to hot surfaces.
Warning
This signal word indicates a hazard with an average risk level that, if not avoided, can result in serious injury or death.
Caution
This signal word indicates a hazard with a low-risk level which, if not avoided, can result in minor or moderate injury.
Note
This signal word indicates important information (e.g. material damage), but does not indicate hazards.
Info
Information marked with this symbol helps you to carry out your tasks quickly and safely.
Follow the manual
Information marked with this symbol indicates that the instructions must be observed.
You can download the current version of the instructions via the following link:![]()
TDS 10 M
https://hub.trotec.com/?id=41087
TDS 20 M
https://hub.trotec.com/?id=41028
Safety
Read this manual carefully before starting or using the device. Always store the manual in the immediate vicinity of the device or its site of use.
Warning
Read all safety warnings and all instructions. Failure to follow the warnings and instructions may result in electric shock, fire, and/or serious injury. Save all warnings and instructions for future reference.
This appliance can be used by children aged 8 years and above and persons with reduced physical, sensory or mental capabilities or lack of experience and knowledge if they have been given supervision or instruction concerning the use of the appliance in a safe way and understand the hazards involved. Children shall not play with the appliance. Cleaning and user maintenance shall not be made by children without supervision.
Warning
Children of less than 3 years should be kept away from the device unless continuously supervised. Children aged from 3 years and less than 8 years shall only switch on/off the appliance provided that it has been placed or installed in its intended normal operating position and they have been given supervision or instruction concerning the use of the appliance in a safe way and understand the hazards involved.
Children aged from 3 years and less than 8 years shall not plug in, regulate and clean the appliance or perform user maintenance.
Warning
Do not use the device in small rooms if persons are present who cannot leave the room independently and who are not under constant supervision.
- Do not use the device in potentially explosive rooms or areas and do not install it there.
- Do not use the device in an aggressive atmosphere.
- Only put up the device in an upright, stable position on firm ground.
- Let the device dry out after a wet clean. Do not operate it when wet.
- Do not use the device with wet or damp hands.
- Do not expose the device to directly squirting water.
- Never insert any objects or limbs into the device.
- Do not cover the device during operation.
- Do not remove any safety signs, stickers, or labels from the device. Keep all safety signs, stickers, and labels in legible condition.
- Do not sit on the device.
- This device is not a toy. Keep away from children and animals. Do not leave the device unattended during operation.
- Check accessories and connection parts for possible damage prior to every use of the device. Do not use any defective devices or device parts.
- Ensure that all electric cables outside of the device are protected from damage (e.g. caused by animals). Never use the device if electric cables or the power connection are damaged!
- The main connection must correspond to the specifications in the technical annex.
- Insert the mains plug into a properly fused mains socket.
- Observe the device’s power input, cable length, and intended use when selecting extensions to the power cable. Completely unroll extension cables. Avoid electrical overload.
- Before carrying out maintenance, care, or repair work on the device, remove the main plug from the main socket. Hold onto the mains plug while doing so.
- Switch the device off and disconnect the power cable from the main socket when the device is not in use.
- Do not under any circumstances use the device if you detect damages on the mains plug or power cable. If the power cable is damaged, it must be replaced by the manufacturer, its service agent, or similarly qualified persons in order to avoid a hazard. Defective power cables pose a serious health risk! · When positioning the device,
- observe the minimum distances from walls and other objects as well as the storage and operating conditions specified in the Technical Annex.
- Keep a safe distance of at least 1 m between the air inlet and the air outlet of the device and all combustible materials such as textiles, curtains, beds, and sofas.
- Make sure that the air inlet and outlet are not obstructed.
- Do not place the device on the combustible ground.
- Only use original spare parts, for otherwise safe and functional operation cannot be ensured.
- Allow the device to cool down before transport and/or maintenance work.
- Do not use the device if it has been dropped or if it shows visible signs of damage.
- Do not use the heating device together with a programming device, a timer, a separate remote control system, or any other device that automatically switches the heating device on, as there is a risk of fire if the heating device is covered or incorrectly positioned.
Intended use
- Only use the device for heating closed rooms whilst adhering to the technical data.
- Intended use comprises heating the air in
- Construction trailers
- Garages
- Market stalls
- Workshops
- Gastronomy sector
- Warehouses and halls
- Shipyards
Foreseeable misuse
- Do not place the device on wet or flooded ground.
- Do not place any objects, e.g. clothing, on the device.
- Do not use this device in the vicinity of fuel, solvents, varnishes, or other easily inflammable vapors or in rooms where these substances are stored.
- Do not use the device out of doors.
- Do not use the device for heating vehicles.
- This heating device must not be used in wet rooms (e.g. bathrooms or laundry rooms).
- Never immerse the device in water.
- Any use other than the intended use is regarded as a reasonably foreseeable misuse.
- Do not make any unauthorized modifications, alterations, or structural changes to the device.
Personnel qualifications
People who use this device must:
- ·be aware of the dangers that occur when working with electric devices in damp areas.
- have read and understood the instructions, especially the Safety chapter.
Maintenance tasks that require the housing to be opened must only be carried out by specialist electrical companies or by Trotec.
Symbols on the device
| Symbols | Meaning |
| This symbol located on the device indicates that it is prohibited to place objects (such as towels, clothes, etc.) above or directly in front of the device. In order to avoid overheating and fire hazards, the heater must not be covered. |
Residual risks
Warning of electrical voltage
Work on the electrical components must only be carried out by an authorized specialist company!
Warning of electrical voltage
Before any work on the device, remove the main plug from the main socket! Do not touch the mains plug with wet or damp hands. Hold onto the mains plug while pulling the power cable out of the mains socket.
Warning of electrical voltage
Risk of electric shock! The device must not come into contact with water, otherwise, there is a risk of an electric shock! Do not use this heating device in wet rooms!
Warning of hot surface
Parts of this appliance can become very hot and cause burns. Particular attention is to be paid when there are children or vulnerable persons present!
Warning
Improper handling entails a risk of burning and electric shock. Only use the device as intended!
Warning
Dangers can occur to the device when it is used by untrained people in an unprofessional or improper way! Observe the personnel qualifications!
Warning
The device is not a toy and does not belong in the hands of children.
Warning
Risk of suffocation! Do not leave the packaging lying around. Children may use it as a dangerous toy.
Warning
Improper installation entails a risk of fire. Do not place the device on the combustible ground. Do not place the device on high-pile carpets. Do not use the device without the feet attached.
Warning
In order to avoid overheating and fire hazards, the device must not be covered!
Behavior in the event of an emergency
- Switch the device off.
- In an emergency, disconnect the device from the mains
feed-in: Hold onto the mains plug while pulling the power cable out of the mains socket. - Do not reconnect a defective device to the mains.
Overheating protection
The device is provided with a safety thermostat which is activated by overheating the device (when exceeding the operating temperature). Once the safety thermostat has witched itself on, the heating will be turned off. The fan keeps running. When the device has cooled down sufficiently, the heating will be switched back on. Investigate the cause f overheating. If the safety thermostat does not switch in the event of overheating, the overheating protection will be tripped. In that case, the device switches off completely. If so, please contact customer service to have the overheating protection replaced.
Information about the device
Device description
The ceramic heater serves to generate and distribute warm air, e.g. in interior spaces.
The device generates heat by means of a ceramic heating element. The air surrounding the ceramic heating element is heated. The heated air is blown into the room by a fan.
Device depiction
TDS 10 M / TDS 20 M

| No. | Designation |
| 1 | Transport handle |
| 2 | Air outlet |
| 3 | Heating level I switch |
| 4 | Heating level II switch |
| 5 | Operating light |
| 6 | Air inlet |
Transport and storage
Note
If you store or transport the device improperly, the device may be damaged.
Note the information regarding the transport and storage of the device.
Transport
To make the device easier to transport, it is fitted with a carry handle.
Before transporting the device, observe the following:
- Switch the device off.
- Hold onto the mains plug while pulling the power cable out of the mains socket.
- Do not use the power cable to drag the device.
- Allow the device to cool down sufficiently.
Storage
Before storing the device, proceed as follows:
- Hold onto the mains plug while pulling the power cable out of the mains socket.
- Allow the device to cool down sufficiently. When the device is not being used, observe the following storage conditions:
- Store the device in a dry location and protected it from frost and heat.
- Store the device in an upright position where it is protected from dust and direct sunlight.
- If required, use a cover to protect the device from invasive dust.
- Place no further devices or objects on top of the device to prevent it from being damaged.
Assembly and start-up
Scope of delivery
- 1x device
- 1 x Transport handle
- 2 x Screw
- 2 x Washer
- 1 x manual
Unpacking the device
- Open the cardboard box and take the device out.
- Completely remove the packaging.
- Fully unwind the power cable. Make sure that the power cable is not damaged and that you do not damage it during unwinding.
Assembly
Warning
Risk of fire due to improper installation! There is a risk of fire if the required minimum distances are not observed. Observe the “Installation” section in the “Assembly and start-up” chapter and the technical data in the “Technical annex” chapter.
Use tools suitable for the intended task.
Mounting the transport handle
Prior to initial start-up, the transport handle must be attached to the device.
The procedure is identical for the devices TDS 10 M / TDS 20 M. To do so, please proceed as follows:
- Loosen the two screws and the two washers from the top of the housing.

use the screws and washers to mount the transport handle.
Start-up
Info
Odors might arise upon initial start-up or after a longer period of non-use. When positioning the device, observe the minimum distance from walls or other objects as described in the chapter Technical annex.
- Before restarting the device, check the condition of the power cable. If there are doubts as to the sound condition, contact the customer service.
- Set the device up in an upright and stable position.
- Do not create tripping hazards when laying the power cable or other electric cables, especially when positioning the device in the middle of the room. Use cable bridges.
- Make sure that extension cables are completely unrolled.
- Make sure that no curtains or other objects interfere with the airflow.
- Make sure that the device cannot come into contact with moisture or water
Connecting the power cable
- Insert the mains plug into a properly fused mains socket.
- Make sure that the power cable is guided along the back of the device. Never guide the power cable along the front of the device!
Operation
The procedure is identical for the devices TDS 10 M / TDS 20 M.
- Avoid open doors and windows.
Control panel
| No. | Designation | Meaning |
| 3 | Heating level I switch | Switches on heating level 1: 1000 W (TDS 10 M) 1500 W (TDS 20 M) |
| 4 | Heating level II switch | Switches on heating level 2: 2000 W (TDS 10 M) 3000 W (TDS 20 M) |
Switching the device on
Once you have completely installed the device as described in the chapter Assembly and start-up, you can switch it on.
- Switch on the heating level I switch (3).
The operating light (5) is illuminated.
The device operates at heating level 1. - To achieve the maximum heating capacity, additionally switch on the heating level II switch (4).
The device operates at heating level 2.
Shutdown
Warning of electrical voltage
Do not touch the mains plug with wet or damp hands.
- First switch off the heating level II switch (4), if applicable.
- Switch off the heating level I switch (3).
- Hold onto the mains plug while pulling the power cable out of the mains socket.
- Allow the device to cool down completely.
- Clean the device according to the Maintenance chapter.
- Store the device according to the Transport and storage chapter.
Errors and faults
Warning of electrical voltage
Tasks that require the device to be opened must only be carried out by authorized specialist companies or by Trotec. The device has been checked for proper functioning several times during production. If malfunctions occur nonetheless, check the device according to the following list.
The device does not start:
- Check the power connection.
- Check the power cable and mains plug for damage. If you notice damages, do not try to take the device back into operation. If the supply cord is damaged, it must be placed by the manufacturer, its service agent, or similarly qualified persons in order to avoid a hazard.
- Check the on-site fusing.
- The motor might be defective. Have a defective motor replaced by a specialist electrical company.
- The overheating protection may have been tripped. Have a specialist electrical company or Trotec check the electrics and replace the overheating protection.
- Wait for 10 minutes before restarting the device. If the device is not starting, have the electrics checked by a specialist company or by Trotec.
The device is switched on, the fan is operating, but the heating is not:
- Check whether the overheating protection has tripped (see chapter Safety).
- The heating resistor might have blown. Have a defective heating resistor replaced by a specialist electrical company.
The fan is not running:
- Check whether the device is switched on.
- Check the power connection.
- Check the power cable and mains plug for damages.
- The fan motor might be defective. Have a defective fan motor replaced by a specialist electrical company.
The air current is reduced:
- Check the air inlet and outlet. Make sure that the air inlet and outlet are not obstructed. Remove any dirt. Observe the minimum distance from walls or other objects according to o the technical data.
The device is loud or vibrates:
- Check whether the device is set up in a stable and upright position.
Note Wait for at least 3 minutes after maintenance and repair work. Only then switch the device back on.
The device still does not operate correctly after these checks:
Please contact customer service. If necessary, bring the device to an authorized specialist electrical company or to Trotec for repair.
Maintenance
| Maintenance and care interval | before every start-up | as needed | at least every 2 weeks | at least every 4 weeks | at least every 6 months | at least annually |
| Check air inlets and outlets for dirt and foreign objects and clean if necessary | x | |||||
| Check air inlet grid(s) for dirt and foreign objects and clean if necessary | x | x | ||||
| Clean the exterior | x | x | ||||
| Visually check the inside of the device for dirt | x | x | ||||
| Check for damage | x | |||||
| Check attachment screws | x | x | ||||
| Test run | x |
Maintenance and care log
Device type………………….
Device number……………..
| Maintenance and care interval | 1 | 2 | 3 | 4 | 5 | 6 | 7 | 8 | 9 | 10 | 11 | 12 | 13 | 14 | 15 | 16 |
| Check air inlets and outlets for dirt and foreign objects and clean if necessary | ||||||||||||||||
| Check air inlet grid(s) for dirt and foreign objects and clean if necessary | ||||||||||||||||
| Clean the exterior | ||||||||||||||||
| Visually check the inside of the device for dirt | ||||||||||||||||
| Check for damage | ||||||||||||||||
| Check attachment screws | ||||||||||||||||
| Test run | ||||||||||||||||
| Comments | ||||||||||||||||
| 1. Date: ………………………. Signature: ……………………. | 2. Date:…………………………….. Signature: ………………………….. | 3. Date:…………………… Signature:……………….. | 4. Date: …………………. Signature:……………………… |
| 5. Date:………………… Signature:………………………….. | 6. Date: ……………….. Signature: ………………….. | 7. Date: ………….. Signature:……………………. | 8. Date:………………. Signature:…………………. |
| 9. Date: ……………….. Signature: ……………………….. | 10. Date:…………………… Signature:…………………. | 11. Date: ……………………. Signature: ………………………… | 12. Date: ………………….. Signature:……………… |
| 13. Date:…………….. Signature: …………………………… | 14. Date:………………………. Signature…………………….. | 15. Date: …………………. Signature: ………………….. | 16. Date: ………………………. Signature:…………………………. |
Activities required before starting maintenance
Warning of electrical voltage
Do not touch the mains plug with wet or damp hands.
- Switch the device off.
- Hold onto the mains plug while pulling the power cable out of the mains socket.
- Allow the device to cool down completely.
Warning of electrical voltage Tasks that require the device to be opened must only be carried out by authorized specialist companies or by Trotec.
Cleaning the housing
Warning of electrical voltage
Never immerse the device in the water! Clean the housing with a soft, damp, and lint-free cloth. Make sure that no moisture enters the housing. Protect electrical components from moisture. Do not use any aggressive cleaning agents such as cleaning sprays, solvents, or alcohol-based or abrasive cleaners to dampen the cloth. Wipe the housing dry after cleaning.
Technical annex
Technical data
| Parameter | Value | |
| Model | TDS 10 M | TDS 20 M |
| Heating capacity Stage 1: Stage 2: | 1000 W 2000 W | 1500 W 3000 W |
| Air flow rate | 100 m3/h | 290 m3/h |
| Operating range | -15 °C to +30 °C | -15 °C to +30 °C |
| Mains connection | 220 — 240 V / 50 Hz | 220 — 240 V / 50 Hz |
| Max. power input | 2000 W | 3000 W |
| Nominal Current consumption | 8.7 A | 13 A |
| Fusing | 10 A | 16 A |
| Plug type | Schuko plug CEE 7/7 | Schuko plug CEE 7/7 |
| Cable length | 1.35 m | 1.35 m |
| Sound pressure level (at a distance of 1 m) | 52 dB(A) | 57 dB(A) |
| Overheating protection | 121 °C | 144 °C |
| Dimensions (depth x width x height) | 130 x 165 x 225 mm | 170 x 220 x 290 mm |
| Minimum distance to walls and other objects top (A): rear (B): sides (C): front (D): | 50 cm 50 cm 50 cm 50 cm | 50 cm 100 cm 50 cm 150 cm |
| Weight | 1.5 kg | 2.5 kg |
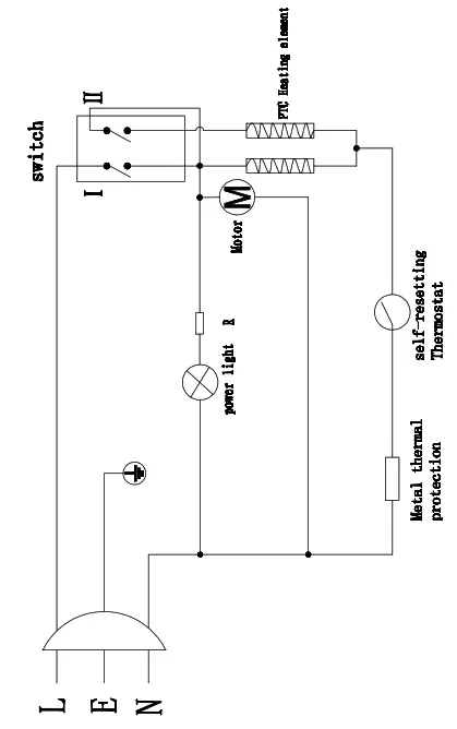
Circuit diagram

Overview of spare parts TDS 10 M
Note!
The position numbers of the spare parts differ from those describing the positions of the components mentioned in these instructions.

Spare parts list TDS 10 M
| No. | Spare part | Specifications | QTY | No. | Spare part | Specifications | QTY |
| 1 | Front Grill | SPCC | 1 | 10 | Out Casing | SPCC | 1 |
| 2 | Air Outlet Shutter Fixed | PA66+30%GF | 1 | 11 | Back Grill | SPCC | 1 |
| 3 | Metal Thermal Protection | 121 °C | 1 | 12 | Power Cord | H05VV-F 3G1.0mm2 | 1 |
| 4 | Self-Resetting Thermostat | 65 °C | 1 | 13 | Cable Fastener | 6N-4 | 1 |
| 5 | PTC | 220-240V 2000W | 1 | 14 | Bottom Base | SPCC | 1 |
| 6 | Air Flue | PA66+30%GF | 1 | 15 | Dual Switch | RK1-23 | 1 |
| 7 | Motor | YJ58-16A 220-240V 25W | 1 | 16 | Rubber Feet | Rubber | 4 |
| 8 | Fan | PA | 1 | 17 | Indicator-Lamp Cover | PC | 1 |
| 9 | Handle | PA | 1 | ||||
Overview of spare parts TDS 20 M
Note!
The position numbers of the spare parts differ from those describing the positions of the components mentioned in these instructions.

Spare parts list TDS 20 M
| No. | Spare part | Specifications | QTY | No. | Spare part | Specifications | QTY |
| 1 | Front Grill | SPCC | 2 | 10 | Handle | PA | 1 |
| 2 | Air Outlet Shutter Fixed Ring | PA66+30%GF | 1 | 11 | Out Casing | SPCC | 1 |
| 3 | Metal Thermal Protection | 144 °C | 1 | 12 | Cable Fastener | 7N-2 PA66 | 1 |
| 4 | Self-Resetting Thermostat | 75 °C | 1 | 13 | Power Cord | H05VV-F 3G1.5mm2 | 1 |
| 5 | PTC | 220-240V 3000W | 1 | 14 | Bottom Base | SPCC | 1 |
| 6 | Air Flue | PA66+30%GF | 1 | 15 | Dual Switch | RK1-23 | 1 |
| 7 | Fan | AL | 1 | 16 | Indicator-Lamp Cover | PC | 1 |
| 8 | Motor | YJ58-20 220-240V 25W | 1 | 17 | Air Flue Support | SEC | 4 |
| 9 | Motor Supper | SEC | 1 | ||||
Disposal
Always dispose of packing materials in an environmentally friendly manner and in accordance with the applicable local disposal regulations.
The icon with the crossed-out waste bin on waste electrical or electronic equipment stipulates that this equipment must not be disposed of with the household waste at the end of its life. You will find collection points for free return of waste electrical and electronic equipment in your vicinity. The addresses can be obtained from your municipality or local administration. You can also find out about other return options that apply to many EU countries on the website https://hub.trotec.com/?id=45090. Otherwise, please contact an official recycling center for electronic and electrical equipment authorized in your country.
The separate collection of waste electrical and electronic equipment aims to enable the re-use, recycling, and other forms of recovery of waste equipment as well as to prevent negative effects on the environment and human health caused by the disposal of hazardous substances potentially contained in the equipment.
Only for the United Kingdom
According to Waste Electrical and Electronic Equipment Regulations, 2013 (2013/3113) devices that are no longer usable must be collected separately and disposed of in an environmentally friendly manner.
Declaration of conformity
Declaration of conformity in accordance with the EC Machinery Directive 2006/42/EC, Annex II, Part 1, Section A
We -Trotec GmbH declare in sole responsibility that the product designated below was developed, constructed, and produced in compliance with the requirements of the EC Machinery Directive in version 2006/42/EC.
Product Model / Product: TDS 10 M TDS 20 M
Product type: ceramic heater
Year of manufacture as of 2021
Relevant EU directives:
- 2011/65/EU: 01/07/2011
- 2012/19/EU: 24/07/2012
- 2014/30/EU: 29/03/2014
- 2015/863/EU: 31/03/2015
Applied harmonized standards:
- EN 55014-1:2017
- EN 60335-1:2012/A1:2019
- EN 60335-1:2012/A2:2019
- EN 60335-1:2012/A14:2019
- EN 60335-2-30:2009/A11:2012
- EN 61000-3-3:2013
Applied national standards and technical specifications:
- EN 55014-2:2015
- EN 62233:2008
- IEC 61000-3-2:2019
Manufacturer and name of the authorized representative of the technical documentation:
Trotec GmbH
Grebbener Straße 7, D-52525 Heinsberg
Phone: +49 2452 962-400
E-mail:[email protected]
Place and date of issue:
Heinsberg, 12.07.2021
Detlef von der Lieck, Managing Director
Trotec GmbH
Grebbener Str. 7 D-52525 Heinsberg
+49 2452 962-400 +49 2452 962-200
[email protected]
www.trotec.com
















