
PRD i/4 iClass
Wiring & Installation Instructions
V210226
#896413
Dimensions / Abmessungen (mm)

Wiegand 2-Wire

Pull-ups have to be connected to the D0/D1 data lines respectively. The value of the pull-ups depends on the current and voltage which is required for the controller input.
Magstripe-Emulation Data/Clock
No Card presents signal with data/clock

Pull-ups have to be connected to the clock and to the data lines respectively.
The value of the pull-ups depends on the current and voltage which is required for the controller input.
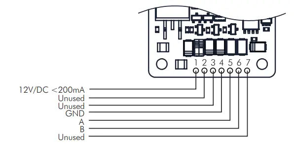
RS-485

The device is equipped with line transceivers according to the RS-485 standard.
Be sure to terminate the RS-485 bus appropriately.
Technical Data
| Dimensions: mm (inch) | 38.5 x 76 x 8 (1.52 x 2.99 x 0.31) |
| Electrical protection: | transient and reverse polarity protection |
| Operating temperature: °C (°F) | +5 … +60 (+41 … +140) |
| Read distance: mm (inch) | up to 50 (2), dependent on transponder type and local environment |
| Interface: | Open Collector, RS-485 |
| Protocol: | Wiegand, Data/Clock, Magstripe, deBus, deBus crypt, OSDP V2, customized |
| Power supply: | 12V/DC <200mA |
| Operating frequency: | 13.56 MHz, 125 kHz |
| Electrical connection: | 7-PIN soldering pads and socket for flex strip |
| Formats: | A unique number, free defined segment |
Warning:
It is possible that external interference sources will influence the read range, e.g. monitors, switching power supplies, power cables parallel to data cables, mounting on metal etc. LCD monitors have a minimal influence on the read range. In particular, the reader should be mounted on non-metallic material, such as plastic or wood. Metal screws (M6 – ISO 1207, 4762, or 7045) for mounting the reader have an insignificant influence on the read range. The unit needs to be operated with a power source with limited power consumption according to EN 62368-1:2016-05 annex Q.1.
Note:
With the growing distance between reader and interference source, the influence decreases. Use only linear regulated power supplies. Deister electronic GmbH offers suitable power supplies. To reduce the influence of external electrical interference, connect the cable shield to the ground (GND) of the power supply.
Regulatory notices for Europe:
Hereby, Deister electronic declares that the radio equipment type PRDi/4 iClass is in compliance with Directive 2014/53/EU.
The full text of the EU declaration of conformity is available at the following internet address: http://go.deister.com/ce
![]()
FCC/IC
This device complies with Industry Canada licence-exempt RSS standard(s) and part 15 of the FCC Rules. Operation is subject to the following two conditions: (1) this device may not cause interference, and (2) this device must accept any interference, including interference that may cause undesired operation of the device. Changes or modifications not expressly approved by the party responsible for compliance could void the user’s authority to operate the equipment.
End-product compliance
The modules include internal loop antenna(s). The end-product must be professionally installed in such a manner that only the internal antenna(s) can be used. The module conforms to the requirements of the USA / Canada. This has to be verified for every end device in which the module is installed.
General requirements
Any changes to hardware, hosts or co-location configuration may require new radiated emission and SAR evaluation and/or testing.
The regulatory compliance of the module does not exempt the end-product from being evaluated against applicable regulatory demands; for example, FCC Part 15B criteria for unintentional radiators.
Only the internal antenna(s) may be used.
Any notification to the end-user about how to install or remove the integrated radio module is NOT allowed.
Co-location (simultaneous transmission)
If the module is to be co-located with another transmitter, additional measurements for simultaneous transmission are required.
End-product labeling requirements
IC Compliance
The host product shall be properly labeled to identify the modules within the host product. The Innovation, Science and Economic Development Canada certification label of a module shall be clearly visible at all times when installed in the host product; otherwise, the host product must be labeled to display the Innovation, Science and Economic Development Canada certification number for the module, preceded by the word “Contains” or similar wording expressing the same meaning, as shown in Figure 5.
Figure 5
This device contains
FCC ID: IXLPRDI4IC
IC: 1893B-PRDI4IC
FCC Compliance
For an end product that uses the modules, there must be a label containing, at least, the information shown in Figure 5:
The label must be affixed on an exterior surface of the end product such that it will be visible upon inspection in compliance with the modular approval guidelines developed by the FCC.
In accordance with 47 CFR § 15.19, the end-product shall bear the following statement in a conspicuous location on the device:
| Germany: deister electronic GmbH Hermann-Bahlsen-Str. 11 30890 Barsinghausen Tel.: +49 (0) 51 05 – 51 61 11 Fax: +49 (0) 51 05 – 51 62 17 [email protected] | Great Britain: deister electronic (UK) Ltd. Stapleton Way, Enterprise Park Spalding, Lincolnshire PE11 3YQ Tel.: +44 (0) 1775 – 717100 Fax: +44 (0) 1775 – 717101 [email protected] |
| Benelux: deister electronic office Hendrik van Veldekesingel 150/56 OffiCenter 3500 Hasselt, Belgium Tel.: +32 (0) 15 – 48 02 15 Fax: +32 (0) 15 – 48 02 16 [email protected] | Japan: Deister Service Co., Ltd. Room 812, MG Meguro Ekimae Bld. 2-15-19 Kamiosaki, Shinagawa-ku Tokyo 141-0021, Japan Tel.: +81 (0) 3 4540 1350 Fax: +81 (0) 3 4540 1000 [email protected] |
| France: Deister electronic France SARL 15 avenue du Québec Bâtiment STERNES 2 91140 Villebon-sur-Yvette Tel.: +33 (0) 1 47 – 35 78 78 Fax: +33 (0) 1 47 – 35 92 59 [email protected] | Americas and Caribbean: deister electronics USA, Inc. 8576 Wellington Road Manassas, VA 20109 USA Tel.: +1 703 – 368 2739 Fax: +1 703 – 368 9791 [email protected] |
This device complies with Part 15 of the FCC Rules. Operation is subject to the following two conditions; (1) this device may not cause harmful interference, and (2) this device must accept any interference received, including interference that may cause undesired operation.
When the device is so small or for such use that it is not practicable to place the statement above on it, the information shall be placed in a prominent location in the instruction manual or pamphlet supplied to the user or, alternatively, shall be placed on the container in which the device is marketed.
In case, where the final product will be installed in locations where the end-user is not able to see the FCC ID and/or this statement, the FCC ID and the
the statement shall also be included in the end-product manual.
End-product user manual instructions
IC Compliance
User manuals for license-exempt radio apparatus shall contain the following text or an equivalent notice that shall be displayed in a conspicuous location,
either in the user manual or on the device, or both:
This device complies with Industry Canada’s license-exempt RSS. Operation is subject to the following two conditions: (1) This device may not cause interference; and (2) This device must accept any interference, including interference that may cause undesired operation of the device.
Under Industry Canada regulations, this radio transmitter can only operate using the internal antenna only.
Warranty Note
- Improper use of the device will void the warranty!




















