SILICON LABS CP2104 Evaluation Kit
![]()
Kit Contents
The CP2104 Evaluation Kit contains the following items:
- CP2104 Evaluation Board
- RS232 Serial Cable
- USB Cable
- Quick Start Guide
Relevant Documentation
Application notes can be found on the Interface Application Notes page for all fixed-function devices: www.silabs.com/interface-appnotes
- AN721: USBXpress™ Device Configuration and Programming Guide — Customize the VID, PID, serial number, and other parameters stored in the CP2104 one-time programmable ROM.
- AN197: Serial Communications Guide for CP210x — Programming guide for using the Virtual COM Port (VCP) drivers.
- AN169: USBXpress® Programmer’s Guide — Programming guide for using the USBXpress drivers.
- AN220: USB Driver Customization — VCP or USBXpress driver customization tool.
- AN223: Runtime GPIO Control for CP210x — Programming guide and DLL for runtime control of the CP2104 GPIO pins.
- AN571: CP210x Virtual COM Port Interface — USB interface details for CP210x devices.
Software Setup
The software packages and documentation for the CP2104 kit can be found on the device page (https://www.silabs.com/interface/usb-bridges/classic/device.cp2104) and include the following:
- CP210x Drivers (Software & Tools Tab)
- USBXpress Host SDK (Software & Tools Tab)
- Documentation: (Tech Docs Tab)
- CP2104 data sheet
- CP2104 evaluation kit user’s guide (this document)
USBXpress Driver Development Kit
The Silicon Laboratories USBXpress® Development Kit provides a complete host software solution for interfacing to CP210x devices. No USB protocol or host device driver expertise is required. Instead, a simple, high-level Application Program Interface (API) for the host software is used to provide complete USB connectivity. The USBXpress Development Kit includes Windows device drivers, Windows device driver installer, host interface function library (host API) provided in the form of a Windows Dynamic Link Library (DLL). See Application Note AN169, “USBXpress® Programmer’s Guide” for detailed information on using the USBXpress drivers.
The USBXpress drivers are available here: https://www.silabs.com/developers/direct-access-drivers
Click the USBXpress Development Kit link in the Downloads section to download the USBXpress drivers. Run the installer and follow the steps to install the software to the desired location. The default installation directory is C:\SiliconLabs\MCU\USBXpress_SDK.
Further installation instructions for the WinCE drivers can be found in the ReadMe.txt file contained inside the driver package.
CP2104 Hardware Interface
The evaluation board is connected to a PC as shown in Figure 1.
- Connect one end of the USB cable to a USB Port on the PC.
- Connect the other end of the USB cable to the USB connector on the CP2104 evaluation board.
- Connect one end of the RS232 serial cable to the DB-9 connector on the CP2104 evaluation board.
- Connect the other end of the RS232 serial cable to the target serial device.
![]()
CP2104 Software Interface
If the Virtual COM Port drivers are used, the CP2104 will appear as a COM port in the Device Manager, as shown in Figure 2. The CP2104 will always use the lowest available COM port for operation. For instance, if COM ports 1 and 2 are in use by other peripherals and applications, the CP2104 will use COM 3.
The CP2104 functions identically to a COM port from the reference point of both the host application and the serial device, and it can support serial device control requests defined in the Microsoft Win32® Communications API. Examples for how to communicate with the device as a serial COM port are included in AN197 on the www.silabs.com/interface-appnotes page or in the USBXpress Host SDK.
If the USBXpress drivers are used, the CP2104 will appear as a USB USBXpress device as shown in Figure 2. Examples for how to communicate with the device using the USBXpress interface are included in AN169 on the www.silabs.com/interface-appnotes page.
![]()
Target Board
The CP2104 Evaluation Kit includes an evaluation board with a CP2104 device pre-installed for evaluation and preliminary software development. Numerous input/output (I/O) connections are provided to facilitate prototyping using the evaluation board. Refer to Figure 3 for the locations of the various I/O connectors.
- P1 USB connector for USB interface
- P2 DB9 connector for RS232 interface
- J1 UART signal access connector
- J2, J3 GPIO access connector
- J4 Power connector
- DS0–DS3 Green GPIO LEDs
- DS4 Red SUSPEND indicator LED
![]()
LED Headers (J2, J3)
Connectors J2 and J3 are provided to allow access to the GPIO pins on the CP2104. Place shorting blocks on J2 and J3 to connect the GPIO pins to the four green LEDs DS0–DS3. These LEDs can be used to indicate active communications through the CP2104. Table 1 shows the LED corresponding to each header position.
Table 1. J2 and J3 LED Locations
| LED | Pins |
| DS0 | J3[3:4] |
| DS1 | J3[1:2] |
| DS2 | J2[3:4] |
| DS3 | J2[1:2] |
Universal Serial Bus (USB) Interface (P1)
A Universal Serial Bus (USB) connector (P1) is provided to facilitate connections to the USB interface on the CP2104. See Table 2 for the USB pin definitions.
Table 2. USB Connector Pin Descriptions
| Pin # | Description |
| 1 | VBUS |
| 2 | D- |
| 3 | D+ |
| 4 | GND (Ground) |
UART Signals (P2, J1)
An RS232 transceiver circuit and DB9 connector (P2) are provided on the evaluation board to connect the CP2104 virtual serial port to external serial devices. See Table 3 for the RS232 P2 pin descriptions. The J1 connector is provided to facilitate direct access to the CP2104’s UART signals. Shorting blocks on J1 are required to connect the UART signals to P2. See Table 4 for J1 pin descriptions.
Table 3. RS232 Pin Descriptions
| Pin | Signal | CP2104 Direction | Description |
| 1 | DCD | Input | Data Carrier Detect |
| 2 | RXD | Input | Receive Data |
| 3 | TXD | Output | Transmit Data |
| 4 | DTR | Output | Data Terminal Ready |
| 5 | GND | Ground | |
| 6 | DSR | Input | Data Set Ready |
| 7 | RTS | Output | Request to Send |
| 8 | CTS | Input | Clear to Send |
| 9 | RI | Input | Ring Indicator |
Table 4. J1 Pin Descriptions
| Pins | Signal | CP2104 Direction | Description |
| 1–2 | TXD | Output | Transmit Data |
| 3–4 | RXD | Input | Receive Data |
| 5–6 | DTR | Output | Data Terminal Ready |
| 7–8 | RI | Input | Ring Indicator |
| 9–10 | DCD | Input | Data Carrier Detect |
| 11–12 | DSR | Input | Data Set Ready |
| 13–14 | CTS | Input | Clear to Send |
| 15–16 | RTS | Output | Request to Send |
Power Connector (J4)
This header (J4) is included on the evaluation board to provide several power options. The following describes the function of each pin:
- Pins 1–2: Connects CP2104 VIO input (Pin 5) to CP2104 VDD (Pin 6). Remove the shorting block to power VIO from an external source.
- Pins 3–4: Connects the main +3 V net to the CP2104 VDD (Pin 6). The main +3 V net powers the other components (four green LEDs and RS232 Sipex Part) on the evaluation board.
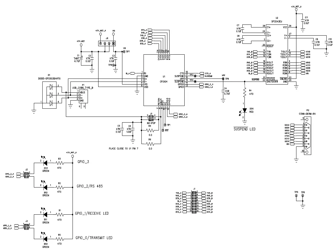
Schematic
![]()
Figure 4.CP2104 Evaluation Board Schematic
DOCUMENT CHANGE LIST
Revision 0.1 to Revision 0.2
- Updated “6.4. Power Connector (J4)” on page 5 to reflect the updated schematic.
- Updated J4 in Figure 4, “CP2104 Evaluation Board Schematic,” on page 6.
Revision 0.2 to Revision 0.3
Updated “7. Schematic” on page 6.
Revision 0.3 to Revision 0.4
- Updated “2.1.1. Virtual COM Port Driver Installation for Windows” on page 1.
- Updated “2.2.1. USBXpress Installation for Windows” on page 2.
- Removed “2.2.2. USBXpress Installation for Windows 98SE” on page 2.
Revision 0.4 to Revision 0.5
Updated Figure 3 with shorting blocks installed.
Revision 0.5 to Revision 0.6
Updated “3. Software Setup” on page 1.
Revision 0.6 to Revision 0.7
- Updated “1. Kit Contents” to change CD-ROM to DVD.
- Added “2. Relevant Documentation”.
- Updated “3. Software Setup” to point to the drivers on the website.
- Updated Figure 1 and Figure 2.
Revision 0.7 to Revision 0.8
- Updated “Kit Contents” on page 1 to remove DVD.
- Updated “Relevant Documentation” on page 1.
- Updated “Software Setup” on page 1.
Simplicity Studio
One-click access to MCU and wireless tools, documentation, software, source code libraries & more. Available for Windows, Mac and Linux!
IoT Portfolio
www.silabs.com/IoT
SW/HW
www.silabs.com/simplicity
Quality
www.silabs.com/quality
Support & Community
www.silabs.com/community
Disclaimer
Silicon Labs intends to provide customers with the latest, accurate, and in-depth documentation of all peripherals and modules available for system and software implementers using or intending to use the Silicon Labs products. Characterization data, available modules and peripherals, memory sizes and memory addresses refer to each specific device, and “Typical” parameters provided can and do vary in different applications. Application examples described herein are for illustrative purposes only. Silicon Labs reserves the right to make changes without further notice to the product information, specifications, and descriptions herein, and does not give warranties as to the accuracy or completeness of the included information. Without prior notification, Silicon Labs may update product firmware during the manufacturing process for security or reliability reasons. Such changes will not alter the specifications or the performance of the product. Silicon Labs shall have no liability for the consequences of use of the information supplied in this document. This document does not imply or expressly grant any license to design or fabricate any integrated circuits. The products are not designed or authorized to be used within any FDA Class III devices, applications for which FDA premarket approval is required, or Life Support Systems without the specific written consent of Silicon Labs. A “Life Support System” is any product or system intended to support or sustain life and/or health, which, if it fails, can be reasonably expected to result in significant personal injury or death. Silicon Labs products are not designed or authorized for military applications. Silicon Labs products shall under no circumstances be used in weapons of mass destruction including (but not limited to) nuclear, biological or chemical weapons, or missiles capable of delivering such weapons. Silicon Labs disclaims all express and implied warranties and shall not be responsible or liable for any injuries or damages related to use of a Silicon Labs product in such unauthorized applications.
Trademark Information
Silicon Laboratories Inc.®, Silicon Laboratories®, Silicon Labs®, SiLabs® and the Silicon Labs logo®, Bluegiga®, Bluegiga Logo®, ClockBuilder®, CMEMS®, DSPLL®, EFM®, EFM32®, EFR, Ember®, Energy Micro, Energy Micro logo and combinations thereof, “the world’s most energy friendly microcontrollers”, Ember®, EZLink®, EZRadio®, EZRadioPRO®, Gecko®, Gecko OS, Gecko OS Studio, ISOmodem®, Precision32®, ProSLIC®, Simplicity Studio®, SiPHY®, Telegesis, the Telegesis Logo®, USBXpress®, Zentri, the Zentri logo and Zentri DMS, Z-Wave®, and others are trademarks or registered trademarks of Silicon Labs. ARM, CORTEX, Cortex-M3 and THUMB are trademarks or registered trademarks of ARM Holdings. Keil is a registered trademark of ARM Limited. Wi-Fi is a registered trademark of the Wi-Fi Alliance. All other products or brand names mentioned herein are trademarks of their respective holders.
Silicon Laboratories Inc. 400 West Cesar Chavez Austin, TX 78701
USA
http://www.silabs.com


















