sime 502 Class V Regulation Device Installation Guide
SIME SMART
secondo regalement ERP Class V regulation device according to the ERP Directive
PLACE OF INSTALLATION

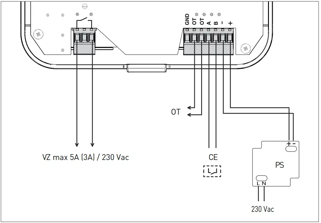
WIRING DIAGRAM

VZ: Relay contact for Zone Valve (if any)
OT: SIME Boiler OT connection (it is not possible to connect more than one SIME SMART to the same boiler)
CE: Clean contact input for requests from other zone thermostats (if present)
PS: 230-24 Vac power supply (supplied as standard)
INSTALLATION

key with light signal:
ON = Wi Fi connected
OFF = Wi Fi disconnected
FLASHING = configuration in progress
key with light signal:
ON = automatic time band mode
OFF = manual mode
key (increase temperature set / scroll)
key (decrease temperature set / scroll)- Multicoloured main LED for set temperature or operating status display
CONNECTING SIME SMART TO THE WI-FI NETWORK
(this phase does not require the use of the Sime Connect App but only a smartphone)
- Make the electrical connections.
- Power up SIME SMART.
- Obtain the network name (SSID) and password of the Wi-Fi network to which you intend to connect SIME SMART.
- Check with your smartphone the presence of the Wi-Fi signal in the exact point where you intend to install SIME SMART.
- On the SIME SMART, press the “WI-FI” button (1) for at least 10 seconds and check that at the end the LED flashes twice (WI-FI setting mode).
- From your smartphone, search for the Wi-Fi network named “SIME SMART ##” and connect even if it is reported that no internet access is available.
- Open a web page from the device browser and type the address 192.168.233.1 or alternatively scan the QR-Code link on the side. You will access a SIME page where you can set the credentials of the home WiFi network to which the SIME SMART is connected. Press OK to confirm the settings.
- The connection phase can take up to 5 minutes. At the end, the “Wi-Fi” LED becomes steady on if the connection is successful. Otherwise it is advisable to repeat the operations from point 5.

USE: “SIME CONNECT” APP
To fully use all the functions of SIME SMART, it is recommended to install the “SIME CONNECT” APP on your personal device. It is available for Android and iOS operating systems.



Then follow the instructions in the APP to create a user profile and to associate the installed SIME SMART device.
OPERATION
Set the desired operating mode using the MAN/AUTO key (2):
MAN: (manual)
The heating program relating to the selected zone is active and follows the temperature set by the user according to the colour.
AUTO: (automatic)
The heating program relating to the zone follows the weekly time program that can be set by the user via the APP. In this case, the room temperature is controlled following a trend that changes over time, defined by a set of Comfort and Reduced time bands (time program), with relative set temperature levels (Comfort / Reduced), programmable for the entire week. It is possible to change the temperature temporarily directly via SIME SMART, until the next time band change, by selecting the desired value with the keys (3) and (4).
COLOUR – TEMPERATURE CORRESPONDENCE
| LED | OFF | WHITE | BLUE | SKY BLUE | LIGHT BLUE | GREEN | YELLOW | ORANGE | RED |
| °C | 5 anti freeze | 15 | 17 | 18 | 19 | 20 | 21 | 22 | 23 |
To set a temperature outside the default values, it is possible to permanently change the temperature associated with the colour green via the APP by simultaneously increasing or decreasing all the values associated with the other colours.
HEAT REQUEST TO THE BOILER
If the room temperature detected by SIME SMART drops below the set or programmed temperature, the zone valve is immediately activated (if any) and the heat request to the boiler is communicated via bus with a 120 second delay required for the valves to open (this value can be changed via the APP). The multicoloured LED signals the request by means of a slight pulsation of thelight intensity. The boiler flow temperature is automatically modulated over time by SIME SMART, to obtain maximum comfort and energy savings (class V regulation according to the ErP Directive). If the clean contact at the input dedicated to other thermostats (if any) is closed, SIME SMART immediately communicates the heat request to the boiler and sets the maximum flow temperature available to the generator.
ROOM PROBE CORRECTION
It is possible to correct the value detected by SIME SMART’s internal temperature sensor via the APP with a maximum increase or decrease of 3.0°C.
ROOM PROBE DISABLING
It is possible to disable SIME SMART’s internal temperature sensor via the APP thus deactivating the device’s room temperature control function. However, the input dedicated to other zone thermostats remains active.
BOILER ANOMALY SIGNAL
In the event that there is an anomaly in the boiler, it is reported also by SIME SMART with the main LED becoming fuchsia and flashing.
OPEN WINDOWS FUNCTION
The function is disabled by default but can be enabled via the APP. The aim of this function is to reduce energy waste in the event that the windows are opened while the heating is on. If the room temperature drops very fast (-2°C/min), the heating is temporarily interrupted for 30 minutes. The function is reported by the main LED turning white and flashing continuously
Disposal of the appliance (European Directive 2012/19/EU)

At the end of their service life, boilers and electrical and electronic equipment, coming from private households, must not be disposed of – with normal urban waste but placed in special containers, in accord ance with 2012/19/EU Directives and the Italian Legislative Decree 49/2014. For further information on authorised collection centres, please contact your local town hall or the retailer. Each country can – also establish specific rules to comply with when dealing with electri cal and electronic waste. Before disposing of the appliance, consult the regulations in force in your country.
IT IS FORBIDDEN
to dispose of the product with urban waste





















