LITECOM ccd Central Control Device Installation Guide
INSTALLATION

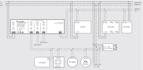
Topology A
Topology B
Installation types

fine-stranded mono brin

Zumtobel Lighting GmbH
Schweizer Strasse 30, 6851 Dornbirn AUSTRIA
www.zumtobel.com
Warning: dangerous voltage
Application area
Control device with 3 DALI-compliant outputs and one LM-Bus interface for controlling maximum 250 luminaires and motors.
Technical data
Nominal voltage 110–240 V, 50–60 Hz
Permissible input voltage 100–260 V, 50–60 Hz
Power dissipation Max. 20 W
Outputs 3 DALI-compliant outputs (DALI 1–3); per output:
• max. 64 DALI addresses and 64 eD addresses;
• max. 240 mA or max. 120 DALI loads
Ports 1 Ethernet port (Ethernet): RJ45 plug; speed of data transfer: 10/100 Mbit/s
Interface LM-Bus (B1, B2) (LM system limits depend on the LM-Bus supply used)
Terminals 0.5 – 2.5 mm2 (solid or fine-stranded)
Degree of protection IP20
Protection class Protection class II (only with correctly installed terminal covering)
Housing material Polycarbonate (PC), flame-retardant, halogen-free
Installation On top-hat rail, 35 mm in accordance with EN 50022
Dimensions 160 × 91 × 62 (W × H × D, in mm), 9 HP every 17.8 mm
Permissible ambient temperature 0–50°C, installation type 1 (e.g. in distribution board) 0–40°C, installation types 2 and 3
Permissible relative humidity 20–90%, non-condensing
Weight Approx. 600 g
System design and installation notes
- Installation: fixed only, in a clean and dry environment, access only possible with tools; in solid distribution board or solid, closed distribution unit only, requirements given in standards for fire and contact safety in accordance with EN 62368-1 must be met
- Topology: connect LITECOM CCD and display device (touch panel, computer) via Ethernet cable (topology A) or connect LITECOM CCD and display device (touch panel, computer, mobile device) via a wireless access point (topology B)
- Mains line: must not be interrupted by control points
- Ethernet line: at least CAT5 cable, shielded
- Bus line and DALI control line: use standard installation materials for low voltage systems (< 1,000 V); only tree, linear and star topologies permitted
- Bus cores: may be reverse connected
- DALI control line:
Conductor cross-section Maximum DALI line length 2 × 0.50 mm² 100 m 2 × 0.75 mm² 150 m 2 × 1.50 mm² 300 m
Function key
The function key can be used to trigger certain functions.
Triggering a function
- Press the function key.
- Release the function key in the desired orange phase.
- Function is triggered.
Orange phases (status LED device)
| Orange phase | Function |
| 1 | Restart the LITECOM CCD. |
| 2 | Delete the addresses and short addresses of all control gear and input devices connected to the 3 DALI control lines. |
| 3 | Reset the IP address to the factory setting (10.10.40.254). |
Test key
The test key can be used to trigger tests and certain functions for the related output (DALI 1–3).
Triggering a function
- Press the test key.
- Release the test key in the desired orange phase.
Function is triggered.
Orange phases (status LED DALI 1–3)
Test mode
- If the test key is pressed for less than 2 seconds, all connected luminaires are switched on.
- If the test key is then pressed again for less than 2 seconds, the luminaires alternate each time between on and off.
- To exit test mode, press the test key and release during the 1st orange phase.
Status LED
Device
| Status LED | Duration | Description |
| Green, intermittently flickering | Continuous | Fault-free operation |
| Off | Continuous | No mains voltage (L, N) |
DALI 1, DALI 2, DALI 3
| Status LED | Duration | Description |
| Green, intermittently flickering | Continuous | Fault-free operation |
| Green, flashing on/off every 0.5 s | Continuous | Test mode |
| Orange, flashing on/off every 0.5 s | Continuous | Addressing (Exception: visual and acoustic sensor location) or DALI initialisation |
| Off | Continuous | No mains voltage (L, N) |
| Red | Continuous | More than 64 DALI-compliant devices or more than 64 eD devices connected |
| Red, intermittently flickering | Continuous | DALI control line short-circuited or more than 120 DALI loads |
| Red, interrupted by intermittent green flickering | Continuous | Lamp failure |
Safety instructions
- The device may only be used for the application area specified.
- Relevant health and safety regulations must be observed.
- When mounting and installing the device, the voltage supply must be disconnected.
- Only qualified personnel may mount, install and commission the device.
- Protection class II can only be guaranteed when the terminal covering has been correctly installed.
- If a fault occurs, dangerous voltage levels may be present at the LM-Bus terminals, at the DALI terminals and on the DALI control line.
- The device is not suitable for use in locations where children may be present.
- The electrical system from which the device is supplied must have a suitable disconnecting device (e.g. circuit breaker).
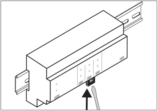
Installation
- Disconnect the voltage supply.
- Press the black locking hook down.

Installation type 1 (e.g. in distribution board)
- Attach the device onto the top-hat rail, first at the top and then at the bottom.

Installation type 2
- Attach the device onto the top-hat rail, first at the top and then at the bottom.

Installation type 3
Depending on which side the black locking hook is situated:
- First attach the left part and then the right part of the device to the top-hat rail.
— or — - First attach the right part and then the left part of the device to the top-hat rail.

- Fasten the locking hook again.
- Reconnect the voltage supply
























