VASCO FC115 Niva Fan Coil Unit

CONFORMITY
This unit complies with European directives:
- Low tension directive 2014/35/EU
- Electromagnetic compatibility 2014/30/EU
SYMBOLS
The pictograms in the next chapter provide the necessary information for correct, safe use of the machine in a rapid, unmistakable way.
SAFETY PICTOGRAMS
- Generic danger
Signals to the personnel that the operation described could cause physical injury if not performed according to the safety rules. - Danger of high voltage
Signals to the personnel that the operation described could cause electrocution if not performed according to the safety rules. - Danger due to heat
Signals to the personnel that the operation described could cause burns if not performed according to the safety rules. - Do Not
Refers to actions that absolutely must not be performed.
GENERAL
GENERAL WARNINGS
- After unpacking, make sure that all the components are present.
- If not, contact the VASCO agent who sold the appliance to you.
- VASCO appliances must be installed by an authorised installer.
- These appliances have been designed both for conditioning and/or heating environments and must be destined for this use only and compatibly with their performance characteristics.
- VASCO accepts no responsibility, either contractual or extra-contractual, for any damage caused to persons, animals of property as a result of incorrect installation, adjustment or maintenance or improper use.
- In case of water leaks, turn the master switch of the system to “OFF” and close the water taps.
- As soon as possible, call the VASCO technical service department or else professionally qualified personnel and do not intervene personally on the appliance.
- If the appliance is not used for a log period of time, the following operations should be performed:
- Turn the master switch of the system to “OFF”
- Close the water taps
- If there is the risk of freezing, make sure that anti-freeze has been added to the system otherwise empty the system.
- If the room temperature is too low ot too high it is damaging for the health and is also a useless waste of energy.
- Avoid prolonged contact with the direct air flow.
- Do not leave the room closed for long periods. Periodically open the windows to ensure a correct change of air.
- This instruction leaflet is an integral part of the appliance and consequently must be kept carefully and must ALWAYS accompany the appliance, even when it is passed to a new owner or user or transferred onto another system. If it is lost or damaged, please contact the local VASCO technical service centre.
- All repair or maintenance interventions must be performed by the technical service department or by professionally qualified personnel as foreseen in this booklet. Do not modify or intervene on the appliance as this could create dangerous situations and the manufacturer will not be responsible for any damage caused.
- Danger from burns – take care when touching
FUNDAMENTAL SAFETY RULES
- Remember that some fundamental safety rules should be followed when using a product that uses electricity and water, such as:
- It is forbidden for the appliance to be used by children or unassisted disabled persons.
- It is forbidden to touch the appliance with wet hands or body when barefoot.
- It is forbidden to carry out any cleaning before having disconnected the appliance from the electricity mains supply by turning the system master switch to “OFF”.
- It is forbidden to modify the safety or adjustment devices or adjust without authorisation and indications of the manufacturer.
- It is forbidden to pull, cut or knot the electrical cables coming out of the appliance, even if it is disconnected from the mains supply.
- It is forbidden to poke objects or anything else through the inlet or outlet grills.
- It is forbidden to open the doors which access the internal parts of the appliance without first turning the system master switch to “OFF”.
- It is forbidden to dispose of or leave in the reach of children the packaging materials which could become a source of danger.
- It is forbidden to climb onto the appliance or rest any object on it.
- The external parts of the appliance can reach temperatures of more than 70°C.
PRODUCT RANGE
The VASCO NIVA FCU is offered in 3 sizes with different performances and dimensions.
NOMINAL TECHNICAL FEATURES
| TECHNISCHE DATEN | ||||
| STREICHEN | FC75 | FC95 | FC115 | |
| Wasservolumina | l | 0,47 | 0,8 | 1,13 |
| Max. Betriebsdruck | bar | 10 | 10 | 10 |
| Wassereinlasstemp. max. | °C | 80 | 80 | 80 |
| Wassereinlasstemp. mind. | °C | 4 | 4 | 4 |
| Hydr. Anschluss | “ | Eurokonus 3/4 | Eurokonus 3/4 | Eurokonus 3/4 |
| Netzanschluss | V/ph/Hz | 230/1/50 | 230/1/50 | 230/1/50 |
| Max. Stromaufnahme | A | 0,05 | 0,08 | 0,09 |
| Max. Leistungsaufnahme | W | 11,27 | 18,49 | 19,86 |
| Gewicht | kg | 18 | 21 | 24 |
OVERALL DIMENSIONS
| STREICHEN | FC75 | FC95 | FC115 | |
| GERÄTEBREITE | ||||
| A | mm | 735 | 935 | 1135 |

INSTALLATION
POSITIONING THE UNIT
- Avoid installing the unit in proximity to:
- positions subject to exposure to direct sunlight;
- in proximity to sources of heat;
- in damp areas or places with probable contact with water;
- in places with oil fumes
- places subject to high frequencies.
- Make sure that:
- the wall on which the unit is to be installed is strong enough to support the weight;
- the part of the wall interested does not have pipes or electric wires passing through;
- the interested wall is perfectly flat;
- there is an area free of obstacles which could interfere with the inlet and outlet air flow;
- the installation wall is preferably an outside perimeter wall to allow the discharge of the condensation outside;
INSTALLATION MODES
- The following descriptions of the various mounting phase and the relative designs refer to a version of the machine with fixtures on the left.
- To ensure that the installation is performed correctly and that the appliance will perform perfectly carefully follow the instructions indicated in this manual. Failure to respect the rules indicated not only can cause malfunctions of the appliance but will also invalidate the warranty and hence VASCO shall not respond for any damage to persons, animals or property.
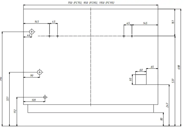
MINIMUM INSTALLATION DISTANCES
Figure indicates the minimum mounting distances between the wall-mounted cooler-convector and furniture present in the room.

INSTALLATION
- Using the paper template, trace the position of the two fi xing brackets on the wall. Use a suitable drill to make the holes with and insert the toggle bolts (2 for each bracket); fi x the two brackets. Do not over-tighten the screws so that the brackets can be adjusted with a spirit level.
- Fully tighten the four screws to block the two brackets.
- Check the stability by manually moving the brackets to the right and to the left, up and down.
- Mount the unit, checking that it fi ts correctly onto the brackets and checking that it is stable.
Mounting template
brackets
HYDRAULIC CONNECTIONS
| FC75 | FC95 | FC115 | ||
| ABMESSUNGEN | ||||
| Rohr innen | mm | 14 | 14 | 16 |
- The choice and sizing of the hydraulic lines must be made by an expert who must operate according to the rules of good technique and the laws in force, taking into account that undersized pipes cause a malfunction.
- To make the connections:
- position the hydraulic lines
- tighten the connections using the “spanner and counter spanner” method
- check for any leaks of liquid
- coat the connections with insulating material.
- The hydraulic lines and joints must be thermally insulated.
- Avoid partially insulating the pipes.
- Do not over-tighten to avoid damaging the insulation.
- Use hemp and green paste to seal the threaded connections; the use of Teflon is advised when there is anti-freeze in the hydraulic circuit.
CONDENSATION DISCHARGE
- The condensation discharge network must be suitably sized (minimum inside pipe diameter 16 mm) and the pipeline positioned so that it keeps a constant inclination, never less than 1%.The discharge pipe is connected directly to the discharge tray, positioned at the bottom of the side shoulder underneath the hydraulic fixtures.
- If possible, make the condensation liquid flow directly in a gutter or a “rainwater” discharge.
- When discharging directly into the main drains, it is advisable to make a siphon to prevent bad smells returning up the pipe towards the room. The curve of the siphon must be lower than the condensation collection bowl.
- If the condensation needs to be discharged into a container, it must be open to the atmosphere and the tube must not be immerged in water to avoid problems of adhesiveness and counter-pressure that would interfere with the normal outflow.
- If there is a height difference that could interfere with the outflow of the condensation, a pump must be mounted:
- in a vertical installation mount the pump under the lateral drainage tray;
- in a horizontal installation the pump position must be decided according to the specific requirements.
- Such pumps are commonly found in commerce.
- However, on completion of the installation it is advisable to check the correct outflow of the condensation liquid by slowly pouring about ½ l of water into the collection tray in about 5-10 minutes.
MOUNTING HE CONDENSATION DISCHARGE PIPE
Connect a pipe adequately to the discharge fitting (A) of the condensation collection tray. Check that the extension drip (B) is present and correctly installed.

FILLING THE SYSTEM
When starting up the system, make sure that the hydraulic unit lock shield is open When electric power is still switched off, but the thermovalve has already been powered, use the special cap to press the valve stopper to open.
EVACUATING AIR WHILE FILLING THE SYSTEM
- Open all the system interception devices (manual or automatic);
- Start filling the device by slowly opening the system water filling tap;
- Take a screwdriver and act on the breather of the battery;
- When water starts coming out of the breather valves of the appliance, close them and continue filling until reaching the nominal value for the system.
Check the hydraulic seal of the gaskets.
It is advisable to repeat these operations after the appliance has been running
for a few hours and periodically check the pressure of the system.
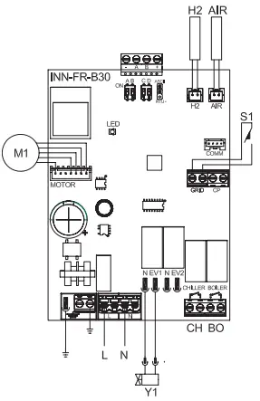
ELECTRICAL CONNECTIONS
- Make electrical connections according to the requirements set out in sections General Warnings and Fundamental Safety Rules by reference to the patterns present in the installation and accessories manuals.
- Before doing any work, make sure the power is switched off.
- The unit must be connected to the mains through a multi polar switch with minimum contact opening of at least 3mm or with a device that allows the complete disconnection from the device under the over voltage conditions category III.
- The FCU must be connected to the mains (230VAC) according to the diagram below.

- H2**: Water temperature probe 10k
- M1: DC inverter fan motor
- S1: grill safety micro-switch
- Y1: hot water solenoid valve (230V/ 50Hz 1A output voltage)
- L-N: 230V/50Hz electrical power supply
- BO: boiler demand output (free contact max 1A)
- CH: chiller demand output (free contact max 1A)
- AIR: Air temperature probe
- **: If after switching the power on the board detects the H2 probe, start-up occurs in normal conditions with the minimum water temperature when heating (30°C) and maximum when cooling (20°C). The board also has a function when there is no probe, in such cases the fan stop minimum and maximum thresholds are ignored.
MAINTENANCE
Routine maintenance is indispensable to keep the FCU in perfect working condition, safe and reliable over the years. This can be done every six months for some interventions and annually for others, by the Technical Service Assistance, technically authorised and prepared, using always original spare parts.
CLEANING THE OUTSIDE

- Before every cleaning and maintenance intervention, disconnect the appliance from the mains by switching off the master switch.
- Wait until the parts have cooled down to avoid the risk of burns.
- Do not use abrasive sponges or abrasive or corrosive detergents to avoid damaging the painted surfaces.
- When necessary, clean the outer surfaces of the FCU with a soft and damp cloth.
LOCK SHIELD ADJUSTMENT
The lock shield provide an adjustment that balances the system load losses. To ensure a correct adjustment and balancing of the circuit, follow the procedure indicated below:
- With a screwdriver, loosen and remove the slotted grub screw inside the hexagonal screw.
- Close the hexagonal screw using a 5 mm Allen key (A)
- Re-tighten the slotted grub screw, then mark the reference point for the adjustment with an “x” (B).
- Align the screwdriver with the “x”, then open with a number of turns (C) according to diagram shown on page 09.
The number of turns refers to the slotted grub screw.
Then fully open the hexagonal screw (D). Now the pre-adjustment has been set and will not change if there are repeated openings or closings of the hexagonal screw.
load losses based on the adjustment of the lockshield present in all kits
3-WAY VALVE
- diagram of load losses of 3-way valve, in completely open position.

- diagram of load losses of 3-way valve, in completely closed position.

MOUNTING TEMPLATE

ENERGY SAVING TIPS
- Always keep the filters clean;
- when far possible, keep the doors and windows closed in the room being conditioned;
- limit where possible the effect of direct sun rays in the rooms being conditioned (use curtains, shutters etc.
TROUBLESHOOTING
TROUBLESHOOTING
In case of water leaks or anomalous functioning immediately cut off the power SHOOTING supply and close the water taps.
Should one of the following anomalies occur, contact an authorised service center or an authorised qualifi ed person, but do not intervene personally.
- The ventilation does not activate even if there is hot or cold water in the hydraulic circuit. – The appliance leaks water during the heating function.
- The appliance leaks water only during the cooling function.
- The appliance makes an excessive noise.
- There are formations of dew on the front panel.
SPARE PARTS
| VASCO Code Beschreibung | |
| DR022009 | Bildschirm FC75/95/115 |
| DR022010 | Platine FC75/95/115 |
| DR022011 | Filtre FC75 |
| DR022012 | Filtre FC95 |
| DR022013 | Filtre FC115 |
TABLE OF ANOMALIES AND REMEDIES

WARRANTY CONDITIONS
Vasco hereby declares to guarantee the Vasco Niva FC for two years from the date of purchase. The invoice date of the installation company is proof of the purchase date. If there is no invoice available, the production date will be the purchase date. The warranty consists only of replacing spare parts, the fan and electronic printed board. There is no additional warranty period for spare parts.
The warranty does not entail:
- Assembly and disassembly costs
- Defects, which, in our opinion, are the result of improper handling, negligence or accidents
- Defects that are the result of handling or repairs by third parties without our permission
- Defects that are the result of irregular and/or unprofessional maintenance
- Defects that are the result of using the unit in a non-suitable environment The warranty is void if the FCU is used under the aforementioned conditions. The installer should contact Vasco for return shipment of defective components. The installer will receive a warranty return number. The defective components must be dispatched to Vasco stating this return number.
CONTACT
- Kruishoefstraat 50, B-3650 Dilsen
- T. +32 (0)89 79 04 11
- F. +32 (0)89 79 05 00
- [email protected]
- www.vasco.eu
MANUFACTURER’S DECLARATION
Vasco declares that the FCU carries the CE label and is designed, manufactured and commercialized in compliance with the following EEC Standards:
- LV Directive 2014/35/EU with following technical standards:
- EN 60335-2-40:2003 + A11:2004 + A12:2005 + A1:2006 + EC:2006
- + A2:2009 + A13:2012 + A13/EC:2013, EN 60335-1:2002 + A11:2004
- + A1:2004 + A12:2006 + A2:2006+ A1/EC:2007 + A13:2008 + EC:2009
- + EC:2010 + A14:2010 + A15:2011
- EMC Directive 2014/30/EU with following technical standards:
- EN 60335-1:2012, EN 55014-1:2006 + A1:2009 + A2:2011,
- EN 61000-3-2:2006 + A1:2009 + A2:2009, EN 61000- 3-3:2013,
- EN 55014-2:1997 + A1:2001 + A2:2008
- RoHS Directive 2011/65/EU
- Vasco Group nv, Dilsen, België, august 2017 P. Nijs, CEO



























