
INSTALLATION AND OPERATION MANUAL
Fan coil units

FWV+FWZ

FWL+FWR

FWM+FWS

![]() ![]() | ![]() |
![]() | ![]() |
![]() | ![]() |
![]() | ![]() |
FWEC1 (FWV-L-M)

FWEC2 (FWV-L-M)

FWEC3 (FWV-L-M)

FWEC3 (FWZ-R-S) BLDC integrated

FWEC3 (FWZ-R-S) BLDC integrated

FWEC3 (FWZ-R-S) BLDC separate

FWECSA (FWV-L-M) AC motor

FWECSA (FWZ-R-S) BLDC motor

Read this manual attentively before starting up the unit. Do not throw it away. Keep it in your files for future reference.
Improper installation or attachment of equipment or accessories could result in electric shock, short-circuit, leaks, fire or other damage to the equipment. Be sure only to use accessories made by Daikin which are specifically designed for use with the equipment and have them installed by a professional.
If unsure of installation procedures or use, always contact your Daikin dealer for advice and information.
The optional EEH (electric heater kit) cannot be mounted on units that are set up for 2-pipe systems with 4-row coil and 4-pipe systems.
Before installation
Installation and maintenance should be carried out by technical personnel qualified for this type of machine, in compliance with current safety regulations.
When receiving the unit please check its state, verifying if any damage occurred during the transport.
Refer to the relevant technical sheets for installation and use of possible accessories.
Identify the model and version of the unit from the indications stated on the carton package.
Use and operating limits
Daikin shall not be held liable
– if the unit has been installed by non-qualified personnel,
– if the unit has been used improperly,
– if the unit has been used under conditions that are not permitted,
– if maintenance operations specified in this manual have not been carried out,
– if nonoriginal spare parts have been used.
Keep the unit in its packaging until it is ready to be installed, to prevent dust getting inside.
Operating limits are shown here below; all other uses are considered improper:
- thermal fluid: water/glycol
- water temperature: 5°C~95°C
- maximum operating pressure: 10 bar
- air temperature: 5°C~43°C
- nominal power supply voltage: 230V – 50 Hz
- ambient air humidity limit: RH<85% non-condensing
Selection of location:
Equipment designed for ambient air conditioning and intended for use in civil comfort applications.
- do not install the unit in rooms where inflammable gases are present
- do not let the water spray directly on the unit;
- install the unit on ceilings or walls that bear its weight. Leave enough space all around for proper operation and maintenance of the unit, taking into account all installed optional accessories.
- never place the heating unit immediately under an electric plug socket.
dimensions (See figure 1)
- Clear space for hydraulic connections (*)
- Slots for wall/ceiling mounting 9 x 20 mm
- Clear space for electric connections (*)
- Hydraulic connections (4 DF = 4 pipe systems)
- Condensate drainage for vertical installation
- Air outlet for concealed models
- Air suction for concealed models
- Condensate draining for horizontal installation
- Air outlet
- Air inlet
(*) Indications applicable to units with hydraulic connections on the left side; in the case of right-side connections, the indications for “clear space” are reversed.
installation
Before installing the fan coil, ensure that:
– The place of installation has sufficient space for containing the device and for performing installation and maintenance (respect spaces fig. point 2).
– The air inlet and delivery are not obstructed.
– The hydraulic connections are positioned and dimensioned as requested by the device (fig.1).
– The electric power supply line has the features requested on the fan coil’s data plate.
In normal operation, particularly with the fan at minimum speed and ambient air with high relative humidity, condensation may form on the air outlet and on some external parts of the unit. To avoid such issues while always remaining within the operating limits envisaged for the unit, it is necessary to limit the (average) temperature of the water inside the heat exchanger. In particular, the difference between the air dew point (TA, DP) and the average water temperature (TWM) must NOT exceed 14 °C,
according to the following relationship:
TW>TA,DP-14 °C
For example: in the case of ambient air at 25 ° C with 75% relative humidity, the dew point temperature is about 20 ° C and therefore the average temperature of the water
in the battery must be greater than:
-20-14 = 6 °C in order to avoid condensation on a fan coil equipped with a valve.
– 20-12 = 8 °C If the valve kit accessory can not be installed.
In the event, the indoor unit is stopped for a prolonged period, with the fan stopped and circulation of cold water in the heat exchanger, condensation may also form on the unit’s exterior. In this case, it is advisable to install the 3-way (or 2-way) valve accessory in order to stop the flow of water in the coil when the fan is stopped.
Remove the cabinet, where existing, by unscrewing the 4 fastening screws reachable through the lifted side doors (see figure 2). In the case of FWL and FWR versions, also unscrew the 2 screws on the front panel.
Install the basic unit onto the wall/ceiling using the 4 mounting slots and the supplied anchor screws, keeping the unit at least 100 mm above the floor for proper air suction and an easy pulling out of the filter in case of FWV, FWZ, FWM, and FWS models. In the case of ceiling models FWM, FWS, FWL, and FWR verify that the installation height corresponds to what is specified in figure 3, in order to avoid excessive hot air stratification in the upper part of the room; in case of greater installation heights, we suggest to proceed with the back section from the lower part of the room. The installation heights refer to the maximum running speed.
Carry out the hydraulic connections to the heat exchanger and in case of cooling operation, to the water drainage system.
In the case of cooling applications, make sure to insulate all field-installed piping and fittings to avoid condensate dripping on the floor. Noninsulated piping can cause water damage!
We suggest providing for the water inlet from the bottom side of the heat exchanger and the outlet on the upper side.
For better water drainage lean the drainpipe downwards at least 3þcm/m avoiding loops or narrowing on its way.
It is possible to change the water connections side operating as follows:
- remove the cover front panel of the basic unit (4 screws), in case of models FWV and FWZ or the main drip tray in case of models FWL, FWR, FWM, and FWS;
- remove the heat exchanger cover (2 screws);
- remove the heat exchanger (4 screws) fixed on the side panels of the basic unit;
- remove the lower partition plate;
- disconnect the motor cables from the terminal strip;
- remove the terminal strip and reassemble it on the opposite side;
- take out the motor cable and place it on the opposite side; remove the rubber snap bushing;
- remove the drain pipe and place it on the opposite side; set the drain pipe in place of the closing cap of the drip tray and fix that closing cap back in the position where the drain pipe originally was;
- turn the heat exchanger 180° and insert it on the side panel removing the pre-cut slots; fix it to the unit using the screws supplied;
- reassemble the lower partition plate on the bottom side;
- reassemble the heat exchanger cover;
- reassemble the control panel opposite to the water connections in case of model FWV and FWZ;
- insert the rubber snap bushing into the hole previously used for the drainpipe, reassemble the cable fastener on the side panel, and reassemble the cables connecting them to the terminal strip;
- reassemble the cover front panel (4 screws) in case of models FWV and FWZ or the main drip tray for the models FWL, FWR, FWM, and FWS;
- close the holes previously used with drip-proof material.
Carry out the purge from the heat exchanger operating on the air vent valves (10 hexagon wrench) located beside the water connections of the heat exchanger.
In the case of concealed models FWM and FWS, perform the connection between the unit and the ducts and place damping material between the duct and the unit.
The ducts, in particular the outlet ones, must be insulated.
In order to avoid air back suction on the unit, keep a minimum distance between the air outlet and recovered airflow as shown in figure 4.
The minimum installation height may not be lower than 1.8 m from the floor level.
In the case of FWM and FWS, provide for an inspection port to the unit.
The FWM and FWS built-in models must not be accessible to the public.
In the case of FWL and FWR, install the bottom plate according to figure 6.
For fan coils equipped with the auxiliary electric heating elements, ensure that any combustible material is at least 30 cm away from the electric heating element.
The openable side doors must be fixed with screws, due to the lack of controls onboard the fan coil.
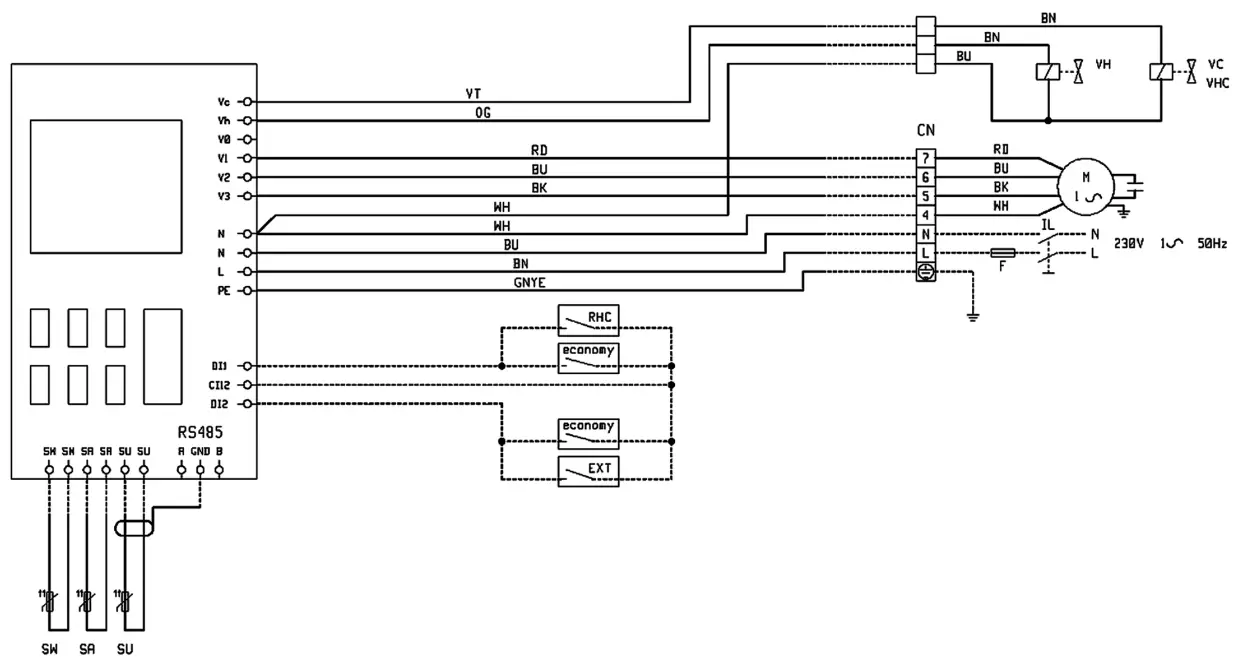
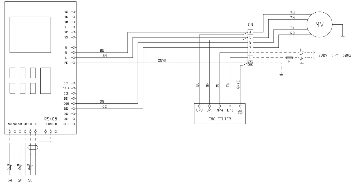
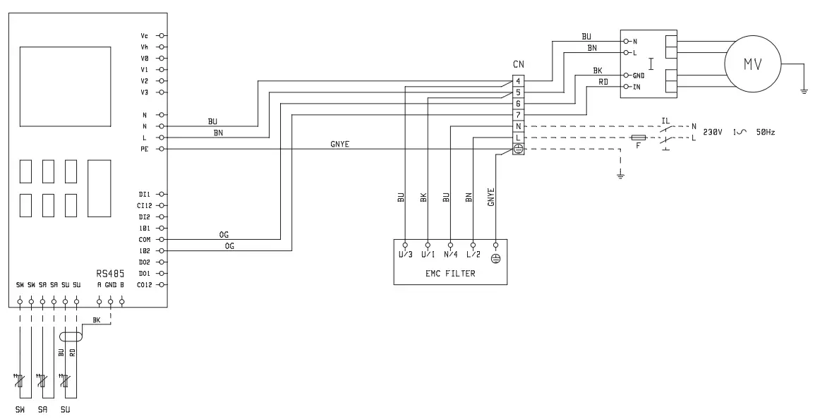
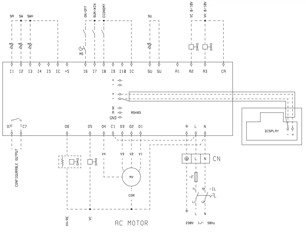
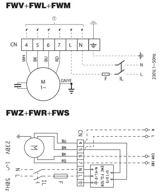
field wiring
All field wiring and components must be installed by a licensed electrician and must comply with relevant local and national regulations.
Carry out the electrical wiring after having turned the power off. Refer to figure 5.
For options, refer to the appropriate manual.
Check that the power supply corresponds to the nominal power supply stated on the unit nameplate.
An omnipolar mains isolator in overvoltage category III must be present for every fan coil in the power supply line.
Power consumption is shown on the data plate fixed to the unit.
Make sure to carefully execute the wiring in the function of the combination unit/ controller and this according to the correct wiring diagram delivered with every accessory.
Wiring parts table
BK ………………………… Black = maximum speed
BU ………………………… Blue = medium speed
GAYE …………………….. Yellow/Green = earth connection
RD ………………………… Red = minimum speed
WH ……………………….. White = common
– – – – ……………………… Field wiring
F …………………………… Fuse (field supply)
IL ………………………….. Main switch (field supply)
M ………………………….. Motor
CN ………………………… Connector
COM-102 ……………….. Connections to controller
test rUn
Check that the unit is perfectly leveled and that the drainpipe is not obstructed (rubble deposits, etc.).
Check that the water connections (to the heat exchanger and water drainage) are sealed.
Check that the electrical wiring is perfectly tight (perform this check with voltage OFF).
Be sure that the air purge of the heat exchanger has been carried out correctly.
Replace the cabinet (where existing).
Turn on the power supply and check the unit’s running.
Use
To use the unit, refer to the instructions in the installation and operation manual of the controller. Dedicated controllers are available as accessories.
Air outlet grills can be swiveled at 180° to direct the flow into the room or towards the wall on which the unit is mounted.
The grills and the side doors are snapped onto the cabinet. Before removing them in order to change their position, cut the power off and wear protective gloves.
maintenance and cleaning
For safety reasons before carrying out any maintenance or cleaning operation, switch off the unit turning the selection switch to “Stop” and the power supply switch on position 0 (OFF).
Maintenance
Maintenance must only be carried out by an assistance center authorized by the manufacturer or by qualified personnel
Be careful during any maintenance operation; you could get injured by some metal
parts; use protective gloves.
The units do not require any particular maintenance operation: only the periodical
cleaning of the air filter should be carried out.
It is necessary to carry out a running-in period of 100 hours in order to eliminate all
mechanical friction.
The starting up must be carried out at the maximum speed.
For good operation of the units follow the instructions below:
- Keep the air filter clean;
- do not pour liquids into the unit;
- do not introduce metal parts through the air outlet grille.
- Keep the air inlet and outlet free at all times.
Each time the machine is turned on after being idle for a long period, ensure there is no air in the heat exchanger.
Before using the unit for air conditioning, check that:
- condensate drainage is performed correctly:
- the heat exchanger fins are not obstructed by deposits of dirt. If necessary clean the fins with low-pressure compressed air or steam without damaging the fins.
Cleaning
The filter must only be cleaned by an assistance center authorized by the manufacturer or by qualified personnel
Clean the filter at least once a month and in any case before using the unit (before the heating or the air conditioning season).
For cleaning the air filter proceed as follows (figure 7)
- model FWV and FWZ
turn the screws that secure the filter to the cover cabinet 90° and remove the filter, - model FWL and FWR
remove the air filters that are inside the intake grids located on the front panel of the cover cabinet, - concealed model FWM and FWS
reach the unit through the inspection panel and remove the filter, turning the locking brackets 90°, - clean the filter with lukewarm water, or in case of dry dust, clean the filter with compressed air,
- reassemble the filter after having it dried up.
It is recommended to replace the air filter yearly and to use original spare parts.
The unit model name is stated on the nameplate located on the side panel of the basic unit.
To clean the unit cabinet proceed as follows:
- use a soft cloth;
- do not pour any liquid on the unit, as this could cause electrical shocks or damage the components inside it;
- do not use any aggressive chemical solvents; do not use very hot water to clean the air outlet grille.
disposal reqUirements
Dismantling of the unit should be done in accordance with the relevant local and national legislation.
troUBleshooting
If the unit does not work properly first check the points reported in the table below before requesting service. If the problem cannot be solved contact your dealer or
service center.
Symptom 1: The unit does not run at all
| POSSIBLE CAUSES | CORRECTIVE ACTION |
| Power failure | Restore power |
| Leakage breaker tripped | Contact service center |
| The switch is on the STOP (“0”) position | Turn ON the unit, select 1″ |
Symptom 2: Poor cooling or heating performance
| POSSSLE CAUSES | CORRECTIVE ACTION |
| Dirty or clogged air filter | Clean the air filter |
| Obstacle near the air Inlet or outlet | Remove the obstacle |
| Air inside the heat exchanger | Contact the installer |
| Doors and windows are open | Close doors and windows |
| The unit is running at a low speed | Select medium or high fan speed |
Symptom 3: The unit leaks
| POSSIBLE CAUSES | CORRECTNESS ACTON |
| The unit is not leveled | Contact the installer |
| The drip tray is clogged | Contact the installer |
Units are marked with the following symbol:
This means that electrical and electronic products may not be mixed with unsorted household waste.
Do NOT try to dismantle the system yourself: the dismantling of the system, treatment of the refrigerant, of oil, and of other parts must be done by an authorized installer and must comply with applicable legislation.
Units must be treated at a specialized treatment facility for reuse, recycling, and recovery.
By ensuring this product is disposed of correctly, you will help to prevent potential negative consequences for the environment and human health.
For more information, contact your installer or local authority.
![]()

DAIKIN EUROPE NV
Zandvoordestraat 300, B-8400 Oostende, Belgium
4PW17548-7



























