
MULTIMEDIA SYSTEM 2DIN LARGE 10” EXTERNAL DISPLAY
ART: 2259092 / NO3023
USER MANUAL
FOREWORD
We thank you for choosing our product. It is designed for you according to the highest quality standards. Please read the operation manual carefully before using and operating the unit. Heed all warnings. If the device is passed on to another person, this manual must be handed over to the user along with it. Please keep this manual handy for future reference.
WARNINGS
- Upon installation of this monitor/media player (“unit”) into a vehicle, the driver of the vehicle must not operate this unit by watching videos or playing video games while driving. Failure to follow this instruction could lead to driver distraction which could result in serious injury or death to the vehicle’s occupants or persons outside the vehicle and/or property damage.
- This unit is designed so that it may be operated only when the vehicle is in “Park” and the parking brake is fully engaged. To this end, this unit includes a parking brake lock-out feature which prohibits the unit from operating if the vehicle is not in “Park” and/or the parking brake is not fully engaged. When installing this unit, the installer must connect the parking brake detect wire to the parking brake mechanism in order to make the parking brake lock-out feature operable. DO NOT simply ground the parking brake detect wire to a metal portion of the vehicle. Failure to properly install the parking brake lock-out feature could lead to driver distraction which could result in serious injury or death to the driver’s occupants or persons outside the vehicle and/or property damage.
- Once the parking brake lock-out feature is installed, the owner/user must not attempt to disrupt/neutralize the parking brake lock-out feature by (a) partially engaging the parking brake and/or (b) purchasing/using any device or unit designed to send necessary brake signals to the unit. Failure to follow these instructions could lead to driver distraction which could result in serious injury or death to the driver’s occupants or persons outside the vehicle and/or property damage.
- When operating this unit, keep the unit’s volume level low enough so that the vehicle’s occupants can hear traffic-related sounds such as police and emergency vehicles. Failure to follow this instruction could lead to driver distraction which could result in serious injury or death to the vehicle’s occupants or persons outside the vehicle and/or property damage.
SAFETY INFORMATION
Please read all instructions carefully before attempting to install or operate.
Due to its technical nature, it is highly recommended that your NS-X2800DBT is installed by a professional installer or an authorized dealer. This product is only for use in vehicles with 12VDC negative ground only.
To prevent damage or injury:
- Make sure to ground the unit securely to the vehicle chassis ground.
- Do not remove the top or bottom covers of the unit.
- Do not install the unit in a spot exposed to direct sunlight or excessive heat or the possibility of water splashing.
- Do not subject the unit to excessive shock.
- When replacing a fuse, only use a new one with the prescribed rating. Using a fuse with the wrong rating may cause the unit to malfunction.
- To prevent short circuits when replacing a fuse, disconnect the wiring harness first.
- Use only the provided hardware and wire harness.
- You cannot view video while the vehicle is moving. Find a safe place to park and engage the parking brake.
- If you experience problems during installation, consult your nearest Norauto shop.
- To clean the monitor, wipe only with a dry silicone cloth or soft cloth. Do not use a stiff cloth, or volatile solvents such as paint thinner and alcohol. They can scratch the surface of the panel and/or remove the printing.
- When the temperature of the unit falls (as in winter), the liquid crystal inside the screen will become darker than usual. Normal brightness will return after using the monitor for a while.
- When extending the ignition, battery or ground cables, make sure to use automotive-grade cables or other cables with an area of 0.75mm (AWG 18) or more to prevent voltage drops.
- Do not touch the liquid crystal fluid if the LCD is damaged or broken. The liquid crystal fluid may be hazardous to your health or fatal. If the liquid crystal fluid from the LCD contacts your body or clothing, wash it off with soap immediately.
PREPARATION
BEFORE YOU START
- Disconnect negative battery terminal. Consult a qualified technician for instructions.
- Avoid installing the unit where it would be subject to high temperatures, such as from direct sunlight, or where it would be subject to dust, dirt or excessive vibration.
INSTALLATION GUIDE

* Use 2 or 3 screws to affix the monitor to the bracket.
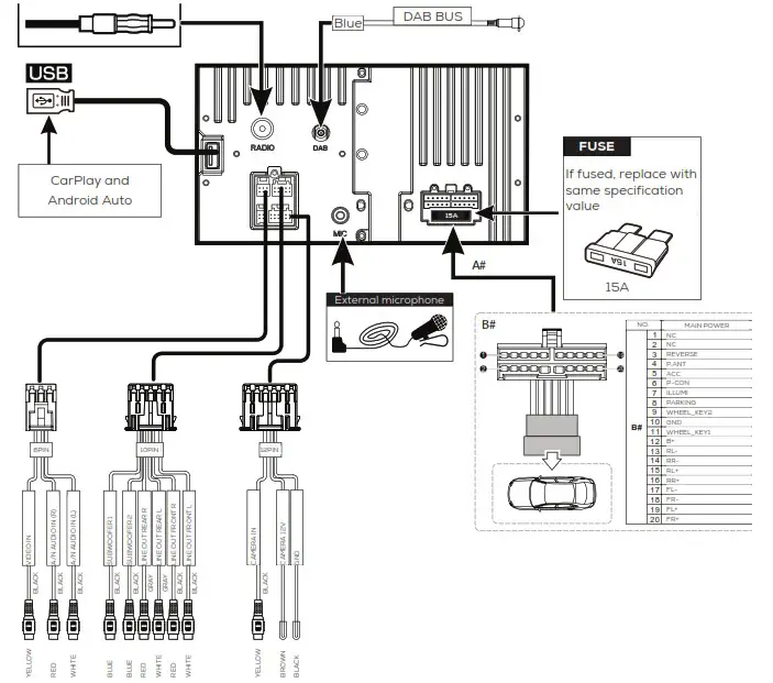
WIRING DIAGRAM – INPUTS/OUTPUTS
Note: When replacing a fuse, make sure to use the correct type and amperage. Using an incorrect fuse could cause damage. The unit uses (1) 15 amp ATC mini style fuse located on the power connector.

Wiring Notes:
• Sub-woofer output
The Sub-woofer preamp audio output (Blue jacket with Black RCA) is active in all audio modes.
• Rear camera input
A rear view camera (not included) can be used with the Camera input.
CONTROL LOCATIONS
The radio display features the following functions and displays:
| 1. Voice Activation Button | ![]() |
| 2. MicroSD Card Slot | |
| 3. MODE | |
| 4. Power/Volume/Mute | |
| 5. Band | |
| 6. USB Port | |
| 7. Home | |
| 8. RESET / USB Port |
GENERAL OPERATION
| Power On/ Off | Momentarily press |
| Main Menu | Operation Mode Selection: Press the ![]() |
| Volume | Rotate the volume knob to increase or decrease the volume level. |
| Mute | Momentarily press MUTE to silence the audio. Momentarily press MUTE again to return to the previously selected volume. Rotating the volume knob while the volume is muted will also cancel the mute function. |
| Mode | Press MODE at the top left corner of the screen to display the main menu. Radio/DAB+/Android Auto/CarPlay/USB/microSD/BT Phone/BT Audio/ AV In/WebLink/Setting Note: Modes of operation can also be accessed by selecting the corresponding icon from the main menu. |
| Dimmer | Press the icon to adjust the brightness. |
| A/V In | Connect external audio/video devices to the rear RCA Type A/V Input |
| USB | Insert a USB flash drive to play MP3/FLAC files. |
| Reset | To resolve abnormal operation or if the unit is inoperable, Press the RESET button located behind the front panel directly under USB port. The unit will reset the main processor to the default setting, Note: Use the tip of a pen to access the reset button. To restore the factory default software settings. |
| Setup Menu | From the Main Menu screen, select Setup to access the Setting menu and select from eight categories represented by the icons on the top of the screen: General, Audio, Display, Others. Select the category, and adjust any of the available options using the touch screen.
|
| General | • Adjust the date and time – Day, Month, Year, Hour, Minute and Format. • Time Format – Select between 12-Hour and 24-Hour Time Format. • Beep Tone – Turn the Beep Tone On or Off. • Web-link – Turn the Web-link On or Off. • Language – Language Settings. • Radio Region – Select Radio Region. • Parking-Turn the Parking On or Off. |
| Audio | • Equalizer – Select between the following EQ pre-sets: Default, Custom, Classic, Rock, Jazz, Electric, Pop, Soft (allows user to enter custom EQ settings). • Delay – To adjust time correction settings select “Surround1”, ”Surround2 “ or “Surround3”. • Loudness – Touch screen button to turn the Loudness function on/off. • Sub-woofer Control – Touch the button to turn the Sub-woofer Control On/Off. • Sub-woofer – Select sub-woofer -15 to 0 ( -6 is default ). |
| Display | • Brightness – Press > or < to adjust to desired level. (0 Minimum/20 maximum: Day: 20 is default, Night: 6 is default). • Dimmer Mode – Press > or < to adjust to change the mode (Auto/Day/ Night). |
| Others | • Factory Default – Reset Bluetooth Settings or Reboot System. • System Version – Displays soft ware version of unit . • Auto Detect • SWC |
AUDIO OPERATION
| Equalizer Menu | From the Main Menu screen, Press the Equalizer icon on the main menu screen to adjust Fader and Balance controls, Equalizer (8-Band Tone Control and 8 Pre-sets EQ Settings).
|
| Time Alignment Menu | ![]() |
ADJUSTMENTS:
TO PROPERLY SET THE TIME ALIGNMENT, YOU WILL NEED MEASURE THE DISTANCE FROM EACH SPEAKER (IN ft) TO WHERE YOU WANT THE “CENTRE STAGE” TO BE. FOR EXAMPLE, IF YOU WANT THE POSITION TO BE AT THE DIVERS SEAT, THEN MEASURE EACH SPEAKER SIDE (FRONT & REAR) TO WHERE YOUR HEAD IS LOCATED AND SET THE DISTANCE ACCORDINGLY. EACH VEHICLE WILL VARY IN DISTANCE, SO SETTINGS WILL BE DIFFERENT IN EACH CASE.
DAB + OPERATION

| DAB Operation | From the main menu, touch Radio icon on the screen to select FM tuner mode. |
| 1. Main Menu | Press |
| 2. Current Mode Indicator | Display status of various tuning functions including Auto. |
| 3. Seek Tune Up | Press to automatically tune to a higher frequency. |
| 4. Scan | Full frequency band scanning, the signal is detected and played for 10s. |
| 5. Pre-set | This view show the pre-set buttons that work like a quick select or favourite button. To save the current station to a pre-set button, press and hold it until the button is updated with the station information. |
| 6. List | The list view allows you to see all received ensembles and will be periodically refreshed. You can select an ensemble by tapping on it and it will show the containing stations which you also can directly tap to play. |
| 7. Info | This view allows you to see current played station logos, slide-show pictures and text which is aired from the station. Press the arrow keys to change the station of current selected ensemble. Press and hold the arrow keys to change to next possible ensemble – the first station of new ensemble will be auto played. |
| 8. Settings | 1. DAB-DAB Service Following: Press to switch function ON/OFF. 2. Antenna supply: Press switch to activate/deactivate 12V power supply for your DAB antenna. 3. DAB Firmware: Shows current DAB firmware version. |
| 9. Seek Tune Down | Press to automatically tune to a lower frequency. |
FM TUNER OPERATION

| Radio Operation | From the main menu, touch Radio icon on the screen to select FM tuner mode. |
| 1. Main Menu | Press |
| 2. Current Mode Indicator | Display status of various tuning functions including Auto. |
| 3. Local / Distance | Press DX/LOC text to turn on the local or distance. |
| 4. Seek Tune Up | Press to automatically tune to a higher frequency. |
| 5. Keypad | Direct Search Keypad |
| 6. EQ | Press the icon to adjust Equalizer setting. |
| 7. AS/PS | Auto Store Pre-sets: Press and hold AS/PS to automatically program the FM(18) available into the pre-sets in current Band. Pre-set Scan: Press AS/PS to scan through all tunable presets in the current band and play them for 3 seconds each. the |
| 8. FM | Press to toggle between 3 FM bands. |
| 9. Pre-set Stations | To store a station as a pre-set in the current band, tune to the desired station, then press the desired pre-set number from the list. Press any pre-set in the list to recall and begin playback of that station. (Hold this button down for a few seconds and it will switch between AS and PS) |
| 10. Seek Tune Down | Press to automatically tune to a lower frequency. |
USB/MICRO SD OPERATION

| USB/microSD | From the main menu, touch the USB or microSD icon on the main screen. |
| 1. Main Menu | Press |
| 2. Current Mode Indicator | Displays source currently playing. |
| 3. EQ | Press the |
| 4. Search | Press |
| 5. List | • Press • Press • Press a folder name to access that folder, and press • Use the up and down arrows to navigate the file list. • Press the “ |
| 6. Random | Press |
| 7. Track Up | Press |
| 8. Play / Pause | Press |
| 9. Track Down | Press |
| 10. Repeat | Press |
MEDIA COMPATIBILITY
| FILE TYPE | MP3 | ||
| File System | FAT | FAT 12 | x |
| FAT 16/FAT 32 | ✓ | ||
| File Extension | .mp3/.MP3/.Mp3/.mP3/.flac/oqq | ✓ | |
| .rmp/.m4a | x | ||
| MPEG Format | MPEG 1 | ✓ | |
| MPEG 2 | ✓ | ||
| MPEG 2.5 | ✓ | ||
| Sampling Frequency | MPEG 1 | 32/44.1/48kHz | |
| MPEG 2 | 12/16/ 22.05/24kHz | ||
| MPEG 2.5 | 8/11.025/12kHz | ||
| Bitrate | MPEG 1 | 32 – 320kbps | |
| MPEG 2 | 8 – 160kbps | ||
| MPEG 2.5 | 8 – 160kbps | ||
| Other Information | Directory Depth | Unlimited | |
| File Name Length | 32 bytes | ||
| Total File Number | 2000 files | ||
| Total Folder Number | 200 folders | ||
| File Number via Folder | 2000 files | ||
| MP3 ID3 TAG | ver.l.x | .✓ | |
| ver.2.x | ✓ | ||
| Title. Artist. Album | ✓ | ||
Notes:
Due to ongoing technological advancement, some USB flash drives may be incompatible with this unit.
| Media Compatibility | The following types of files are not compatible: • MP3 PRO format, MP3 play lists • RMP format • AAC, protected AAC, M4A format |
| Playback Order | MP3 playback sequence begins in the root folder of the USB device. Any empty folders or folders that do not include MP3 files are skipped. |
| Compatible Recording Formats | ISO9660 standards: • Maximum nested folder depth is 8 (including the root folder). • Valid characters for folder/file names are letters A-Z (all caps), numbers 0-9, and “_” (underscore). Some characters may not be displayed correctly, depending on the character type. • This device can play back files in Joliet and other standards that conform to ISO9660. MP3 written in the formats other than the above may not play and/or their file names or folder names may not be displayed properly. |
| Notes | Some files may not play or be displayed correctly, depending on sampling rates and bit rates. For best results, use the following settings when ripping MP3 files: 128kbps or higher constant bit rate 44.1kHz or higher sampling frequency |
BLUETOOTH (R) OPERATION

| Before using Bluetooth | Before you can use a Bluetooth device to make hands-free calls or stream audio. it must be authenticated. This is also referred to as “pairing” a device. |
| Pairing a New Device | The unit broadcasts the pairing signal constantly when no devices are currently connected. Complete the pairing sequence from your Bluetooth device. Refer to the owner’s manual for your device for more details. The device name is “NS-X2800DBT”. The unit can be in any mode of operation when pairing is performed. On certain phones, pairing may need to be done more than once. |
| Connect | The head unit will automatically connect to the last connected device when the connect feature is set to Auto connect On. If the connect feature is set to Auto Connect Off, the head unit will not automatically connect to any device. |
| Bluetooth Phone | From the main menu, touch the Bluetooth on the screen.Bluetooth icon will appear anytime a Bluetooth device is connected. |
| 1. Main Menu | Press icon to return to Main Menu screen. |
| 2. Current Mode Indicator | Displays current mode of operation. |
| 3. Bluetooth Status indicator | When Bluetooth is On and a Bluetooth device is being paired, the indicator will flash. When Bluetooth is On and a phone is connected to the unit, the indicator will illuminate steady. |
| 4. Setup | Press “SETUP” to access Bluetooth settings. |
| 5. Bluetooth Music | Press MUSIC to transfer audio between the unit and mobile phone. |
| 6. Call Log | Press the Call Log to show( Dialled, Missed and Received Calls ). |
| 7. Phone Book | Press “CONTACTS” to access phone book menu. |
| 8. Devices | Press the DEVICES to show the pairing device list. To connect to a previously connected device, press the current device name. Any previously connected devices that are in rang will be listed by their device name. Press the desired device name to disconnect from the current device and connect to the new device. |
| 9. Call | Dial a number and touch the Phone icon to call. |
| 10. Phone Keypad | Use the keypad to dial a phone number. |

| 11. End Call | Press the End icon on screen or the End button on the front Panel to end a call in progress or o reject an incoming call. |
| 12. Audio Transfer Button | Press to transfer audio between the unit and mobile phone. |
| 13. Microphone | Turn the Microphone voice On or Off. |
| 14. Keypad | Press to return to the Keypad screen. |
| 15. Repeat | Press |
| 16. Track Down | Press |
| 17. Play / Pause | Press |
| 18. Track Up | Touch |
| 19. Random | Press |
WEB LINK OPERATIONAL

APPLE CARPLAY OPERATION
Apple CarPlay™ is a smart interface for iPhone, allowing you to voice-control (via Siri) music, navigation, phone and messaging apps – significantly reducing driver distraction.
| Phone – Use Siri to make calls, return missed calls, listen to voice mail messages, and view the caller ID on the receiver’s screen. | |
| Messages – Ask Siri to send, read, and reply to text messages. This hands free operation minimizes distraction and allows you to keep hands on the wheel and eyes on the road. | |
| Music – Access music by artist, song, play-list, and more through the receiver’s touch-screen or via Siri. The receiver will mirror the iPhone screen with artist and track information. | |
| Maps – Use Siri to request turn-by-turn directions – search by address or points of interest. Apple Maps will be mirrored on the screen, including traffic information and estimated time to destination. |
COMPATIBLE DEVICES
Made for iPhone models:
iPhone 11 Plus, iPhone 11, iPhone XS Max, iPhone XS, iPhone XR, iPhone X, iPhone 8,
iPhone 8 Plus, iPhone 7, iPhone 7 Plus, iPhone 6, iPhone 6S
STARTING APPLE CARPLAY™
Connect an iPhone to the receiver’s USB port using a Apple Certified Lightning cable (not included). Apple CarPlay will launch automatically. The familiar applications will appear on the receiver’s touch-screen to activate Siri voice control.
Note: For safety reasons, CarPlay features are limited while driving and will vary with each CarPlay-enabled app. Available functions are determined by each individual app provider. For more information, visit www.apple.com/ios/carplay.
Note: Certain iPhone functions may be illegal while driving in your location. Be sure to familiarize yourself with local and state laws regarding mobile devices. When in doubt, stop and park your vehicle before using any devices.
APPLE CARPLAY™ OPERATION
When the CarPlay menu is displayed, the home button in the lower left corner work just like the home button on your iPhone.
- Press and hold it to summon Siri and begin your voice commands.
- At any time during CarPlay operation, you can press this button momentarily to return to the main CarPlay menu screen.
Please connect your cell phone with the hands-free system
Press any Application button on the main CarPlay menu to access that operation directly. The toolbar on the left side of the screen displays the time, signal strength and short cuts to the most popular applications – Phone, Music and Navigation – so they can be accessed quickly and easily without returning to the main menu.
CONTROLLING APPLE CARPLAY™
The following basic controls will operate many standard CarPlay features.
| The following basic controls will operate many standard CarPlay features. | |
| Swipe – Briefly swipe in the desired direction. | |
| Drag – Press, hold and drag to the desired location. |
Note: There is no need to pair your iPhone when using CarPlay. This will occur automatically when connecting an iPhone to the unit’s USB port.
Note: When CarPlay is in use, the unit’s Bluetooth will turn off automatically and hands-free functionality will operate through the CarPlay feature. Any other devices connected via Bluetooth will be disconnected during CarPlay use.
EXITING APPLE CARPLAY™
Disconnecting your iPhone will automatically exit CarPlay mode. To exit CarPlay mode while your phone is still connected, press the Power/Volume knob momentarily, and the unit’s main menu will be displayed.
ANDROID AUTO™ OPERATION
Android Auto™ brings the most useful apps to your phone screen or your compatible car display, in a format that makes it easy for you to keep your main focus on driving. You can control things like navigation and maps, calls and text messages, and music.
- Google Assistant
With your Google Assistant on Android Auto, you can keep your eyes on the road and your hands on the wheel while using your voice to help you with your day. Simply say, “Ok Google,” or in compatible cars, long press the voice control button on your steering wheel. - Navigation
Get real-time traffic alerts to avoid hazards, speed traps, and find the fastest route. Or take a break and find a bite along the way. - Calls & Messages
Your Google Assistant lets you stay connected while you’re driving. Your Assistant can help you call phone numbers from your contacts, chat with your favourite apps, read your messages aloud and text back, keeping your hands on the wheel.
COMPATIBLE DEVICES
Android Auto™ requires the Android Auto app from Google Play installed on an Android smart phone running Android Lollipop 5.0 or higher.
Warning:
Certain uses of the smart phone may not be legal while driving in your jurisdiction, so you must be aware of and obey any such restrictions. If in doubt as to a particular function, only perform it while the car is parked. No feature should be used unless it is safe to do so under the driving conditions you are experiencing.
STARTING ANDROID AUTO™
Connect an Android Auto™ compatible device to the unit via USB cable. Android Auto™ will launch automatically, or it can be accessed at any time from the main menu.
Note: When the device for Android Auto is connected to this unit, the device is also connected via Bluetooth at the same time. If five devices are already paired, the message confirming whether to delete the registered device is displayed. If you want to delete the device, touch [Agree]. If you want to delete other device, touch [BT Settings] and delete the devices manually.
Note: If Android Auto is turned on during a call on a cellular phone other than the Android Auto compatible device, the Bluetooth connection will switch to the Android Auto compatible device after the call.
USING ANDROID AUTO™
The Android Auto™ home screen displays personalized information, like time to your destination, reminders, recent calls incoming messages, the song you’re listening to, and Google Now cards. When the Android Auto™ menu is displayed, you can say “OK Google” or select the microphone in the upper right corner to talk to Google.
| 1. Maps and Navigation | ![]() |
| 2. Calls and Contacts | |
| 3. Home Screen | |
| 4. Music and Audio | |
| 5. Exit Android Auto |
EXITING ANDROID AUTO™
To exit Android Auto™, press the Exit button. Disconnecting your Android phone will automatically exit Android Auto™ mode.
REAR RCA INPUT
| A/V IN | Connect an optional audio/video source into the RCA (rear) input. Adjust volume on the external audio source as needed (if connected to the headphone output of the device). |
REAR CAMERA OPERATION (OPTIONAL)
| Using Rear Camera | Connect an optional rear camera to the Camera Input (Black RCA connector). Refer to the wiring diagram for details. |
| Auto Selection | The unit will automatically select camera mode when connected to the reverse lamp circuitry. Note: The external video output is not active when using the rear camera input. |
SWC INPUT OPERATION
The built-in SWC Interface is compatible with PAC steering wheel control modules. The PAC SWI-RC is recommended. A third-party adapter must be used in order for the NS-X2800DBT to be compatible with any steering wheel controls. The following controls are available for most vehicles.
| 1. Reset | 2. Mode |
| 3. Seek/Track Up (+) | 4. Seek/Track Down (-) |
| 5. Mute | 6. Volume Up (+) |
| 7. Volume Down (-) | 8. Band |
| 9. BT Talk | 10. BT End |
Note: Not all OE steering wheel functions may be supported by the NS-X2800DBT.
TROUBLESHOOTING
| PROBLEM | CAUSE | ACTION |
| Unit will not turn on (no power) | Yellow wire not connected or incorrect voltage Red wire not connected or incorrect voltage | Check connections for proper voltage (11-16VDC) |
| Black wire not connected | Check connection to ground | |
| Fuse blown | Replace fuse(s) | |
| Unit has power (but no sound) | Speaker wires not connected | Check connections at speakers |
| One or more speaker wires touching each other or touching chassis ground | Insulate all bare speaker wires from each other and chassis ground | |
| Unit blows fuse(s) | Yellow or red wire touching chassis ground | Check for pinched wire |
| Speaker wires touching chassis ground | Check for pinched wire | |
| Incorrect fuse rating | Use fuses with correct rating | |
| Unit has audio (but no video) | Parking brake safety circuit not connected Parking brake not applied | Check connections at parking brake Apply parking brake as described on page 26 |
| IR remote does not work | Dead battery | Replace battery |
SPECIFICATIONS
| FM TUNER | |
| Tuning range: | 87.5MHz-107.9MHz |
| Usable sensitivity: | 10dBf |
| 50dB quieting sensitivity: | 20dBf |
| Stereo separation @ 1kHz: | 38dB |
| Frequency response: | 30Hz-13kHz |
| AM TUNER | |
| Tuning range: | 530kHz-1710kHz |
| Usable sensitivity: | 24uV |
| Frequency response: | 30Hz-2.3kHz |
| FRONT USB | |
| Compatibility: | High Speed USB 2.0 |
| USB Class: | Mass storage class |
| MONITOR | |
| Panel size: | 10.1” diagonal measurement |
| View angle (up/down/left/right): | 50/70/70/70 |
| Resolution: | 1024 (H) x 600 (V) |
| Brightness (cd/m2): | 500 |
| Contrast ratio: | 500:01:00 |
| Pixels: | 1,152,000 |
| GENERAL | |
| Speaker output impedance: | 4 ohms |
| Line output voltage: | 4 volt RMS |
| Line output impedance: | 200 ohms |
| Chassis dimensions: | 7” x 7” x 4” (W x D x H) |
Design and specifications subject to change without notice.
![]() | This product meets all the basic EU regulatory requirements relevant to it. |
![]() | Selective collection of waste electrical and electronic equipment. Electrical equipment must not be disposed of with household waste. Pursuant to European Directive 2012/19/EU on waste electrical and electronic equipment, and its transposition into national law, waste electrical equipment must be collected separately and disposed of in designated collection points. Contact the local authorities or the vendor for advice on recycling. |
Norauto, declares that the radio equipment type : 31339 – 2259092 / NO3023 / NSX2800DBT is in compliance with Directive 2014/53/EU. The full
text of the EU declaration of conformity is available at the following internet address: www.MGTS.com.
Norauto
www.norauto.com
www.atu.eu
Made in P.R.C






Please connect your cell phone with the hands-free system



















