
INSTALL ATION INSTRUCTION
Cable flange, IP65
HIKFL131, HIKFL132, HIKFL211, HIKFL212

CABLE FLANGE, HIKFL_
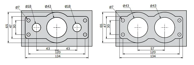
HIKFL131, HIKFL132


HIKFL211, HIKFL212


Contact us

ABB Oy
P.O. Box 622
FI-65101 Vaasa
Finland
abb.com/lowvoltage
© Copyright 2021ABB. All rights reserved.
Specifications subject to change without notice.
34HIKFL_ rev. A/ 1SCC390177M0201 # 10.11.2021

















