HYTRONIK HDS2400 Dali Switch

DALI SWITCH ON/OFF HDS2400
Installation and Instruction Manual
This on/off DALI controlled switch is ideally suited for retrofit where non-dimmable LED drivers, transformer or fluorescent ballasts have been used.
Product description
- DALI switch on/off
- Input: DALI, L, N
- Installation in box 60mm or stand alone installation.
Technical Specifications
- Product type : DALI switch on/off
- Operating voltage: 230/240VAC 50/60Hz
- Rated load: 400W
- Power consumption: ≤ 0.5W
- DALI power: 2mA
- Operating temperature: -20oC ~+50oC
- EMC standard: EN55015
- DALI standard: EN62386-101; 102; 205

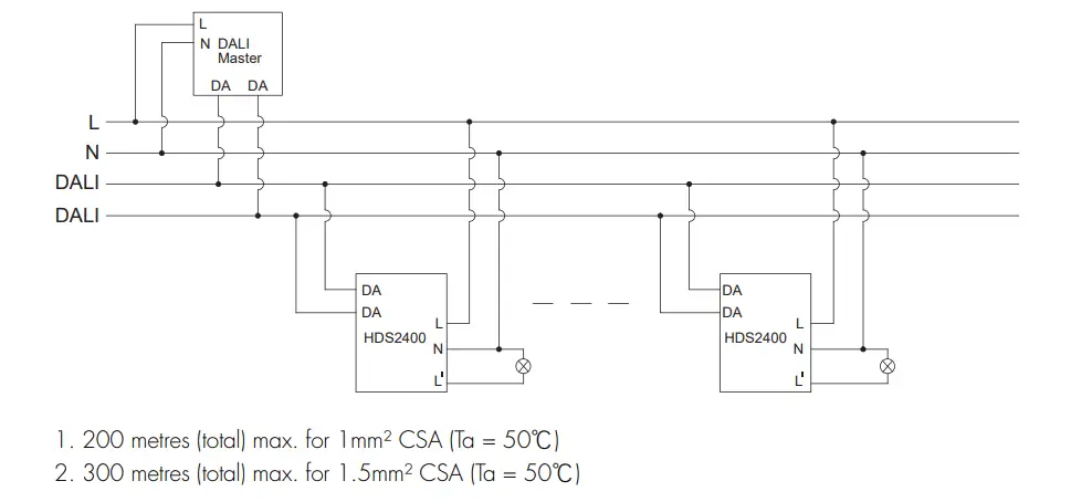
Wiring Diagram

Optional Accessory : Strain-relief clip
Note:
The current version product might have a potential risk of compatibility issue with 3rd party DALI gateways or DALI masters, Hytronik cannot guarantee it will be fully compatible with all the 3rd party DALI gateways or DALI masters. Therefore, before a mass quantity orders has been placed, customers need to make a full compatibility test between these products and their own 3rd party DALI gateways or DALI masters to make sure the product is working properly and no such compatibility issue. Otherwise, the potential compatibility risk and responsibility shall be taken by the customers themselves. Hytronik’s Guarantee policy will not be applied to this.





















