
DALI SWITCH ON/OFF HDS2400
Installation and Instruction Manual
This on/off DALI controlled switch is ideally suited for retrofit where non-dimmable LED drivers, transformer or fluorescent ballasts have been used.
Product description
- DALI switch on/off
- Input: DALI, L, N
- Installation in box 60mm or stand alone installation.
Technical Specifications
| Product type : | DALI switch on/off |
| Operating voltage: | 230/240VAC 50/60Hz |
| Rated load: | 400W |
| Power consumption: | <0.5W |
| DALI power: | 2mA |
| Operating temperature: | -20°C ~+50°C |
| ENC standard: | EN55015 |
| DALI standard: | EN62386-101; 102; 205 |

Dimensions(mm)
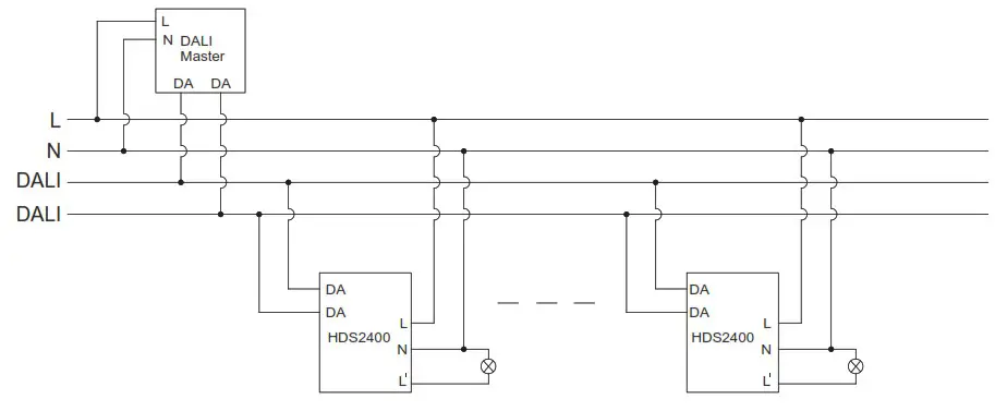
Wiring Diagram

Optional Accessory : Strain-relief clip


WWW.HYTRONIK.COM
HDS2400-20161121-A1



















