hakel HLSA6 Module

INSTALLATION

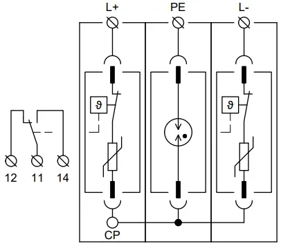
REMOTE MONITORING

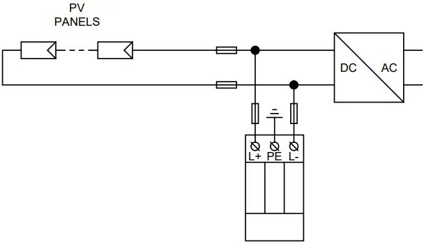
CONNECTION COMBINATION

BACK-UP FUSE APPLICATION

TECHNICAL DATA

CROSS-SECTION

WIRING DIAGRAM

Safety instructions
The product may only be connected and installed by an electrician. Before installation, the product must be checked for physical damage. If any defect or deficiency is found during this inspection, the product must not be installed. Its permissible use is described in the installation instructions. Follow the installation instructions carefully and connect according to the connection diagram provided. This product and its linked equipment may be damaged by loads which exceed a given value. Interference with the device leads to the loss of the right to claim.
POWER SUPPLY UP TO 1000 V
SURGE ARRESTER
HLSA6,5 PV * M (S)
max. continuous operating voltage:
UCPV = 600, 800, 1000 V DC S = remote monitoring (optional)

HAKEL spol. s r.o. Bratri Stefanu 980 500 03 Hradec Kralove Czech Republic
Phone: +420 494 942 300 [email protected]
www.hakel.com













