HARVIA HGP22 Helix Steam Generator

These instructions for installation and use are inten-ded for owners of steam rooms and steam genera-tors, persons in charge of managing steam rooms and steam generators, and for electricians responsi-ble for installing steam generators. Once the steam generator is installed, these instructions for instal-lation and use are handed over to the owner of the steam rooms and the steam generator, or to the person in charge of maintaining them. Congratula-tions on making an excellent choice!
HGP
Steam generator’s purpose of use: The HGP steam generator is meant for warming the steam room to a bathing temperature. It is not to be used for any other purpose.
- The guarantee period for steam generators and control equipment used by families is two (2) years.
- The guarantee period for steam generators and control equipment used in community steam rooms is one (1) year.
- The guarantee period for steam generators and control equipment used by institutions is one (1) year.
- The guarantee does not apply if the requirements for water quality presented in table 1 are not met, if the device is not serviced as defined in chapter 1.9., and/or if the device is not installed as defined in chapter 2.
INSTRUCTIONS FOR USE
Steam Generator System Components
- Control panel
- Temperature sensor
- Steam pipe
- Steam nozzle
- Water supply pipe
- Water supply pipe valve
- Discharge water pipe
- Floor drain
- Overpressure valve
- Connection cable
- Rubber plug
- Sediment cup
- Tube for fragrance pump
Warnings
- The steam generator faucets, pipes and steam nozzles became scalding hot when in use. Do not touch them with bare hands.
- The steam from the steam nozzles is scalding hot. Do not burn your skin.
- If there is a blockage in the steam nozzles and/or pipes, the steam generator will let the steam out from the overpressure valve. Do not block the overpressure valve.
- Do not take electric devices in to the steam room.
- Make sure the steam room dries properly after use.
Using the Steam Generator
Before starting the device, make sure that there are no objects in the steam room that do not belong there. Make sure that the steam vents freely from the nozzle. Open the water supply pipe valve.
The steam generator is equipped with a separate control panel. The device is in standby mode, when the buttons lit on the panel.
- If the buttons don’t lit, check that power is switched on from the main switch.
- When power is turned on from the main switch the control panel connects to steam generator/steam generators which are in use. The messa-ge ”pairing” and ”Done” is displayed when the system is ready for use.
Control panel
- Steam generator on/off
- Steam generator on with delay
- Lighting on/off
- Mode change
- Value increase
- Value decrease
- Indicator light: Temperature
- Indicator light: Time
- Indicator light: Fragrance
- Indicator light: Ventilation
- Indicator light: Panel locked
Steam generator on
Press button 1 (long press).- The set temperature is displayed first, after which the display switches to the current steam room temperature. The steam generator starts filling the water reservoir and warms up.

- The set temperature is displayed first, after which the display switches to the current steam room temperature. The steam generator starts filling the water reservoir and warms up.
- Settings
Press button 4.- Temperature. The adjustment range is 30–55 °C.

- Temperature. The adjustment range is 30–55 °C.
Press button 4.- Remaining on-time. The minimum value is 10 minutes. The maximum value can be set from additional settings (0:10–24:00 h).

- Remaining on-time. The minimum value is 10 minutes. The maximum value can be set from additional settings (0:10–24:00 h).
Press button 4.- Fragrance pump. You can change the intensity of the fragrance with the – and + buttons. The minimum value is off (OFF).

- Fragrance pump. You can change the intensity of the fragrance with the – and + buttons. The minimum value is off (OFF).
Press button 4.- Ventilation/dehumidifying. You can turn ventilation on (ON) or off (OFF) or choose dehumidifying (DRY).
- Dehumidifying interval (DRY) will begin when the steam generator is switched off or when the set on-time runs out
(takes 60 minutes).
Quick start of ventilation: (control panel in standby mode): press button 4 (M) and choose ON. - Ventilation is on for 60 minutes when a mode is activated.
Press button 4 to exit.
Steam generator on with a delay
Press button 2 (long press).- The decrease of remaining delay time is shown until zero appears, after which the steam generator is switched on.

- The decrease of remaining delay time is shown until zero appears, after which the steam generator is switched on.
Settings
Press button 4.- Temperature. The adjustment range is 30–55 °C.

- Temperature. The adjustment range is 30–55 °C.
Press button 4.- Delay time. The adjustment range is 0:10–12:00 h.

- Delay time. The adjustment range is 0:10–12:00 h.
Press button 4 to exit.
Additional settings
Open the additional settings menu by pressing buttons 5 and 6. Hold for 5 seconds.
Maximum on-time (24 h). The range is 0:10–0:24 h.
Press button 4.
Memory for power failures. You can choose how the device behaves after a break in electricity.- ON1: The system will start again and timing continues where it was stopped.
- ON2: The system will start again and the timing will reset.
- OFF: The system will not restart after a break in electricity.
- The safety regulations for memory usage vary from region to region.
Press button 4.- Activation of automatic discharge valve.

- Activation of automatic discharge valve.
- ON
- OFF
Press button 4.- Rinsing interval. If the automatic discharge valve has been activated, you can change the rinsing interval with the – and + buttons. The options are 0,5, 1, 2, 3 and 4 hours ( 1.6.).

- Rinsing interval. If the automatic discharge valve has been activated, you can change the rinsing interval with the – and + buttons. The options are 0,5, 1, 2, 3 and 4 hours ( 1.6.).
Press button 4.- Usage hours. Device number and usage hours are shown in turns in the display. In Multidrive system, you can see usage hours of all devices from the same panel.

- Usage hours. Device number and usage hours are shown in turns in the display. In Multidrive system, you can see usage hours of all devices from the same panel.
Press button 4.- Service. The display shows how many hours ago the service has been done. Reset counter after service by pressing button 6 (–) for 5 seconds. Service time can be changed by pressing buttons 5 and 6 (+ and -) at the same time.

- Service. The display shows how many hours ago the service has been done. Reset counter after service by pressing button 6 (–) for 5 seconds. Service time can be changed by pressing buttons 5 and 6 (+ and -) at the same time.
Press button 4.- Manual water control. You can add and discharge water with the – and + buttons e.g. when cleaning water reservoir, troubleshooting or in service.

- Manual water control. You can add and discharge water with the – and + buttons e.g. when cleaning water reservoir, troubleshooting or in service.
Press button 4.- Version display. First the software version of control panel is shown and after that software version of steam generator/steam generators in order of device number.

- Version display. First the software version of control panel is shown and after that software version of steam generator/steam generators in order of device number.
Press button 4 to exit.
Steam generator off
- The steam generator will turn off when the button 1 is pressed, the on-time runs out or an error occurs. Turning off the steam generator will also stop the fragrance pump.
- The device rinses and discharges the water reservoir automatically when the steam generator is turned off (takes about 5 minutes). During this time don’t turn the power off from the main switch.
Lock on/off
- The control panel can be locked and unlocked by pressing button 4 (M) for 5 seconds.
Fragrance Pump
- When turned on, the fragrance pump will feed fra-grance to the steam pipe. The fragrance pump is controlled via the control panel.
- Attach the pump’s suction hose to the fragrance container before switching on the steam generator.
- During first use, the fragrance is not fed into the steam room right from the start, as the fragrance must run through the pipeline first. Tip: you can speed up the process by setting the fragrance intensity to maximum at first.
- Make sure that the fragrance container does not dry up during use. The pump must not be left on without fragrance.
- Use only fragrances meant for steam generator use. Follow the instructions on the packaging.
Lighting
- The lighting of the steam room can be set up so that it can be controlled from the steam generator control panel (max 100 W/230 V ~).
- Switch the lights on/off by pressing the control panel button.
Automatic discharge valve
The automatic discharge valve helps to avoid prob-lems caused by water impurity. Function of the automatic discharge valve:
- Rinsing the water discharge piping
The device rinses impurities which have accumulated in the water discharge piping. The rinsing is done in every 5th time when the device takes water. - Rinsing the water reservoir (SET4)
- The device discharges the water reservoir and fills it up with clean water according the rinsing interval which has been chosen. During rinsing the text “flushing†runs in the display. This function is meant for institutions etc. where the steam generator is on a several hours at a time. The rinsing takes over 5 minutes and during this time the device pauses the steam generation. In Multidrive system one device is rinsing at a time so the steam generation doesn’t break totally.
- Discharging the water reservoir after use The device rinses and discharges the water reservoir automatically when the steam generator is turned off. The discharging takes about 5 minutes.
Remote control
The steam generator is possible to turn on also with a separate remote control, which has been assem-bled e.g. in the hotel reception.
- Short press: steam generator ON
- Long press: steam generator OFF
Multidrive
With the same control panel you can use four steam generators (HGX or HGP).
- Turn the power on from the main switch so that the device which is connected to the control panel turns on last.
- The device which is connected to the control panel will connect to the other devices automatically when turning on.
Steam Generator Maintenance
The time indicator light starts blinking when 200 hours has passed from the previous service. All ac-tions that can be taken by the user are listed below. All other maintenance must be left to professional maintenance personnel. Do not use tools if not nec-essary, because silicon hoses can break! Steam generators in community, institution and such use must be serviced thoroughly at least twice a year (checking and cleaning the reservoir, heating elements and the water level sensor).
Sediment Cup Emptying
There is a sediment cup in the bottom of the device which collects water impurity. Empty the cup when it fills up. Watch out for the hot steam generator. Do not unfasten the sediment cup when the device is in use. Make sure that the steam generator is cooled down completely before you unfasten the sediment cup. Proper time for cooling is 24 hours
from the previous use.
- Make sure that the water reservoir is empty (check the measurement cup through the transparent cover of service hatch: if there is water in the cup you have to empty the reservoir).
- Turn the steam generator off from the main switch (figure 2).
- Place a bucket (8 l) under the sediment cup. Some water might come from piping when the cup is off.
- Release the sediment cup tightener.
- Unfasten the cup by pulling. Clean the cup.
- Set the cup back to its place and fasten the tightener.
Decalcification
Tap water contains impurities, e.g. lime, which may in time block the internal parts of the steam gen-erator. The amount of lime in water (water hard-ness) and thus the need for decalcification varies from region to region. If the tap water is hard, it is recommended to install a softener to the building’s water distribution system. The requirements for the water are listed in table 1.
Decalcification with citric acid solution
The vapours of the citric acid solution are harmless. Besides citric acid you can use also other materials for the decalcification, follow always the instruc-tions in the packaging.
- Mix 50–80 grams of citric acid with one litre of water.
- Start the steam generator and leave it on for 10 minutes.
- Turn it off from the main switch (see figure 2).
- Remove the plug from the top of the steam generator (figure 3).
- Pour the citric acid solution in to the water reservoir and put the plug back to its place.
- Let the solution work for one hour.
| Water property | Effect Wirkung | Recommendation |
| Humus concentration | Colour, taste, precipitates in the steam generator Farbe, Geschmack, Ablagerungen im Dampfgenerator | < 12 mg/l |
| Iron concentration | Colour, odour, taste, precipitates in the steam generator Farbe, Geruch, Geschmack, Ablagerungen im Dampfgenerator | < 0,2 mg/l |
| Hardness: most important substances are manganese (Mn) and lime, i.e. calcium (Ca). Wasserhärte: Die wichtigsten Stoffe sind Mangan (Mn) und Kalk, d.h. Kalzium (Ca). | Precipitates in the steam generator Ablagerungen im Dampfgenerator | Mn: < 0,05 mg/l Ca: < 100 mg/l |
| Chlorinated water Gechlortes Wasser | Health risk Gesundheitsschädlich | Forbidden to use Darf nicht verwendet werden |
| Seawater Salzwasser | Rapid corrosion Rasche Korrosion | Forbidden to use Darf nicht verwendet werden |
| Flow rate in the incoming water pipe (measuring: let the water run from the incoming pipe for one minute and measure the amount of water) Durchfluss in der Wasserzuleitung (Messung: Lassen Sie das Wasser eine Minute lang aus der Zuleitung laufen, und messen Sie die Wassermenge.) | Flow too slow: breaks in steam generation Flow too fast: water running from the steam pipe Durchfluss zu gering: Unterbrechung der Dampferzeugung Durchfluss zu hoch: Wasser läuft aus dem Dampfrohr | 8–12 l/min |
Table 1. Water quality requirements
- Turn the main switch on. If the memory for power failures is on, the steam generator will start without pushing button 1.
- Rinsing (automatic discharge valve)
- Turn the steam generator on with button 1 and leave it on for 10 minutes.
- Turn the steam generator off with button 1 and leave it off for 5 minutes.
Cleaning the Steam Nozzles
The steam nozzles can be cleaned with mild soap solution.
Troubleshooting
- If an error occurs, the control panel will show a device number and an error message, which helps troubleshooting the cause for the error.
- The user can check only the points marked with an asterisk (*). All other maintenance must be done by professional maintenance person-nel.
Error message and fixing

- Temperature sensor measuring circuit broken. Check the wiring and connec-tions from connectors to the sensor.
- Temperature sensor’s measuring circuit short-circuited. Check the wiring and connections from connectors to the sensor.
- Overheat protector’s measuring circuit broken. Press the overheat protector’s reset button ( 2.10.). Check the wiring and connections from connectors to the overheat protector’s sensor.
- Water level low. Check if there is water in the measurement cup. Check the water inlet*, solenoid valve, discharge valve, and the water level sensor.
- There is still water in the reservoir
even rinsing and discharging has been done. Check if there is water in the measurement cup. Check discharge valve and the water level sensor. - Connection failure between the control panel and the steam generator. Check the cable and the connectors.
- Water reservoir empty after rinsing. Check if there is water in the meas-urement cup. Check the water inlet*, solenoid valve, discharge valve, and the water level sensor.
- Water reservoir full when starting the filling (starting, stopping, rinsing cycle). Check the discharge valve and the water level sensor.
- Too many fillings within five minutes. Check the water inlet*, flow rate* (table 1), solenoid valve, discharge valve and the water level sensor.
- Sufficient water level has not been reached within 10 minutes after the device has been turned on. Clean the measurement cup and check the wiring.
- Sufficient water level won’t be reached when vaporising. Check the water inlet* and discharge valve.
- Several errors Error messages run in the display.
- Breaks in steam generation
Breaks in steam generation are completely normal. The steam generation pauses when the steam generator takes water in the water reservoir and when the temperature in the steam room rises to the desired value. - Glucking
There are water pockets or valleys in the pipes. Straighten the pipes tilted away from the steam generator. - The water reservoir smells like the fragrance
Check that fragrance doesn’t flow to the water reservoir from the steam pipe.
Other messages
The time indicator light starts blinking when 200 hours has passed from the previous service. Perform service ( 1.9.). Reset counter after service.
Flushing Text is running in the display. Rinsing.
Pairing Text is running in the display. The control panel will connect with the steam generators that are ready for use.
Done The connection between devices is done.
INSTRUCTIONS FOR INSTALLATION
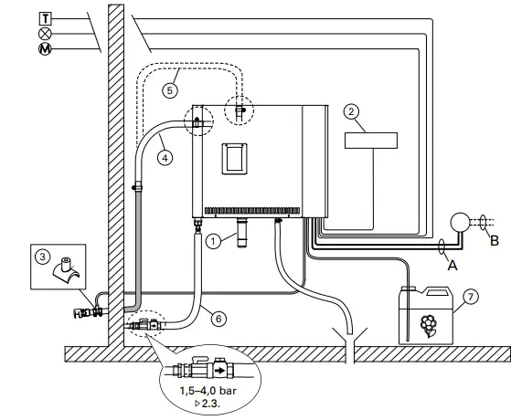
- Sediment cup
- Control panel
- Connection part for fragrance pump
- Steam pipe
- Steam pipe (alternative)
- Water supply pipe Optional parts and devices:
- Fragrance
Figure 4. Steam generator connections
| Model Modell | Output Leistung | Recommended steam room size (m3) | Steam output capacity Dampf- ausgabe- kapazität | 400 V 3N~ | |||||||
| Light wall (acrylic, etc.) Leichtbauwand (Acryl, usw.) | Tiled light wall Geflieste Leichtbauwand | Tiled stone wall, etc. Geflieste Steinwand, usw. | Cable Kabel | Fuse Sicherung | |||||||
| A | B | ||||||||||
| kW | * | ** | * | ** | * | ** | kg/h | mm2 | mm2 | A | |
| HGP22 | 21,6 | 20–29 | 30–42 | 16–24 | 24–34 | 12–20 | 20–28 | 29,2 | (2 x) 5 x 2,5 | (2 x) 5 x 2,5 | (2 x) 3 x 16 |
| HGP30 | 30,0 | 24–39 | 34–56 | 20–32 | 28–46 | 16–27 | 24–37 | 40,2 | (2 x) 5 x 2,5 | (2 x) 5 x 6 | (2 x) 3 x 25 |
| Model Modell | Width Breite | Depth Tiefe | Height Höhe Ge | Weight (water reservoir empty) wicht (mit leerem Wassertank) | Weight (water reservoir full) Gewicht (mit vollem Wassertank) |
| HGP22–HGP30(L) | 560 mm | 320 mm | 490 mm 24 | kg | 33 kg |
Table 2. Installation details
Prior to Installation
Prior to installing the steam generator, study the instructions for installation, and check the follow-ing points:
- The steam generator output should correspond to the volume of the steam room. Table 2 gives guidelines for the minimum and maximum vol-umes for each steam generator and wall mate-rial.
- The supply voltage is suitable for the steam generator.
- The fuses and connecting cables meet the regulations and their measurements match table 2.
- The installation place of the steam genera-tor must meet the minimum requirements for safety distances given in figure 5 and the place must be as defined in section 2.2.
Installation Place and Fastening
- The steam generator must be installed in a dry interi-or space. The steam generator must not be installed in a place where it may freeze or where it is subject to harmful substances. The maximum allowed tem-perature around the device is 30 °C.
- The room must have a floor drain for the discharge water. Do not install the device straight above the drain, because steam coming up from drain wets the steam generator and may cause problems.
- If the steam generator is installed inside a cabinet or such closed space, sufficient ventilation must be provided around the device.

Water supply and discharge water connections
- See figure 4. The water supply pipe must be equipped with a stop valve and vacuum breaker. The maxi-mum incoming water pressure for the water supply pipe is 4,0 bar.
See figure 6. The steam generator discharge wa-ter pipe must be led to the installation room’s floor drain. - The discharge water must not be led to the steam room, because the water is very hot (70 °C)! Install the pipes tilted away from the steam gen-erator.

Electrical Connections
The steam generator must be connected to the mains in accordance with the current regulations and by an authorised, professional electrician. See figure 7 for electrical connections.
Installing the Temperature Sensor
Install the temperature sensor to the steam room ceiling or to a wall 1700–3000 mm above the floor level. Drill a 7.5 mm diameter hole, push the sensor into the hole, and seal with silicone.
Do not install the sensor near doors or ventilation openings. The allowed area is shown in figure 8.
Multidrive
Up to 4 steam generators can be connected in se-ries so that they share the same control panel. The steam generators can be of different models (HGX or HGP). The connection principle is shown in figure 9.
- Connect the control panel to the first steam generator in the chain.
- Connect a temperature sensor to the first steam generator. You can connect additional sensors (1/steam generator) to enhance the temperature measuring accuracy and fault tolerancy of the system.
- Connect the steam generators together with data cables which are delivered with the device. Also see figure 7.
- Choose device numbers for steam generators. Use numbers 0–3.
- See 1.8.
Steam Pipes
The steam from the steam generator is led to the steam room with copper pipes. The minimum steam pipe inside diameter is 23 mm. You can connect the steam generator to copper piping with a transparent


- silicon hose which inside diameter is 25 mm.
- Transparent pipes help to locate potential problems.
- The pipes must be carefully insulated. The maxi-mum length of a well insulated steam pipe is 10 metres. It is recommended to place the steam gen-erator as close to the steam room as possible, to minimise the length of the steam pipes.
- If more than one steam nozzles are used, each steam pipe going to the nozzles must be equipped with a flow control valve, so that the steam is even-ly distributed into the steam room. Figure 10A. Ad-justing the valves:
- Turn all the valves completely open.
- If there is significantly more steam coming from one of the valves, turn the flow down.
- Do not turn the flow down on all the valves.
- The steam must be able to flow freely from the nozzles. If there is a blockage in the steam nozzles and/or pipes, the steam will come out of the overpressure valve (Figure 6).
- The far end of the steam pipe must be tilted to-wards the steam room. There must be no excess bends, water pockets or cut offs in the pipes. Figure 10B.
Installing the Steam Nozzles
- Attach the steam nozzle to the end of the steam pipe and seal the steam pipe lead in with silicone. The nozzles should be placed 100–300 mm above the floor level. Figure 10A.
- Point the opening of the nozzle downwards. Make sure the steam does not burn the bath-ers. Place the nozzles so that one can not touch them by accident.
Installing the Tube for Fragrance Pump
- The joint between the feeding tube and the steam pipe must be as close to the steam nozzle as pos-sible. By doing this, as little fragrance residue as possible will accumulate in the steam pipe in the


- course of time. See figure 11.
Installing the Control Panel
- The control panel is splashproof and has a small operating voltage. The panel can be installed in a dry area e.g. in the washing or dressing room, or in the living quarters.
- The panel can not be installed in the steam room. Figure 12.
- Conductor tubing (ø 30 mm) inside the wall struc-ture allows you to thread the data cable hidden within the wall – otherwise the installation will have to be on the wall surface.

Resetting the Overheat Protector
- Open the cover. A blown overheat protector can be reset by pressing the button on the end of the device. Figure 13.
The reason for the going off must be deter-mined before the button is pressed. The over-heat protector may be reset only by a professional maintenance person.
3. SPARE PARTS
| model/Modell | pcs/Teile | ||||
| 1 | Heating element 3600 W/230 V Heating element 5000 W/230 V | ZSTM-260 ZSTM-261 | HGP22 HGP30 | 6 6 | |
| 2 | Measuring cup set (includes water level sensor, top and tube) | WX620 | 1 | ||
| 3 | Sediment cup | ZSTM-170 | 1 | ||
| 4 | Main switch | ZSK-684 | 1 | ||
| 5 | Circuit board | WX604 | 1 | ||
| 6 | Overheat protector | ZG-550 | 1 | ||
| 7 | Control panel | WX602 | 1 | ||
| 8 | Rubber gasket D10 | ZSTM-150 | 1 | ||
| 9 | Water supply hose | ZSTM-227 | 1 | ||
| 10 | Solenoid valve | ZG-370 | 1 | ||
| 11 | Rubber plug | ZSTM-155 | 1 | ||
| 12 | Discharge valve | ZG-700 | 1 | ||
| 13 | Head gasket | ZSTM-255 | 1 | ||
| 14 | Contactor | ZSL-940 | 1 | ||
| 15 | Fragrance pump | ZVR-779 | 1 | ||
| 16 | Adapter (½”-¾”) | ZSTM-225 | 1 | ||
Optional parts and devices
| 17 | Data cable 1.5 m | WX312 | 1 |
We recommend to use only the manufacturer’s spare parts.


Press button 1 (long press).




Press button 4.






























