EBSGCN Series Evaluation Board
User Manual
EBSGCN Series Evaluation Board
EVALUATION BOARD MANUAL
EBSGCN Series
EVALUATION KIT MANUAL
EKSGCN Series for EYSGCN series Bluetooth Ⓡ low energy Module
TAIYO YUDEN CO., LTD.
Introduction
This evaluation board is applicable for Taiyo Yuden’s Bluetooth ® 4.2 low energy module, EYSGCN Series.
Serial UART interface and power supply are possible with one USB cable. And this board has the SWD connector terminal for software development.
Mounted module
EYSGCN (9.6mm x 12.9mm x 2.0mm_MAX) 
Nordic nRF51822 / ARM® Cortex™-M0 32 bit processor 49-pin Land Grid Array / 29GPIOs / SWD
– Basic Module –
Taiyo Yuden writes firmware for S120 (EYSGCNZWY) SoftDevice to this product. The user can develop unique application for the module.
Content
| 1 | EBSGCN Series Evaluation Board | 1 pc |
| 2 | J-Link Lite (EKSGCNZWY Only) | 1 set |

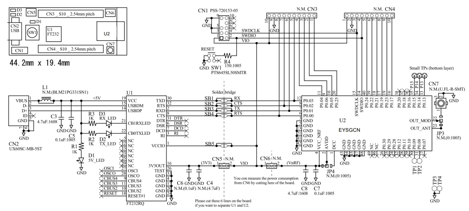
Evaluation board circuit schematic
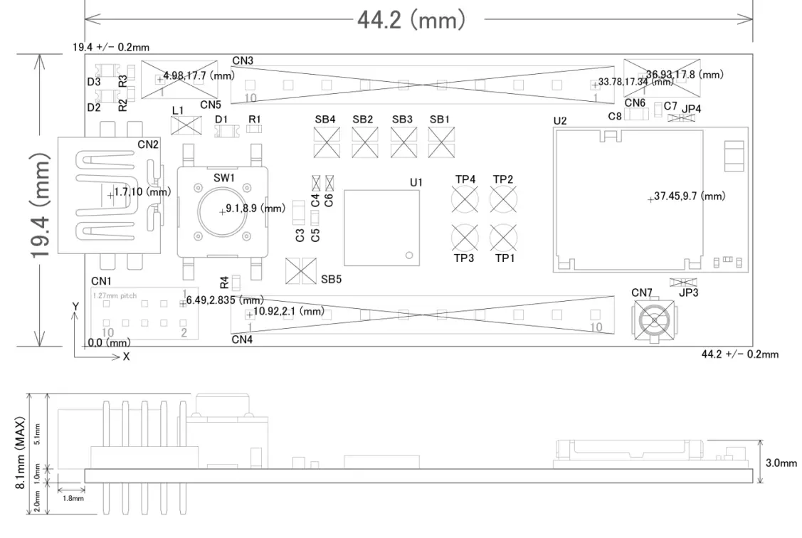
Evaluation board layout
- All pin headers are 2.54mm pitch. And distance between CN3 and CN4 is 15.24mm.
- CN3-CN6, C4, C6, L1, JP3, JP4, SB1-5, TP1-4 are not mounted (N.M.).
- D1 (LED): USB VBUS 5V LED Indicator
- D2 (LED): UART TX Indicator
- D3 (LED): UART RX Indicator
- SW1 (Push button): Module Reset (active low)
Silkscreen Printing
Pin Descriptions
| Pin No. | CN3 | CN4 |
| 1 | P0.25 | VIO |
| 2 | P0.05 | GND |
| 3 | P0.06 | SWDCLK |
| 4 | P0.04 | SWDIO |
| 5 | P0.03 | P0.24 |
| 6 | P0.01 | P0.22 |
| 7 | P0.02 | P0.21 |
| 8 | P0.00 | P0.19 |
| 9 | GND | P0.23 |
| 10 | VIO | P0.17 |
How to use
It is very easy just to tie this board to the PC with a USB cable. It is not necessary to change the setting of the board. The power supply of the module supplies by default
3.3V from 3V3OUT of FT232RQ.
For software development
Nordic-DK and Use case
Nordic-DK
http://www.nordicsemi.com/eng/Products/nRF51-DK

MEMO
1) Current measurment
To measure the current, please cut the shorting 1pin and 2 pin of CN6. And connect an ampere-meter between the pins of connector CN6 to monitor the current directly.
2) About the power supply of the module
When you use external power supply, please supply power from 9pin and 10pin of CN3.
On this configuration, you cut short circuit 1pin and 2pin of CN5 and should separate 3V3OUT of FT232RQ.
3) USB to serial UART interface
It needs to install driver of FT232RQ to use USB for UART interface.
The drivers are available on FTDI website.
http://www.ftdichip.com/Drivers/D2XX.htm
In addition, by the application development, please assign GPIO as follows.
| GPIO | UART |
| P0.00 | RTS |
| P0.01 | TX |
| P0.02 | CTS |
| P0.03 | RX |
4) Size and Coordinate information 
Important notes
The evaluation board included with the Nordic Development Kit uses a 16MHz clock. Therefore the sample code from Nordic is designed to be used with a 16MHz clock. On the other hand, the EYSGCN series module uses a 32MHz system clock, making it incompatible with the Nordic sample code (i.e. sample code does not configure HFCLK: XTALFREQ register for 32MHz). To fix this issue, we need to write the value 0xFFFFFF00 to the UICR (User Information Configuration Register) at address 0x10001008. Please note that the UICR is erased whenever you download a SoftDevice.
The UICR can be written by using the debug tools:
nrfjprog.exe –snr <your_jlink_debugger_serial_number> –memwr 0x10001008 –val 0xFFFFFF00
Or the following code can be added to the SystemInit function in the system_nRF51.c file, right before launching the TASK_HFCLKSTART task:
if (*(uint32_t *)0x10001008 == 0xFFFFFFFF) {
NRF_NVMC->CONFIG = NVMC_CONFIG_WEN_Wen << NVMC_CONFIG_WEN_Pos;
while (NRF_NVMC->READY == NVMC_READY_READY_Busy){}
*(uint32_t *)0x10001008 = 0xFFFFFF00;
NRF_NVMC->CONFIG = NVMC_CONFIG_WEN_Ren << NVMC_CONFIG_WEN_Pos;
while (NRF_NVMC->READY == NVMC_READY_READY_Busy){}
NVIC_SystemReset();
while (true){} 
TY’s App or TY’s App Lite Installation model
TY’s App (Taiyo Yuden Standard Application for BLE) BLE Embedded Software
EYSGCNA Series. (9.6mm x 12.9mm x 2.0mm_MAX)
Nordic nRF51822 / ARM® Cortex™-M0 32 bit processor
TY’s App is installed.
Development of the application software in the module is unnecessary. 
TY’s App and TY’s App Lite
TAIYO YUDEN CO., LTD.
Downloaded from Arrow.com.


















