TAIYO YUDEN EBSNCN EVALUATION BOARD low energy Module

Introduction
This evaluation board is applicable for Taiyo Yuden’s Bluetooth® low energy module, EYSNCN Series. 
Serial UART interface and power supply are possible with one USB cable. And this board has the SWD connector terminal for software development.
Mounted module
EYSNCN Series (9.6mm x 12.9mm x 2.0mm_MAX) 
Nordic nRF52811 / ARM® Cortex™-M4 32 bit processor 49-pin Land Grid Array / 30GPIOs / SWD
Basic Module
Taiyo Yuden writes firmware for (EYSNCNZWW) SoftDevice to this product. The user can develop unique application for the module.
Content
| 1 | EBSNCN Series Evaluation Board (PCB name_TE8648-2) | 1 pc |
| 2 | J-Link Lite (EKSNCN Series Only) | 1 set |
Evaluation board circuit schematic

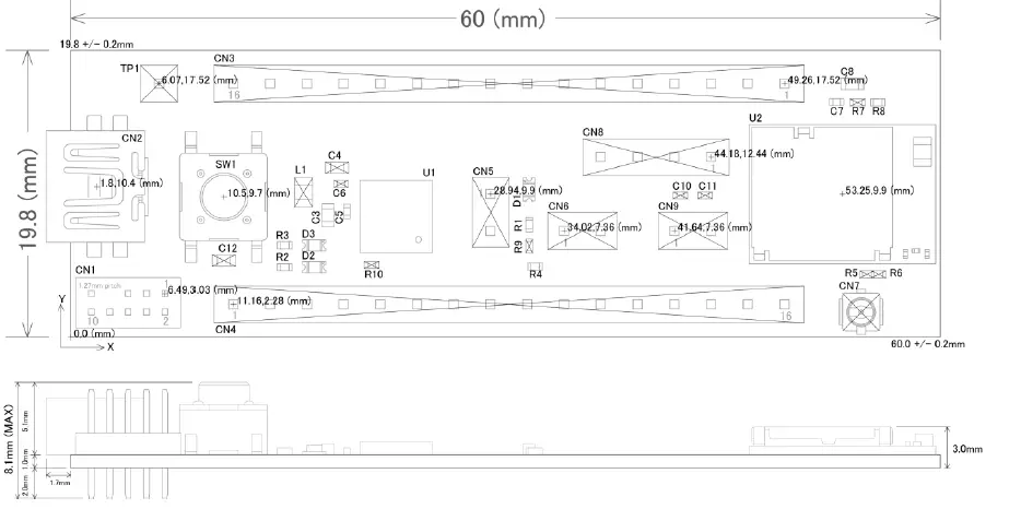
Evaluation board layout

- All pin headers are 2.54mm pitch. And distance between CN3 and CN4 is 15.24mm.
- CN3,4,5,6,8, C4,6,10-12, L1, R5-7,9,10, SB1-7, TP1 are not mounted (N.M.).
- D1 (LED): 3.3V Indicator
- D2 (LED): UART TX Indicator
- D3 (LED): UART RX Indicator
- SW1 (Push button): Module Reset (active low)
Silkscreen Printing 
Pin Descriptions
| Pin No. | CN3 | CN4 | CN8 |
| 1 | P0.22 | VIO | P0.23 |
| 2 | P0.25 | GND | P0.24 |
| 3 | P0.04 | SWDIO | P0.26 |
| 4 | P0.28 | SWDCLK | P0.27 |
| 5 | P0.29 | P0.03 | |
| 6 | P0.30 | P0.11 | |
| 7 | P0.31 | P0.12 | |
| 8 | P0.02 | P0.13 | |
| 9 | P0.09 | P0.14 | |
| 10 | P0.10 | P0.15 | |
| 11 | P0.05 | P0.16 | |
| 12 | P0.06 | P0.17 | |
| 13 | P0.07 | P0.18 | |
| 14 | P0.08 | P0.19 | |
| 15 | GND | P0.20 | |
| 16 | VIO | P0.21/RESET |
How to use
It is very easy just to tie this board to the PC with a USB cable. It is not necessary to change the setting of the board. The power supply of the module supplies by default 3.3V from 3V3OUT of FT232RQ.
MEMO
- Current measurment
To measure the current, please cut the shorting 1pin and 2 pin of CN6. And connect an ampere-meter between the pins of connector CN6 to monitor the current directly. - About the power supply of the module

When you use external power supply, please supply power from 15 and 16pin of CN3. On this configuration, please cut the short circuit 1pin and 2pin of CN5 in order to separate 3V3OUT of FT232RQ. - USB to serial UART interface
It needs to install driver of FT232RQ to use USB for UART interface. The drivers are available on FTDI website. http://www.ftdichip.com/Drivers/D2XX.htm In addition, by the application development, please assign GPIO as follows.
| GPIO | UART |
| P0.05 | RTS |
| P0.06 | TX |
| P0.07 | CTS |
| P0.08 | RX |
Size and Coordinate information





To measure the current, please cut the shorting 1pin and 2 pin of CN6. And connect an ampere-meter between the pins of connector CN6 to monitor the current directly.



















