
EBSHSN, EKSHSN
30-May 2018 Ver.1.2 TAIYO YUDEN CO., LTD.
EVALUATION BOARD MANUAL
EBSHSN Series
EVALUATION KIT MANUAL
EKSHSN Series
for EYSHSN Series Bluetooth low energy Module
TAIYO YUDEN CO., LTD
EBSHSN, EKSHSN
Introduction
This evaluation board is applicable for Taiyo Yuden’s Bluetooth® low energy module, EYSHSN Series.
Serial UART interface and power supply are possible with one USB cable. And this board has the SWD connector terminal for software development.
Mounted module
EYSHSN (8.55mm x 3.25mm x 0.85mm_MAX)
Nordic nRF52832 / ARM® CortexTM-M4F 32 bit processor 28-pin Land Grid Array / 15GPIOs / SWD
– Basic Module –
Taiyo Yuden writes firmware for S132 (EYSHSNZWZ) SoftDevice to this product. The user can develop a unique application for the module.
Content
1 EBSHSN Series Evaluation Board ………………………1 pc
J-Link Lite (EKSHSN Series Only)…………………….1 set
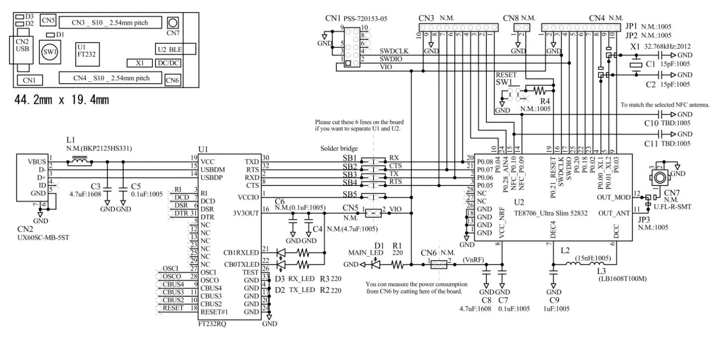
Evaluation board circuit schematic
Evaluation board layout
- All pin headers are 2.54mm pitch. And the distance between CN3 and CN4 is 15.24mm.
- CN3-CN8, C4, C6, C10, C11, R4, L1, JP1-JP3, and SB1-5 are not mounted (N.M.).
- D1 (LED): 3.3V Indicator
- D2 (LED): UART TX Indicator
- D3 (LED): UART RX Indicator
- SW1 (Push button): Module Reset (active low)
Silkscreen Printing
Pin Descriptions
| Pin No. | CN3 | CN4 | CN8 |
| 1 | NFC/P0.09 | VIO | GND |
| 2 | NFC/P0.10 | GND | P0.21/RESET |
| 3 | P0.28 | SWDCLK | |
| 4 | P0.04 | STUDIO | |
| 5 | P0.08 | P0.20 | |
| 6 | P0.06 | P0.18 | |
| 7 | P0.07 | P0.02 | |
| 8 | P0.05 | P0.00 | |
| 9 | GND | P0.01 | |
| 10 | VIO | P0.03 |
How to use
It is very easy just to tie this board to the PC with a USB cable. It is not necessary to change the setting of the board. The power supply of the module supplies by default 3.3V from 3V3OUT of FT232RQ.
For software development
Nordic-DK and Use case
Software Tool
SWD: Serial Wire Debug
For example, please use J-Link Lite
cortex-9 JTAG/SWD Emulator.
EKSHSNZWZ included
CN1 supports the connection of the 10 pin 1.27 mm flat cable. 

Nordic-DK
http://www.nordicsemi.com/eng/Products/Bluetooth-low-energy/nRF52-DK
MEMO
- Current measurement To measure the current, please cut the shorting 1pin and 2 pin of CN6. And connect an ampere-meter between the pins of connector CN6 to monitor the current directly.

- About the power supply of the module When you use an external power supply, please supply power from 9pin and 10pin of CN3. On this configuration, you cut short circuit 1pin and 2pin of CN5 and should separate 3V3OUT of FT232RQ.

- USB to serial UART interface It needs to install the driver of FT232RQ to use USB for the UART interface.
The drivers are available on the FTDI website.
http://www.ftdichip.com/Drivers/D2XX.htm
In addition, by the application development, please assign GPIO as follows.
| GPIO | UART |
| P0.05 | RTS |
| P0.06 | TX |
| P0.07 | CTS |
| P0.08 | RX |
Size and Coordinate information
Important notes
32kHz Clock This module does not installed 32.768kHz crystal. In case of operating without external crystal, please modify sdk_config.h in order to enable internal 32.768kHz RC oscillator (32k RCOSC). The content may change depending on the SDK you use.
–sdk_config.h– (In case of SDK14.2)
// <o> CLOCK_CONFIG_LF_SRC – LF Clock Source
// <0=> RC // <1=> XTAL
// <2=> Synth
#ifndef CLOCK_CONFIG_LF_SRC
#define CLOCK_CONFIG_LF_SRC 0
#endif
// <h> Clock – SoftDevice clock configuration
// <o> NRF_SDH_CLOCK_LF_SRC – SoftDevice clock source.
// <0=> NRF_CLOCK_LF_SRC_RC
// <1=> NRF_CLOCK_LF_SRC_XTAL
// <2=> NRF_CLOCK_LF_SRC_SYNTH
#ifndef NRF_SDH_CLOCK_LF_SRC
#define NRF_SDH_CLOCK_LF_SRC 0
#endif
// <o> NRF_SDH_CLOCK_LF_RC_CTIV – SoftDevice calibration timer interval.
#ifndef NRF_SDH_CLOCK_LF_RC_CTIV
#define NRF_SDH_CLOCK_LF_RC_CTIV 16
#endif
// <o> NRF_SDH_CLOCK_LF_RC_TEMP_CTIV – SoftDevice calibration timer interval under constant temperature.
// <i> How often (in number of calibration intervals) the RC oscillator shall be calibrated
// <i> if the temperature has not changed.
#ifndef NRF_SDH_CLOCK_LF_RC_TEMP_CTIV
#define NRF_SDH_CLOCK_LF_RC_TEMP_CTIV 2
#endif
// <o> NRF_SDH_CLOCK_LF_XTAL_ACCURACY – External crystal clock accuracy used in the LL to compute timing windows.
// <0=> NRF_CLOCK_LF_XTAL_ACCURACY_250_PPM
// <1=> NRF_CLOCK_LF_XTAL_ACCURACY_500_PPM
// <2=> NRF_CLOCK_LF_XTAL_ACCURACY_150_PPM
// <3=> NRF_CLOCK_LF_XTAL_ACCURACY_100_PPM
// <4=> NRF_CLOCK_LF_XTAL_ACCURACY_75_PPM
// <5=> NRF_CLOCK_LF_XTAL_ACCURACY_50_PPM
// <6=> NRF_CLOCK_LF_XTAL_ACCURACY_30_PPM
// <7=> NRF_CLOCK_LF_XTAL_ACCURACY_20_PPM
#ifndef NRF_SDH_CLOCK_LF_XTAL_ACCURACY
#define NRF_SDH_CLOCK_LF_XTAL_ACCURACY 0
#endif
Note that when you choose to use the RC oscillator, it will add around 2uA average current consumption compared to a 20ppm external crystal. ANT specification requires +/-50ppm accuracy for a 32.768kHz clock. There is a possibility that the internal RC oscillator does not meet the specification.
TAIYO YUDEN CO., LTD
Downloaded from Arrow.com.

















