
MS46SF11 Low Energy Bluetooth Module
User Manual
nRF52805 module specification
Small-sized nRF52805
Module MS46SF11
OEM/ Integrators Installation Manual
MS46SF11 is a compact size (15.8 x 12.0 x 2.0 mm), highly flexible, ultra-low-power wireless BLE 5.0 Module based on nRF52805 SoCs; Its powerful 32-bit ARM Cortex® M4 CPU, a 192kB flash memory, a 24kB RAM and integrating a 2.4 GHz transceiver can offer the perfect solution for Bluetooth connectivity.
Features
Frequency: 2400 to 2483 MHz Max.
Output power: +4dBm
Single power supply: 1.7 3.6V
Range: up to 60 meters in open space
Chip: nRF52805 (Nordic)
GPIO Quantity: 6
192KB Flash and 24KB RAM (nRF52805)
Module size: 15.8 x 12.0 x 2.0 mm
ARM Cortex-M4 processor
Metal shielding with marking
UART communication protocol (Slave optional)
AntennaPCB
Operating Temperature range: -40 to 80 degree Celsius
Certification
FCC is coming soon
CE is coming soon
Application
Medical devices
Heart rate monitor
Blood pressure monitor
Blood glucose meter
Thermometer
Sport facilities
Weighing machine
Sports and fitness sensors
Accessories 3D glasses and gaming controller
Mobile accessories
Remote controllers /Toys
Electronic devices
Cycle computer
Product introduction
MS46SF11 is an ultra-small size (15.8 x 12.0 x 2.0 mm), highly flexible, ultra-low-power wireless BLE 5.0 Module based on nRF52805 SoCs; Its powerful 32-bit ARM CortexTM M4 CPU, a 192KB flash memory, a 24KB RAM and integrating a 2.4 GHz transceiver can offer the perfect solution for Bluetooth connectivity.
MS46SF11 can meet the most demanding applications, it allows faster time to market with high performance, low power management, and reduced development cost. Also, its range is estimated up to 60 meters in open space.
1.1 Ordering information
Ordering number | Description |
| MS46SF11-001 | 306030112, nRF52805-CAAA BT 5.0 Module, PCB Antenna, Reel pack |
Pin description
2.1 Pin assignment
2.1.1 MS46SF11 PCB Antenna
2.2 Pin definition
| Symbol | Definition | Description |
| Pin 1 | ANT | Connect pin for external antenna |
| Pin 2 to Pin 7 | NC | |
| Pin 8 | P0.21 | UART TX |
| Pin 9 | P0.18 | UART RX |
| Pin 10 | VCC | VCC |
| Pin 11 | GND | GND |
| Pin 12 | P0.05 | CON_IND |
| Pin 13 | P0.04 | FIFO_FULL |
| Pin 14 | P0.16 | SLP |
| Pin 15 | P0.12 | BTDATA |
| Pin 16 | SWDIO | Serial wire debug clock input for debugging and programming |
| Pin 17 | SWCLK | Serial wire debug I/O for debugging and programming |
| Pin 18 | NC |
2.3 Block diagram
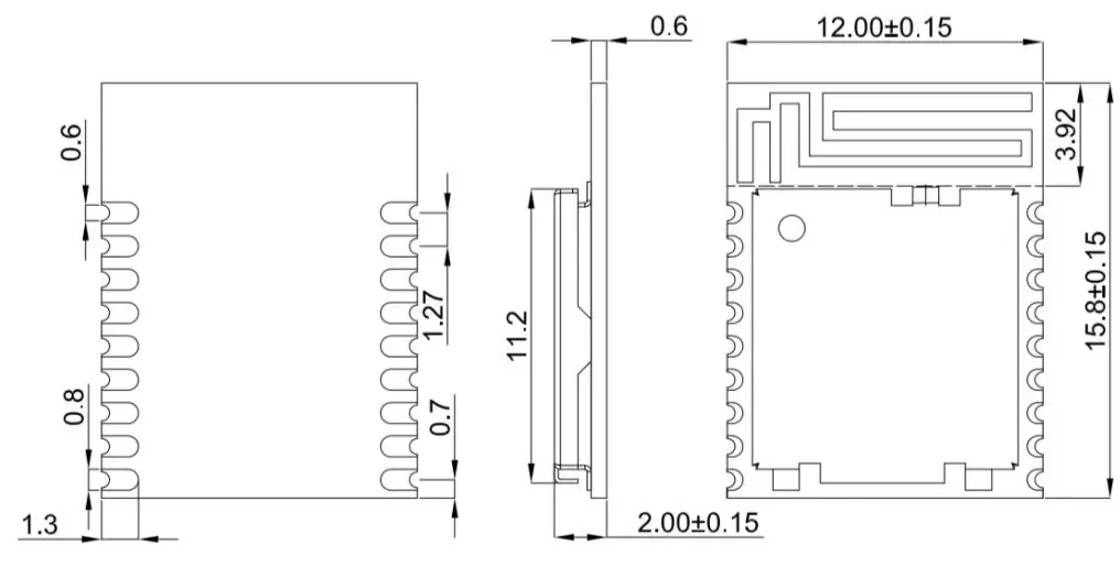
2.4 Mechanical drawing
2.4.1 MS46SF11 PCB Antenna

Unit: mm
Tolerance: +/- 0.1, default
Electrical specification
The electrical specifications of the module are directly related to the Nordic semiconductor Specifications for the nRF52805 chipset. The below information is only the extract from the nRF52805 specification. For more detailed information, please refer to the up-to-date specification of the chipset available on the Nordic semiconductor website
3.1 Absolute maximum ratings
| Note | Min. | Max. | Unit |
| Supply voltages | |||
| VDD | -0.3 | +3.9 | V |
| VSS | 0 | V | |
| I/O pin voltage | |||
| VI/O, VDD≤3.6 V | -0.3 | VDD+0.3V | V |
| VI/O, VDD>3.6 V | -0.3 | 3.9V | V |
| Environmental WLCSP package | |||
| Storage temperature | -40 | +125 | °C |
| MSL(moisture sensitivity level ) | 1 | ||
| ESD HBM(Human Body Model) | 3 | kV | |
| ESD HBM Class(Human Body Model Class) | 2 | ||
| ESD CDM(Charged Device Model) | 1 | kV | |
| Flash Memory | |||
| Endurance | 10 000 | write/erase cycles | |
| Retention at 85 °C | 10 | years | |
Important: Maximum ratings are the extreme limits to which the chip can be exposed for a limited amount of time without permanently damaging it. Exposure to absolute maximum ratings for prolonged periods of time may affect the reliability of the device.35
3.2 Recommended operating conditions
The operating conditions are the physical parameters that the chip can operate within.
| Symbol | Parameter | Notes | Min. | Nom. | Max. | Units |
| VDD | Supply voltage, independent of DCDC enable | 1.7 | 3.0 | 3.6 | V | |
| TR_VDD | Supply rise time (0 V to 1.7 V) | 60 | ms | |||
| TA | Operating temperature | -40 | 25 | 85 | °C |
Important: The on-chip power-on reset circuitry may not function properly for rise times longer than the specified maximum.
3.3 Electronic characteristic
3.3.1 General radio characteristics
| Symbol | Description | Min. | Typ. | Max. | Units |
| fOP | Operating frequencies | 2360 | 2500 | MHz | |
| fPLL,CH,SP | PLL channel spacing | 1 | MHz | ||
| fDELTA,1M | Frequency deviation @ 1 Msps | ±170 | kHz | ||
| fDELTA,BLE,1M | Frequency deviation @ BLE 1 Msps | ±250 | kHz | ||
| fDELTA,2M | Frequency deviation @ 2 Msps | ±320 | kHz | ||
| fDELTA,BLE,2M | Frequency deviation @ BLE 2 Msps | ±500 | kHz | ||
| FskBPS | On-the-air data rate | 1000 | 2000 | ksps |
3.3.2 Radio current consumption (Transmitter)
| Symbol | Description | Min. | Typ. | Max. | Units |
| ITX,PLUS4dBM,DCDC | TX only run current(DCDC,3V)PRF=+4 dBm | 7.0 | mA | ||
| ITX,PLUS4dBM | TX only run current PRF=+4 dBm | 15.4 | mA | ||
| ITX,0dBM,DCDC | TX only run current(DCDC,3V)PRF=0 dBm | 4.6 | mA |
| ITX,0dBM | TX only run current PRF=0 dBm | 10.1 | mA | ||
| ITX,MINUS4dBM,DCDC | TX only run current DCDC,3V PRF=-4 dBm | 3.6 | mA | ||
| ITX,MINUS4dBM | TX only run current PRF=-4 dBm | 7.8 | mA | ||
| ITX,MINUS8dBM,DCDC | TX only run current DCDC,3V PRF=-8 dBm | 3.2 | mA | ||
| ITX,MINUS8dBM | TX only run current PRF=-8 dBm | 6.8 | mA | ||
| ITX,MINUS12dBM,DCDC | TX only run current DCDC,3V PRF=-12 dBm | 2.9 | mA | ||
| ITX,MINUS12dBM | TX only run current PRF=-12 dBm | 6.2 | mA | ||
| ITX,MINUS16dBM,DCDC | TX only rncurrent DCDC,3V PRF=-16 dBm | 2.7 | mA | ||
| ITX,MINUS16dBM | TX only run current PRF=-16 dBm | 5.7 | mA | ||
| ITX,MINUS20dBM,DCDC | TX only run current DCDC,3V PRF=-20 dBm | 2.5 | mA | ||
| ITX,MINUS20dBM | TX only run current PRF=-20 dBm | 5.4 | mA | ||
| ITX,MINUS40dBM,DCDC | TX only run current DCDC,3V PRF=-40 dBm | 2.1 | mA | ||
| ITX,MINUS40dBM | TX only run current PRF=-40 dBm | 4.3 | mA | ||
| ISTART,TX,DCDC | TX start-up current DCDC,3V PRF=4 dBm | .. | .. | .. | mA |
| ISTART,TX | TX start-up current PRF=4 dBm | .. | .. | .. | mA |
3.3.3 Radio current consumption (Receiver)
| Symbol | Description | Min. | Typ. | Max. | Units |
| IRX,1M,DCDC | RX only run current (DCDC, 3V) 1Mbps / 1Mbps BLE | 4.6 | mA | ||
| IRX,1M | RX only run current (LDO, 3 V) 1Mbps / 1Mbps BLE | 10.0 | mA | ||
| IRX,2M,DCDC | RX only run current (DCDC, 3V) 2Mbps / 2Mbps BLE | 5.2 | mA | ||
| IRX,2M | RX only run current (LDO, 3 V) 2Mbps / 2Mbps BLE | 11.2 | mA | ||
| ISTART,RX,1M,DCDC | RX start-up current (DCDC 3V) 1Mbps/1Mbps BLE | 3.5 | mA | ||
| ISTART,RX,1M | RX start-up current 1Mbps/1Mbps BLE | 6.7 | mA |
3.3.4 Transmitter specification
| Symbol | Description | Min. | Typ. | Max. | Units |
| PRF | Maximum output power | 4.0 | dBm |
| PRFC | RF power control range | 24 | dB | ||
| PRFCR | RF power accuracy | ±4 | dB | ||
| PRF1,1 | 1st Adjacent Channel Transmit Power 1 MHz (1 Mbps ) | -25 | dBc | ||
| PRF2,1 | 2nd Adjacent Channel Transmit Power 2 MHz (1 Mbps ) | -50 | dBc | ||
| PRF1,2 | 1st Adjacent Channel Transmit Power 2 MHz (2 Mbps) | -25 | dBc | ||
| PRF2,2 | 2nd Adjacent Channel Transmit Power 4 MHz (2 Mbps) | -50 | dBc |
3.3.5 Receiver operation
| Symbol | Description | Min. | Typ. | Max. | Units |
| PRX, MAX | Maximum received signal strength at < 0.1% BER | 0 | dBm | ||
| PSENS,IT,1M | Sensitivity, 1Msps nRF mode ideal transmitter14 | -94 | dBm | ||
| PSENS,IT,2M | Sensitivity, 2 Mbps nRF mode ideal transmitter14 | -91 | dBm | ||
| PSENS,IT,SP,1M,BLE | Sensitivity, 1 Mbps BLE ideal transmitter, packet length ≤ 37 bytes BER=1E-315 | -97 | dBm | ||
| PSENS,IT,LP,1M,BLE | Sensitivity, 1 Mbps BLE ideal transmitter, packet length ≥ 128 bytes BER=1E-416 | -96 | dBm | ||
| PSENS,IT,SP,2M,BLE | Sensitivity, 2 Mbps BLE ideal transmitter, packet length ≤ 37 bytes | -94 | dBm |
- Typical sensitivity applies when ADDR0 is used for receiver address correlation. When ADDR[1…7] are used <=37bytesproprietary mode) for receiver address correlation, the typical sensitivity for this mode is degraded by 3dB.
- As defined in the Bluetooth Core Specification v4.0 Volume 6: Core System Package (Low Energy Controller Volume)
- Equivalent BER limit < 10E-04
- Desired signal level at PIN = -67 dBm. One interferer is used, having equal modulation as the desired signal. The input power of the interferer where the sensitivity equals BER = 0.1% is presented.
3.3.6 RX selectivity
| Symbol | Description | Min. | Typ. | Max. | Units |
| C/I1M,co-channel | 1Msps mode, Co-Channel interference | 9 | dBm | ||
| C/I1M,-1MHz | 1 Msps mode, Adjacent (-1 MHz) interference | -2 | dBm | ||
| C/I1M,+1MHz | 1 Msps mode, Adjacent (+1 MHz) interference | -10 | dBm | ||
| C/I1M,-2MHz | 1 Msps mode, Adjacent (-2 MHz) interference | -19 | dBm | ||
| C/I1M,+2MHz | 1 Msps mode, Adjacent (+2 MHz) interference | -42 | dBm | ||
| C/I1M,-3MHz | 1 Msps mode, Adjacent (-3 MHz) interference | -38 | dBm | ||
| C/I1M,+3MHz | 1 Msps mode, Adjacent (+3 MHz) interference | -48 | dB | ||
| C/I1M,±6MHz | 1 Msps mode, Adjacent (≥6 MHz) interference | -50 | dB | ||
| C/I1MBLE,co-channel | 1 Msps BLE mode, Co-Channel interference | 6 | dB | ||
| C/I1MBLE,-1MHz | 1 Msps BLE mode, Adjacent (-1 MHz) interference | -2 | dB | ||
| C/I1MBLE,+1MHz | 1Msps BLE mode, Adjacent (+1 MHz) interference | -9 | dB | ||
| C/I1MBLE,-2MHz | 1Msps BLE mode, Adjacent (-2 MHz) interference | -22 | dB | ||
| C/I1MBLE,+2MHz | 1Msps BLE mode, Adjacent (+2 MHz) interference | -46 | dB | ||
| C/I1MBLE,>3MHz | 1Msps BLE mode, Adjacent (≥3 MHz) interference | -50 | dB | ||
| C/I1MBLE,image | Image frequency Interference -22 dB | -22 | dB | ||
| C/I1MBLE,image,1MHz | Adjacent (1 MHz) interference to in-band image frequency | -35 | dB | ||
| C/I2M,co-channel | 2 Msps mode, Co-Channel interference | 10 | dB | ||
| C/I2M,-2MHz | 2 Msps mode, Adjacent (-2 MHz) interference | 6 | dB | ||
| C/I2M,+2MHz | 2 Msps mode, Adjacent (+2 MHz) interference | -14 | dB | ||
| C/I2M,-4MHz | 2 Msps mode, Adjacent (-4 MHz) interference | -20 | dB | ||
| C/I2M,+4MHz | 2 Msps mode, Adjacent (+4 MHz) interference | -44 | dB | ||
| C/I2M,-6MHz | 2 Msps mode, Adjacent (-6 MHz) interference | -42 | dB | ||
| C/I2M,+6MHz | 2 Msps mode, Adjacent (+6 MHz) interference | -47 | dB | ||
| C/I2M,≥12MHz | 2 Msps mode, Adjacent (≥12 MHz) interference | -52 | dB |
| C/I2MBLE,co-channel | 2 Msps BLE mode, Co-Channel interference | 6 | dB | ||
| C/I2MBLE,-2MHz | 2 Mbps BLE mode, Adjacent (-2 MHz) interference | -2 | dB | ||
| C/I2MBLE,+2MHz | 2 Mbps BLE mode, Adjacent (+2 MHz) interference | -12 | dB | ||
| C/I2MBLE,-4MHz | 2 Mbps BLE mode, Adjacent (-4 MHz) interference | -22 | dB | ||
| C/I2MBLE,+4MHz | 2 Msps BLE mode, Adjacent (+4 MHz) interference | -46 | dB | ||
| C/I2MBLE,≥6MHz | 2 Msps BLE mode, Adjacent (≥6 MHz) interference | -50 | dB | ||
| C/I2MBLE,image | Image frequency Interference | -29 | dB | ||
| C/I2MBLE,image,2MHz | Adjacent (2 MHz) interference to in-band image frequency | -44 | dB |
3.3.7 RX intermodulation
| Symbol | Description | Min. | Typ. | Max. | Units |
| PIMD,5TH,1M | IMD performance, 1 Mbps, 5th offset channel, packet length ≤ 37 bytes | -33 | dBm | ||
| PIMD,5TH,1M,BLE | IMD performance, BLE 1 Mbps, 5th offset channel, packet length ≤ 37 bytes | -30 | dBm | ||
| PIMD,5TH,2M | IMD performance, 2 Mbps, 5th offset channel, packet length ≤ 37 bytes | -33 | dBm | ||
| PIMD,5TH,2M,BLE | IMD performance, BLE 2 Mbps, 5th offset channel, packet length ≤ 37 bytes | -31 | dBm |
3.3.8 Radio timing
| Symbol | Description | Min. | Typ. | Max. | Units |
| TTXEN, BLE,1M | The time between TXEN task and READY event after channel frequency is configured (1 Mbps BLE and 150 µs TIFS) | 140 | µs |
| tTXEN,FAST,BLE,1M | The time between TXEN task and READY event after channel FREQUENCY configured (1 Mbps BLE with fast ramp-up and 150 µs TIFS)FREQUENCY configured (Fast Mode) | 40 | µs | ||
| tTXDIS,BLE,1M | When in TX, the delay between DISABLE task and DISABLED event for MODE = Nrf_1Mbit and MODE = Ble_1Mbit | 6 | µs | ||
| tRXEN,BLE,1M | The time between the RXEN task and READY event after channel FREQUENCY is configured (1 Mbps BLE) | 140 | µs | ||
| tRXEN,FAST,BLE,1M | The time between the RXEN task and READY event after channel FREQUENCY is configured (1 Mbps BLE with fast ramp-up) | 40 | µs | ||
| tRXDIS,BLE,1M | When in RX, the delay between DISABLE task and DISABLED event for MODE = Nrf_1Mbit and MODE = Ble_1Mbit | 0 | µs | ||
| tTXDIS,BLE,2M | When in TX, delay between DISABLE task and DISABLED event for MODE = Nrf_2Mbit and MODE = Ble_2Mbit | 4 | µs | ||
| tRXDIS,BLE,2M | When in RX, the delay between DISABLE task and DISABLED event for MODE = Nrf_2Mbit and MODE = Ble_2Mbit | 0 | µs |
3.3.9 Received signal strength indicator (RSSI) specifications
| Symbol | Description | Min. | Typ. | Max. | Units |
| RSSIACC | RSSI Accuracy18 | ±2 | dB | ||
| RSSIRESOLUTION | RSSI resolution | 1 | dB | ||
| RSSIPERIOD | RSSI sampling time from RSSI_START task | 0.25 | µs | ||
| RSSISETTLE | RSSI settling time after signal level change | 15 | µs |
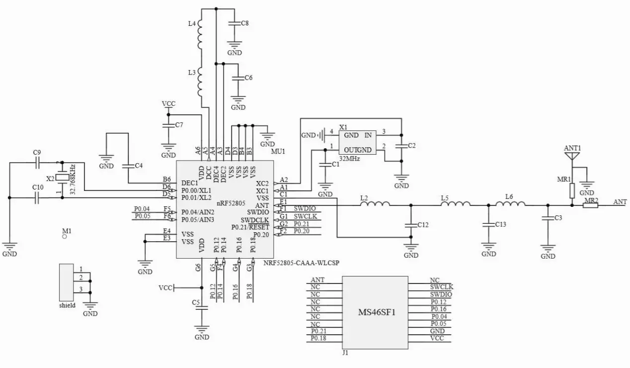
Electrical schematic
Package information
5.1 Package dimension

| Details | Reel-MS46SF11 |
| Quantity(module) | 850PCS |
| Tape Weight | 720g |
| Single module Weight | 0.66g |
| Gross Weight | 1021g |
| Dimension | W:330mm T:50.4mm |
5.2 Mark on metal shield

Reflow and soldering

| Profile Feature | Sn-Pb Assembly | Pb-Free Assembly |
| Solder Paste | Sn63/Pb37 | Sn96.5/Ag3/Cu0.5 |
| Preheat Temperature min (Tsmin) | 100°C | 150°C |
| Preheat Temperature max (Tsmax) | 150°C | 200°C |
| Preheat Time (Tsmin to Tsmax)(ts) | 60-120 sec | 60-120 sec |
| Average ramp-up rate (Tsmax to Tp) | 3°C/second max | 3°C/second max |
| Liquidous Temperature (TL) | 183°C | 217°C |
| Time (tL)Maintained Above (TL) | 60-90 sec | 30-90 sec |
| Peak Temperature (Tp) | 220-235°C | 230-250°C |
| Average ramp-down rate (Tp to Tsmax) | 6°C/second max | 6°C/second max |
| Time 25°C to peak temperature | 6 minutes max | 8 minutes max |
Certification
7.1 CE Certification
MS46SF11 module is being tested and is expected to be compliant with the EU-Radio Equipment standards. OEM integrators should consult with qualified test houses to verify all regulatory requirements have been met for their complete device.
7.2 FCC Certification
MS46SF11 module is being tested and is expected to be compliant with the Federal Communications Commission standards.
7.3 Environmental
7.3.1 RoHs
MS46SF11 modules are in compliance with Directive 2011/65/EU, 2015/863/EU of the European Parliament and the Council on the restriction of the use of certain hazardous substances in electrical and electronic equipment.
7.3.2 Reach
MS46SF11 modules listed below do not contain the 191 SVHC (Substance of Very High Concern), as defined by Directive EC/1907/2006 Article according to REACHAnnex XVII.
As for the OEM integration:
Only OEM integrators have the right to integrate this device under the following conditions: Any other transmitter or antenna must not be co-located with the antenna and transmitter. The module shall be only used with the integral antenna(s)that has been originally tested and certified with this module.
As long as the two conditions below are met, further transmitter testing will not be required. (1)This device may not cause harmful interference, and (2) this device must accept any interference received, including interference that may cause undesired operation.
However, the OEM integrator shall test their end-product for any additional compliance requirements with this module installed (for example, digital device emission, PC peripheral requirements, etc. ). If these conditions cannot be met (for example certain laptop configuration or co-location with another transmitter), then the FCC authorization for this module in combination with the host equipment is no longer considered valid and the final product shall not use the FCC ID of the module.
In these circumstances, the OEM integrator shall be re-evaluating the end product(including the transmitter) and obtaining a separate FCC authorization. The OEM shall be verifying end product compliance with FCC Part 15, sub-part B limits for unintentional radiators through an accredited test facility.
Notes & cautions
We cannot assure that the specification has no errors and omissions even though this specification is under collate and check strictly.
This specification is under the protection of laws and regulations of copyright, please do not copy and duplicate at any form, or do not transmit part or full of this specification in any wired and wireless network in any form, or do not edit or translate to any other format, word, code, etc.
8.1 Design notes
- It is critical to follow the recommendations of this document to ensure the module meets the specifications.
- The module should be placed at the edge of the circuit board as far as possible to keep it away from other circuits.
- The antenna should be kept away from other circuits. It can prevent low radiation efficiency and the normal use of other circuits from being affected.
- The landing of components should be appropriate and that is better for reducing the parasitic inductance.
- Please refuse to supply voltage that is not within the range of specification.
- Please make sure the module or its surface may not suffer from physical shock or extreme stress.
8.2 Layout notes
To make sure wireless performance is in its best condition, please layout the MS46SF11 module on the carrier board as below in the instructions and pictures.
- Placement of the antenna area of the module shall lay clearance completely and should not be blocked by the metal. Otherwise, it will have an effect on antenna performance (As the picture indicated below).
- Placement of top layer The placement of the top layer in the carrier board shall be laid copper completely to reduce the signal line in the carrier board or other interference.
- Clearance The upper and below the area of the antenna (including the case) shall have 4mm or more than 4mm clearance to reduce the influences on the antenna.

*The Grey area above is the Carrier board.
8.3 Installation and soldering
(1) Please do not lay copper under the module antenna. It can prevent the influence of signal radiation and the transmission distance from being affected.
8.4 Handling and storage
- Due to the fact that CMOS components are included in the module, it is better to eliminate static electricity at any method when transporting or working with the module. Moreover, it is strongly recommended to add anti-ESD components to circuit design to hinder damage from real-life ESD events. Anti-ESD methods can be also used in mechanical design.

- Please store the modules within -40 to +125 before and after installation and make sure the modules is away from direct sunlight exposure for a long duration. Modules should be far away from humid and salty air conditions, and any corrosive gasses or substances.
- Please not wash the module. No-Clean Paste is used in production. The metal shield may be oxidized by the washing process and may lead to a chemical reaction with No-Clean Paste. If modules go through the washing process, the functions of the module may not be guaranteed.
8.5 Life support applications
- The module is not designed for life support devices or systems and is not allowed to be used in destructive devices or systems in any direct, or indirect ways. Mine is not responsible for a compensation of any losses when applying modules under such application as described above.
- Mine shall not responsible for the customer’s products or applications.
Disclaimer
The factory has passed the ISO9001 quality management system, ISO14001 environmental management system, and OAHS18001 occupational health and safety assessment. Each product has been rigorously tested (transmission power test, sensitivity test, power consumption test, stability test, aging test, etc.).
* NOTICES:
- The Bluetooth trademark is owned by the Bluetooth SIG Inc. USA.
- All other trademarks listed herein are owned by their respective owners.
- All specifications are subject to change without notice.
- Please do not use this specification for produce, sale, or illegal purpose without Minew’s authorization.
- Mine has the right to interpret all the items above.
Contact information
Manufacturer: Shenzhen Minew Technologies Co., Ltd.
Tel: 0086-755-2103 8160
Email: [email protected]
URL: https://www.minew.com/
Address: 3rd Floor, Building I,
Gangzhilong Science Park, Qinglong Road, Longhua District,
Shenzhen 518109,
China
FCC Statement
FCC standards: FCC CFR Title 47 Part 15 Subpart C Section 15.247 Integral PCB antenna with antenna gain 2.07dBi This device complies with part 15 of the FCC Rules. Operation is subject to the following two conditions: (1) This device may not cause harmful interference, and (2) this device must accept any interference received, including interference that may cause undesired operation. Any changes or modifications not expressly approved by the party responsible for compliance could void the user’s authority to operate the equipment.
Note: This equipment has been tested and found to comply with the limits for a Class B digital device, pursuant to part 15 of the FCC Rules. These limits are designed to provide reasonable protection against harmful interference in a residential installation. This equipment generates, uses, and can radiate radio frequency energy and, if not installed and used in accordance with the instructions, may cause harmful interference to radio communications. However, there is no guarantee that interference will not occur in a particular installation. If this equipment does cause harmful interference to radio or television reception, which can be determined by turning the equipment off and on, the user is encouraged to try to correct the interference by one or more of the following measures:
—Reorient or relocate the receiving antenna.
—Increase the separation between the equipment and receiver.
—Connect the equipment into an outlet on a circuit different from that to which the receiver is connected.
—Consult the dealer or an experienced radio/TV technician for help. If any hardware modifies or RF control software modifications will be made by the host manufacturer, a C2PC or new certificate should be applied to get approval, if those changes and modifications made by the host manufacturer are not expressly approved by the party responsible for the compliance, then it is illegal. FCC Radiation Exposure Statement This modular complies with FCC RF radiation exposure limits set forth for an uncontrolled environment. This transmitter must not be co-located or operating in conjunction with any other antenna or transmitter. If the FCC identification number is not visible when the module is installed inside another device, then the outside of the device into which the module is installed must also display a label referring to the enclosed module. This exterior label can use wording such as the following: “Contains Transmitter Module FCC ID: 2ABU6-MS46SF1 Or Contains FCC ID: 2ABU6-MS46SF1” When the module is installed inside another device, the user manual of the host must contain the below warning statements;
1. This device complies with Part 15 of the FCC Rules. Operation is subject to the following two conditions: (1) This device may not cause harmful interference. (2) This device must accept any interference received, including interference that may cause undesired operation.
Note: This equipment has been tested and found to comply with the limits for a Class B digital device, pursuant to part 15 of the FCC Rules. These limits are designed to provide reasonable protection against harmful interference in a residential installation. This equipment generates, uses, and can radiate radio frequency energy and, if not installed and used in accordance with the instructions, may cause harmful interference to radio communications. However, there is no guarantee that interference will not occur in a particular installation. If this equipment does cause harmful interference to radio or television reception, which can be determined by turning the equipment off and on, the user is encouraged to try to correct the interference by one or more of the following measures:
—Reorient or relocate the receiving antenna.
—Increase the separation between the equipment and receiver.
—Connect the equipment into an outlet on a circuit different from that to which the receiver is connected.
—Consult the dealer or an experienced radio/TV technician for help.
2. Changes or modifications not expressly approved by the party responsible for compliance could void the user’s authority to operate the equipment. The devices must be installed and used in strict accordance with the manufacturer’s instructions as described in the user documentation that comes with the product.
Package information















