FORENEX FR-LVDS-D-H Single-channel Peripheral Board

Feature
- (Input): 18/ 24-bit-Single-LVDS Channel.
- (Output): DVID connector. (for FR-LVDS6-D, FR-LVDS8-D use)
- (Output): HDMI connector without HDCP. (for FR-LVDS6-H, FR-LVDS8-H use)
- Converting input signals to TMDS with non-sync regulation.
- Data stream as VESA format. (T3M&P for higher bit transmission)
- LVDS data latch at falling edge of transmit clock frequency of max.85MHz.
- No EDID/HDCP supported.
Ordering Information:
- FR-LVDS6-D: Board for 18-bit single LVDS to DVID connector.
- FR-LVDS6-H: Board for 18-bit single LVDS to hdmi connector.
- FR-LVDS8-D: Board for 24-bit single LVDS to DVID connector.
- FR-LVDS8-H: Board for 24-bit single LVDS to hdmi connector.
Connector
| LVDS Connector Input(W1): DFF14-20S | ||||
| Pin num | Description | Pin num | Description | |
| Pin1 | Power Input (DC5V) | Pin2 | Power Input (DC5V) | |
| Pin3 | GND | Pin4 | HPD_DVI | |
| Pin5 | T0M | Pin6 | T0P | |
| Pin7 | GND | Pin8 | T1M | |
| Pin9 | T1P | Pin10 | GND | |
| Pin11 | T2M | Pin12 | T2P | |
| Pin13 | GND | Pin14 | TCLKM | |
| Pin15 | TCLKP | Pin16 | GND | |
| Pin17 | T3M (for 24bit use) | Pin18 | T3P ( for 24bit use) | |
| Pin19 | DDC_SCL | Pin20 | DDC_SDA | |
| DVID Connector Output(J1): 24pin,Female,side entry | |||
| Support model: FR-LVDS6-D, FR-LVDS8-D | |||
| Pin num | Description | Pin num | Description |
| Pin1 | DVI-CH2M | Pin2 | DVI-CH2P |
| Pin3 | GND | Pin4 | NC |
| Pin5 | NC | Pin6 | DDC-SCL |
| Pin7 | DDC-SDA | Pin8 | NC |
| Pin9 | DVI-CH1M | Pin10 | DVI-CH1P |
| Pin11 | GND | Pin12 | NC |
| Pin13 | NC | Pin14 | 5V supply |
| Pin15 | GND | Pin16 | HPD_DVI |
| Pin17 | DVI-CH0M | Pin18 | DVI-CH0P |
| Pin19 | GND | Pin20 | NC |
| Pin21 | NC | Pin22 | GND |
| Pin23 | DVI-CLKP | Pin24 | DVI-CLKM |
| HDMI Connector Output(J2): 24pin,Female,side entry | |||
| Support model: FR-LVDS6-H, FR-LVDS8-H | |||
| Pin num | Description | Pin num | Description |
| Pin1 | DVI-CH2P | Pin2 | GND |
| Pin3 | DVI-CH2M | Pin4 | DVI-CH1P |
| Pin5 | GND | Pin6 | DVI-CH1M |
| Pin7 | DVI-CH0P | Pin8 | GND |
| Pin9 | DVI-CH0M | Pin10 | DVI-CLKP |
| Pin11 | GND | Pin12 | DVI-CLKM |
| Pin13 | NC | Pin14 | NC |
| Pin15 | NC | Pin16 | NC |
| Pin17 | GND | Pin18 | 5V supply |
| Pin19 | HPD_DVI | ||
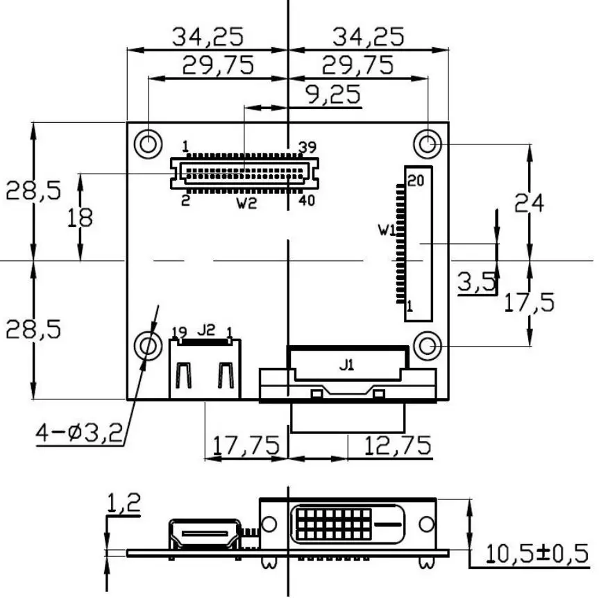
Dimension

FR-LVDS6-D, FR-LVDS8-D 
FR-LVDS6-H, FR-LVDS8-H
- TEL: 886-4-22969886
- FAX: 886-4-22969887


















