BOSCH PM7000i Power Meter

Scope
This document applies for the Power Meter Pm7000i with LAN and RS485 communication interfaces. An PM7000i can only be put into operation with a Power Sensor PS7000 for the detection of energy flows from electric power generators (e.g. A PV generator with inverter) and the app Energy Manager from Bosch or My Energy Master from Buderus.
Safety instructions
Danger to life from electric shock Dangerous voltages are present on live components.-
- Use the appliance only in a dry environment.
- Keep the appliance away from liquids.
- Install the appliance only in approved casings or electrical distributors downstream of the energy meter of the energy supply company (EVU) so that the connections for the external and neutral conductors are behind a cover or protection against accidental contact.
- Casings or electrical distributors must only be accessible using keys or tools in order to limit access to authorized personnel.
- Before installation or maintenance work, switch the electrical distributor voltage-free.
- Before installation or maintenance work, secure the electrical distributor against unintentional reconnection.
- Before cleaning, switch the appliance voltage-free.
- Dry the appliance only using a dry cloth.
- Observe the prescribed minimum distances between the network cable and live installation components or use suitable insulation.
Damage or destruction of the Pm7000i caused by incorrect installation
- Do not connect an ISDN cable to the network connection of the PM7000i.
Damage or destruction of the Pm7000i caused by overvoltage on the network cable
If the network cable can be routed in exterior areas, overvoltage may e.g. occur caused by lightning strike
- Secure the network cable by means of a suitable overvoltage protector.
- Secure the thermal solar system with inverter using a suitable overvoltage protector.
Damage or destruction of the Pm7000i caused by incorrect use
- Do not operate the Pm7000i outside the specified technical data.
Intended use
The PM7000i is a measuring unit that determines electrical measurement at the connection point and makes them available via LAN or RS485. This product is NOT an electricity meter for active consumption within the meaning of EU Directive 2004/22/EC (MID). The data that the PM7000i collects about the energy recovery of your system may differ from the data of the main energy meter. In accordance with its classification in overvoltage category III, the PM7000i may only be connected in the sub-distribution or electric circuit distribution on the consumer side behind the energy meter of the energy supply company. The PM7000i is suitable only for indoor use. The PM7000i is approved for use in Member States of the EU.
- Use PM7000i only if it is undamaged and in accordance with the instructions in the enclosed documentation.
Any other use as well as the use of damaged products may result in damage to property or to modify the product including the software or to install components that are not expressly recommended or distributed by Bosch Thermotechnik GmbH for this product. Any use of the product other than that described in the intended use is not considered intended use. Unauthorized modifications, conversions or repairs as well as opening the product are prohibited.
- Read and observe the enclosed documentation and keep it accessible at all times.
Scope of delivery
- Power Meter PM7000i
- Installation Instructions
- 2 × Plug for RS485 interface
- Additional replacement data plate with QR code and password for the Web service interface of the PM7000i
In event of incomplete scope of delivery or damage:
- Contact your dealer.
Additional material required for connection per LAN (not included in the scope of delivery):
- Network cable
Product description
The Bosch Power Meter PM7000i is a bidirectional meter with LAN/Ethernet interface. The Pm7000i transfers the data encrypted to the Energy Manager from Bosch or My Energy Master from Buderus. At least one Bosch Power Sensor PS7000 is required additionally in order to be able to detect the energy flows of an inverter or energy storage device.

Fig. 1 Product overview
- Outputs powered conductor L1, L2, L3
- 2 × RS485 connection
- 2 × LAN connection
- Neutral conductor N
- Inputs powered conductor L1, L2, L3
- Reset button
- Serial BUS LED for RS485 BUS
- Network LED
- Status LED
Delivery configuration
LLRR: 2 × LAN and 2 × RS485 interface (only with suitable RS485 cable)
Operation of the PM7000i from 45 °C
Ambient temperature
Danger to life due to electric shock or fire
For ambient temperatures higher than 45 °C, there is a danger to life due to electric shock or fire.
- Continuous operation of the PM7000i from 45 °C is not permissible.
Electric connection
H Danger to life from electric shock
Dangerous voltages are present on live components.
- Before installation or maintenance work, switch the electrical distributor voltage-free.
- Secure against unintentional reconnection.
- Ensure that the conductors that should be connected to the Pm7000i are deenergised. Installation and maintenance work on this PM7000i must be carried out only by an authorized electrician.
The PM7000i is supplied with current via the powered conductor L1. At least the powered conductor L1 and the neutral conductor N must be connected so that the PM7000i can measure the energy currents correctly and be put into operation.
Electrical connection for direct measurement
- Using a fuse, ensure e.g. that the maximum permissible current per phase is not exceeded.
- Mount the PM7000i on the mounting rail:
- Hook the PM7000i in on the upper edge of the mounting rail.
- Press on the PM7000i until it snaps into place.
- Connect the conductor to the PM7000i. In doing so, observe the permissible connection cross-section and tightening torque for screw terminals.
- With a three-phase mains power supply, connect powered conductor L1, L2 and L3 as well as the neutral conductor to the PM7000i according to the connection diagram (Figure 2).
- ith a single phase mains power supply, connect powered conductor L1 and neutral conductor N to the PM7000i according to the connection diagram.
Beware of incorrect measurements
An incorrect assignment of the phases provides the PM7000i with incorrect measurements.
- Ensure that the phases are each assigned correctly:
L1, L2, L3: powered conductor
N: neutral conductor
OUT: meter output, consumer side
IN: meter input, mains voltage side

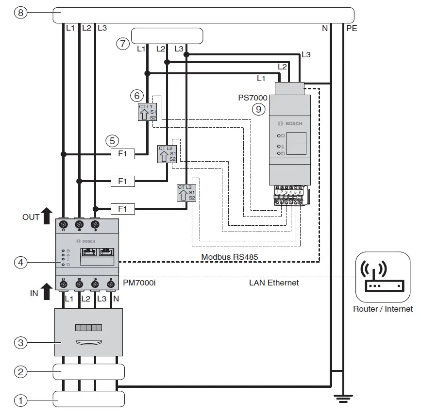
Fig. 2 Wiring diagram
- Public mains power supply 230/400 V
- Fuse (63 A)
- Energy supply company meter
- PM7000i (according to energy supply company, installed as bidirectional meter)
- Fuse (16 A)
- Current converter of the PS7000
- Inverter / battery
- Domestic / end-user
- PS7000
When connecting appliances with a fuse protection of more than 16 A, a 16 A fuse ≤ must be provided for the sensor.
The figure shown is a connection example. It must be possible for the end user to de-energies the PM7000i by means of a freely accessible meter fuse or an additional circuit breaker. For correct operation, the PM7000i must always be connected to the Energy Manager app from Bosch or My Energy Master app from Buderus as well as to at least one PS7000 for measuring the energy flows of an inverter. Optionally, the PM7000i can be combined with a maximum of three PS7000 meters in order to measure the energy flows of additional inverters or energy storage devices.
Connection of the PS7000 to the RS485 interface
The following points must be observed for the connection of the PS7000 to the RS485 interface of the PM7000i.
- Requirements on the cable:
- rated voltage / cable insulation: 300 V RMS
- Cable cross-section: 0.25 to 0.5 mm2
- Cable type: rigid or flexible
- Recommended: use the standard-cable from AlphaWire with designation 2466C. Alternatively, a CAT5e cable can also be used.
- Requirements on routing:
- In the connection area of the RS485 interface of the PM7000i, it must be mechanically ensured that individual wires of the connecting cable have a distance of at least 10mm to live parts.
- The connecting cable must be routed separately from the power cables in the distributor and on the installation route.
For more information: - observe the installation instructions of the PS7000.

Fig. 3 Connect the RS485 plug
Connection diagram for RS485 plug:
| Pin | Identification | Description |
| 1A, 1B | VCC | Voltage output for supply of external appliances 5V ± 10% max. 280 mA |
| 2A, 2B | GND | Ground |
| 3A, 3B | A | RS485 A |
| 4A, 4B | B | RS485 B |
Technical data
| Category | Unit | PM7000i |
| Interfaces | – | LAN (10/ 100 Mbit) + RS485 (half duplex, max. 115200 baud) |
| Starting current | mA | ≤ 25 |
| Protection class | – | II |
| IP rating | – | IP2X |
| Pollution degree | – | 2 |
| Connection cross- section according to DIN EN 60204a | mm2 | 10 – 25 |
| Tightening torque for screw terminals | Nm | 2.0 |
| Weight | kg | 0.3 |
| Dimensions | mm | 88 × 70 × 65 |
| Ambient temperature during operation | °C | – 25 to 45 |
| Ambient temperature with reduced measuring current IN to 32 A | °C | – 25 to 45 |
| Ambient temperature during transportation/ storage | °C | – 25 to 70 |
| Relative humidity (non-condensing) | – | Up to 75 % at an annual average, up to 95 % on up to 30 days/year |
| Max. altitude during operation | m above sea level | 2000 |
| Supply voltage | V | 110 ± 10 % or 230 ± 10 % |
| Frequency | HZ | 60 ± 5 % or 50 ± 5 % |
| Own consumption Pmax | W | 5.0 |
| Limiting current IN/Phase | A | 63 |
| Rated voltage | V | max. 230/400 |
| Frequency range | HZ | 50/60 ± 5 % |
Mechanical: 1.5 – 25mm² (e.g. For connection of external current converters).
Tab. 2 Technical data
LED states
| LED states | Meaning |
| LED off | |
| LED flashes slowly | |
![]() | LED flashes quickly |
| LED on permanently |
Tab. 3 LED states
| Status LED | Meaning |
| PM7000i starts | |
| PM7000i ready for operation | |
| Firmware update active | |
| 2-times | Confirmation for resetting the network settings using the Reset button (à Chapter 17) or confirmation for resetting the appliance password (à Chapter 18) |
| Fault (à Chapter 20) | |
| ≥ 10-times |
Tab. 4 Status LED
| Serial BUS LED | Meaning |
| No connection | |
| Connection active | |
![]() | Scan procedure active |
| Fault – Overload of 5 V output | |
| Fault – No reply from the remote station |
Tab. 5 Serial BUS LED
| Network-LED states | Meaning |
| No connection | |
| Link | |
![]() | Activity |
Tab. 6 Network-LED states
Commissioning the PM7000i
Commissioning of the PM7000i is carried out using the Energy Manager app
(Buderus: MyEnergyMaster).
- Energy Manager for iOS or Android

- MyEnergyMaster for iOS or Android

For safety-relevant aspects, Bosch Thermotechnik GmbH explicitly recommends allowing updates for the Power Meter PM7000i.
- Call up the web service interface of the PM7000i (Chapter 16).
- Activate “Automatic Updates”.
Before starting with the actual commissioning of the PM7000i, the following steps for commissioning must be completed:
- Download the Energy Manager app (heat pump from Bosch) or the MyEnergyMaster app (heat pump from Buderus) for Android or iOS.
- Open the app and click on the “Start commissioning” button on the third intro screen. Complete activation of the Energy Manager (enter activation code, or if not at hand, start the 30 day trial version and complete activation at a later time)
- Connect the Energy Manager and follow the instructions in the app.
- Connect the measuring device to the mains power supply point – PM7000i using the Energy Manager.
- Select “Bosch Power Meter”.
- If a Fronius inverter compatible with the app and the PM7000i are installed in one system: select the menu item “Both”.
- Observe the notices on electrical installation, the correct connection of the PM7000i (enclosed instructions) and the LED for the network status.
- Scan the QR code enclosed in the packaging of the PM7000i or printed on its data plate or enter the serial number manually so that the Energy Manager can find the PM7000i in the local network.
- Apply a safety verification.
- Press the reset button with a tipped object once for longer (between 0.5 – 2 s) and then briefly once within 1 s (maximum 0.5 s).
- The status LED of the PM7000i flashes orange twice briefly to confirm. The PM7000i has now been successfully connected to the Energy Manager.
Measuring other consumers
The PS7000 is required to measure other generators (e.g. inverters or energy storage devices). The sensor is equipped with folding transformers that can measure the current flow of each individual phase connected to the generator.
For installation and further information:
- Observe the operating instructions of the PS7000.
Web service interface PM7000i
- Necessary only for service purposes and for troubleshooting, not for commissioning.
- Access by means of entering the IP address in the web browser
- Open browser.
- Enter “https://192.168.3.99” as well as the password which can be found on the data plate or pack label of the PM7000i.
Reset network settings of the PM7000i
- Press the reset button with a tipped object as follows:
- once briefly (maximum 0.5 s)
- then, within 1 s: once for longer (between 3 – 5 s)
The status LED of the PM7000i flashes orange twice briefly to confirm.
Reset the password of the PM7000i
The password and the QR code are safety relevant for the product.
- Do not forward information to third-parties. To reset the password of the PM7000i:
- Press the reset button with a tipped object as follows:
- once for longer (between 3 – 5 s)
- then, within 1 s: once briefly (maximum 0.5 s)
- The status LED of the PM7000i flashes orange twice briefly to confirm.
The password is necessary for access to the local web service interface of the PM7000is – for example, if a static IP address is to be assigned.
If the command has been recognized correctly, the status LED flashes orange twice (Chapter 12). The password is reset to the as-delivered condition (data plate on the PM7000i).
Restart the PM7000i
- Press the reset button with a tipped object once for longer (at least 6 s).
If the command was recognized correctly, all LEDs switch off and the PM7000i restarts.
Trouble shooting
Status LED does not light up
The PM7000i is not supplied with current.
- Ensure that at least powered conductor L1 and the neutral conductor N are connected to the PM7000i.
The network LED does not light up or the PM7000i cannot be found in the network. The network cable is not connected correctly to the network connection.
- Ensure that the network cable is connected correctly to the network connection.
The PM7000i is not located on the same local network.
- Connect the PM7000i to the same router / switch.
The serial BUS LED flashes orange or red/green.
- In the web service interface under sensor setting, check the message which PS7000 power sensors no longer provide a response.
- Check cabling to PS7000 or replace the PS7000 completely.
The status LED lights up or flashes red
There is a pending fault. - Restart the PM7000i (Chapter 19).
- Contact the service technician or installer if the fault persists.
- Check cabling to PS7000 or replace the PS7000 completely.
The PM7000i provides unrealistic readings
The PM7000i has not been connected correctly.
- Check the connection of L1 to L3 again.
- Check if the current converters are connected to the input to the corresponding phase.
- Check if the current converters are installed in the correct direction.
Web service interface cannot be called up via the IP address of the PM7000i - Contact the network administrator.
Environmentally friendly disposal
- Dispose of the PM7000i according to the locally applicable waste disposal regulations for electronic scrap.
Open source licences
This product includes open source software that has been developed by third parties. The licence texts with the corresponding notices can be found
at “www.bosch-thermotechnology.com” and further on the product page of the Energy Manager of Bosch or MyEnergyMaster of Buderus .
Updates and data protection
For ongoing information on new updates:
- Visit the official product page of Bosch Thermotechnik GmbH. -or-
- View updates via the web service interface.
If updates are not installed, this may result in the appliance no longer functioning or not functioning correctly. For legal reasons, a manual update with customer approval is the default setting. Bosch
Thermotechnik GmbH is not liable for malfunctions that may occur at later time if the update is not installed or the update server cannot be reached, The privacy statements can be found in the app of the Energy Manager by Bosch or MyEnergyMaster by Buderus.
Contact
In event of technical problems:
- Contact your service technician / installer. -or-
- Bosch Contact customer services:
- Telephone: 0711 40040990
- E-mail: [email protected]
- Website: www.bosch-thermotechnology.com






















