SIEMENS 948M2DO6DI Power Meter 9410

Product Information
The 948M2DO6DI and 948M2AO4AI are digital and analog I/O option modules manufactured by Siemens. These modules can be used as an add-on to other equipment for enhanced functionality. They have a panel-mount and DIN-mount option for easy installation. The product has digital and analog inputs and outputs, which can be meter or externally controlled. The digital inputs can be externally whetted, and each pair of digital inputs can be either meter or externally whetted.
Product Usage Instructions
- Before working on the device or equipment, turn off all power supplying the device and the equipment in which it is installed.
- Always use a properly rated voltage sensing device to confirm that all power is off.
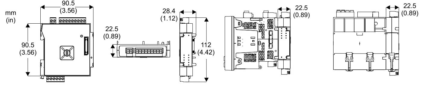
- For panel-mount installation, refer to the dimensions provided in the user manual and use the mounting screw and sealing point provided.
- For DIN-mount installation, use the DIN mount clip provided.
- The digital inputs can be meter or externally whetted. Connect the digital inputs to the appropriate voltage source, and ensure that the input impedance (internal) is correct.
- When using multiple analog option modules, de-rate the operating temperature of the meter. Refer to section 8 – Specifications for more information.
- The optional shield terminal can be used for added protection. Connect one side of the shield to ground.
- Refer to the user manual for LED indicators and connection information for digital and analog inputs and outputs.
BOX CONTENT

SAFETY PRECAUTIONS
DANGER
- HAZARD OF ELECTRIC SHOCK, EXPLOSION, OR ARC FLASH
- Apply appropriate personal protective equipment (PPE) and follow safe electrical work practices. See NFPA 70E in the USA, CSA Z462 or applicable local standards.
- Turn off all power supplying this device and the equipment in which it is installed before working on the device or equipment.
- Always use a properly rated voltage sensing device to confirm that all power is off.
- Do not exceed the device’s ratings for maximum limits.
- Do not use this device for critical control or protection applications where human or equipment safety relies on the operation of the control circuit.
- Failure to follow these instructions will result in death or serious injury
- Turn off all power supplying this device and the equipment in which it is installed before working on the device or equipment.
- Always use a properly rated voltage sensing device to confirm that all power is off.
Dimensions

INSTALLATION INSTRUCTION
Panel-mount

DIN-mount

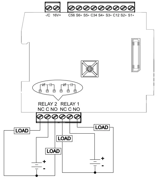
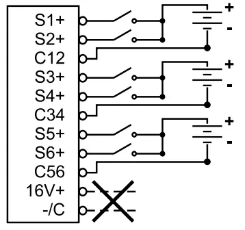
Wiring

Digital I/O

Digital inputs externally whetted

Digital inputs meter whetted

Each pair of digital inputs can be either meter or externally whetted (for example, S1, S2, C12 can be externally whetted and S3, S4, C34 can be meter whetted).

Analog I/O


When 2 or more analog option modules are attached, the meter’s operating temperature must be de-rated.
See section 8 – Specifications
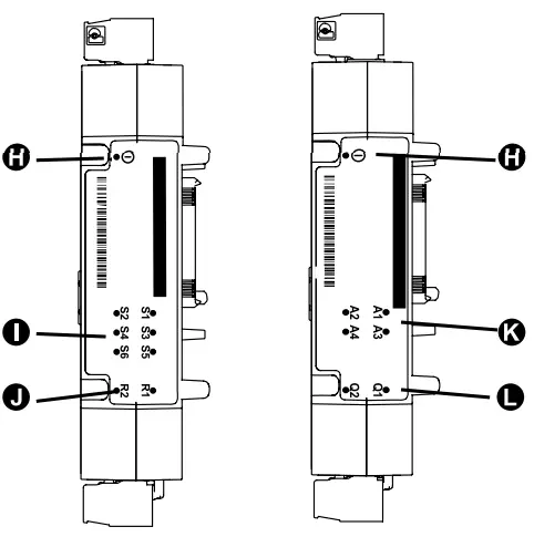
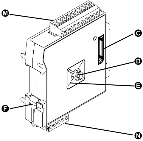
Description



- A. Digital input (6)
- B. Whetting source
- C. Module connection
- D. Mounting screw
- E. Sealing point
- F. DIN mount clip
- G. Digital output (2)
- H. Status LED
- I. Digital input LED (6)
- J. Digital output LED (2)
- K. Analog input LED (4)
- L. Analog output LED (2)
- M. Analog input (4)
- N. Analog output (2)
Operation LEDs

Verification
Use the display buttons or a web browser connected to the meter to navigate to the real-time data screens and verify that the I/O readings are correct.
Specifications
- Analog input
- Voltage/current range: 0 – 30 V DC, 4 – 20 mA
- Accuracy: 0.3% full scale
- Maximum input voltage: 30 V DC
- Maximum input current: 24 mA
- Temperature drift: 200 ppm/K max
- Input impedance: < 300 Ω (current mode) > 500 kΩ (voltage mode)
- Inputs are functionally isolated (input to input)
- Analog output
- Voltage/current range: 0 – 10 V DC, 4 – 20 mA
- Accuracy: 0.3% full scale
- Temperature drift: 200 ppm/K max
- Protected for short circuit (voltage mode) and open circuit (current mode)
- Burden: > 10 kΩ (voltage mode), < 600 Ω (current mode)
- Digital input
- Type: Externally excited
- Reference voltage: 40 V
- Maximum voltage: 30 V AC / 60 V DC
- ON state: 11 to 30 V AC / 11 to 60 V DC
- OFF state: 0 to 5 V AC / 0 to 5 V DC
- Whetting source
- Output voltage: 16 V DC
- Output current: 20 mA
- Maximum load: 9 digital inputs (6 option module, 3 meter base)
- Digital output
- Type: Form C mechanical
- Maximum voltage: 250 V AC / 30 V DC
- Maximum current: 8 A @ 250 V AC or 5 A @ 24 V DC, 20k cycles (resistive)
- Environment
- -25 °C to Max. temp (-13 °F to Max. temp) operating temperature
- Maximum operating temperature is based on the quantity and type of attached option modules.
Max. temp Digital Analog 70 °C (158 °F) 0 – 4 0,1 70 °C (158 °F) 0 2 60 °C (140 °F) 1,2 2 – 4 - 5% to 95% RH non-condensing
- Maximum dewpoint 37 °C (99 °F)
- -40 to 85 °C (-40 to 185 °F) storage temperature
- Pollution degree 2
- < 3000 m (9843 ft) above sea level
- IP30
- Not suitable for wet locations
- For indoor use only
Safety instructions
- Read these instructions carefully and look at the equipment to become familiar with the device before trying to install, operate, service or maintain it. The following special messages may appear throughout this bulletin or on the equipment to warn of potential hazards or to call attention to information that clarifies or simplifies a procedure.
- The addition of either symbol to a “Danger” or “Warning” safety label indicates that an electrical hazard exists which will result in personal injury if the instructions are not followed.
- This is the safety alert symbol. It is used to alert you to potential personal injury hazards. Obey all safety messages that follow this symbol to avoid possible injury or death.
DANGER
- DANGER indicates an imminently hazardous situation which, if not avoided, will result in death or serious injury.
- Electrical equipment should be installed, operated, serviced and maintained only by qualified personnel. No responsibility is assumed by Siemens Industry for any consequences arising out of the use of this material. A qualified person is one who has skills and knowledge related to the construction, installation, and operation of electrical equipment and has received safety training to recognize and avoid the hazards involved.
ACCESS and Siemens Industry are trademarks or registered trademarks of Siemens Industry in France, the USA and other countries.
- This product must be installed, connected and used in compliance with prevailing standards and/or installation regulations.
- If this product is used in a manner not specified by the manufacturer, the protection provided by the product may be impaired.
- The safety of any system incorporating this product is the responsibility of the assembler/installer of the system. As standards, specifications and designs change from time to time, always ask for confirmation of the information given in this publication.

















![Itech Power Meter [it9121, It9121h, It9121c, It9121e] User Manual Itech Power Meter [it9121, It9121h, It9121c, It9121e] User Manual](https://static-data1.manualsee.com/1/img/72/17006/2020/12/iTech-Power-meter.jpg)
