Danfoss PVG-EX Proportional Valve Group

Proportional Valve Group
PVG-EX
The Danfoss PVG-EX program is an explosion-proof PVG designed to be used in Ex hazardous areas like mining and oil and gas industries.
The PVG-EX is developed according to and in compliance with
EU Directive 2014/34/EU Equipment for explosive atmosphere – ATEX
- EN 80079-36:2016 Non-electrical equipment for explosive atmospheres – Basic method and requirements
- EN 80079-37:2016 Non-electrical equipment for explosive atmospheres – Non-electrical type of protection constructional safety “c”, control of ignition sources “b”, liquid immersion “k”
- EN 80079-38:2016 Equipment and components in explosive atmospheres in underground mines
Warning
All brands and all types of directional control or proportional valves, which are used in many different operation conditions and applications, can fail and cause serious damage. Analyze all aspects of the application. The machine builder/system integrator alone is responsible for making the final selection of the products and assuring that all performance, safety and warning requirements of the application are met. The process of choosing the control system and safety levels is governed by Machinery Directive 2006-42-EC, and harmonized standard EN 13849 (Safety related requirements for control systems).
Warning
All national safety regulations must be fulfilled in connection with installation, start-up and operation of Danfoss PVG-EX. Furthermore, the requirements of the Declaration of Conformity and national regulations for installations in potentially explosive atmospheres applies as well. Disregarding such regulations involves a risk of serious personal injury or extensive material damage.
Warning
Work in connection with the valve group must be performed only by professionals and qualified persons.
Warning
PVG with non-conductive coating must have preventive protection against electrostatic charge by an earthed metal connection.
Proportional Valve Group PVG-EX

- Nameplate key
- Nameplate legend
| Number | Description | |
| 1 | PVG Valve Group code number | |
| 2 | Code number, production date, and serial number | Example: 42 12 C xxxxxx Week: 42, Year: 2012, Day: C=Wednesday (A=Monday), Serial number |
| 3 | CE Conformity marking | |
| 4 | EU marking (per 80079) – Standard part | |
| 5 | Ambient temperature range | |
| 6 | EU marking (per 2014/34/EU) – Directive part | |
T-category with ambient temperature at 65°C [149°F]
| Oil inlet temperature | T-category |
| ≤ 79°C [174°F] | T5 |
| 79 – 90°C [174 – 194°F] | T4 |
Ex marking (EN 80079-36 standard part)
| Description | EU Marking |
| Protection principle | h |
| Explosion protection marking | |
| Equipment group | I / II |
| Equipment protection level (EPL) | Mb / Gb |
| T-class | T5…T4 |
Ex marking (EU Directive part)
| Description | EU Marking |
| CE conformity marking | CE |
| Explosion protection marking | |
| Equipment Group | I / II |
| Equipment Category | M2 / 2G |
EPL/Equipment category
| Definition | Level of protection | Typical zone of application | IEC | EU | ||
| EPL | Group | Category | Group | |||
| Mines | Very high | N/A | Ma | I | M1 | I |
| High | Mb | M2 | ||||
| Gas atmosphere | Very high | 0 | Ga | II | 1G | II |
| High | 1 | Gb | 2G | |||
| Enhanced | 2 | Gc | 3G | |||
Technical data
| Maximum rated pressure | P-port continuous | 350 bar [5075 psi] |
| P-port intermittent | 400 bar [5800 psi] | |
| T-port static/dynamic | 25/40 bar [365/580 psi | |
| A/B-port continuous | 350 bar [5075 psi] | |
| A/B-port intermittent | 420 bar [5800 psi] | |
| Maximum rated flow | P-port | 140 l/min [37 US gal/min] |
| Port A/B | 125 l/min [33 US gal/min] | |
| Oil temperature | Recommended | 30 to 60°C [86 to 140°F] |
| Minimum | -30°C [-22°F] | |
| Maximum | 90°C [194°F] | |
| Ambient temperature | Recommended | -30 to 60°C [-22 to 140°F] |
| Oil viscosity | Operating range | 12 to 75 cSt [65 to 347 SUS] |
| Minimum | 4 cSt [39 SUS] | |
| Maximum | 460 cSt [2128 SUS] | |
| Oil cleanliness | Minimum | 23/19/16 (according to ISO 4406) |
Standard hydraulic oil has a flash point (COC) ignition temperature of 230ºC [446ºF] and auto ignition temperature 343ºC [649ºF]. Hydraulic fluid used must fulfill requirements for Auto Ignition temperature for the designated area.
Recommended
- ISO VG 68
- ISO VG 46
- ISO VG 32
- DIN 51524-2: Mineral oil hydraulic fluids of category HLP
- DIN 51524-3: Mineral oil hydraulic fluids of category HVLP
- ISO 11158: Mineral oil hydraulic fluids of category HM
- ISO 11158: Mineral oil hydraulic fluids of category HV
Identification

- C PVG number, week and year of installation, series number and PVP-pressure setting
- D Engraved part number on PVP and PVB
Installation and plug orientation
| PVB | 1 | 2 | 3 | 4 | 5 | 6 | 7 | 8 | 9 | 10 |
| L (mm) | 82 | 130 | 178 | 226 | 274 | 322 | 370 | 418 | 466 | 514 |
| L (in) | 3.23 | 5.12 | 7.01 | 8.90 | 10.79 | 12.68 | 14.57 | 16.46 | 18.35 | 20.24 |

Warning
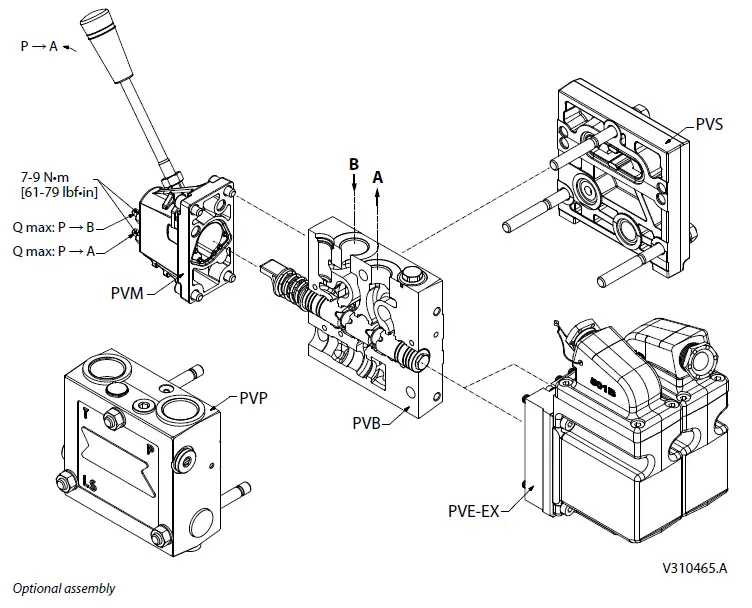
It is important to keep the moving parts of the PVG clean and free of dust at all times. PVM lever with plastic knob must have sufficient space for free movement.
Connection – PVP, pump side module
PVB, basic module
Connection threads type G (ISO 228-1)
Max. tightening torques
| Connection | P | A/B | T | LS,M, LSA, LSB, PVH, Accu | LX, PVS, PVSI | ||
| Sealing \ Thread | G 1/2 | G 3/4 | G 1/2 | G 3/4 | G 1/4 | G 1/8 | G 1/4 |
| With steel washer | 130 N•m [1150 lbf•in] | 210 N•m [1850 lbf•in] | 130 N•m [1150 lbf•in] | 210 N•m [1850 lbf•in] | 40 N•m [350 lbf•in] | 17 N•m [150 lbf•in] | 40 N•m [350 lbf•in] |
| With copper washer | 30 N•m [270 lbf•in] | 50 N•m [445 lbf•in] | 30 N•m [270 lbf•in] | 50 N•m [445 lbf•in] | 20 N•m [180 lbf•in] | 15 N•m [135 lbf•in] | 20 N•m [180 lbf•in] |
| With aluminum washer | 70 N•m [620 lbf•in] | 110 N•m [970 lbf•in] | 70 N•m [620 lbf•in] | 110 N•m [970 lbf•in] | 30 N•m [270 lbf•in] | 15 N•m [135 lbf•in] | 30 N•m [270 lbf•in] |
| With cutting edge | 130 N•m [1150 lbf•in] | 210 N•m [1850 lbf•in] | 130 N•m [1150 lbf•in] | 210 N•m [1850 lbf•in] | 40 N•m [350 lbf•in] | 17 N•m [150 lbf•in] | 40 N•m [350 lbf•in] |
UN and UNF connection threads – O-ring boss port
Max. tightening torques
| Connection | P | A/B | T | LS, M, LSA, LSB, PVH, Accu | LX, PVS, PVSI | ||
| Screwed connection \ UNF | 7/8 in – 14 | 1 1/16 in – 12 | 7/8 in – 14 | 1 1/16 in – 12 | 1/2 in – 20 | 3/8 in – 24 | 1/2 in – 20 |
| O-ring | 90 N•m [800 lbf•in] | 120 N•m [1060 lbf•in] | 90 N•m [800 lbf•in] | 120 N•m [1060 lbf•in] | 30 N•m [270 lbf•in] | 10 N•m [90 lbf•in] | 30 N•m [270 lbf•in] |
Mounting of PVE


PVG – Bleeding
If the group is installed vertically, it is recommended to bleed it at the adjusting screws.
Because of the hydraulic build-up of PVEA, it may be necessary to bleed it.
PVG – Pressure setting – PVP, LSA, LSB
PVM – Installation of lever
Screw the lever completely home
Warning
PVG must only be used with the Danfoss certified manual lever with plastic knob. Lever must have sufficient space for free movement to prevent impact with solid objects that are not part of the PVG.
PVE – Installation

For installation, mounting, and technical data of the PVE-EX, please see PVE-EX Installation Guides document number
- AN212686484914 for eb mb version
- AN216686485434 for db version
- AN249186480855 for UL version



Marking combination for PVG valve group assemblies


Danfoss can accept no responsibility for possible errors in catalogues, brochures and other printed material. Danfoss reserves the right to alter its products without notice. This also applies to products already on order provided that such alterations can be made without subsequent changes being necessary in specifications already agreed. All trademarks in this material are property of the respective companies. Danfoss and the Danfoss logotype are trademarks of Danfoss A/S. All rights reserved.www.dnv.com



















