gorenje EC641BSC Ceramic Built-in Electric Hob
INSTRUCTIONS FOR USING GLASS CERAMIC COOKING HOB
We thank you for your trust and the purchase of our appliance. This detailed instruction manual is supplied to make the use of this product easier. The instructions should allow you to learn about your new appliance as quickly as possible. Make sure you have received an undamaged appliance. If you do find transport damage, please contact the seller from which you purchased the appliance or the regional warehouse from which it was supplied. The telephone number can be found on the invoice or on the delivery note.
Instructions for installation and connection are supplied on a separate sheet. Instructions for use, installation, and connection are also available at our website: http://www.gorenje.com
The following symbols are used throughout the manual and they have the following meanings:
INFORMATION!
Information, advice, tip, or recommendation
WARNING!
Warning – general danger
It is important that you carefully read the instructions.
Safety precautions
Carefully read the instructions and save them for future reference
This appliance can be used by children aged 8 years and above and persons with reduced physical, sensory or mental capabilities or lack of experience and knowledge if they have been given supervision or instruction concerning the use of the appliance in a safe way and understand the hazards involved. Children shall not play with the appliance. Cleaning and user maintenance shall not be made by children without supervision.
WARNING: The appliance and its accessible parts become hot during use. Care should be taken to avoid touching heating elements. Children less than 8 years of age shall be kept away unless continuously supervised. Do not use steam cleaners or high-pressure cleaners to clean the appliance, as this may result in an electric shock. The appliance is not intended to be controlled by external timers or a separate remote control system. This means for disconnection must be incorporated in the fixed wiring in accordance with the wiring rules. If the supply cord is damaged, it must be replaced by the manufacturer, its service agent or. similarly qualified persons in order to avoid a hazard (only for appliances supplied with connection cords).
WARNING: If the surface is cracked, switch off the appliance to avoid the possibility of electric shock. Switch off all cooking zones using their respective controls and remove the fuse or trip the main circuit breaker so that the appliance is fully isolated from the power mains.
WARNING: Unattended cooking on a hob with fat or oil can be dangerous and may result in fire. NEVER try to extinguish a fire with water, but switch off the appliance and then cover the flame e.g. with a lid or a fireproof blanket.
WARNING: Danger of fire: do not store items on the cooking surfaces.
CAUTION: The cooking process has to be supervised. A short-term cooking process has to be supervised continuously.
CAUTION: This appliance is for cooking purposes only. It must not be used for other purposes, for example, room heating.
WARNING: Use only hob guards designed by the manufacturer of the cooking appliance or indicated by the manufacturer of the appliance in the instructions for use as suitable or hob guards incorporated in the appliance. The use of inappropriate guards can cause accidents. After use, switch off the hob element by its control and do not rely on the pan detector. The appliance must be connected to fixed wiring which has incorporated means of disconnection. Fixed wiring must be made in accordance with the wiring rules.
Important notes and precautions
The appliance is intended for household use. Do not use it for any other purpose, such as room heating, drying of pets or other animals, paper, fabrics, herbs, etc. As this may lead to injury or fire hazards. The appliance must be connected to fixed wiring which has incorporated means of disconnection. Fixed wiring must be made in accordance with the wiring rules. If another electrical appliance is connected to an AC power socket near the appliance, make sure the power cord does not come into contact with hot cooking zones. If the power cord is damaged, it should be replaced by the manufacturer or an authorized service technician, in order to avoid hazards. Using the glass ceramic hob as a storage area may result in scratches or other damage to it. Never heat food in aluminum foil or in plastic containers on the cooking hob. Such foil or containers may melt which can result in a fire or damage to the cooking hob. Do not store temperature-sensitive items underneath the appliance, such as cleaners or detergents, spray cans, etc. Eventual mismatches in color shades between different appliances or components within a single design line may occur due to various factors, such as different angles under which the appliances are observed, different colored backgrounds, materials, and room illumination.
Before connecting the appliance
WARNING!
Carefully read the instructions for use before connecting the appliance. Repair or any warranty claim resulting from the incorrect connection or use of the appliance shall not be covered by the warranty.
Appliance description
INFORMATION!
Appliance functions and equipment depend on the model.
- Cooking zone rear (left)
- Cooking zone front (left)
- Cooking zone rear right
- Cooking zone front right
- Operating the cooking hob

Technical data
(depending on the model)
- A. Serial number
- B. Code
- C. Type
- D. Trademark
- E. Model
- F. Technical data
- G. Compliance indications/symbols

The rating plate with basic information on the appliance is located on the bottom side of the cooking hob. Information on appliance type and model can be found on the warranty sheet.
Before first use
If your hob has a glass ceramic surface, clean it with a damp cloth and some washing-up liquid. Do not use aggressive cleaners, such as abrasive cleaners that could cause scratches, abrasive dishwashing sponges, or stain removers. During initial use, the characteristic “new appliance smell” may appear; it will gradually disappear.
Glass ceramic cooking surface
- The hob is resistant to temperature changes.
- Do not use the glass ceramic hob if it is cracked or broken. If a sharp object falls on the hob, the hob may break. The consequences of such an occurrence may be visible immediately or only after a while.
- If any visible crack appears in the hob, immediately cut off the power supply to the appliance.
- Make sure the cooking zone and the cookware bottom are clean and dry. This will allow better conduction of heat and prevent any damage to the heating surface.
- Do not place empty cookware in the cooking zone. The cooking zone may be damaged if you place an empty pan onto it. Before placing a pan onto the cooking zone, wipe the pan bottom dry to allow the conduction of heat.
Tips regarding your cookware
- Use quality cookware with flat and stable bottom.
- Pan bottom and cooking zone diameters should be the same.
- Tempered glass cookware with special ground bottom may be used on the cooking zones if its diameter fits that of the cooking zones. Cookware with a larger diameter may crack due to thermal tension.
- Make sure the pot or pan is in the middle of the cooking zone.

- When using a pressure cooker, keep an eye on it until the right pressure is reached. First, set the cooking zone to maximum power; then, following the pressure cooker manufacturer’s instructions, use the relevant sensor to decrease the cooking power at the right time.
- Make sure there is enough liquid in the pressure cooker, or any other pot or pan. Due to overheating, using an empty pot on the cooking zone may result in damage to both the pot and the cooking zone.
- When using special cookware, observe the manufacturer’s instructions.
Energy saving tips
- When purchasing cookware, note that the diameter indicated on the pan usually pertains to the upper edge or the lid, which is normally larger than the diameter of the pan bottom.
- If a dish takes a long time to cook, use a pressure cooker. Make sure there is always sufficient liquid in the pressure cooker. If an empty cooker is placed on the cooking hob, it may overheat which in turn may lead to damage to both the pot and the cooking zone.
- Whenever possible, close the pot or pan with a suitably sized lid. Use cookware that fits the amount of food you are cooking. Cooking in a large partly full pot will consume much more energy.
Operating the cooking hob
Turn on the cooking zone using the knobs installed on the control panel. The symbol next to each knob indicates which cooking zone is operated by it. The cooking zone power level can be set continuously (1-9) or stepwise (1-6). The step knobs can be rotated in both directions. With continuous knobs, the power level is increased as you rotate them in the clockwise direction, and reduced as you turn them in the anticlockwise direction. The cooking zone may be turned off three to five minutes before the end of cooking in order to make use of the residual heat and save some energy.
The following table lists some examples of using individual power levels.
| S | E | |
| 0 | 0 | The cooking zone is switched off |
| 1 | 1-2 | Maintaining the temperature and reheating of smaller quantities of food |
| 2 | 3-4 | Reheating |
| 3 | 5-6 | Reheating or longer cooking of larger quantities |
| 4 | 7 | Consecutive cooking/frying (e.g. omelets etc.) |
| 5 | 8 | Deep frying |
| 6 | 9 | Quick heating |
Double-ring cooking zone switch
When the double-ring cooking zone control switch is rotated normally, the basic cooking zone (internal) is activated. If you wish to activate the entire cooking zone, rotate the knob to the symbol that follows the number signs, to hear a ‘click’ sound; then, rotate it back to the desired position. The entire cooking zone is switched off by rotating the knob back to the 0 positions. (depending on the model)
Warning lights
Warning lights “hot” are integrated into the front part of the class ceramic cooking hob. When on, the indicator light warns that the relevant cooking zone is still hot (danger of burns). When the cooking zone is switched off, the hot surface indicator will remain lit until the cooking zone cools down to below 50 °C.
Cleaning and maintenance
After each use, wait for the glass ceramic surface to cool down and clean it. Otherwise, all remaining impurities will burn onto the hot surface the next time you use the hob.
For regular maintenance of the glass ceramic hob, use special care products that create a protective film on the surface to prevent dirt from sticking to it. Before each use of the glass ceramic surface, wipe off the dust or any other impurities that could scratch the surface, from both the hob and the pan bottom.
INFORMATION!
Steel wool, coarse cleaning sponges, and abrasive powders may scratch the surface. The surface may also be damaged by aggressive spray cleaners and unsuitable liquid cleaners.
- Signage may be worn when using aggressive or abrasive cleaners or cookware with coarse or damaged bottoms.
- Use a damp soft cloth to remove minor impurities. Then, wipe the surface dry.
- Remove water stains with a mild solution of vinegar. However, do not use this solution to wipe the frame (only with some models) as it may lose its sheen. Do not use aggressive spray cleaners or descaling agents.
- Use special glass-ceramic cleaners for stubborn dirt. Observe the manufacturer’s instructions. Be sure to thoroughly remove any cleaner residues after the cleaning process as they may damage the glass ceramic surface when the cooking zones heat up.
- Remove stubborn and burnt residues with a scraper. Be careful when handling the scraper to prevent injury.
INFORMATION!
The scraper is not included in appliance equipment. Only use the scraper when dirt cannot be removed with a wet cloth or special cleaners for glass ceramic surfaces. Hold the scraper at the correct angle (45° to 60°). Gently press the scraper against the glass and slide it over the signage to remove the dirt. Make sure the plastic handle of the scraper (in some models) does not come into contact with a hot cooking zone.
INFORMATION!
Do not press the scraper perpendicularly against the glass and do not scratch the hob surface with its tip or blade.
Immediately remove any sugar or sugar-laden food from the glass ceramic hob using a scraper, even if the hob is still hot, as sugar may permanently damage the glass ceramic surface.
Troubleshooting table
During the warranty period, only a service center authorized by the manufacturer may carry out any repairs. Before making any repairs, make sure the appliance is disconnected from the power mains either by removing the fuse or by disconnecting the power plug from the wall outlet. Any unauthorized repairs of the appliance may result in electric shock and short circuit hazards; therefore, do not perform them. Leave such work to an expert or a service technician. In case of minor problems with appliance operation, check this manual to see if you can fix the problem yourself. If the appliance is not operating properly or at all due to inappropriate operation or handling, a visit from a service technician shall not be free of charge, even during the warranty period. Save the instructions for future reference and pass them on to any subsequent owners or users of the appliance.
Following is some advice on rectifying some common problems.
| Problem/error | Cause |
| The main fuse in your home trips often. | Call a service technician. |
| Continuous beep and display | Water spilled over the sensor surface, or an object placed over the sensors. Wipe the sensor surface. |
| F on the display | This indicates that there has been an error during the operation. |
If the problems persist despite observing the above advice, call an authorized service technician. Repair or any warranty claim resulting from the incorrect connection or use of the appliance shall not be covered by the warranty. In this case, the user will cover the cost of repair.
WARNING!
Before the repair, disconnect the appliance from the power mains (by removing the fuse or by removing the plug from the wall outlet).
Installing a built-in hob
Installation procedure
- The worktop has to be completely level.
- Suitably protect the edges of the cut aperture.
- Connect the cooking hob to the mains power supply (see instructions for the connection of the cooking hob to the mains power supply).
- Insert the hob into the cut aperture.
- Installation of the appliance into a kitchen worktop and its connection to the power mains may only be performed by an adequately qualified technician.
- The Veneer or other finish of the piece of kitchen furniture into which the hob is to be built in should be treated with heat-resistant glue (100°C); otherwise, the worktop finish may be discolored or deformed.
- Use of solid wood corner trims on worktops behind the cooking hob is only allowed if the clearance between the trim and the cooking hob is no smaller than indicated on the installation plans.
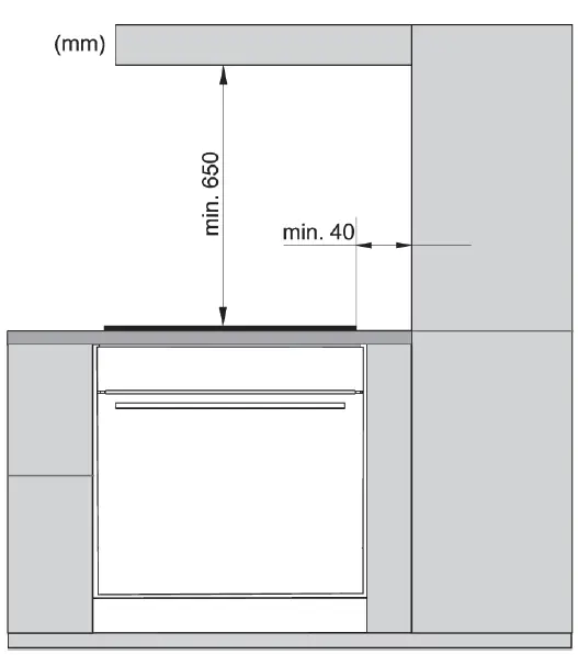
- The cooking hob is dimensioned to be built into the worktop over a piece of kitchen furniture, with a width of 600 mm or more.

- Hanging, or wall-mounted kitchen elements should be installed high enough not to interfere with the work process.
- The distance between the cooking hob and the kitchen hood should be no less than indicated in the instructions for kitchen hood installation. The minimum distance is 650 mm.
- The distance between the appliance edge and the adjacent tall kitchen furniture element should amount to no less than 40 mm.
- Use of solid wood corner trims on worktops behind the cooking hob is only allowed if the clearance between the trim and the cooking hob is no smaller than indicated on the installation plans.
- Minimum distance between the built-in cooking hob and the rear wall is indicated on the installation drawing.

Air vents in the lower kitchen cabinet
INFORMATION!
Normal operation of the induction cooking hob electronic components requires sufficient air circulation.
Lower cabinet with a drawer
- There must be an opening with a height of no less than 140 mm along the entire width of the cabinet in the cabinet’s rear wall. In addition, there should be an opening of at least 6 mm on the front side, along the entire width of the cupboard.
- A horizontal partition panel should be installed underneath the cooking hob along its entire length. There should be at least 10 mm of clearance between the lower end of the appliance and the partition panel. Adequate ventilation should be allowed from the rear side.

- The hob is fitted with a fan located in its lower part. If there is a drawer below the kitchen cabinet, do not use it to store small objects or paper as these could, if sucked into the fan, damage the fan and the cooling system. Moreover, do not use the drawer to store aluminum foil or flammable substances or liquids (such as sprays). Keep such substances away from the cooking hob. The danger of explosion!
- There should be at least 20 mm of clearance between the contents of the drawer and the fan inlet vents.
Lower cabinet with an oven
- Installing an oven under the induction hob is possible for oven types with a cooling fan.
- Before installing the oven, the kitchen cabinet’s rear wall has to be removed in the area of the opening for installation.
- In addition, there should be an opening of at least 6 mm on the front side, along the entire width of the cabinet.
- If other appliances are installed under the induction cooking hob we cannot guarantee their correct operation.

Flush-mount installation into the worktop
Appliances without faceted edges or decorative frames are suitable for flush mounting.
Installing the appliance
The appliance may only be installed into a temperature- and water-resistant countertop, such as a countertop made of (natural) stone (marble, granite), or solid wood (the edges along the cut-out have to be sealed). When installing a countertop made of ceramics, wood, or glass, a wooden sub-frame should be used. The frame is not supplied with the appliance. The appliance may only be installed into a countertop made of other materials after you have consulted the countertop manufacturer and obtained his express approval. The internal dimension of the basic unit should be at least equal to the internal cutout for the appliance. This will allow simple removal of the appliance from the countertop. Attach sealing tape along the perimeter of the bottom of the glass panel.
First, feed the power cord through the cutout. Place the appliance over the center of the cutout. Connect the appliance to the power mains (see instructions for connecting the appliance). Before sealing the appliance, test its operation. Seal the slot between the appliance and the countertop using a silicone sealant. The silicone sealant used to seal the appliance has to be temperature-resistant (to at least 160 °C). Smooth out the silicone sealant using a suitable tool. Observe the instructions for use of the selected silicone sealant. Do not switch on the appliance until the silicone sealant has dried completely.
- Silicone sealant
- Sealing tape

WARNING!
Pay particular attention to built-in dimensions with (natural) stone countertops. When choosing silicone sealant, observe the countertop material and consult the countertop manufacturer. Use of inappropriate silicone sealants can result in permanent discoloration of some parts.
Removing the built-in appliance
Disconnect the appliance from the power mains. Use a suitable tool to remove the silicone gasket from the perimeter. Remove the appliance by pushing it upwards from the bottom side.
WARNING!
Do not attempt to remove the appliance from the upper side of the countertop.
WARNING!
The service department shall only be responsible for the repair and servicing of the cooking hob. Consult your specialized kitchen equipment dealer regarding the re-installation (of the flush-mount) cooking hob.
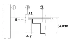
Stone countertop
- Countertop
- Appliance
- Slot

Given the margin of error (tolerance) for the glass ceramic plate of the appliance, and the cutout in the countertop, the slot is adjustable (min.2 mm).
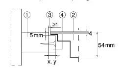
Ceramic, wooden, or glass countertop
- Countertop
- Appliance
- Slot
- Wooden frame, thickness 16 mm

Given the margin of error (tolerance) for the glass ceramic plate of the appliance, and the cut-out in the countertop, the slot is adjustable (min. 2mm). Install the wooden frame 5.5mm below the upper edge of the countertop (see figure). Observe the radii of glass edges (R10, R2) when making the cut-out.

WARNING!
If the oven is installed under a flush-mounted cooking hob, then the worktop thickness should be at least 40 mm.
Fitting the foam gasket
INFORMATION!
Some appliances come with the gasket already fitted!
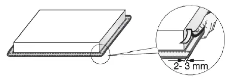
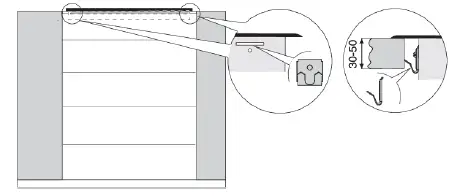
Before installing the appliance into a kitchen worktop, attach the foam gasket supplied with the appliance to the bottom side of the glass ceramic hob. Remove the protective film from the gasket. Attach the gasket to the bottom side of the glass (2–3 mm away from the edge). The gasket has to be applied along the entire edge of the glass. The gasket may not overlap in the corners. When fitting the gasket, make sure it is not damaged by or in contact with any sharp objects.
WARNING!
Do not install the appliance without the gasket!
Fitting the fixing clamp
- The worktop has to be completely level. Protect the cutout surfaces.
- Use the four supplied screws (4x) to attach the fixing elements (4x) to the hole and cutout in the front and back wall of the cooking hob.
- Insert the cooking hob into the cut-out and press it strongly towards the worktop from above.
- Do not use screws longer than 6.5 mm to tighten the fixing clamp.

Connecting the cooking hob to the power mains
- Power mains protection must conform to the relevant regulations.
- Before connecting the appliance, make sure the voltage specified on the rating plate conforms to the voltage of the power mains.
- There should be a switching device in the electrical installation that can disconnect all poles of the appliance from the power mains, with a minimum clearance of 3 mm between the contacts when open. Suitable devices include fuses, protective switches, etc.
- The connection should be adjusted to the current and fuses.
- After installation, the parts carrying electrical current and insulated parts shall be protected against contact.
WARNING!
The appliance may only be connected by an authorized expert. The false connections can destroy parts of the appliance. In such a case, there is no right to warranty! Disconnect the appliance from the power mains before any repair or maintenance operation.
Connection diagram
- Check the voltage. Before connecting the appliance, make sure the voltage specified on the rating plate conforms to the voltage of your power mains. The voltage of your power mains (220–240 V between L and N) should be checked by an expert using an appropriate measuring device.
- Open the cover of the connection terminal box.
- Connect the wires according to your type of appliance.
- The jumpers are provided on the connection terminal.

Power cord
(appliance without a power cord)
- The following may be used for connection:
- PVC insulated connection cable type H05V2V2-F with the yellow-and-green protective conductor, or other equivalent or superior cables.
- The exterior cable diameter should be at least 8.00 mm.
- Run the power cord through a cord strain relief (clamp) which * Ferrules are not supplied.

INFORMATION!
We recommend using electric wire ferrules (end terminals).
Single-phase connection (32 A)
- Single-phase connection (1 1N, 220–240 V~ /50–60 Hz):
- The voltage between the line and the neutral conductor is 220–240 V~. Install a jumper between terminals 1 and 2, and between terminals 4 and 5.
- The circuit should be fitted with a fuse of at least 32 A. Power cord core cross-sectional area should be at least 4 mm².

2-phase connection (16A)
- 2 phases, 1 neutral conductor (2 1N, 380–415 V~ /50–60 Hz):
- The voltage between the line and neutral conductor is 220–240 V~.; the voltage between lines is 380–415 V~. Install a jumper between terminals 4 and 5. The circuit should be fitted with at least two fuses of at least 16 A each. The power cord core cross-sectional area should be at least 1.5 mm².

- The voltage between the line and neutral conductor is 220–240 V~.; the voltage between lines is 380–415 V~. Install a jumper between terminals 4 and 5. The circuit should be fitted with at least two fuses of at least 16 A each. The power cord core cross-sectional area should be at least 1.5 mm².
- 2 phases, 2 neutral conductors (2 2N, 220–240 V 2 2N ~ /50–60Hz):
- The voltage between phases and neutral conductor is 220-240 V~.
- The circuit should be fitted with at least two fuses of at least 16 A each. The power cord core cross-sectional area should be at least 1.5 mm2.

Appliances with a width of 30 centimeters (two cooking zones) only allow single-phase connection. The diameter of the power cord should be at least 1.5 mm²!
Connecting the power cord
(an appliance with a power cord)
- The appliance has to be hard-wired directly to the power mains.
- Devices for disconnecting from the power mains have to comply with the relevant regulations.
- Do not extend the power cord and do not lead it over sharp edges.
- If the appliance is installed above an oven, make sure the power cord is never in contact with the oven’s hot parts.
Single-phase connection
Connect the appliance as shown in Diagram A. If your power mains do not allow a 32 A fuse, the appliance power should be decreased or limited accordingly.
See chapter User Settings.
Two-phase connection
- If your electric mains have 2 line conductors and 1 neutral conductor, connect the appliance as shown in Diagram B.
- If your electric mains have 2 line conductors and 2 neutral conductors, connect the appliance as shown in Diagram C.

Disposal
Our product packaging is made of environmentally friendly materials that can be recycled, disposed of, or destroyed without any hazard to the environment. To this end, packaging materials are labeled appropriately. The symbol on the product or its packaging indicates that the product should not be treated as normal household waste. Take the product to an authorized collection center for waste electric and electronic equipment processing. Correct disposal of the product will help prevent any negative effects on the environment and health of people, which could occur in case of incorrect product removal. For detailed information on the removal and processing of the product, please contact the relevant municipal body in charge of waste management, your waste disposal service, or the store where you bought the product.
We reserve the right to any changes and errors in the instructions for use.



































