BR-20DP
Type 3 Surge Arrester
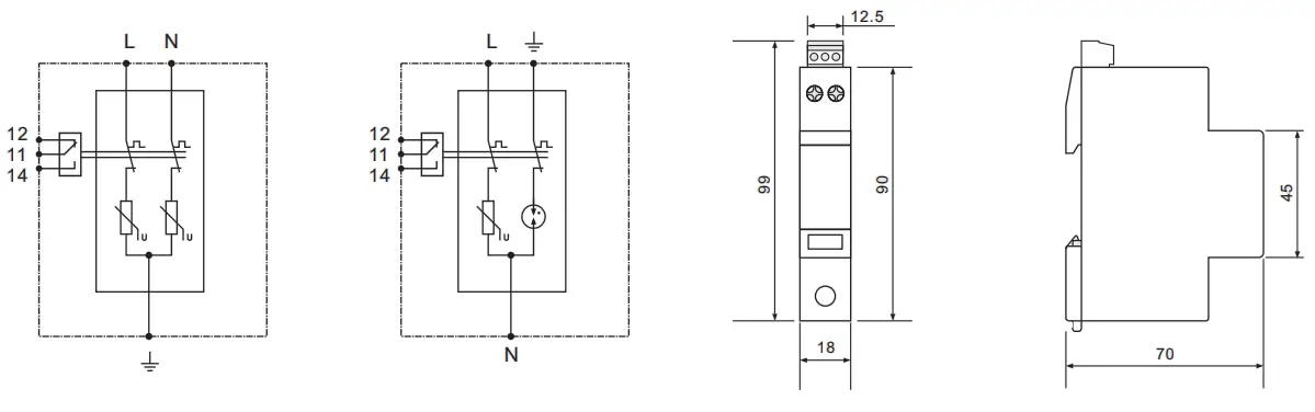
Instructions![]()

BR-20DP Type 3 Surge Arrester

Type 3 surge arrester is installed between LPZ2 and LPZ3, it can provide protection for equipments.
| BR30-20DP | BR75-20DP | BR150-20DP | BR275-20DP | |
| SPD classification according to EN61643-11 | Type 3 | Type 3 | Type 3 | Type 3 |
| SPD classification according to IEC61643-11 | Class III | Class III | Class III | Class III |
| Norminal a.c. voltage Un | 24V | 60V | 120V | 230V |
| Max. continuous operating a.c. voltage Uc | 30V | 75V | 150V | 275V |
| Max. continuous operating d.c. voltage Uc | 38V | 100V | 190V | 300V |
| Nominal discharge current (8/20 p. s) In | 10kA | 10kA | 10kA | 10kA |
| Combined impulse Uoc | 20kV | 20kV | 20kV | 20kV |
| Voltage protection level Up | 5300 V | ≤600V | ≤800V | ≤1200V |
| Response time to | S25 ns | ≤ 25ns | ≤25ns | ≤25ns |
| Operating temperature range Tu | -40t-80t | -40t-80t | -40°C-80°C | -40°C-80°C |
| Operating state/fault indication | green/red | green/red | green/red | green/red |
| Cross-section area (Min.) | 2.5mm2 | 2.5mm2 | 2.5mm2 | 2.5mm2 |
| Cross-section area (Max.) | 16mm2 | 16mm2 | 16mm2 | 16mm2 |
| For mounting on | 35mm Din rail | 35mm Din rail | 35mm Din rail | 35mm Din rail |
| Enclosure materail | Thermal plastic UL94-VO | |||
| Degree of protection | IP20 | IP20 | IP20 | IP20 |
| Order Code 2P | B8345 | B8343 | 88341 | 88339 |
| Order Code (with remote signal ) 2P | B8346 | 88344 | 88342 | 88340 |
| Order Code 1+1 | B8353 | 88351 | 88349 | 88347 |
| Order Code (with remote signal ) 1+1 | 88354 | 88352 | 88350 | 88348 |
Let all the circuits get surge protected
www.britecelectric.com


















