Safety instructions
POWER SUPPLY UP TO 1000 V
SURGE ARRESTER
IEC EN 61643-11
IEC EN 62305
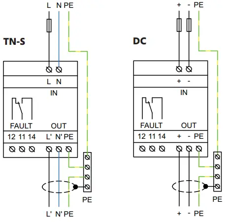
HSAD16/* VAC S
HSAD16/* VDC S
* Nominal voltage U N(V)
Technical data
TYPE 3
CLASS III
LPZ 2 3
IP20
I 16 A
L
J -40 °C ÷ +55 °C
max. 16 A
Mounting on DIN rail 35 mm
S – remote monitoring
Optical function signalization

Remote monitoring
Remote monitoring
Cross-section
Test
Use GIGATEST pro
(Art. No. 70 002)
Safety instructions
The product may only be connected and installed by an electrician. Before installation, the product must be checked for physical damage. If any defect or deficiency is found during this inspection, the product must not be installed. Its permissible use is described in the installation instructions. Follow the installation instructions carefully and connect according to the connection diagram provided. This product and its linked equipment may be damaged by loads that exceed a given value. Interference with the device leads to the loss of the right to claim.
HAKEL spol. s r.o.
Bratri Stefanu 980
500 03 Hradec Kralove
Czech Republic
Phone: +420 494 942 300
[email protected]
www.hakel.com




















