POTTER PIVSU-EX-O Outdoor Explosion Proof Post Indicator and Butterfly Valve Supervisory Switch

Features
- NEMA 1, 3, 4, 4X, 6, 6P, 9 & 13 IP66 and 67
- Water tight, dust tight and corrosion resistant for outdoor use
- For use in hazardous locations:
- Class I, Div. 1 & 2, Groups C, D
- Class II, Div. 1 & 2, Groups E, F, G
- Explosion proof switch enclosure:
- UL Listed, file #E14274
- CSA Certified, File #LR57324
- ATEX/IEC EX Approved, File #KEMA 04ATEX2312X
- Adjustable length trip rod
- Ample wiring space
- RoHS Compliant
NOTICE
Before any work is done on the fire sprinkler or fire alarm system, the building owner or their authorized representative shall be notified. Before opening any closed valve, ensure that opening the valve will not cause any damage from water flow due to open or missing sprinklers, piping, etc.
Important: This document contains important information on the installation and operation of valve supervisory switches. Please read all instructions carefully before beginning installation. A copy of this document is required by NFPA 72 to be maintained on site.
Description
The PIVSU-EX-O is designed to supervise the position of a Post Indicator or Butterfly valve in hazardous outdoor locations. The device mounts in a 1/2” NPT threaded nipple to the valve body. When properly mounted, the indicator of the Post Indicator valve or the operating mechanism of the Butterfly Valve will be pushing against the return spring of the PIVSU-EX-O so that as the valve is operated, the spring in the PIVSU-EX-O pulls the trip rod over and activates the switch. To aid with installation the trip rod length is adjustable. This device features a UL listed explosion proof switch enclosure.
Testing
The operation of the PIVSU-EX-O and its associated protective monitoring system shall be tested upon completion of the installation and inspected, tested and maintained in accordance with all applicable local and national codes and standards and/or the Authority Having Jurisdiction, (manufacturer recommends quarterly or more frequently). A minimum test shall consist of turning the valve operating mechanism towards the closed position. The PIVSU-EX-O shall operate within the first two revolutions of the operating mechanism. Fully close the valve and ensure the PIVSU-EX-O does not restore. Fully open the valve and ensure that the PIVSU-EX-O restores to normal.
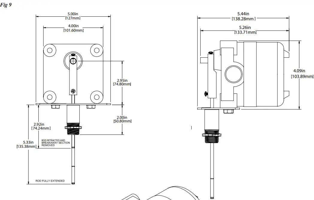
Technical Specifications
| Dimensions | See Fig. 6 |
| Weight | 3.3 lbs. |
| Materials | Switch Enclosure – Aluminum Plate/Nipple/Hardware – Stainless Steel |
| Contact Ratings | One set of SPDT 15 Amps at 125VAC .5 Amps at 125VDC Terminals accept up to 14AWG wire |
| Environmental Limitations | -13°F to 185°F (-25°C to 85°C) Class I, Div. 1 & 2, Groups C, D Class II, Div. 1 & 2, Groups E, F, G NEMA 1, 3, 4, 4X, 6, 6P, 9, 13, IP66 and 67 |
| Conduit Entrances | Two 3/4” -14 NPT threaded entrance |
| Mounting | 1/2” NPT |
| Service Use | NFPA 13, 13D, 13R, 72 |
Specifications subject to change without notice
Theory Of Operation
The PIVSU-EX-O is a spring loaded switch. It is in normal position when the trip rod is pulling against the spring force. Normal is when the switch is installed on the valve and the valve is fully open. As the valve closes, the valve actuator moves away from the trip rod of the PIVSU-EX-O and the spring on the PIVSU-EX-O pulls the trip rod over and trips the switch.
Alternate Window Installation and Moving Hood Installation
Target Moves Up as Valve is Shut
Subject to the approval of the “authority having jurisdiction” the alternate method of installation shown in Fig. 1 may be used. In this method, one of the glass windows of the housing is replaced with a 1/4” thick metal plate that is cut to fit in place of the glass and drilled and tapped to recieve 1/2” NPT pipe nipple. In some cases it may be necessary to attach an angle bracket to the target assembly to engage the PIVSU-EX-O trip rod.
Fig 1

Hood Moves Down as Valve is Shut
Fig 2
If the target is stationary and a hood arrangement is used, such as is shown in Fig. 2, the hood must be drilled with a 23/32” drill and tapped with a 1/2” NPT. The center line of this hole should be 1/8” below the portion of target assembly that strikes the PIVSU-EX-O trip rod. The 11 3/8” dimension shown is for a Clow Valve. Flexible conduit must be used for this type of installation. (More on pg. 3).

Typical Installation On Post Indicator valve Housing
Typical Valve Installation

- Position the valve to fully open (“OPEN” should appear in the window of the housing). Partially close the valve while observing the direction that the target assembly moves. Reopen the valve. If the valve housing is predrilled with a 1/2” NPT for installation of a monitoring switch, remove the 1/2” plug and fully open the valve. Make sure that “OPEN” appears in the window of the housing. GO TO STEP NO. 6.
- If the valve is not pre-drilled for 1/2” NPT, remove the head and target assembly (consultation with valve manufacturer is recommended).
- If the target assembly moved up as the valve was closed, measure the distance from the bottom of the head to the lower part of the target assembly that will contact the trip rod of the PIVSU-EX-O (see Fig. 3). This is usually a plate or bar on the target assembly, on a side adjacent to the “OPEN/SHUT” plates. Subtract 1/8” from the measurement. If the target moved down as the valve was closed, measure the distance from the bottom of the head to the upper portion of the target assembly that will contact the trip rod of
the PIVSU-EX-O (see Fig. 4). Add 1/8” (3,2mm) to this measurement. - Mark the housing at the proper location. Using a 23/32”
(18,2mm) drill bit, drill and then tap a 1/2” NPT in the housing on the side that coincides with the portion of the target assembly that will engage the trip rod of the PIVSU-EX-O. - Replace the head and target assembly.
- Insert a scale or probe into the valve housing to measure the distance from the opening on the valve to the target assembly. Subtract ½” from this measurement.
- Adjust the trip lever of the PIVSU-EX-O so the trip lever protrudes past the end of the nipple by the distance measured in step 6. Include the ½” subtraction. In some instances it

may be necessary to remove the trip lever and using a pliers break off the 1” long notched section. See fig 11. - Partially close the valve, 4—6 revolutions
- Screw the PIVSU-EX-O into the valve body until it is oriented correctly, tighten the jam nut. The spring loaded trip lever of the PIVSU-EX-O follows the valve target as it moves when the valve is operated. Proper orientation is with the rectangular switch body parallel with the valve housing and the target of the valve pushing against the spring force of the PIVSU-EX-O trip lever when the valve is fully open. Adjust the trip lever length if necessary.
- Carefully open the valve to the fully open position. As the target moves to the open position it should engage the trip rod and actuate the switch. There should be a minimum overtravel of 1/2 revolution of the handle/hand wheel after the switch actuates (a continuity meter connected to the switch contacts is one method that could be used to determine this).
- Slowly close the valve. The switch must operate during the first two revolutions of the handle/hand wheel or during 1/5 of the travel distance of the valve control apparatus from its normal condition.
NOTE: Small adjustments of the target position may be necessary (consultation with valve manufacturer is recommended). - Complete the required electrical wiring, connections and tests. The valve should be operated through the entire cycle of fully closed and fully open to determine the integrity of the PIVSU-EX-O installation and the signaling system. Check that all electrical and mechanical connections are secure.
- When the installation and testing are complete, return valve to its proper position.
Typical Installation on a Butterfly Valve

- Insert a scale or probe into the valve housing to measure the distance from the opening on the valve to the target assembly. Subtract ½” from this measurement.
- Adjust the trip lever of the PIVSU-EX-O so the trip lever protrudes past the end of the nipple by the distance measured in step 1. Include the ½” subtraction. In some instances it may be necessary to remove the trip lever and using a pliers break off the 1” long notched section. See fig 11.
- Partially close the valve, 4—6 revolutions.
- Screw the PIVSU-EX-O into the valve body until it is oriented correctly, tighten the jam nut. The spring loaded trip lever of the PIVSU-EX-O follows the cam in the gearbox as it moves when the valve is operated. Proper orientation is with the rectangular switch body parallel with the valve gearbox and the cam of the valve pushing against the spring force of the PIVSU-EX-O trip lever when the valve is fully open. Adjust the trip lever length if necessary.
- Carefully open the valve to the fully open position. As the cam moves to the open position it should engage the trip rod and actuate the switch. There should be a minimum over travel of 1/2 revolution of the handle/hand wheel after the switch actuates (a continuity meter connected to the switch contacts is one method that could be used to determine this).

- Slowly close the valve. The switch must operate during the first two revolutions of the handle/hand wheel or during 1/5 of the travel distance of the valve control apparatus from its normal condition.
- Complete the required electrical wiring, connections and tests. The valve should be operated through the entire cycle of fully closed and fully open to determine the integrity of the PIVSU-EX-O installation and the signaling system. Check that all electrical and mechanical connections are secure.
- When the installation and testing are complete, return valve to its proper position.
NOTICE
If the PIVSU-EX-O is to be mounted on a valve that already contains an internal supervisory switch or on a valve that is to be supervised in the closed position, an external bracket similar to that shown in fig 4 will be necessary. Due to the possibility of changes in valve design by the valve manufacturers, brackets may not fit exactly and may need field modification. Contact Potter tech support for bracket drawings.
Typical Installation on a Butterfly Valve with factory installed supervisory switch
If the PIVSU-EX-O is to be mounted on a valve that already contains an internal supervisory switch or on a valve that is to be supervised in a closed position, an external bracket similar to that shown in figures 7 and 8 will be necessary.
NOTICE
Due to the possibility of changes in valve design by the valve manufacturers, brackets may not fit exactly and may need field modification. Contact Potter Tech Support for bracket drawings.

Dimensions


Breaking Excessive Rod Length

Switch Terminal Connections

WARNING
An uninsulated section of a single conductor should not be looped around the terminal and serve as two separate connections. The wire must be severed, thereby providing supervision of the connection in the event that the wire become dislodged from under the terminal. Failure to sever the wire may render the device inoperable risking severe property damage and loss of life.
Do not strip wire beyond 3/8″ of length or expose an uninsulated conductor beyond the edge of the terminal block. When using stranded wire, capture all strands under the clamping plate.
Typical Electrical Connections

Ordering Information
| Model | Description | Stock No. |
| PIVSU-EX-O | Outdoor Explosion Proof Supervisory Switch | 1010123 |
| PBK-S | Pratt Butterfly Valve Kit (3” to 12”) | 0090133 |
| PBK-M | Pratt Butterfly Valve Kit (14” to 16”) | 0090146 |
| PBK-L | Pratt Butterfly Valve Kit (18” to 24”) | 0090132 |
| PVK | Pratt Valve Kit | 1000060 |
| KBK | Victaulic/Kennedy Butterfly Valve Kit | 0090143 |
| TBK | Tyco Butterfly Valve Kit | 0090150 |
(Optional brackets for mounting to valves with factory installed supervisory switches, or to valves that are to be supervised in the closed position.)
NOTE: Due to the possibility of changes in valve design by the manufacturers, brackets may not fit exactly and may require field modification. Contact Potter Tech Support for bracket drawings.
Engineering Specifications: Explosion Proof supervisory switch for Post Indicator and Butterfly Valves
Explosion proof valve supervisory switches shall be furnished and installed on all PIV and butterfly type valves that can be used to shut off the flow of water to any portion of the fire sprinkler system, where indicated on the drawings and plans and as required by applicable local and national codes and standards. The switch enclosure shall be UL Listed and CSA Certified and NEMA 1, 3, 4, 4X, 6, 6P, and 13 rated for hazardous locations classified as Class I, Division 1 and 2, groups C and D and Class II, Division 1 and 2, groups E, F and G and capable of being mounted in any position indoors or outdoors. The enclosure shall contain two ¾” – 14 NPT threaded opening for conduit connection. The device shall incorporate a stainless steel ½” male NPT nipple for attachment to the valve body. The device shall contain an adjustable length trip rod, the trip rod shall be held captive by a set screw accessible without removal of the cover. The switch contacts shall be rated at 15.0A, 125/250VAC and 0.5A, 125VDC. Explosion proof PIV and Butterfly Valve supervisory switch shall be model PIVSU-EX-O manufactured by Potter Electric Signal Company LLC.
NOTICE
Supervisory Switches have a normal pressure service life of 10-15 years. However, the service life may be significantly reduced by local environmental conditions.
Potter Electric Signal Company, LLC • St. Louis, MO • Tech Support: 866-956-0988 / Customer Service: 866-572-3005 • www.pottersignal.com






















