POTTER OSYSU-EX Explosion Proof Outside Screw and Yoke Valve Supervisory Switch
Features
- NEMA 1, 7, 9
- For use in hazardous locations:
Class I, Div. 1 & 2, Groups C, D
Class II, Div. 1 & 2, Groups E, F, G - UL listed explosion proof switch enclosure:
UL Listed, File #E14274.
CSA Certified , File #LR57324
ATEX/IEC EX Approved, File #KEMA 04ATEX2312X - Adjustable length trip rod
- Ample wiring space
- Knurled Mounting Bracket prevents slipping
- RoHS Compliant
NOTICE Before any work is done on the fire sprinkler or fire alarm system, the building owner or their authorized representative shall be notified.
Before opening any closed valve, ensure that opening the valve will not cause any damage from water flow due to open or missing sprinklers, piping, etc.
Important: This document contains important information on the installation and operation of valve supervisory switches. Please read all instructions carefully before beginning installation. A copy of this document is required by NFPA 72 to be maintained on site.
Description
The OSYSU-EX is designed to supervise the position of an Outside Screw & Yoke type gate valve in hazardous locations. The device mounts on the valve to monitor the rising stem. When properly mounted, the trip rod will be resting in a groove filed into the valve stem. When the valve stem begins to move, caused by closing the valve, the trip rod will be pushed out of the groove and activate the switch. To aid with installation the trip rod length is adjustable. This device features a UL listed explosion proof switch enclosure.
Testing
The operation of the OSYSU-EX and its associated protective monitoring system shall be inspected, tested, and maintained in accordance with all applicable local and national codes and standards and/or the Authority Having Jurisdiction (manufacturer recommends quarterly or more frequently). A minimum test shall consist of turning the valve wheel towards the closed position. The OSYSU-EX shall operate within the first two revolutions of the wheel. Fully close the valve and ensure that the OSYSU-EX does not restore. Fully open the valve and ensure that the OSYSU-EX restores to normal only when the valve is fully opened.
CAUTION
Close the valve fully to determine that the stem threads do not activate the switch. The switch being activated by the stem threads could result in a false valve open indication.
Technical Specifications
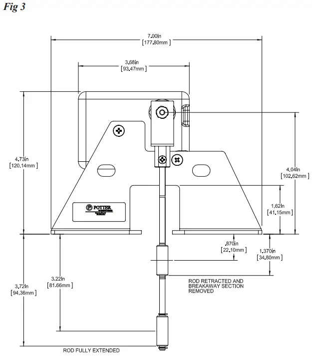
| Dimensions | See Fig. 3 |
| Weight | 2.62 lbs (0,97 kg) |
| Materials | Switch Enclosure – Aluminum Bracket/Mounting Bar – High Phosphorus Electroless Nickel Plated Steel Hardware – Stainless Steel |
| Contact Ratings | One set of SPDT 15 Amps at 125VAC .5 Amps at 125VDC Terminals accept up to 14AWG wire |
| Environmental Limitations | -40°F to 140°F (-40°C to 60°C) Class I, Div. 1 & 2, Groups C, D Class II, Div. 1 & 2, Groups E, F, G NEMA 1, 7, 9 For outdoor applications use model OSYSU-EX-O |
| Conduit Entrances | One 1/2”-14 NPT threaded entrance |
| Service Use | NFPA 13, 13D, 13R, 72 |
Specifications subject to change without notice
Small Valve Installation – 1/2” (12,5mm) Through 2 1/2” (63,5mm)

Small Valve Installation
NOTE: If the valve stem is pre-grooved at 1/8” minimum depth; proceed to step 7.
- Remove and discard “E” ring and roller from the trip rod.
- With the valve in the FULL OPEN position, locate the OSYSUEX across the valve yoke as far from the valve gland so that the spring loaded trip rod of the OSYSU-EX is pulled against the non threaded portion of the valve stem. Position the OSYSUEX with the bracket near the handwheel as shown in Fig. 1 if possible to avoid creating a pinch point between the wheel and the OSYSU-EX.
- Loosen the locking screw that holds the trip rod in place and adjust the rod length (see Fig. 3). When adjusted properly, the rod should extend past the valve screw, but not so far that it contacts the clamp bar. Tighten the locking screw to 5 in-lbs minimum to hold the trip rod in place.
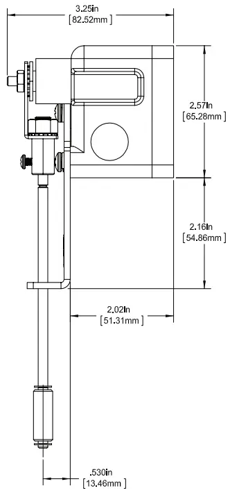
NOTE: If trip rod length is excessive, loosen the locking screw and remove the trip rod from the trip lever. Using pliers, break off the one (1) inch long notched section (see Fig. 4). Reinstall trip rod and repeat Step 3 procedure. - Mount the OSYSU-EX loosely with the carriage bolts and clamp bar supplied. On valves with limited clearance use J-hooks supplied instead of the carriage bolts and clamp bar to mount the OSYSU-EX.
- Mark the valve stem at the center of the trip rod.
- Remove the OSYSU-EX. Utilizing a 3/16” or 1/4” diameter straight file, file a 1/8” minimum depth groove centered on the mark on the valve stem. Deburr and smooth the edges of the groove to prevent damage to the valve packing and to allow the trip rod to move easily in and out of the groove as the valve is operated.
NOTE: A groove depth of up to approximately 3/16” can make it easier to install the OSYSU-EX so that it does not restore as it rolls over by the threads of the valve stem. - Mount the OSYSU-EX on the valve yoke with the spring loaded trip rod of the OSYSU-EX pulled against the valve stem and centered in the groove of the stem. If possible, position the OSYSU-EX, as shown in Fig. 1, to help avoid creating a pinch point between the wheel and OSYSU-EX.
- Final adjustment can be made by slightly loosening the two screws on the bracket and using the fine adjustment feature (see Fig. 1). The adjustment is correct when the switches are not activated with the trip rod seated in the valve stem groove and that the switches activate when the trip rod moves out of the groove (there is continuity between the COM and NO terminals on the switches).
- Tighten the adjustment screws and all mounting hardware securely (20 in-lbs minimum). Check to insure that the rod moves out of the groove easily and that the switches activate within two turns when the valve is operated from the FULL OPEN towards the CLOSED position.
- Reinstall the cover and tighten the cover screws.
CAUTION
Close the valve fully to determine that the stem threads do not activate the switch. The switch being activated by the stem threads could result in a false valve open indication.
Large Valve Installation – 3” Through 12” Sizes

Large Valve Installation
NOTE: If the valve stem is pre-grooved at 1/8” minimum depth; proceed to step 6.
- With the valve in the FULL OPEN position, locate the OSYSU-EX across the valve yoke as far from the valve gland so that the spring loaded trip rod of the OSYSUEX is pulled against the non threaded portion of the valve stem. Position the OSYSU-EX with the bracket near the handwheel as shown in Fig. 2 if possible to avoid creating a pinch point between the wheel and the OSYSU-EX.
- Mount the OSYSU-EX loosely with the carriage bolts and clamp bar supplied.
- Loosen the locking screw that holds the trip rod in place and adjust the rod length (see Fig. 3). When adjusted properly, the rod should extend past the valve screw, but not so far that it contacts the clamp bar. Tighten the locking screw to 5 inlbs minimum to hold the trip rod in place.
NOTE: If trip rod length is excessive, loosen the locking screw and remove the trip rod from the trip lever. Using pliers, break off the one (1) inch long notched section (see Fig. 4). Reinstall trip rod and repeat Step 3 procedure. - Mark the valve stem at the center of the trip rod.
- Remove the OSYSU-EX. Utilizing a 3/8” or ½” diameter straight file, file a 1/8” minimum depth groove centered on the mark on the valve stem. Deburr and smooth the edges of the groove to prevent damage to the valve packing and to allow the trip rod to move easily in and out of the groove as the valve is operated.
NOTE: A groove depth of up to approximately 3/16” can make it easier to install the OSYSU-EX so that it does not restore as it rolls over by the threads of the valve stem. - Mount the OSYSU-EX on the valve yoke with the spring loaded trip rod of the OSYSU-EX pulled against the valve stem and centered in the groove of the stem. If possible, position the OSYSU-EX as shown in Fig. 2, to help avoid creating a pinch point between the wheel and OSYSU-EX.
- Final adjustment can be made by slightly loosening the two screws on the bracket and using the fine adjustment feature (see Fig. 2). The adjustment is correct when the switches are not activated with the trip rod seated in the valve stem groove and that the switches activate when the trip rod moves out of the groove (continuity between COM and NO terminals on the switches).
- Tighten the adjustment screws and mounting hardware securely (minimum 20 in-lbs). Check to insure that the rod moves out of the groove easily and that the switches activate within two turns when the valve is operated from the FULL OPEN towards the CLOSED position.
- Reinstall the cover and tighten the cover screws.
CAUTION
Close the valve fully to determine that the stem threads do not activate the switch. The switch being activated by the stem threads could result in a false valve open indication.
Dimensions



Customer Service
Potter Electric Signal Company, LLC •
St. Louis, MO •
Tech Support: 866-956-0988
Customer Service: 866-572-3005 •
www.pottersignal.com



















