POTTER PS120 (VdS) Supervisory Pressure Switch

Models:
- PS120-1 (VDS)
- PS120-2 (VDS)
Service Use
- Automatic Sprinkler NFPA-13
- One or two family dwelling NFPA-13D
- Residential Occupancy up to four stories NFPA-13R
- National Fire Alarm Code NFPA-72
Installation
The Potter PS120 Series Supervisory Pressure Actuated Switches are designed primarily to detect an increase and/or decrease from normal system pressure in automatic fire sprinkler systems. Typical applications are: Wet pipe systems with excess pressure, pressure tanks, air supplies, and water supplies. The PS120 switch is factory set for 8,3 BAR (120 PSI) normal system pressure. The switch marked with the word LOW is set to operate at a pressure decrease of 0,7 BAR (10 PSI) at 7,6 BAR (110 PSI). The switch marked with the word HIGH is set to operate at a pressure increase of 0,7 BAR (10 PSI) at 9 BAR (130 PSI). See section heading Adjustments and Testing if other than factory set point is required.
- Connect the PS120 to the system side of any shutoff or check valve.
- Apply Teflon tape to the threaded male connection on the device. (Do not use pipe dope)
- Device should be mounted in the upright position. (Threaded connection down)
- Tighten the device using a wrench on the flats on the device.
Wiring Instructions
- Remove the tamper resistant screw with the special key provided.
- Carefully place a screwdriver on the edge of the knockout and sharply apply a force sufficient to dislodge the knockout plug. See Fig. 9
- Run wires through an approved conduit connector and affix the connector to the device. A NEMA-4 rated conduit fitting is required for outdoor use.
- Connect the wires to the appropriate terminal connections for the service intended. See Figures 2,4,5,6, and 8. See Fig. 7 for two switch one conduit wiring.
Adjustment And Testing
The operation of the supervisory pressure switch should be tested upon completion of installation and periodically thereafter in accordance with the applicable NFPA codes and standards and/or the authority having jurisdiction (manufacturer recommends quarterly or more frequently). Note: Testing the PS120 may activate other system connected devices. The use of a Potter BVL (see product bulletin 8900067 for details) is recommended to facilitate setting and testing of the PS120 pressure switch. When a BVL (bleeder valve) is used, the pressure to the switch can be isolated and bled from the exhaust port on the BVL without effecting the supervisory pressure of the entire system. See Fig. 3
The operation point of the PS120 Pressure Switch can be adjusted to any point between 1,7 – 12,1 BAR (25 and 175 PSI) by turning the adjustment knob(s) clockwise to raise the actuation point and counter clockwise to lower the actuation point. In the case of the PS120-2, both switches operate independent of each other. Each switch may be independently adjusted to actuate at any point acrosss the switch adjustment range. Initial adjustment can be made with a visual reference from the top of the adjustment knob across to the printed scale on the switch bracket. Final adjustments should be verified with a pressure gauge.
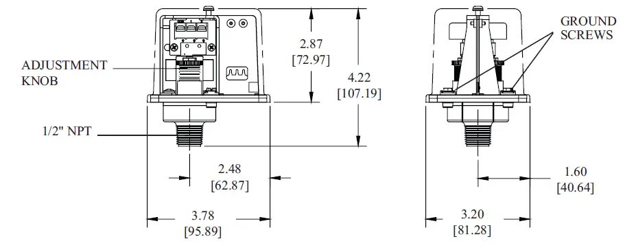
Dimensions
Fig. 1

NOTE: To prevent leakage, apply Teflon tape sealant to male threads only.
Switch Clamping Plate Terminal
Fig. 2

Warning
An uninsulated section of a single conductor should not be looped around the terminal and serve as two separate connections. The wire must be severed, thereby providing supervision of the connection in the event that the wire becomes dislodged from under the terminal.
Typical Sprinkler Applications
Fig. 3
Caution
Closing of any shutoff valves between the alarm check valve and the PS10 will render the PS10 inoperative. To comply with IBC, IFC, and NFPA-13, any such valve shall be electrically supervised with a supervisory switch such as Potter Model RBVS.
Typical Connections
Fig. 4
Low Pressure Signal Connection
Fig. 5

High Pressure Signal Connection
Fig. 6
One Conduit Wiring
Fig. 7
Break out thin section of divider to provide path for wires when wiring both switches from one conduit entrance.
Changing Pressure (With normal system pressure)
Fig. 8
Terminal
C: Common
- Closed when installed under normal system pressure.
- Open when installed under normal system pressure. Closes on pressure drop. Use for low air signal.
LOW PRESSURE SWITCH

Terminal
- Open when installed under normal system pressure. Closes on increase in pressure. Use for high air signal.
- Closed under normal system pressure.
HIGH PRESSURE SWITCH

Removing Knockouts
Fig. 9
Warning
- Installation must be performed by qualified personnel and in accordance with all national and local codes and ordinances.
- Shock hazard. Disconnect power source before servicing. Serious injury or death could result.
- Read all instructions carefully and understand thembefore starting installation. Save instructions for future use.
- Failure to read and understand instructions could result in improper operation of device resulting in serious injury or death.
- Risk of explosion. Not for use is hazardous locations. Serious injury or death could result.
Engineer/Architect Specifications Pressure Type Waterflow Switch Pressure type supervisory switches; shall be a Model PS120 as manufactured by Potter Electric Signal Company, St. Louis, MO., and shall be installed on the fire sprinkler system as shown and or specified herein.
Switches shall be provided with a ½” NPT male pressure connection to be connected into the air supply line on the system side of any shut-off valve.
A Model BVL bleeder valve as supplied by Potter Electric Signal Company of St. Louis, MO., or equivalent shall be connected in line with the PS120 to provide a means of testing the operation of the supervisory switch. (See Fig. 3)
The switch unit shall contain SPDT (Form C) switch(es). One switch shall be set to operate at a pressure decrease of 0,7 BAR (10 PSI) from normal. If two switches are provided, the second switch shall be set to operate at a pressure increase of 0,7 BAR (10 PSI) from normal.
CAUTION
- Do not tighten by grasping the switch enclosure. Use wrenching flats on the bushing only. Failure to install properly could damage the switch and cause improper operation resulting in damage to equipment and property.
- To seal threads, apply Teflon tape to male threads only. Using joint compounds or cement can obstruct the pressure port inlet and result in improper device operation and damage to equipment.
- Do not over tighten the device, standard piping practices apply.
- Do not apply any lubricant to any component of the pressure switch.
Switch contact shall be rated at 10.1 Amps at 125/250VAC and 2.0 Amps at 30VDC. The units shall have a maximum pressure rating of 20,68 BAR (300 PSI) and shall be adjustable from 1,7 to 12,1 BAR (25 to 175 PSI).
Pressure switches shall have two conduit entrances, one for each individual switch compartment to facilitate the use of dissimilar voltages for each individual switch.
The cover of the pressure switch shall be zinc die-cast with rain lip and shall attach with one tamper resistant screw. The pressure switch shall be suitable for indoor or outdoor service with a NEMA-4/IP66 rating.
The pressure switch shall be UL, ULC, and CSFM listed, FM and LPC approved and NYMEA accepted.
Ordering Information
Model : Description : Stock No.
- PS120-1 Pressure switch with one set SPDT contacts 1320051
- PS120-2 Pressure switch with two sets SPDT contacts 1320061 Hex Key 5250062
Cover Tamper Switch Kit 0090200 - BVL Bleeder valve 1000018
MFG. #5401169 – REV b
firealarmresources.com



















