POTTER PTS-C Plug Type Supervisory Switch Owner’s Manual
UL and cUL Listed, FM Approved, CSFM Listed, NYMEA Accepted
- Dimensions:
7″ L x 3.75 W x 3″ D (including bracket) (17,7 cm x 9,5 cm x 7,6 cm) - Weight:
13.6 oz. (385,5 g.) - Enclosure:
Non-Corrosive Composite Material - Environmental Limitations:
- NEMA 4 and NEMA 6P rated enclosure when proper electrical fi ttings are used. (IP67)
- Temperature range: -40° F to 140° F (-40° C to 60° C)
- Housing Cover Tamper:
Activated by housing cover removal - Contact Ratings:
- SPDT Plug Contacts: 100 mA at 28 VDC/AC 250 mA at 12 VDC/AC
- SPDT Cover Tamper: 250 mA at 28 VDC/AC
- Cable:
2-wire, 18 Ga. Waterproof – Approx. 8′ (2,43m) long
General
The Model PTS-C is designed to supervise sprinkler system control valves and may also be used to secure gates and other applications. This unit is particularly useful for unusual conditions, such as non-rising stem valves.
Nema 6P enclosure allows the device to be mounted outdoors, even in areas subject to fl ooding such as pits and wells. Sealed reed switch operation virtually eliminates contact corrosion.
Turning the valve wheel will pull the plug out of the receptacle. The plug cannot be reinserted after operation until the plug receptacle cover is removed with the special hex key provided. This key should be left with the building owner or responsible party. Replacement or additional cover tamper screws and hex keys are available. For cover tamper screws, orderstock no. 5490344. For hex key, order stock no. 5250062.
Installation
Insert plug into housing, take the loose end of the cable and loop it through the valve handle and into the housing. Adjust the length of cable so the plug must be pulled from the housing when the valve isclosed. Cut off excess cable and terminate on the plug terminals of the PC board. Do not leave more than 2″ (50mm) of excess wiring in the housing. Dress wires to outside edge of housing so as not to interfere with cover tamper.
Wire Checkout
With the plug wired to the two P terminals and the plug inserted fully into the receptacle, place an ohmmeter across the C and N.O. terminals. The meter will show Open. Unplug the plug from the receptacle. The meter will show continuity.
Note: The two P terminals will always show continuity when the plugis connected regardless of whether the plug is inserted or not. The cover tamper switch can be wired into the plug circuit or wired as a separate circuit. (See wiring diagrams.)
Testing
The PTS-C and its associated protective monitoring system should be tested in accordance with applicable NFPA codes and standards and/or the authority having jurisdiction (manufacturer recommends quarterly or more frequently)
Caution
Be sure valve is fully open before restoring PTS-C.
WARNING
As Stipulated By Factory Mutual And Underwriters Laboratories
This unit is not intended or designed for ordinary use. It is a special application device to be used for unusual conditions such as non-rising stem gate valves where no other approved or listed method of protection is available or practical. As this unit does not meet NFPA codes and standards, requiring restoration signal when the valve is positioned to normal, special attention should be given by the responsible parties to assure that the proper operation of this device is maintained. This device should only be restored tonormal when the valve is in the normal condition.
Typical Installation
Non-rising Stem Valve
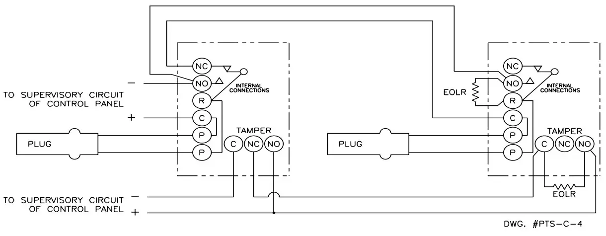
Wiring Diagrams
Plug and Cover Tamper Wired To Same Circuit
Note: The two P terminals will always show continuity when the plug is connected regardless of whether the plug is inserted or not.
FOR SINGLE DEVICE
FOR MULTIPLE DEVICES
Plug And Cover Tamper Wired To Separate Circuits
FOR SINGLE DEVICE
FOR MULTIPLE DEVICES
Support
Potter Electric Signal Company, LLC
- 2081 Craig Road, St. Louis, MO, 63146-4161
- MFG. #5401078 – REV J 5/08
- Phone: 800-325-3936/Canada 888-882-1833
- www.pottersignal.com
![]()



















