
DPS-50
DIFFERENTIAL PRESSURE SWITCH

Stock number 9000100
CAUTION
This device is not intended for applications in explosive environments.
UL Listed and CSA Approved
Maximum Rated Pressure: 250 PSI
Maximum Working Pressure: 180 PSI
Pressure Connections: Brass 1/4-18 NPT Female
Adjustable Differential Pressure Range:
8-50 PSID (Increasing Differential Pressure)
Factory Setting: 20 PSID (Increasing Differential Pressure)
Differential Proof Pressure: 180 PSID
(Maximum allowable pressure difference across high/low pressure ports.)
Enclosure: NEMA Type 1 (For indoor use only) Formed sheet metal with powder coat finish. (Not for use in hazardous locations.)
Switch Contacts:
Snap-Action SPDT (Form C) Switch
22 Amps at 125/250/480 VAC
Conduit Entrance: Opening for 1/2″ conduit
Motor Rating: 120VAC 240VAC
Horsepower: 1/2 1
AC F.L.A.: 9.8 8.0
AC L.R.A.: 58.8 48.0
Pilot Duty Rating: 125VA, 120/240 VAC
Ambient Temperature Range: -40°/180° F (-40°/82°C)
Media Temperature Range: 32°/250° F (0°/121°C)
General
The Model DPS-50 is a differential pressure switch used to monitor the difference in pressure between two pressure sources. A change in pressure between the high and low pressure ports greater than the differential pressure setting (8-50 PSID range) will reposition the switch mechanism to open or close a single electrical circuit by means of a snap-action electrical switch. This control device is designed for applications sensing air, water or any fluid not harmful to brass or silicone and not classified as a hazardous fluid.
This control device is designed for use only as an operating control. Where an operating control failure would result in personal injury and/or loss of property, it is the responsibility of the installer to add devices (safety, limit controls) that protect against, or systems (alarm, supervisory systems) that warn of control failure.
Mounting And Installation
The Model DPS-50 may be mounted in any position on a flat surface by two screws or bolts through the holes in back of the case, or by use of the universal mounting bracket in an area protected from the weather. Locate switch where vibration, shock and ambient temperature fluctuations are mimimal. Be sure to connect the high pressure source to the port labeled “HIGH” and the low pressure source to the port labeled “LOW”.
To avoid damage to the control, always hold a wrench on the wrench flats of the pressure ports when tightening pressure connections. Never tighten the pressure connections by turning the control into the fitting.
Fig. 1

DWG. #1034-1
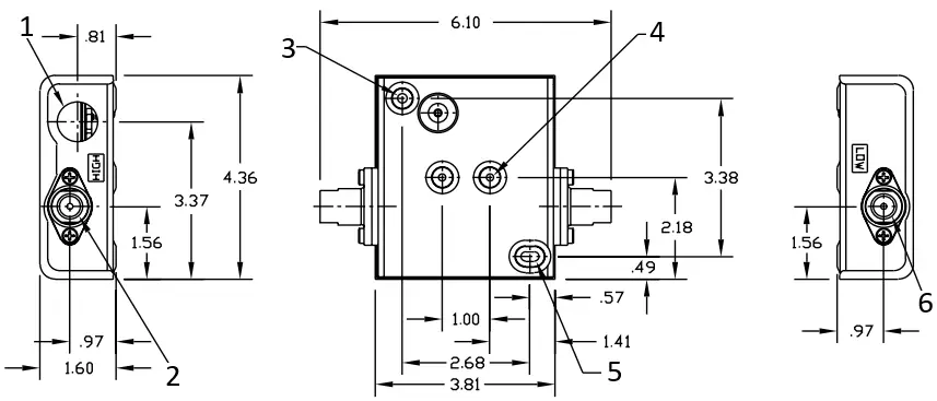
- Ø.88 HOLE FOR 1/2′ CONDUIT ENTRANCE
- 1/4-18 NPT FEMALE ‘HIGH” PRESSURE CONNECTION
- Ø.200 MOUNTING HOLE
- (2) #10-32 TAPPED HOLES FOR MOUNTING BRACKET
- .380 X .200 MOUNTING HOLE
- 1/4-18 NPT FEMALE “LOW’ PRESSURE CONNECTION
Wiring
Use properly rated temperature supply wire for the anticipated service temperature.
Make all electrical connections in accordance with the National Electrical Code and local regulations.
Route wire under switch bracket to avoid interfering with switch actuation mechanism. (See Fig. 3)
Fig. 2

- SWITCH ACTION ON DIFFERENTIAL PRESSURE DECREASE
- SWITCH ACTION ON DIFFERENTIAL PRESSURE INCREASE
Adjustments
The differential pressure operating point of the switch can be adjusted to any point between 8 and 50 PSID by using the “sight-set” calibrated scale and turning the adjustment knob to the left to raise the differential pressure actuation point, and turning to the right to lower the differential actuation point. The scale is calibrated for increasing differential pressure settings. The repeatability of the set operating pressure is typically ±1% of the differential pressure range (±.5 PSI). The change in set operating pressure due to change in ambient temperature is typically less than 1% (based on the differential pressure range) per 50°F. For best setting accuracy, make the final adjustment with a pressure gauge and the actual working pressure encountered in the application.
| Adjustable Differential range (PSID) | Typical Deadband (PSI) (Differential Change to Reset) | |||
| Decreasing Differential Pressure | Increasing Differential Pressure | |||
| Minimum | Maximum | Minimum | Maximum | |
| 6 | 44 | 8 | 50 | 2-6 |
Fig. 3

- 1/4 -18 NPT FEMALE “LOW” PRESSURE CONNECTION
- ROUTE WIRE UNDER SWITCH BRACKET TO AVOID INTERFERING WITH SWITCH ACTUATION MECHANISM
- SNAP-ACTION SPDT SWITCH
- GROUND SCREW
- .88 DIA HOLE FOR 1/2″ CONDUIT CONNECTION
- 1/4 -18 NPT FEMALE “HIGH” PRESSURE CONNECTION
- DIFFERENTIAL PRESSURE SETTING ADJUSTMENT. TURN KNOB TO THE LEFT TO RAISE THE DIFFERENTIAL PRESSURE ACTUATION POINT AND TURN THE KNOB TO THE RIGHT TO LOWER THE DIFFERENTIAL PRESSURE ACTUATION POINT
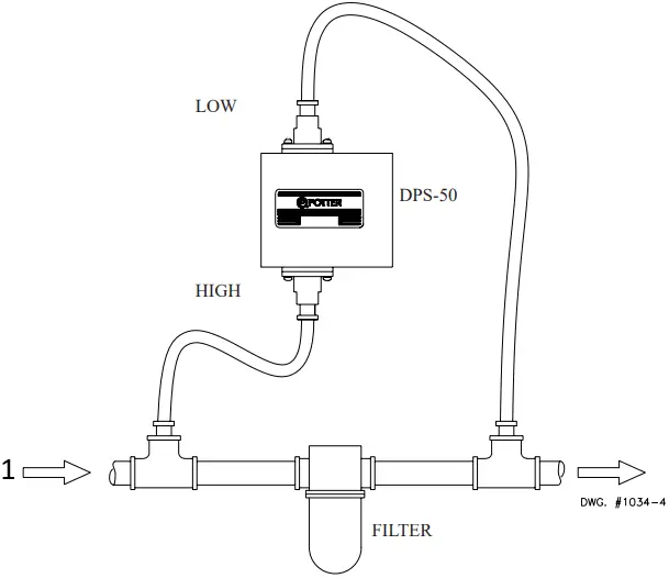
Proof Of Flow Application In A Water Chiller System
On a proof of flow application in a water chiller system, if ice builds up inside water chiller, or if tubes become restricted, differential pressure across chiller increases. Differential pressure switch Model DPS-50 senses the differential pressure increase and actuates an alarm or signal light.

- INLET SUPPLY WATER CONNECTED TO HIGH PRESSURE CONNECTION OF THE DPS-50
- OUTLET EXHAUST WATER CONNECTED TO LOW PRESSURE CONNECTION OF THE DPS-50
Potter Model DPS-50 Monitors Condition Of Pipeline Liquid Filter
In a typical liquid filter installation, a clean filter element will have a rated pressure drop for a given operating line pressure and rate of flow. As the filter accumulates particulate, the resistance to flow increases and the pressure drop increases until the level is reached when the filter element must be cleaned or replaced. Differential pressure switch Model DPS-50 senses the differential pressure increase and actuates an alarm or signal light.

- DIRECTION OF FLOW
PRINTED IN USA MFG. #5401034 – REV D


















