1130 and 1140 Differential Pressure Gauge/Switch
Instruction Manual
1130 and 1140 Differential Pressure Gauge/Switch

For proper operation of your gauge, please read all instructions carefully before installing.
CAUTION: Do not exceed maximum operating pressure given on the gauge label. Check fluid compatibility with wetted parts before use. Minor leakage past the Teflon seal is possible. “High” and low media must be compatible.
LIABILITY
The liability of the manufacturer is null and void in case of damage caused by incorrect use, failure to comply with manufacturer’s instructions, failure to comply with local accident prevention safety laws and the handling by untrained personnel.
OPERATING PRINCIPLE
High and Low pressures are separated by a sensor assembly consisting of a magnet, diaphragm and a range spring. The difference in pressure causes the sensor assembly to move in proportion to the change against a range spring.
A rotary magnet, located in a separate body compartment and isolated from the acting pressures is rotated by a magnetic coupling following the linear movement of the sensor assembly. A pointer attached to the rotary magnet indicates differential pressure on the dial.
SWITCH: Reed switches (optional) are located adjacent to the pressure chamber and are activated by the magnetic field of the sensor assembly.
Note: The gauges are calibrated to give ±2% full scale accuracy on ascending readings.
INSTALLATION
For better performance the gauge should be mounted horizontally with the dial vertical. Two mounting holes should be used for mounting (when applicable). Select instrument location where it is not subjected to heavy vibration or shock. Depressurize the system and connect the high and low pressure lines of your system to the “High”
and “Low” ports of the gauge, respectively. It is recommended for tapered threads to use thread sealant tape and for parallel threads it is recommended to use “O” rings with male connectors to avoid excessive tightening and to prevent leakage. The gauge is now ready for operation. Apply “High” and “Low” pressures simultaneously, to avoid damage to the internal parts.
Models 1130 & 1140 consists of a piston type mechanism to sense the pressure difference. It can withstand maximum operating pressure up to 3000 psi for all ranges (6000 psi for stainless steel). If pressure exceeds the rated maximum pressure, damage will occur to “O” rings used on male connectors, and the Teflon seal inside the pressure chamber. If maximum operating pressure is within the allowable limit of 3000 psi (6000 psi for stainless steel), but the differential pressure exceeds gauge range, there will be no damage to the gauge. The pointer will only go to the extreme right end of the scale and will reset with a reduction in pressure.
PRECAUTIONS
Do not connect “High” and “Low” ports incorrectly. Do not subject the gauge to excessive vibration. The gaugeis never to be used in an area where a magnetic field is present as it may show the wrong readings.
As the gauge works on a magnetic coupling principle, use only non-magnetic fittings, parts, etc. in areas closer than 2˝ on all sides, otherwise calibration will be affected. Panel
mounted gauges should be installed in non-ferrous panel material. However, gauges with 2˝ and 2.5˝ dials, mounted in steel panels, may require pointer adjustment. This is done by the manufacturer, upon request.
Do not try to open any part of the gauge for any reason as calibration will be affected.
SWITCH SETTING
Please follow these instructions when your differential pressure gauges are supplied with a switch. The switches are normally factory set to save time the customer time. However, they are field adjustable.
CAUTION: Supply voltage should not exceed switch rating. For higher supply, adding a relay is recommended.
SWITCH ADJUSTMENT
The following procedure must be done by putting the gauge on a test bench or while in actual service. The switch adjustment screw is located on the plastic cover. Rotate the screw counter clockwise to increase the setpoint and clockwise to decrease the setpoint. One or two trials may be necessary to attain the exact setpoint.
*Teflon TM of duPont
View from high pressure side
See datasheet at www.ashcroft.com for basic dimensional details.
| SPST SWITCH Specifications Contact Rating : 10 VA ac (rms) or dc (max) Switching Current : 0.5 Amp ac (rms) or dc (max) Switch Voltage : 100 Vac/Vdc (max) | |
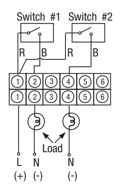
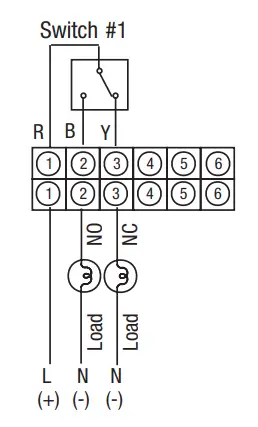
| ONE SPST SWITCH Reed Switches and Terminal Strip Connection | TWO SPST SWITCHES Reed Switches and Terminal Strip Connection |
![]() | ![]() |
| Reed Switches and DIN Plug Connection View of socket for supply connections | Reed Switches and DIN Plug Connection View of socket for supply connections |
![]() | ![]() |
View of plug after removing the socket![]() | View of plug after removing the socket![]() |
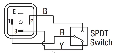
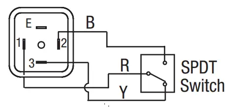
R = Red; B = Black; Y = Yellow; L = Live or + Supply; N = Neutral or – Supply.
| SPDT SWITCH Specifications Contact Rating : 3 VA ac (rms) or dc (max) Switching Current : 0.3 Amp ac (rms) or dc (max) Switch Voltage : 30 Vac/Vdc (max) | |
| ONE SPDT SWITCH Reed Switches and Terminal Strip Connection | TWO SPDT SWITCHES Reed Switches and Terminal Strip Connection ![]() |
![]() | |
| Reed Switches and DIN Plug Connection View of socket for supply connections ![]() | |
| View of plug after removing the socket | |
![]() | |
Body to be suitably grounded while using gauge + switch and only switch.
© Ashcroft Inc., 250 East Main Street, Stratford,
CT 06614-5145, USA, Tel: 203-378-8281
, Fax: 203-385-0357,
www.ashcroft.com
All sales subject to standard terms and conditions of sale.
1130_1140_gauge_I&M_RevA_Ltr_04/19



























