ARSCROFT GC35 Heavy-Duty Digital Pressure Sensor

WARNING! READ BEFORE INSTALLATION
- GENERAL:
A failure resulting in injury or damage may be caused by excessive overpressure, exces-sive vibration or pressure pulsation, excessive instrument temperature, corrosion of the pressure containing parts, or other misuse. Consult Ashcroft Inc., Stratford, Connecticut, USA before installing if there are any questions or concerns. - OVERPRESSURE:
Pressure spikes in excess of the rated overpressure capability of the transducer may cause irreversible electrical and/or mechanical damage to the pressure measuring and containing elements.
fluid hammer and surges can destroy any pressure transducer and must always be avoided. A pressure snubber should be installed to eliminate the damaging hammer effects. Fluid hammer occurs when a liquid flow is suddenly stopped, as with quick closing solenoid valves. Surges occur when flow is suddenly begun, as when a pump is turned on at full power or a valve is quickly opened.
liquid surges are particularly damaging to pressure transducers if the pipe is originally empty. To avoid damaging surges, fluid lines should remain full (if possible), pumps should be brought up to power slowly, and valves opened slowly. To avoid damage from both fluid hammer and surges, a surge chamber should be installed.
Symptoms of fluid hammer and surge’s damaging effects:
- Pressure transducer exhibits an output at zero pressure (large zero offset).
- Pressure transducer output remains constant regardless of pressure
- In severe cases, there will be no output.
- FREEZING:
Prohibit freezing of media in pressure port. Unit should be drained (mount in vertical position with electrical termination upward) to prevent possible overpressure damage from frozen media.
- STATIC ELECTRICAL CHARGES:
- Any electrical device may be susceptible to damage when exposed to static electrical charges. To avoid damage to the transducer observe the following:
- Ground the body of the transducer BEFORE making any electrical connections.
- When disconnecting, remove the ground LAST!
Note: The shield and drain wire in the cable (if supplied) is not connected to the transducer body, and is not a suitable ground.
SPECIFICATIONS
PERFORMANCE SPECIFICATIONS Optional Analog Output (4-20mA):
- Accuracy ±1.0% FS (Accuracy includes the effects of Linearity, Hysteresis and Repeatability)
- Response Time: 30msec–10 sec (by user)
- Output Resolution: ±0.05 FS
- Analog Scaling: User may configure analog output scaling to any range within –100 to 150% Full Scale of sensor range.
- Pressure Switch Output:
- Type: NPN or PNP Open Collector up to 80mA
- Setting Accuracy: ±1.0% FS
- Response Time: 5msec–10 sec (by user)
- Hysteresis: Variable (by user)
- Switch Setting: User may adjust switch actuation and deadband to any points within Full Scale sensor range
- Display:
- Type: 4 digit, 8mm LED
- Accuracy: ±1.0% FS (URL) + last digit
- Response Time: 200msec–10 sec (by user)
- Display Setting: User may re-configure display scaling, set to capture MIN or MAX value and adjust display update rate
- LED Ring: 3 color emmisions (red, green, blue)
- Standard Ranges (Gauge):
- 0 to 50psig, 100psig, 150psig, 300psig, 500psig, 1000psig, 1500psig, 3000psig, 5000psig, 7500psig
- Standard Ranges (Compound):
- 5 to 75psig, –15 to 150psig, –15 to 300psig, ENVIRONMENTAL SPECIFICATIONS Temperature Limits:
- Storage: –20 to 70ºC (–4 to 158°F) Operating: –20 to 70ºC (–4 to 158°F) Compensated: –20 to 70ºC (–4 to 158°F) Temperature Effects:
- Zero and Span ±0.1% FS/ºC (from 23°C reference temperature)
- Humidity: Non-Condensing
- 0 to 85% RH (Ranges 150 psi and below), 0 to 100% RH (Ranges 300 psi and above) FUNCTIONAL SPECIFICATIONS
- Proof Pressure: 4X Range (Ranges 1500psi and below)
- 2.5X (Ranges 3000psi and above)
- Burst Pressure: 10X Range (Ranges 1500 psi and below)
- 5X Range (Ranges 3000 psi and Below), 3X Ranges (Ranges 5000 psi and above) Withstand Voltage: 350Vac 1 minute
- Insulation Voltage: 50Vdc, 100M min
- CE Compliance: EN61326-1 2006, EN61326-2-3 2006
- EU RoHS Compliance
- Stabiity: ±0.25% FS/Year
ELECTRICAL SPECIFICATIONS
- Power Supply Requirements:
- Supply Voltage: 16-36Vdc (with Analog Output Option) Supply Voltage: 11-36Vdc (Switch Output Version Only) Current Consumption: 50mAdc (max)
- Switch Contacts: User selectable NPN (default) or PNP Open Collector Outputs
- NPN Type: 30Vdc/80mA (max)
- PNP Type: supply voltage 80mA (max), Voltage drop 1 Vdc (max)
MECHANICAL SPECIFICATIONS
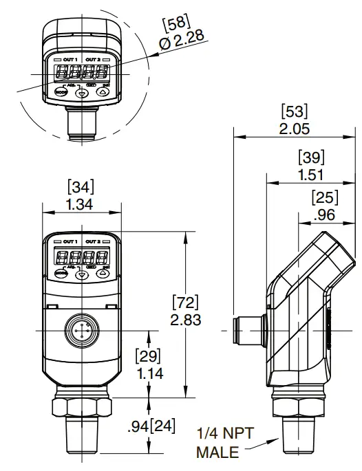
- Pressure Connection: 1⁄4 NPT (Male)
- Connection Location: Lower, Back
- Enclosure: Nickel Plated Aluminum
- Rating: IP67 (Ranges 300 psi and above); IP65 (Ranges 150psi and below)
- Electrical Connection: M12 Connector (4 pin)
- Weight: Approx. 150 grams
- Media: Fluids and gases compatible with 316SS (sensing housing) and 17-4 pH SS (sensor diaphragm)
PRODUCT DIMENSIONS
lower Connect
Back Connect
M12
3ft cable (straight) with M12 connector drawing 611C175-03* (90° right angle)
NOTE: Consult factory for alternative cable lengths made to order
INSTALLATION
- Install in a location where vibration and shock can be minimized and without direct sunlight on the display and care should be taken to locate the product in compliance with IP65 (150 psi and below) or IP67 (300 psi and above) environmental rating.
- Pressure Port Connections 1⁄4 NPT male 11⁄2 turns past hand tight.
WIRING:
Cable Color
- Red Power (+)
- Black Open Collector Output OUT 1
- White Open Collector Output OUT 2 / analog output
- Green Power (−)
- Silver Shielded Ground
- Clear Vent Tube
| WIRING PINOUT | TERMINAL NUMBER | Pin 611C175 Cable Wiring Color | |||
| 2 Switch (No 4-20mA) | 1 Switch Analog Output | ||||
![]() | 1 | Power (+) | Power (+) | RED | |
| 2 | OUT2 | Analog (+) Output | WHITE | ||
| 3 | Power (–) | Power (–) | GREEN | ||
| 4 | OUT1 | OUT1 | BLACK | ||
NOTE: Mount M12 connector pins face on with electrical mating cable. Do NOT turn or pull on connector to prevent damage to unit.
NPN Type Switch Function (Wiring to Relay)
NPN Type Switch Function (Wiring to Photo Coupler)
NPN Type Switch Function (Voltage Output)
PNP Type Switch Function (Wiring to Relay)
PNP Type Switch Function (Wiring to Photo Coupler)
PNP Type Switch Function (Voltage Output)
Analog Output Wiring
NOISE PREVENTION
Power Supply
The pressure display can fluctuate and provide incorrect output if noise is present in the power supply/wires. Care should be taken to keep the GC35 power supply wires from high voltage lines and use a power line with a high noise rejection ratio.
STORAGE
Store in a location in compliance with the environmental rating of the unit and within –20 to + 70°C (–4 to 158°F). Avoid direct exposure of the display to Sunlight.
MAINTENANCE
Although this is a solid state device, it is recommended that a visual inspection be conducted twice a year along with regular zero adjustment if necessary.
MENU NAVIGATION
Functions
Please Note: Do not use sharp objects to press the keys as this can puncture and damage the panel.
Pressing the MODE key for 3 seconds displays “_ _ _”. To return to measurement mode, the “_ _ _” display will flash when 3 seconds have passed.
FUNCTION SETTING MODE
Setup Steps
Pressing the MODE key greater than 3 seconds will display Function Setting Mode. Scroll through appropriate displays and select the feature to change/confirm. LED ring will flash until this menu is exited to the Measurement Mode by holding the MODE key for more than 3 seconds. The setting mode is used to select comparator operation, pressure unit, indication scaling, scaling of analog output, and filter time constant.
Note: Editing the setting value in function setting mode recalculates all of the setting values including the comparator. Please note that when the recalculated setting values are out of the display range, they will be adjusted to the upper or lower limit value that can be processed internally.
Function Setting Notes
Comparator Operation Selection
For the unit equipped with two comparator output options, both comparators will be in the same operation mode.
Filter Setting
The GC35 is equipped with 5 internal time-constant filters. Use of the function is recommended when measuring transient pressure sources such that display, comparator output, and analog output do not stabilize. The selected time constant filter is reflected on the comparator/analog output as well.
Energy-Saving Mode Setting
The unit is equipped with automatic display turn-off feature. If user wishes to turn-on the display only when reading the display, or to use the unit mainly for an electrical output reading, this fea-ture can be used.
LED Ring Operation Setting

- LED ring is off.(no linkage)
- LED ring turns Red when comparator 1 is ON, and turn Blue or Green when OFF.
- LED ring turns Red when comparator 2 is ON, and turn Blue or Green when OFF. (Feature is only available for 2 comparator output option)
- LED ring turns Red when comparator 1 or 2 is ON, and turns Blue or Green when OFF. (Feature is only available for 2 comparator output option)
- (LED Ring: Blue when OFF: NPN output selected. Green when OFF: PNP output selected)
Indication Scaling
In (Display setting), when (indication scaling) is selected, arbitrary scaling value, based on the applied pressure, can be displayed on the unit. This feature can scale the display value based on the minimum and maximum pressures within the rated pressure range, and will not affect the analog or switch output.
Decimal Point Placement

- No decimal point
- One digit after the decimal point
- Two digits after the decimal point
- Three digits after the decimal point
- Analog Output Scaling (This menu is not available for 2 comparators option)
- This function sets analog output for pressures corresponding to zero point (4mA dc) and span point (20mA DC) in percentage figures (When pressure range is set to 0.0~100.0%F.S.)
- Analog output under zero point pressure
- After
is displayed for one second, current analog output under zero point (4mAdc) value in percentage figure (When pressure range is set to 0.0~100.0%F.S.) is displayed. Use
key or
key to set pressure value in percentage figure. - Analog output under span point pressure After
is displayed for one second, current analog output under span point (20mAdc) value in percentage figure (When pressure range is set to 0.0~100.0%F.S.) is displayed. Use
key or
key to set pressure value in percentage figure. - Example 1)

- Example 1) Pressure range 0.00~1450 psi (0.0~100.0%F.S.) corresponding to analog output of 4~20mA dc is scaled to pressure range 0.00~1,423 psi (0.0~98.1%F.S.) corresponding to analog output 4~20mA dc
Key to select Initial value (No change in this example)
Key to select- Pressure value for analog output zero point:
- Pressure value for analog output span point:

- Example 2)

- Example 3)

COMPArATOr SwITCH SeTTING MODe / lOOP CHeCK MODe Setup Steps
- Pressing the MODE key for less than 3 seconds will display a message within the Comparator
- Setting/Loop Check Mode. Scroll through appropriate displays and select the feature to change/confirm.
- LED ring will flash until this menu is exited to the Measurement Mode by holding the MODE key for more than 3 seconds.

- In “Comparator setting mode,” user can change settings on the comparator outputs provided by the unit. (Two comparator outputs or one for analog output unit are provided). The available selec-tions of this mode varies based on the selections made in Function setting mode and comparator output type selection. For the unit provided with two comparator outputs, settings of each output can be done independently with the exception of the operation mode.
- Hysteresis Mode
Settings of comparator operation point (A) and comparator operation point (b) - Window Comparator Mode
Settings of comparator operation point (A) and dead band (b) - For operation points (A & B) setting, it is fixed at 1 %F.S. in the comparator OFF direction (win-dow comparator mode).
- Also, as common parameters between each operation mode, comparator ON time delay and comparator OFF time delay can be selected in the range of 0.00~2.00 seconds.
- Loop check mode allows the user, without actually applying pressure to the unit, to vary pres-sure display value by using
key or
key. As a result, comparator(s) and analog outputs will vary based on the pressure display value chosen. This function allows the user to confirm outputs or output settings manually. This function is also useful in checking proper wiring and other simulations. - Comparator 1: Use/No Use
- If the comparator 1 was set to No use, LED (OUT1) will turn off
- Comparator 2: Use/No Use
- Only available with two comparators LED (OUT2) will turn off when comparator 2 is set to No Use.
- Comparator Setting Point A & b
- In case comparator 1 is disabled, this menu is not available. Only available with two comparator option.
Note: When setting the dead band (b) in “Hysteresis”, if the set value is too small, there is a risk of chattering occurring. Be careful when setting dead band (b). For dead band (b), it is recom-mended that a value greater than 1%FS of pressure range is selected. - Note: When the deadband (b) in “hysteresis” is set to negative, comparator is ON at low point (A) and OFF at high point (A)–(b).
Note: Comparator output setting values are checked and recalculated when a setting related to comparator operation is altered in order to prevent any inconsistencies in comparator opera-tion. The comparator’s output setting value is recalculated, if the calculation result is beyond setting range and the comparator output setting value will be changed automatically so that it will be within the setting range. Possible calculated error of ±1digit may be observed at comparator output setting values when the comparator output setting value is recalculated. - Comparator ON/OFF delay time
In case comparator 1 is disabled, this menu is not available. - Comparator 2 ON/OFF delay time
Only available with two comparator option. - Saving Comparator Setting
The comparator settings can be saved to the memory within the unit. The units’ current compara-tor settings will be saved therefore a comparator setting must be set prior to saving. - What data is saved? Comparator(s) Use/No Use setting, comparator operation point (A), dead band (b) and ON/OFF Time delay.
- What is not saved? Comparator mode and/or output type will not be saved.
- Loading comparator setting
- What is loaded? Comparator(s) Use/No Use setting, comparator operation point (A), dead band (b), and ON/OFF Time delay.
COMPArATOr SwITCH OPerATION
- When the comparator output conditions shown below are met, each output becomes ON status and “Comparator output LED (OUT1, OUT2)” is red lit.
Operation of hysteresis mode
Setting the upper limit Pressure
- The upper limit setting is determined when you select a positive number (including 0) for setting value (b).
Setting the lower limit Pressure
- The lower limit setting is determined when you select a negative number for setting value (b).
- Operation of Window Comparator Mode

- Operation of ON delay / OFF delay

Other fUNCTIONS
Basic Key Operations
- For setting up in each setting mode, the contents of selection UP/DOWN keys are chosen, respec-tively. In all setting modes, values are set with the UP/DOWN keys. Use UP key to increase and DOWN key to decrease values. A repeat state occurs in three phases of speed when the UP or DOWN keys are pressed for more than 0.5seconds to increase or decrease numerical value.
Adjusting Zero Point
- In Measurement Mode, press the MODE and DOWN keys for greater than 3 seconds; this will display “_ _ _” after releasing pressure from the pressure port.
- Approximately 1 second later an auto-matic zero adjustment takes place and the pressure displays as zero.
- When the zero adjustment is successful
appears on the LED display.
The error
displays for one second when applied pressure was outside the range of -10~10% F.S., zero adjustment does not happen.
Peak/Bottom (Max./Min.)
- Hold Display Mode
- The GC35 unit keeps the maximum and minimum pressure level applied to the pressure port as peak and bottom values respectively, in the internal memory. The peak and bottom values are dis-played as long as press and hold the
or
keys respectively. When you select this operation, the message P E+ is displayed for one second and selected Peak/Bottom value is displayed. - Peak and bottom values are reset when you reset power to the unit, or by following procedure. Resetting peak value: While holding the
key, press the
key.
Resetting bottom value: While holding the
key, press the
key.
Key Lock
- Key operations can be nullified to prevent inadvertent overwriting of setting values. Once the key lock state is set, the mode cannot be shifted to one other than the peak hold display mode. The key lock mode cannot be reset by restoring power. It is reset by the following release operation of a key lock.
- The setting of key lock: In measurement mode press MODE and
keys together.
( The lock message is displayed for one second indicating that the unit is locked. - Release of key lock: Press MODE and
keys together.
The Unlock message is displayed for one second indicating that the unit is unlocked- Backup of Setting Values
- The unit has an internal EEPROM and settings and the key lock state are maintained even after the power is turned OFF. Peak/bottom (max./min.) values will not be maintained.
- Maximum/Minimum Pressure Capture
- The GC35 unit keeps the maximum and minimum pressure level applied to the pressure port as peak and bottom values respectively, in the internal memory. The peak and bottom values are displayed while holding the
or
keys respectively. Message
is displayed for one second and selected Max/Min value is displayed by this operation. Maximum and minimum values are reset when you reset power to the unit or by the following procedure: - Resetting Maximum value: While holding the
key, press the
key. - Resetting Minimum value: While holding the
key, press the
key.
ERROR DISPLAY
- An error message and pressure value are alternately displayed when one of the following errors occurs in the measurement mode (In case of “Out of pressure display range” error, onlerror message is displayed). Check the content of error message and take the action below immediately.
| Error Display | Contents | Actions |
![]() | Out of pressure display range (Upper limit) A pressure above 110% FS of pressure range is applied, or when indicated value exceeds 1999. | Adjust the applied pressure within the rated pressure. |
![]() | Out of pressure display range (Lower limit) A pressure less than –10% FS of pressure range is applied, or when indicated value falls below –1999. | |
![]() | During zero point adjustment, applied pressure is outside the range of ±10% FS | Open the unit to the atmos- phere and perform zero point adjustment again. |
TROUBLESHOOTING
| Error | Possible cause | Actions |
| No display | Energy-saving mode | Press any key to turn indication on or disable power-saving mode in the setup. (Function setting mode) (Power-save setting) |
| Wiring | Carry out wire connection correctly according to the connection point. | |
|
No output | Supply voltage | |
| Setting of comparator | Set a comparator output type (NPN, PNP) output type to match the setup of apparatus. (Function setting mode) (Comparator operation selection) | |
| Comparator enabled | Enable a comparator in the setup. (Comparator setting mode) (Comparator Use/No use) | |
| Display/output do not indicate when pressure is applied (remains at zero) | Pressure leak | Check pressure connection and piping. |
| Too low pressure applied | Verify applied pressure by using a pressure gauge with the suitable pressure range. | |
| Unit display/output conflicts with the value of applied pressure | Zero point shift | Perform zero point adjustment (zero point adjustment mode) |
| Pressure indication mode | Select a pressure indication (Function setting mode) (Display setting) | |
| Analog scaling mode | Check analog output scaling setup (Function setting mode) (Analog Output Scaling) | |
| Set value of the comparator output | Check the operational mode of the comparator, a preset value, and the preset value of delay time. (Function setting mode) (Select comparator mode) (Comparator setting mode) (Comparator setting point) (Comparator setting mode )(Comparator delay) | |
| Overloaded comparator | Use unit with a load current set to 80mAdc or lower. | |
| Foreign material (blockage) | Clean / remove obstruction in piping |
Maintenance and Warranty
Periodic Inspection
Depending upon the type of use periodic inspection is recommended at least once a year. Please refer to the following items for periodic inspection.
- Appearance
- Display/output check via appropriate pressure standard(1)
- Display/output check via Loop Check(2)
CAUTION
- Avoid electrostatic charging. When cleaning this product, please use a soft, damp cloth.
- Do not use thinner, etc. which may cause deterioration and failure.
Product warranty
- Except as otherwise provided, the product warranty of this product is as follows:
- Period: 12 months after delivery
- Warrantable defects: Defects resulting from the design and manufacture of our company, the quality of the material, etc.
- Implementation of warranty: This warranty will be completed by substitution or repair of the product concerned.
- Consequential damages caused by product defects are not the responsibility of the manufacturer.
- If you have any questions about this document, please contact the sales office or distributor nearest you.
- This document is subject to change without notice due to upgrade, etc.
- If zero correction is required refer to section 12.
- Loop check, see section 10.
- © 2011 Ashcroft Inc. 250 East Main Street, Stratford, CT 06614 USA
- Tel: 203-378-8281,
- Fax: 203-385-0402
- www.ashcroft.com
- All sales subject to standard terms and conditions of sale.
- I&M011-10172. Rev. A 5/11































