ADPS
Adjustable Deadband
Pressure Switch
Owner’s Manual
![]()
Features
- Independent set and reset points
- Adjustable range of 25-300 PSIG
- Corrosion resistant
- For control of pumps, compressors, etc. when used with a motor starter
Description
The Model ADPS is an Adjustable Deadband Pressure Switch with independent set and reset points that are adjustable throughout the entire operating range of the switch. The minimum deadband (minimum span between set and reset points) may be obtained at any point in the operating range of the switch. A change in pressure greater than the high setting will reposition the switch mechanism to open or close a single snap-action electrical switch.
This control device is designed for use as an operating control in applications sensing air, water, or any fluid not harmful to the pressure connection, diaphragm or nitrile pressure-sealing o-ring.
NOTE: This device is not intended for applications in explosive environments or use with hazardous fluids.
NOTICE
The instances where an operating control would result in personal injury and/or loss of property, it is the responsibility of the installer to add devices (safety, limit controls) that protect against, or systems (alarm, supervisory systems) that warn of control failure.
Direct control of motors with HP ratings greater than those shown could damage the ADPS switch, resulting in sprinkler system damage and unintentional water flow. The installation of a pressure relief valve set at or below the systems maximum operating pressure is recommended.
Technical Specifications
| Adjustable Operating Range | 25-300 PSIG |
| Minimum Deadband | 12 PSIG* |
| Proof Pressure | 400 PSIG |
| Factory Setting | 90/60 PSIG |
| Ambient/Media Temperature Range | -4°F to 180°F (-20°C to 82°C) |
| Construction | •NEMA Type 4Xm (IP66) enclosure for indoor or outdoor use. (To maintain 4X rating, use appropriate Type 4 conduit hub.) •Forged brass Pressure Connections •Aluminum Diecast Base with Polymer Enclosure •Beryllium Copper Diaphragm •Nitrile Pressure Sealing 0-ring |
| Switch Contact | •Snap-action SPDT (Form C) •15 Amps at 125 VAC* •8 Amps at 250 VAC* •1/8 HP at 125 VAC •1/4 HP at 250 VAC * Non-inductive loads only |
*12 PSI is at the mid-range of the device. The differential may be as high as 20 PSI when the ADPS is adjusted closer to the extremes of the adjustable range.
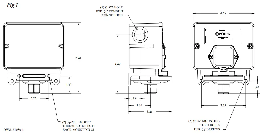
Mounting and Installation
The Model ADPS is typically mounted in an upright position on a flat surface by two ¼” screws through the mounting flanges on the base or by two ¼ – 20 screws into the back of the base. (See Fig. 1 for mounting dimensions.) Locate the switch where vibration, shock, and ambient temperature fluctuations are minimal.
NOTICE
To avoid damage to the switch, always hold a wrench on the pressure connection hex when tightening pressure connections. Never tighten the pressure connection by turning the switch housing into the fitting.

Wiring
Use properly rated temperature supply wire for the anticipated service temperature. Make all electrical connections in accordance with the National Electrical Code and local regulations. A wiring check may be performed by manually actuating the switch actuator on the side of the snap-action switch inside the enclosure. (See Fig. 3)
NOTICE
Do not loosen or remove the two (2) screws that secure the switch to the switch mounting bracket.

Adjustments
The two thumb adjustment dials, accessible through the enclosure cover, are used to adjust the set point and reset point of the switch. The dial scales and pointer may be used to give an indication of the low and high set points.
The high setting adjustment dial is calibrated for increasing pressure. The low setting adjustment dial is calibrated for decreasing pressure. For best accuracy, make the final adjustments with a pressure gauge at the actual working media pressure and temperature encountered in the application.
The minimum deadband (minimum span between set and reset points) may be obtained at any point in the operating range of the switch.
When the desired settings are obtained, replace the adjustment cover. The adjustment cover and enclosure cover can be made tamper resistant by a single sealing wire inserted through the hole in the locking bar.
The repeatability of the set and reset points is typically ± 1% of the operating range.

Ordering Information
| Model | Description | Stock No. |
| ADPS-300-IB | Adjustable Deadband Pressure Switch | 1370010 |
Potter Electric Signal Company, LLC
• St. Louis, MO
• Phone: 800-325-3936
• www.pottersignal.com
5401060 – REV M
firealarmresources.com


















