KLUS C1575 Design LED Mounting Extrusion Directory

PRODUCT DESCRIPTION
- For installation on facades
- Designed for IP68 and IK10 protection ratings
- Corrosion resistance at high salinity
- Corresponds to the width of the HR-MAX facade system
- Adjustable lighting angle
Fill empty fields
| Product nr. | |
| Fixture type | |
| Company | |
| Job name | |
| Date |
TECHNICAL SPECIFICATION
Application
decorative lighting.
Mounting
- to the surface, using dedicated accessories,
- the cover is cut to the length of the extrusion.
Additional information
- possibility to fasten the lighting fixture with the back or side to the mounting surface,
- possibility of smooth transition from a surface-mounted into a recessed fixture.
AVAILABLE LENGTHS
| Ref. nr. | surface finish | available lengths |
| C1844ANODA_2 | Silver anodized | 78.75″ |
| C1844ANODA_3 | Silver anodized | 118.11″ |
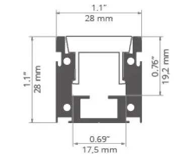
TECHNICAL DRAWING

SEMI-TRANSPARENT COVERS 
END CAPS
REGULAR END CAPS 
ACCESSORIES
FASTENERS & MOUNTING ACCESSORIES
SEALING COMPONENTS
- Waterproof coupler
Ref: 42702 - Waterproof splitter
Ref: 42703 - M16x1,5-L90 Angular gland
Ref: 42289
References
Klusdesign.com | Manufacturer of LED Extrusions, LED Profiles, and new LED Lighting integration designs - KLUS LLC
HR-21 frosted Cover - 17152 | Klusdesign.com
M16x1,5-L90 Angular gland     - 42289 | Klusdesign.com
HR-OPTI-STN End cap - 24387 | Klusdesign.com
HR-OPTI Mounting bracket - 42121 | Klusdesign.com
Waterproof coupler - 42702 | Klusdesign.com
Waterproof splitter - 42703 | Klusdesign.com


















