

SPV340
6LE007485Ab / 1226675-01
PV Surge Protective Device
Installation
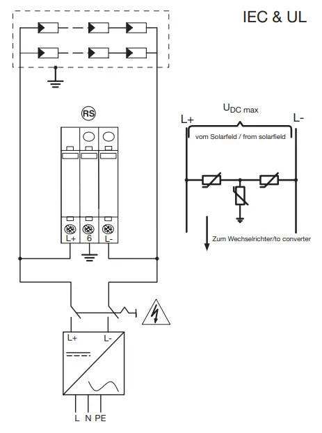
![]()
Connection

| DIN VDE 0100-534IEC 60364-5-53 | A | b | ≤ 0,5 m |
| B | a + b | ≤ 0,5 m |
Indoor use only
![]() | ![]() |

For use in photovoltaic systems IEC 60364-7-712 (DIN VDE 0100 Part 712)
| min. | 1,5 mm² | |
| max. | 25 mm² | 35 mm² |
SPV040

Safety instructions
The device may only be connected and installed by an electrically skilled person. National standards and safety regulations must be observed (see IEC 603647-712:.. (VDE 0100 Part 712:…)).
The device must be checked for external damage prior to installation. If any damage or other defects are detected in this check, the device must not be installed. Its use is only permitted within the limits shown and stated in the installation instructions. The device and the equipment connected to can be destroyed by loads exceeding the values stated. Opening or otherwise tampering with the device invalidates the warranty.
Note:
The constructor’s standard IEC 60364-7-712 (DIN VDE 0100 Part 712) recommends applying protection level II as a protective measure against indirect contact on the dc side. In this case SPV325 has to be installed in a corresponding insulating enclosure and connected by connecting cables with double or reinforced insulation.
Hager Electro S.A.S., Boulevard d’Europe, B.P. 3, 67215 OBERNAI CEDEX, France – www.hager.com
Hager 05.22
OCOM 144906
6LE007485Ab




















