nVent JBM-100-LBTV2 Raychem Wire Connector and Terminal Blocks

DESCRIPTION
- The nVent RAYCHEM JBM-100-LBTV2 is a NEMA 4X-rated connection kit. It is designed for use with nVent RAYCHEM LBTV2-CT self-regulating heating cables. The kit can be used to connect one or two heating cables to power, connect two separate heat-trace circuits, or to splice two heating cables.
- This kit may be installed at temperatures as low as –40°F (–40°C). Store above freezing until just before installation.
For technical support nVent at (800) 545-6258.
TOOLS REQUIRED
- Heat gun or mini-torch
- 1/4 in slotted screwdrive
- Utility knife
- Large slotted screwdriver
- Needle nose pliers
- Adjustable pliers
- 3/8 in hex key (required for splice connections)
- Wire citter
ADDITIONAL MATERIALS
- Pipe straps (two required)
- GT–66 or GS–54 glass cloth tape
OPTIONAL MATERIALS
- Recommended conduit drain:
JB-DRAIN-PLUG-3/4IN P/N 278621–000
KIT CONTENTS

| Item | Qty | Description |
| A | 1 | Stand assembly |
| B | 1 | Lid |
| C | 1 | Box with terminals (max: 1 in conduit & 6 AWG wire) |
| D | 1 | Strain relief |
| E | 1 | Spanner |
| F | 1 | Box plug, o-ring, and locknut |
| G | 1 | Cable lubricant |
| H | 2 | Green/yellow heat-shrinkable tubes |
| I | 4 | Black heat-shrinkable tubes |
| J | 2 | Clear yellow heat-shrinkable tubes |
| K | 2 | Grommet plugs |
WARNING:
This component is an electrical device that must be installed correctly to ensure proper operation and to prevent shock or fire. Read these important warnings and carefully follow all of the installation instructions.
- To minimize the danger of fire from sustained electrical arcing if the heating cable is damaged or improperly installed, and to comply with the requirements of nVent, agency certifications, and national electrical codes, ground-fault equipment protection must be used.
- Arcing may not be stopped by convention al circuit breakers.
- The power connection may be powered by more than one circuit. Be sure all power sources are de-energized before opening box.
- Component approvals and performance are based on the use of nVent specified parts only. Do not use substitute parts or vinyl
electrical tape. - The black heating cable core is conductive and can short. It must be properly insulated and kept dry.
- Damaged bus wires can overheat or short. Do not break bus wire strands when scoring the jacket
or core. - Keep components and heating cable ends dry before and during installation.
- Use only fire-resistant insulation materials, such as fiberglass wrap or flame-retardant foam.
- Heat-damaged components can short. Use a heat gun or a torch with a soft, yellow, low-heat flame. Keep the flame moving to avoid overheating, blistering, or charring the heat-shrinkable tubes. Avoid heating other components. Replace any damaged parts.
CAUTION:
- Health Hazard: Overheating heat-shrinkable tubes will produce fumes that may cause irritation. Use adequate ventilation and avoid charring or burning. Consult MSDS RAY3122 for further information.
- CHEMTREC 24-hour emergency telephone: (800) 424-9300
- Non-emergency health and safety information: (800) 545-6258.
HEATING CABLE CONSTRUCTION
- This product is for use only with LBTV2-CT heating cables.

- Allow approximately 60 cm (24 in) of heating cable for installation.
- Cut off heating cable end at a 45° angle.

- Lubricate end of outer jacket.

- Do not remove box nut from stand.
- Immediately push heating cable through stand and nut as shown.
- Square off cable end with 90° angle cut.
- Repeat for a second heating cable.
- Do not attach stand to pipe until step 11.

- Lightly score outer jacket around and down as shown.
- Bend heating cable to break jacket at score, then peel off jacket.

- Push braid back to create a pucker.
- At pucker use a screwdriver to open braid.
- Bend heating cable and work it through opening in braid.
- Pull braid tight to make pigtail.

- Lightly score inner jacket around and down as shown.
- Bend heating cable to break jacket at score, then peel off jacket.

- Notch core.
- Peel bus wire from core.

- Score core between bus wires at inner jacket.
- Bend and snap core.
- Peel core from bus wire.
- Remove any remaining core material.

- Slide on heat-shrinkable tubes.
- Use heat gun or minitorch with soft yellow flame to gently heat tubes until they shrink.

- Center clear yellow tube over end of inner jacket.
- Heat tube until it shrinks and adhesive flows out ends. While still hot, pinch between bus wires and hold for 5 seconds to create a seal.
- Repeat steps 3 through 9 for a second heating cable.

- Pull heating cable back into stand as shown. Use cable lubricant if needed.

- Fasten stand to pipe. Do not pinch heating cables.
- Loop and tape extra heating cable to pipe.

- Remove box nut.
- Install grommet plugs in unused openings.

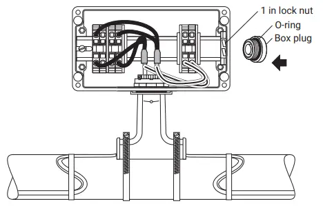
- Place junction box onto stand. Align key ways in large box hole with alignment feature on stand.
- Put box nut back onto stand.
- Tighten box nut using spanner.

- Slide strain relief over heating cable, down onto box nut.
- Secure strain relief by tightening screws.

- Trim bus wires and braid.

- This kit uses spring–clamp style terminals to provide improved vibration resistance, reduced maintenance and faster installation.
- To connect wires, firmly insert a slotted screwdriver into the square hole ( 1 ) to open the spring. When fully inserted, the screwdriver will lock into place, allowing you to remove your hand and insert the wire into the round hole ( 2 ). Remove the screwdriver to clamp the wire. The wire is held securely against the bus bar for low contact resistance over time without the need to periodically retighten screws.

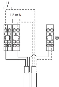
- Refer to wiring diagram, step 17A or 17B.
- Push screwdriver FIRMLY into square hole.

- Insert wire into round hole.
- Use green terminal for braid and grounding wires.

- Remove screwdriver.
- Repeat for a second heating cable.

Splice Wiring
Power Connection Wiring
WARNING: Shock or fire hazard. When the power connection is energized by two circuits, the L1 and L2 jumpers must be removed to prevent an electrical short.
If used as a power connection.- Install conduit and fittings as shown. To minimize loosening due to vibration, use flexible conduit.
- Pull in power and ground wires, strip off insulation, and terminate.
- nVent recommends the use of a conduit drain to prevent water condensation build-up.

If used as a splice connection. - Install box plug.

- Install lid.
- Apply insulation and cladding.
- Weather-seal the stand entry.
- Leave these instructions with the end user for future reference.

CONTACT
- North America
- Tel +1.800.545.6258
- Fax +1.800.527.5703
- [email protected]
- Europe, Middle East, Africa
- Tel +32.16.213.511
- Fax +32.16.213.604
- [email protected]
- Asia Pacific
- Tel +86.21.2412.1688
- Fax +86.21.5426.3167
- [email protected]
- Latin America
- Tel +1.713.868.4800
- Fax +1.713.868.2333
- [email protected]












































