nVent RAYCHEM JBM-100-A Multiple-Entry Power-Tee Connection with Polymer Junction Box

Installation Instructions
Power Connection, Powered Splice, Powered Tee, Dual Power Connection, Splice or Tee with Junction Box
DESCRIPTION
The nVent RAYCHEM JBM-100-A and JBM-100-A6 are NEMA 4X-rated connection kits. They are designed for use with nVent RAYCHEM BTV-CR, BTV-CT, QTVR-CT, XTV-CT, KTV-CT, HTV-CT and VPL-CT industrial parallel heating cables. The kits can be used to connect one, two, or three heating cables to power, to connect two separate heat-trace circuits, or to splice or tee up to three heating cables. The JBM-100-A6 kit utilizes larger terminal blocks to accommodate up to 6 AWG power wires.
Note: For two or more heating cables powered by a single circuit, the length of each heating cable should not exceed the maximum allowable circuit length published in the nVent RAYCHEM self-regulating cables design guide and the total current of all heating cables on the circuit should equal no more than 80% of the circuit breaker current rating.
These kits may be installed at temperatures as low as –67°F (–55°C).
For easier installation store above freezing until just before installation. For technical support call nVent Industrial Heat Tracing Solutions at (800) 545-6258.
TOOLS REQUIRED
- Wire cutters
- Adjustable pliers
- Needle nose pliers
- Utility knife
- 3/8 in hex key (required for splice and tee connections)
- 1/4 in or smaller slotted screwdriver
- Marking pen
- Wire stripper (for VPL-CT)
- Large slotted screwdriver
KIT CONTENTS
| Item | Qty | Description |
| A | 1 | Stand assembly |
| B | 2 | Grommet plugs |
| C | 1 | Box plug, o-ring, and locknut |
| D | 1 | Cable lubricant |
| E | 3 | Core sealers |
| F | 3 | Green/yellow tubes |
| G | 1 | Box with terminal blocks |
| H | 1 | Lid |
| I | 1 | Spanner |
| J | 1 | Strain relief |
ADDITIONAL MATERIALS REQUIRED
- Pipe strap
- GT-66 or GS-54 glass cloth tape
OPTIONAL MATERIALS
- Recommended conduit drain: JB-DRAIN-PLUG-3/4IN P/N 278621-000
- Small pipe adapter for 1 in (25 mm) and smaller pipes: Catalog number JBM-SPA P/N D55673-000


WARNING:
This component is an electrical device that must be installed correctly to ensure proper operation and to prevent shock or fire. Read these important warnings and carefully follow all of the installation instructions.
- To minimize the danger of fire from sustained electrical arcing if the heating cable is damaged or improperly installed, and to comply with the requirements of nVent, agency certifications, and national electrical codes, ground-fault equipment protection must be used. Arcing may not be stopped by conventional circuit breakers.
- The power connection may be powered by more than one circuit. Be sure all power sources are de-energized before opening box.
- Component approvals and performance are based on the use of nVent specified parts only. Do not use substitute parts or vinyl electrical tape.
- The black heating cable core and fibers are conductive and can short. They must be properly insulated and kept dry.
- Damaged bus wires can overheat or short. Do not break bus wire strands when scoring the jacket or core.
- Keep components and heating cable ends dry before and during installation.
- Use only fire-resistant insulation materials, such as fiberglass wrap or flame retardant foam.
CAUTION:
HEALTH HAZARD: Prolonged or repeated contact with the sealant in the core sealer may cause skin irritation. Wash hands thoroughly. Overheating or burning the sealant will produce fumes that may cause polymer fume fever. Avoid contamination of cigarettes or tobacco. Consult MSDS VEN 0058 for further information.
CHEMTREC 24-hour emergency telephone: (800) 424-9300
Non-emergency health and safety information: (800) 545-6258.
HEATING CABLE TYPES
- Determine heating cable type and continue as shown.


- Cut each heating cable 12 in (30 cm) from the center of the first indentation, cut at a 45° angle.
- After heating cable has been cut, align indentations.
Allow approximately 24 in (60 cm) of heating cable for installation.

Complete steps 2 through 6 for each heating cable before going on to the next length of heating cable.
- Lightly score outer jacket around and down as shown.
- Bend heating cable to break jacket at score, then peel off jacket.

- Determine heating cable type and continue as shown.

- Push braid back and bunch as tight as possible.
Lightly score inner jacket around and down as shown. - Peel off inner jacket
- Unwind heating element, cut and remove as shown.
- Lightly score clear jacket around and down as shown.
- Bend heating cable to break jacket at the score then peel off jacket.
- Push braid forward. Use a screwdriver to open braid.
- Bend heating cable and work it through opening in braid.
- Remove insulation from ends of bus wires.
- Pull braid tight to make pigtail.

- Push braid back to create a pucker.
- At pucker use a screwdriver to open braid.
- Bend heating cable and work it through opening in braid.
- Lightly score inner jacket around and down as shown.
- Peel off inner jacket.
- Cut and remove all fiber strands.
- Score and remove center spacer.
- Remove any remaining fiber material from bus wires.
- Pull braid tight to make pigtail.

- Push braid back to create a pucker.
- At pucker use a screwdriver to open braid.
- Bend heating cable and work it through opening in braid
- Lightly score inner jacket around and down as shown.
- Peel off inner jacket.
- Notch core.
- Peel bus wire from core.
- Score core between bus wires at inner jacket.
- Bend and snap core.
- Peel core from bus wire.
- Remove any remaining core material from bus wires.
- Pull braid tight to make pigtail.

• Push braid back to create a pucker.
• At pucker use a screwdriver to open braid.
• Bend heating cable and work it through opening in braid.
• Score inner jacket and conductive core around and down as shown.
• Peel off inner jacket.
• Flip the cable 180ºC and score the other side of inner jacket and conductive core.
• Remove the inner jacket, conductive core by using needle-nose pliers as shown.
• Remove any remaining material from bus wires.
• Pull braid tight to make pigtail.
- Mark the jacket as shown.

- Pull heating cable back into stand as shown. Use cable lubricant if needed.

- Fasten stand to pipe. Do not pinch heating cables.
- Loop and tape extra heating cable to pipe.

- Note: For 1 in (25 mm) and smaller pipes, use adapter (purchased separately) and install between stand and pipe.

- Remove box nut.

- Place junction box onto stand. Align key ways in large box hole with alignment feature on stand.
- Put box nut back onto stand.
- Tighten box nut with spanner
Torque = 22 +/- 2 Nm|
- Slide strain relief over heating cables, down onto box nut.
- Secure strain relief by tightening screws

CAUTION: Health Hazard. Wash hands after contact with sealant. Consult material safety data sheet VEN 0058.- If needed, re-twist and straighten bus wires, then insert bus wires into guide tubes as shown.

- Push core sealer onto the heating cable to the mark made in step 6.
Note: Extra force may be required for larger cables or at lower temperatures.
- Remove the guide tubes and dispose of them in a plastic bag.
- Slip the green/yellow tube onto the braid. Heatshrinking is not required.

- Trim bus wires and braid.
- Repeat steps 12 through 15 for all heating cables

- Finished view of installed core sealers

This kit uses spring clamp style terminals.
Terminals use a steel spring to clamp the wire to provide improved vibration resistance, reduced maintenance and faster installation.
To connect wires, firmly insert a slotted screwdriver into the square hole ( 1 ) to open the spring. When fully inserted, the 2 screwdriver will lock into place, allowing you to remove your hand and insert the wire into the round hole (1 2 ). Remove the screwdriver to clamp the wire. The wire is held securely against the bus bar for low contact resistance over time without the need to periodically retighten screws. - Refer to wiring diagram, step 18A, 18B, or 18C.
- Push screwdriver FIRMLY into square hole.
- Insert wire into round hole.
- Use green terminal for braid and ground wires.
- Remove screwdriver.
- Repeat for all connections

- Splice Wiring

- Tee Wiring

- Power Connection Wiring
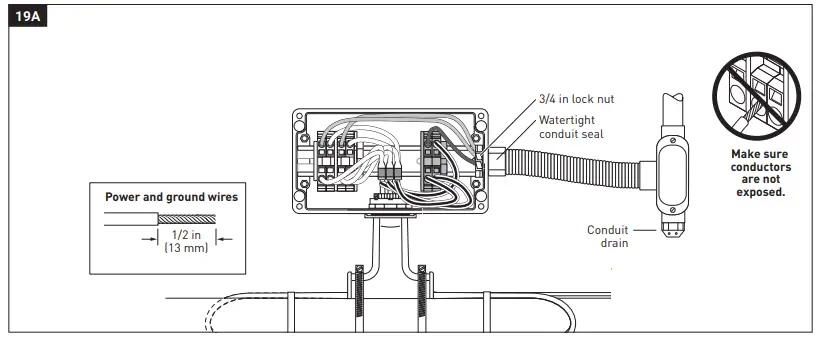
WARNING: Shock or fire hazard. When the power connection is energized by two circuits, the L1 and L2 jumpers must be removed to prevent an electrical short
- If used as a power connection
- Install conduit and fittings as shown. To minimize loosening due to vibration, use flexible conduit.
- Pull in power and ground wires, strip off 1/2 in (13 mm) of insulation, and terminate
- Vent recommends the use of a conduit drain to prevent water condensation build-up.

- If used as a splice or tee connection
- Install box plug using 3/8 in hex key

- Install lid. Torque = 1.02 to 1.47 Nm
- Apply insulation and cladding.
- Weather-seal the stand entry.
- Leave these instructions with the end user for future reference.

WARNING: Explosion Hazard- Substitution of Components May Impair Suitablity for Class I Division 2 (Zone 2)
WARNING: Explosion Harzard- Do not disconnect equipment unless power has been switched off or the area is known to be Non-Hazardous
APPROVALS
Hazardous Locations


Class I, Div. 2, Groups A, B, C, D
Class II, Div. 2, Groups E, F, G
Class III
CLI, ZN1, AEx e II T* (1)
(JBM-100-A only) Ex eb IIC T* Gb (3)
IECEX
E-100-A is IECEx certified for use with:
BTV-CR/BTV-CT: IECEx BAS 20.0011X
QTVR-CT: IECEx BAS 20.0013X
XTV-CT: IECEx BAS 20.0012X
KTV-CT: IECEx BAS 20.0014X
HTV-CT: IECEx PTB 21.0007X
VPL-CT: IECEx BAS 20.0008X
Class I Division 2 (Zone 2**), Groups A, B, C, D Class I Zone 2 IIC
Ex eb IIC T* Gb; Class I Zone 1 AEx eb IIC T* Gb
Ex tb IIIC T*°C Db; Zone 21 AEx tb IIIC T*°C Db
* For system Temperature Code, see heating cable or design documentation
(1) Except VPL, HTV (FM approval only)
(2) Except HTV
(3) Except KTV-CT
(4) For HTV-CT only ** Per CE Code Table 18
North America
Tel +1.800.545.6258
Fax +1.800.527.5703
[email protected]
Europe, Middle East, Africa
Tel +32.16.213.511
Fax +32.16.213.604
[email protected]
Asia Pacific
Tel +86.21.2412.1688
Fax +86.21.5426.3167
[email protected]
Latin America
Tel +1.713.868.4800
Fax +1.713.868.2333
[email protected]
©2021 nVent. All nVent marks and logos are owned or licensed by nVent Services GmbH or its affiliates. All other trademarks are the property of their respective owners. nVent reserves the right to change specifications without notice. RAYCHEM-IM-H56344-JBM100A100A6-EN-2112
nVent.com/RAYCHEM















































