MEAN WELL MDR-60 Series 60W Single Output Industrial DIN Rail Power Supply

FEATURES
- Universal AC input/Full range
- Protections: Short circuit/ Overload/ Over voltage
- Cooling by free air convection
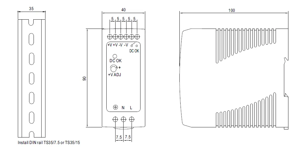
- Can be installed on DIN rail TS-35/7.5 or 15
- Class I, Div 2 Hazardous Locations T4
- LED indicator for power on
- DC OK relay contact
- No load power consumption<0.75W
- 100% full load burn-in test
- 3 years warranty
SPECIFICATION

NOTE
- All parameters NOT specially mentioned are measured at 23OVAC input, rated load and 25 C of ambient temperature.
- Hipple & noise are measured at 20MHz of bandwidtn by using a 12 twIsted pair-wire terminated with a 0.1ur & 4/UT parallel capacitor.
- Tolerance : includes set up tolerance, line regulation and load regulaton.
- The power supply is considered a component which will be installed into a final equipment. The final equipment must be re-confirmed that it stl meets EMC directives. For guidance on how to pertorm these EMC tests, please reter to “EMI testing of component power supplies (as available on http:/www.meanwell.com)
- Length of set up time is measured at first cold start. Turning ONOFF the power supply may lead to increase of the set up time.
- Ihe ambient temperature derating of 3.5 C/1000m with fanless models and of 5 C1000m with fan models for operating aftude higher than 2000m(6500t) *Product Liability Disclaimer: For detailed information, please refer to https:/www.meanwell.com/serviceDisclaimer.aspx
Mechanical Specification

Block Diagram

DC OK Relay Contact

Derating Curve

Output Derating VS Input Voltage

https://www.meanwell.com/serviceGTIN.aspx





















