hansgrohe Focus E2 Lever Kitchen Faucet Instruction Manual
Safety Notes
Gloves should be worn during installation to prevent crushing and cutting injuries.
The hot and cold supplies must be of equal pressures
Installation Instructions
- The fitting must be installed, flushed and tested after the valid norms.
Technical Data
- Operating pressure: max. 1 MPa
- Recommended operating pressure: 0,1 – 0,5 MPa
- Test pressure: 1,6 MPa
- (1 MPa = 10 bar = 147 PSI)
- Hot water temperature: max. 80°C
- Recommended hot water temp.: 65°C
Hansgrohe mixers can be used together with hydraulically and thermically controlled continuous flow heaters if the flow pressure is at least 0,15 MPa.
Symbol description
To adjust the hot water limiter on single lever mixers, please see page 32. No adjustment is necessary when using a continuous flow water heater.
Do not use silicone containing acetic acid!
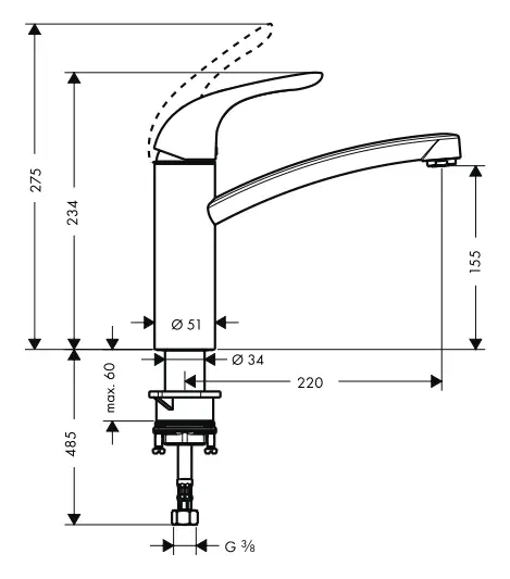
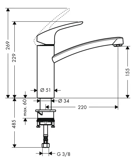
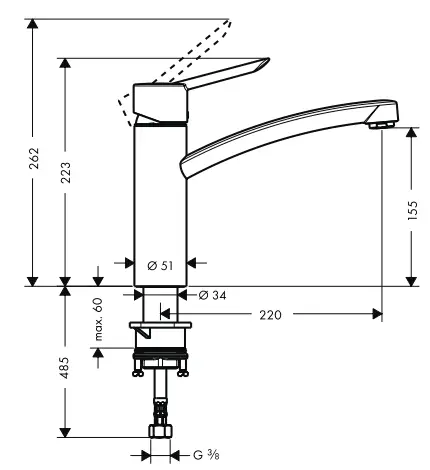
Dimensions (see page 33)
Flow diagram (see page 33)
Spare parts (see page 36)
Operation (see page 34)
Cleaning see enclosed brochure
Test certificate (see page 35)
Assembly see page








DIMENSIONS



GRAPH
Focus E 31780000
Focus S 31786000
Focus E² 31806XXX
open
close
cold
hot

| P-IX DVGW | SVGW | ACS | WRAS NF | KIWA | ETA | |
| 31780000 | P-IX 18304/IA DVGW BR5784 | X | X | X X | X | |
| 31786000 | P-IX 18304/IA DVGW BR5784 | X | X | X X | X | |
| 31806XXX | P-IX 18304/IA DVGW BR5784 | X | X | X | X | X |

Instruction
Focus E 31780000
Focus S 31786000
Focus E² 31806XXX
XXX Colors
000 chrome plated
800 stainless steel optic
Costumer Support
Hansgrohe · Postfach 1145
D-77761 Schiltach · Telefon +49 (0) 78 36/51-1282
Telefax +49 (0) 7836/511440
E-Mail: [email protected] ·
Internet: www.hansgrohe.com



















