STMicroelectronics UM3059 X-NUCLEO-OUT09A1 Industrial Digital Output Expansion Board

Introduction
The X-NUCLEO-OUT09A1 industrial digital output expansion board for STM32 Nucleo provides a powerful and flexible environment for the evaluation of the driving and diagnostic capabilities of the IPS8160HQ octal high-side smart power solid state relay, in a digital output module connected to 0.7 A industrial loads.
The X-NUCLEO-OUT09A1 interfaces with the microcontroller on the STM32 Nucleo via 3 kV and 3.7 kV optocouplers driven by GPIO pins and Arduino® R3 connectors.
The expansion board can be connected to either a NUCLEO-F401RE or a NUCLEO-G431RB development board.
It is also possible to evaluate a system composed of a X-NUCLEO-OUT09A1 stacked on other expansion boards.
Figure 1. X-NUCLEO-OUT09A1 expansion board

Getting started
Overview
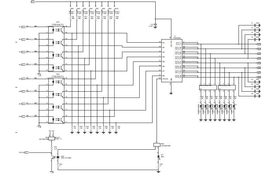
The X-NUCLEO-OUT09A1 embeds the IPS8160HQ intelligent power switch (IPS), which features overcurrent and overtemperature protection for safe output loads control.
The board is designed to meet the application requirements for the galvanic isolation between the user and power interfaces.
An optical isolation satisfies this requirement. The isolation is implemented through three optocouplers (ISO1, ISO2, ISO3) for the input signals forward to the device and the status cumulative diagnostic feedback signal of the device.
The expansion board features:
- Based on the IPS8160HQ octal high-side switch, which features:
- Operating range 10.5 to 36 V
- Low power dissipation (RON(MAX) = 280 mΩ)
- Fast decay for inductive loads
- Undervoltage lock-out
- Overload and overtemperature protections
- Loss of ground protection
- QFN48L 8×6 mm package
- Application board voltage operating range: 15 to 33 V
- Extended voltage operating range (J9 open) up to 36 V
- Operating current: up to 0.7 A per channel
- Green LEDs for outputs on/off status (J12 and J13 close 1-2, 3-4, 5-6, 7-8)
- Red LED for common overheating diagnostic (SW2 close 2-3)
- 3 kV galvanic isolation
- Supply rail reverse polarity protection
- Compatible with STM32 Nucleo development boards
- Equipped with Arduino® UNO R3 connectors
- RoHS and China RoHS compliant
- CE certified
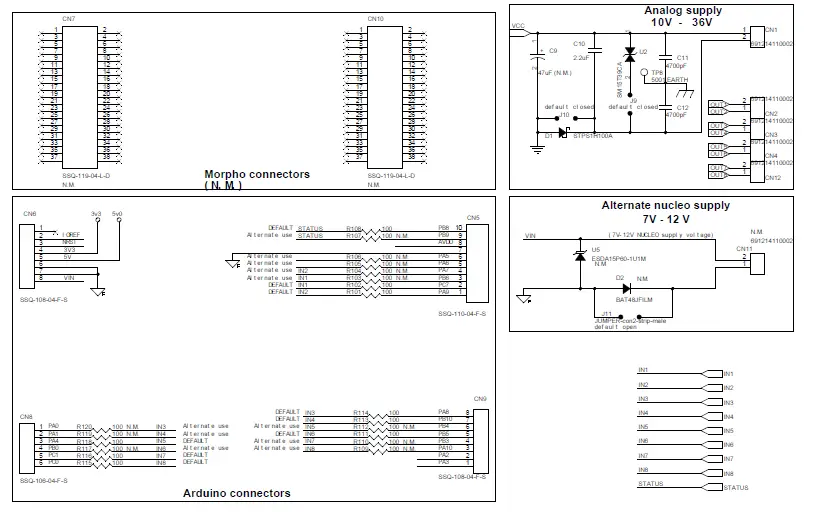
Digital section
The digital section is associated with the STM32 interface and the digital supply voltage to and from the X-NUCLEO-OUT09A1 expansion board.
Figure 2. X-NUCLEO-OUT09A1 expansion board: digital interface section

The dotted green line indicates the whole digital interface section. The pink rectangles identify the Arduino® UNO R3 connectors.
The four Arduino® UNO R3 connectors:
- allow the expansion board to communicate with the STM32 Nucleo development board microcontroller accessing the STM32 peripheral and GPIO resources;
- provide the digital supply voltage between the STM32 Nucleo development board and the X-NUCLEO-OUT09A1 expansion board, in either direction.
Usually, the STM32 Nucleo development board supplies the expansion board by a 3v3 or 5v0 generated by the USB. You can select the preferred voltage on the expansion board via SW3 (3v3 closing pins 1-2; 5v0 closing pins 2-3).
Alternatively, it is possible to supply the STM32 Nucleo development board by the expansion board. In this case, an external supply voltage (7-12 V) should be connected to the CN11 connector (not mounted by default) on the expansion board and the ground loop should be closed by mounting D2 (enabling the reverse polarity protection) or by closing J11 (without reverse polarity).
To supply the VIN voltage rail, it is necessary to:
- close the JP5 jumper between pins 2 and 3 and open the JP1 jumper on the NUCLEO-F401RE;
- open the JP5 jumper between pins 1 and 2 and close the JP5 jumper between pins 3 and 4 on the NUCLEO-G431RB.
Power section
The power section involves the power supply voltage (CN1, pin 1 for VCC, pin 2 for GND), the load connection (eight loads can be connected between each pin of CN2, CN3, CN4, and CN12 and pin 2 of CN1), EMC protections (U2), and supply reverse polarity protection (D1).
Figure 3. X-NUCLEO-OUT09A1 expansion board: power section components
- Status (overtemperature) red LED
- Output channels – green LEDs
- IPS8160HQ
- Output and power supply connector

For EMC:
- the SM15T39CA transient voltage suppressor (U2), enabled by closing J9, is placed between VCC and GND tracks to protect the IPS8160HQ against surge discharge on the supply rail path up to ±1 kV/2 Ω coupling;
- in the common mode surge testing, two single-layer capacitors (C11 and C12 – not included) must be soldered at the predisposed locations;
- the IPS8160HQ output stages do not require additional EMC protections with respect to the IEC61000-4-2, IEC61000-4-3, IEC61000-4-4, IEC61000-4-5, IEC61000-4-8 standards.
The EMC performance of the X-NUCLEO-OUT09A1 is detailed below:
- for emission, compliance with standards:
- EN IEC 61000-6-3:2021
- EN 55032:2015 +A1:2020
- for immunity, compliance with standards:
- EN IEC 61000-6-1:2019
- EN 55035:2017 +A11:2020
Hardware requirements
The X-NUCLEO-OUT09A1 expansion board is designed to be used with the NUCLEO-F401RE or NUCLEO-G431RB STM32 Nucleo development boards.
To function correctly, the X-NUCLEO-OUT09A1 must be plugged onto the matching Arduino® UNO R3 connector pins on the STM32 Nucleo board as shown below.
Figure 4. X-NUCLEO-OUT09A1 and STM32 Nucleo stack

System requirements
To use the STM32 Nucleo development boards with the X-NUCLEO-OUT09A1 expansion board, you need:
- Windows PC/laptop (Windows 7 or above)
- a type A to mini-B USB cable to connect the STM32 Nucleo board to the PC when using a NUCLEO-F401RE development board
- a type A to micro-B USB cable to connect the STM32 Nucleo board to the PC when using a NUCLEO-G431RB development board
- the X-CUBE-IPS firmware and software package installed on your PC/laptop
Board setup
- Step 1. Connect the mini-USB or micro-USB cable to your PC to use the X-NUCLEO-OUT09A1 with NUCLEO-
F401RE or NUCLEO-G431RB development board - Step 2. Download the firmware (.bin) onto the STM32 Nucleo development board microcontroller through STM32 ST-LINK utility, STM32CubeProgrammer, and according to your IDE environment as detailed in the table below.
Table 1. NUCLEO-F401RE development board supported IDEs – bin files
| NUCLEO-F401RE | ||
| IAR | Keil | STM32CubeIDE |
| EWARM-OUT09_19- STM32F4xx_Nucleo.bin | MDK-ARM-OUT09_19- STM32F4xx_Nucleo.bin | STM32CubeIDE-OUT09_19- STM32F4xx_Nucleo.bin |
Table 2. NUCLEO-G431RB development board supported IDEs – bin files
| NUCLEO-G431RB | ||
| IAR | Keil | STM32CubeIDE |
| EWARM-OUT09_19- STM32G4xx_Nucleo.bin | MDK-ARM-OUT09_19- STM32G4xx_Nucleo.bin | STM32CubeIDE-OUT09_19- STM32G4xx_Nucleo.bin |
- Step 3. Connect the IPS8160HQ device supply voltage via CN1 (see Section 1.3 Power section).
- Step 4. Provide the digital supply voltage (see Section 1.2 Digital section).
- Step 5. Connect the load on the output connector (see Section 1.3 Power section).
- Step 6. Reset the example sequence by pushing the black button on the STM32 Nucleo board.
- Step 7. Push the blue button on the STM32 Nucleo board to choose among the examples provided in the default firmware package.
Schematic diagrams
Figure 5. X-NUCLEO-OUT09A1 circuit schematic (1 of 2)

Figure 6. X-NUCLEO-OUT09A1 circuit schematic (2 of 2)

Bill of materials
Table 3. X-NUCLEO-OUT09A1 bill of materials
| Item | Quantity | Reference | Part/value | Description | Manufacturer | Order code |
| 1 | 8 | C1 C2 C3 C4 C5 C6 C7 C8 | 10nF, 0603 (1608 Metric), 50V, +/-10% | CAP CER 10000PF 50V X7R 0603 | Wurth Electronics Inc. | 885382206002 |
| 2 | 0 | C9 | 47uF, Radial, Can, 100V, +/-20% | CAP 47 UF 20% 100 V (not assembled) | Wurth Electronics Inc. | 860040875002 |
| 3 | 1 | C10 | 2.2uF 1206, (3216 Metric), 100V, +/-10% | CAP CER 2.2UF 100V X7R 1206 | AVX Corporation | 12061C225KAT2A |
| 4 | 0 | C11 C12 | 4700pF, 1825, (4564 Metric), 3000V (3kV), +/-10% | CAP CER 4700PF 3KV X7R 1825 (not assembled) | Vishay Vitramon | HV1825Y472KXHATHV |
| 5 | 1 | C13 | 0.1uF, 0805 (2012 Metric), 100V, +/-10% | CAP CER 0.1UF 100V X7R 0805 | Wurth Electronics Inc. | 885012207128 |
| 6 | 5 | CN1 CN2 CN3 CN4 CN12 | 691214110002, 7.4X7 pitch 3.5 | TERM BLK 2POS SIDE ENT 3.5MM PCB | Wurth Electronics Inc. | 691214110002 |
| 7 | 1 | CN5 | 10 ways, 1 row | CONN RCPT 10POS 0.1 GOLD PCB | SAMTEC 4UCON | ESQ-110-14-T-S 17896 |
| 8 | 2 | CN6 CN9 | 8 ways, 1row | CONN RCPT 8POS 0.1 GOLD PCB | SAMTEC 4UCON | ESQ-108-14-T-S 15782 |
| 9 | 0 | CN7 CN10 | CONN RCPT 38POS 0.1 GOLD PCB (not assembled) | Samtec Inc. | SSQ-119-04-L-D | |
| 10 | 1 | CN8 | 6 ways, 1 row | CONN RCPT 6POS 0.1 GOLD PCB | SAMTEC 4UCON | ESQ-106-04-T-S 15781 |
| 11 | 0 | CN11 | 691214110002, 7.4X7 pitch 3.5 | TERM BLK 2POS SIDE ENT 3.5MM PCB (not assembled) | Wurth Electronics Inc. | 691214110002 |
| 12 | 1 | D1 | STPS1H100, DO-214AC, SMA 1A | DIODE SCHOTTKY 100V 1A SMA | ST | STPS1H100A |
| 13 | 0 | D2 | BAT48JFILM, SC-76, SOD-323, 750mV @ 200mA, 350mA (DC) | DIODE SCHOTTKY 40V 350MA SOD323 (not assembled) | ST | BAT48JFILM |
| 14 | 8 | D3 D4 D5 D6 D7 D8 D9 D10 | 150060VS75000, 0603 (1608 Metric), 20mA | LED GREEN CLEAR 0603 SMD | Wurth Electronics Inc. | 150060VS75000 |
| 15 | 1 | D11 | RED 0603, (1608 Metric), 20mA | LED RED CLEAR 0603 SMD | Wurth Electronics Inc. | 150060RS75000 |
| 16 | 2 | ISO1 ISO2 | TLP293-4(V4GBT PE, 16-SOIC (0.179″, 4.55mm Width) | OPTOISOLATOR 3.75KV TRANS SO16 | Toshiba Semiconductor and Storage | TLP293-4(GB-TP,E TLP293-4(V4GBTPE |
| Item | Quantity | Reference | Part/value | Description | Manufacturer | Order code |
| 17 | 1 | ISO3 | ACPL-217-50AE, 4-SOIC (0.173″, 4.40mm Width) | OPTOISOLATOR 3KV TRANSISTOR 4- SO | Broadcom Limited | ACPL-217-50AE |
|
18 |
10 | J9 J10 SW3 SW4 SW5 SW6 SW7 SW8 SW9 SW10 | JUMPER-con2- strip-male | JUMPER-CONN HEADER .100 STR 2POS |
WURTH |
61300211121 |
| 19 | 0 | J11 | JUMPER-con2- strip-male | JUMPER-CONN HEADER .100 STR 2POS (not assembled) | WURTH | 61300211121 |
| 20 | 2 | J12 J13 | con8-2×4-strip- male | CONN HEADER .100 DUAL STR 8POS | WURTH | 61300821121 |
| 21 | 8 | R1 R2 R3 R4 R5 R6 R7 R8 | 390, 0603 (1608 Metric), 0.1W, 1/10W, +/-1% | RES SMD 390 OHM 1% 1/10W 0603 | Yageo | RC0603FR-07390RL |
| 22 | 8 | R9 R10 R11 R12 R13 R14 R15 R16 | 68k, 0603 (1608 Metric), 0.1W, 1/10W, +/-1% | RES SMD 68K OHM 1% 1/10W 0603 | Yageo | RC0603FR-0768KL |
| 23 | 8 | R17 R18 R19 R20 R21 R22 R23 R24 | 12k, 0603 (1608 Metric), 0.1W, 1/10W, +/-1% | RES SMD 12K OHM 1% 1/10W 0603 | Yageo | RC0603FR-0712KL |
| 24 | 8 | R25 R26 R27 R28 R29 R30 R31 R32 | 15k, 0603 (1608 Metric), 0.1W, 1/10W, +/-1% | RES SMD 15K OHM 1% 1/10W 0603 | Yageo | RC0603FR-0715KL |
| 25 | 1 | R33 | 2.2K, 0603 (1608 Metric), 0.1W, 1/10W, +/-1% | RES SMD 2.2K OHM 1% 1/10W 0603 | Yageo | RC0603FR-072K2L |
| 26 | 2 | R34 R35 | 0603 (1608 Metric), 0.1W, 1/10W, +/-1% | CHIP RESISTOR SMD 1% 1/10W 0603 | Yageo | RC0603FR-070RL |
|
27 |
9 | R101 R102 R108 R111 R113 R114 R115 R116 R118 | 100, 0603 (1608 Metric), 0.1W, 1/10W, +/-1% | RES SMD 100 OHM 1% 1/10W 0603 |
Yageo |
RC0603FR-07100RP |
|
28 |
0 | R103 R104 R105 R106 R107 R109 R110 R112 R117 R119 R120 | 100, 0603 (1608 Metric), 0.1W, 1/10W, +/-1% | RES SMD 100 OHM 1% 1/10W 0603 (not assembled) |
Yageo |
RC0603FR-07100RP |
| 29 | 2 | SW1 SW2 | con3-strip-male | CONN HEADER .100 STR 3POS | WURTH | 61300311121 |
| 30 | 1 | TP8 | 5001, 0.100″ Dia x 0.180″, L (2.54mm x 4.57mm) | TEST POINT PC MINI .040″D BLACK | Keystone Electronics | 5001 |
| 31 | 1 | U2 | SM15T39CA, DO-214AB, SMC, 1500W, (1.5kW) | TVS DIODE 33.3V 69.7V SMC | ST | SM15T39CA |
| 32 | 0 | U5 | ESDA15P60-1U1 M, 2-UDFN | TVS DIODE 13.2V 22.7V 1610 (not assembled) | ST | ESDA15P60-1U1M |
Board versions
Table 4. X-NUCLEO-OUT14A1 versions
| PCB version | Schematic diagrams | Bill of materials |
| X$NUCLEO-OUT14A1 (1) | X$NUCLEO-OUT14A1 schematic diagrams | X$NUCLEO-OUT14A1 bill of materials |
This code identifies the X-NUCLEO-OUT14A1 evaluation board first version. It is printed on the board PCB.
Regulatory compliance information
Notice for US Federal Communication Commission (FCC)
For evaluation only; not FCC approved for resale
FCC NOTICE – This kit is designed to allow:
- Product developers to evaluate electronic components, circuitry, or software associated with the kit to determine whether to incorporate such items in a finished product and
- Software developers to write software applications for use with the end product.
This kit is not a finished product and when assembled may not be resold or otherwise marketed unless all required FCC equipment authorizations are first obtained. Operation is subject to the condition that this product not cause harmful interference to licensed radio stations and that this product accept harmful interference. Unless the assembled kit is designed to operate under part 15, part 18 or part 95 of this chapter, the operator of the kit must operate under the authority of an FCC license holder or must secure an experimental authorization under part 5 of this chapter 3.1.2.
Notice for Innovation, Science and Economic Development Canada (ISED)
For evaluation purposes only. This kit generates, uses, and can radiate radio frequency energy and has not been tested for compliance with the limits of computing devices pursuant to Industry Canada (IC) rules..
Notice for the European Union
This device is in conformity with the essential requirements of the Directive 2014/30/EU (EMC) and of the Directive 2015/863/EU (RoHS).
Notice for the United Kingdom
This device is in compliance with the UK Electromagnetic Compatibility Regulations 2016 (UK S.I. 2016 No. 1091) and with the Restriction of the Use of Certain Hazardous Substances in Electrical and Electronic Equipment Regulations 2012 (UK S.I. 2012 No. 3032).
References
Freely available on www.st.com:
- ISO808A-1 datasheet
- UM3035: “Getting started with X-CUBE-IPS industrial digital output software for STM32 Nucleo”
- NUCLEO-F401RE documentation
- NUCLEO-G431RB documentation
Revision history
Table 5. Document revision history
| Date | Revision | Changes |
| 14-Oct-2022 | 1 | Initial release. |
IMPORTANT NOTICE – READ CAREFULLY
STMicroelectronics NV and its subsidiaries (“ST”) reserve the right to make changes, corrections, enhancements, modifications, and improvements to ST products and/or to this document at any time without notice. Purchasers should obtain the latest relevant information on ST products before placing orders. ST products are sold pursuant to ST’s terms and conditions of sale in place at the time of order acknowledgment.
Purchasers are solely responsible for the choice, selection, and use of ST products and ST assumes no liability for application assistance or the design of purchasers’ products.
No license, express or implied, to any intellectual property right is granted by ST herein.
Resale of ST products with provisions different from the information set forth herein shall void any warranty granted by ST for such product.
ST and the ST logo are trademarks of ST. For additional information about ST trademarks, refer to www.st.com/trademarks. All other product or service names are the property of their respective owners.
Information in this document supersedes and replaces information previously supplied in any prior versions of this document.
© 2022 STMicroelectronics – All rights reserved
References
STMicroelectronics: Our technology starts with you
STMicroelectronics Trademark List - STMicroelectronics
STMicroelectronics: Our technology starts with you
NUCLEO-F401RE - STM32 Nucleo-64 development board with STM32F401RE MCU, supports Arduino and ST morpho connectivity - STMicroelectronics
NUCLEO-G431RB - STM32 Nucleo-64 development board with STM32G431RB MCU, supports Arduino and ST morpho connectivity - STMicroelectronics
BAT48 - 40 V, 350 mA Axial General purpose Signal Schottky Diode - STMicroelectronics
ESDA15P60-1U1M - High-power transient voltage supressor (TVS) - STMicroelectronics
IPS8160HQ - 0.5A Octal high side driver - STMicroelectronics
NUCLEO-F401RE - STM32 Nucleo-64 development board with STM32F401RE MCU, supports Arduino and ST morpho connectivity - STMicroelectronics
NUCLEO-G431RB - STM32 Nucleo-64 development board with STM32G431RB MCU, supports Arduino and ST morpho connectivity - STMicroelectronics
SM15T39CA - 1500 W, 33.3 V TVS in SMC - STMicroelectronics
STPS1H100 - 100 V, 1 A Power Schottky Rectifier - STMicroelectronics
STSW-LINK004 - STM32 ST-LINK utility (replaced by STM32CubeProgrammer) - STMicroelectronics
X-CUBE-IPS - Software expansion for STM32Cube driving industrial digital output based on IPS - STMicroelectronics
X-NUCLEO-OUT09A1 - Industrial digital output expansion board based on IPS8160HQ for STM32 Nucleo - STMicroelectronics
STM32CubeProg - STM32CubeProgrammer software for all STM32 - STMicroelectronics
STM32 Nucleo Boards - STMicroelectronics




















